Soustruh SU 110/500 "UROB SI SÁM"

Vse o konvencnich strojich, nic o jejich prestavbe na cnc
Odpovědět
fidel47
Příspěvky: 448
Registrován: 4. 12. 2011, 6:55

2. 9. 2014, 7:09

vruboun píše:Stejně mi ten způsob napínéní řemenů nefungoval na stopro- vždy jeden prokluzoval při větším ztížení. Oni ty řemeny tehdy nebyly úplně stejně dlouhé. Přidal jsem si k vřeteníku napínací rolnu a při změně převodového stupně napínám řemeny nadvakrát.
Já to vyrobím tak jak to je namalovaný, a kdyby to bylo při provozu hodně špatný, tak tam dám ozubený řemen a frekvenční měnič, ale raději bych zachoval původní myšlenku.
vruboun
Příspěvky: 378
Registrován: 25. 3. 2010, 7:11

3. 9. 2014, 6:43

Ozubený řemen se tam bez úpravy pozice motoru nebo vřeteníku nedá. Frekvenční měnič si taky chystám, ale asi ty řemeny nechám tak jak jsou nyní. On ten motor 550W není žádný Herkules a při větším záběru jdou otáčky dolů, tak se možnost různých převodových stupňů bude hodit.
hobbymanik
Příspěvky: 5
Registrován: 17. 9. 2014, 8:39

17. 9. 2014, 10:25

Fifík píše:Pánové, proč ho tak odrazujete? Není lepší cesta jak se něco naučit, než vyrábět něco smysluplného. Že do toho zahučí nějaké peníze je jasný, ale jsou to fakt vcelku smysluplně využitý finance.
Prostě je třeba si vzpomenout na rčení, že "Cesta může být cíl!"
Lidičky, to ocení jen skalní hobbík, vyrábět na vlastníma rukama pod vlastní hlavou vyrobeném stroji, pokud tedy na něm nedělá v úkolu a na výnos nečeká hladová rodina... Skvělé je hlavně vylepšování, tvorba dalších a dalších přípravků... I malý ptáček může hezky zpívat! Sám jsem si soustruh vytvořil většinou z materiálu "co kovošrot prodal" , sklíčidlo 125, motor 1,1 kW, točná 400mm, 27 rychlostí, v koníku Morse 3, takže vrták prům 30 bez větších problémů,a to vše bez "svařovaných či frézovaných zaškrábavaných" loží pod HRC, jen podle jednoduchých výkresů, na které mi -nestrojaři- hlava stačila . Slouží mi již dvacet let, nyní v rekonstrukci elektriky, holt doba mikroprocesorů a KM, ale NC z něj určitě dělat nebudu, dělám si pro koníčka jen jednotlivé kousky a než bych naprogramoval, mám utočené! ... Pěkný tvořivý den.
fidel47
Příspěvky: 448
Registrován: 4. 12. 2011, 6:55

25. 10. 2014, 1:51

Musím něco připsat, aby to nevypadalo, že jem odložil projekt do kopřiv. Tak tedy-pár fotek z výroby ozubeného kolečka, modul 1,25, zubů 39, materiál 11600. Kolečko patří na vřeteno a slouží k pohonu posůvu a závitovacího zařízení. Na trnu soustružený polotovar, s obraženou drážkou pro pero
polotovar.JPG
, nastavování frézky-zde hledám střed
DSC08555.JPG
, nastevení hloubky frézování (2,81 mm)
DSC08558.JPG
,a už to frčí
DSC08560.JPG
, chvilka napětí, jak daleko od sebe bude první a poslední zub bývá palčivá :wink: , tady se to povedlo
DSC08566.JPG
,kosmetické úpravy na brusce
DSC08573.JPG
,a je to,
DSC08576.JPG
může jít do krabice k dálším součástkám,
fidel47
Příspěvky: 448
Registrován: 4. 12. 2011, 6:55

16. 3. 2015, 2:50

Práce na soustruhu pokračuje v překotném tempu kupředu :lol: , za posledních pět měsíců jsem se tomu věnoval celý včerejšek, tak počítám, že kolem roku 2032 bude první špona! Pustil jsem se do výroby vřeteníkové skříně
USS_1989_70_52.jpg
, všechny díly, které mají být rozměrově shodné se obrábějí (frézují, vrtají, soustruží) společně,spojeny kolíky z důvodu zajištění pevné vzájemné polohy, např. zde dva díly na sobě,pojištěny ještě sváry.
DSC00006.JPG
No a dílčí výsledek:
Vřeteník USS.2.JPG
,
Vřeteník USS.3.JPG
....děravá železná krabička.
Uživatelský avatar
Francotirador
Příspěvky: 1172
Registrován: 27. 7. 2010, 8:04

19. 3. 2015, 3:03

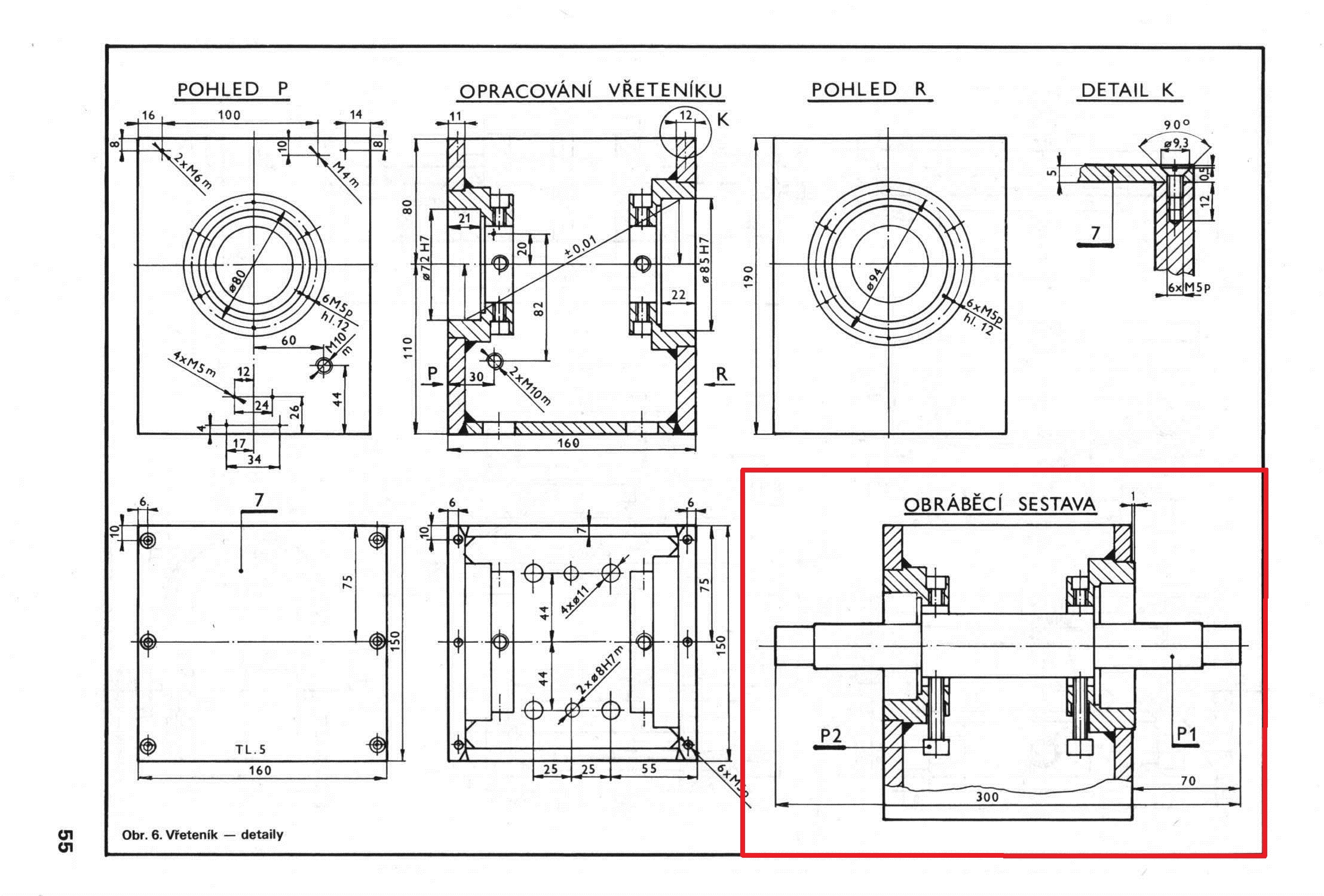
Jak je v časopise vymyšlený postup vyvrtávání uložení ložisek vřetena na čisto po svaření vřeteníku?
soustruh: TOS MN80A; obrážečka: TOS MS200N
frézka: klon Sieg X2; ostřička: Beiping PP-U3
Goor
Příspěvky: 82
Registrován: 23. 3. 2009, 5:38

19. 3. 2015, 3:21

Pokud si dobře vzpomínám, jsou v každém domečku ložiska čtyři pomocné díry se závitem. Přes celý vřeteník prochází trn, který drží šrouby v těch domečkách a obrábí se to celé mezi hroty. Je tak jistá souosost, jen to chce dobře srovnat hodinkama, aby spodek a bok byly do roviny.
fidel47
Příspěvky: 448
Registrován: 4. 12. 2011, 6:55

19. 3. 2015, 6:06

Goor píše:Pokud si dobře vzpomínám, jsou v každém domečku ložiska čtyři pomocné díry se závitem. Přes celý vřeteník prochází trn, který drží šrouby v těch domečkách a obrábí se to celé mezi hroty. Je tak jistá souosost, jen to chce dobře srovnat hodinkama, aby spodek a bok byly do roviny.
Ano, tak to je:
USS_1989_70_53.jpg
USS_1989_70_55.jpg
, člověk bez technického vzdělání si při tom čtení a výrobě osvojí postupy na které by jinak nepomyslel-to se mi líbí.
Povolím uzdu fantazie: Láká mě udělat na tomto soustruhu závitovací zařízení (poháněné kardanem) po vzoru soustruhů Shaublin, jak nám je představuje Tumlík na svých stránkách.
fidel47
Příspěvky: 448
Registrován: 4. 12. 2011, 6:55

3. 4. 2015, 12:22

Dobrý den přátelé, přikládám fotografie svařené vřeteníkové skříně a pomocného trnu, na kterém se bude skříň soustružit mezi hroty tak, aby aby byla zaručena dostatečná souosost ložiskových otvorů a kolmost čel skříně a později bude použit pro ustavení skříně při obrábění spodní plochy pro zajištění rovnoběžnosti základny s osou ložisek.
Přílohy
1.JPG
DSC00004.JPG
2.JPG
fidel47
Příspěvky: 448
Registrován: 4. 12. 2011, 6:55

20. 4. 2015, 9:38

Přemýšlím, jak bych vyndaval vnější kroužek ložiska z tohoto uložení
ložisko.JPG
, kdybych ho chtěl vyndat. Buď je na to nějaký postup který neznám, nebo to uložení budu muset upravit, abych se ke kroužku dostal zezadu alespoň ve třech bodech nějakou tyčkou a mohly ho vyklepnout ven...?
testone
Sponzor fora
Příspěvky: 7451
Registrován: 3. 12. 2010, 5:56
Bydliště: Slaný

20. 4. 2015, 11:10

fidel píše: Přemýšlím, jak bych vyndaval vnější kroužek ložiska z tohoto uložení, kdybych ho chtěl vyndat. Buď je na to nějaký postup který neznám, nebo to uložení budu muset upravit, abych se ke kroužku dostal zezadu alespoň ve třech bodech nějakou tyčkou a mohly ho vyklepnout ven...?
uděláš do toho kroužku svar, housenku po obvodu vnitřní plochy, po vychladnutí vypadne sám
Obvykle se dějí věci obvyklé. Méně často se dějí věci neobvyklé a zcela vyjímečně se dějí věci vyjímečné...
Masturn 40 CNC, Hermle UWF1200H CNC a pár klasik
http://www.radialengine.cz" onclick="window.open(this.href);return false;
http://www.autopejsek.cz" onclick="window.open(this.href);return false;
RaS
Příspěvky: 8674
Registrován: 26. 3. 2009, 9:12
Bydliště: Úvaly

21. 4. 2015, 7:20

vyfrézuj si v té dosedací ploše tři zářezy do kterých v případě potřeby vložíš 3ramenej klasickej stahovák na ložiska..
věčný rýpal,který musí mít poslední slovo, odpůrce low-cost zařízení končících v naprosté většině případů v hromadě šrotu
uživatelé hýbátek, kteří mají z mých příspěvků celoživotní trauma nechť si mé příspěvky VYPNOU
shower
Příspěvky: 215
Registrován: 12. 2. 2010, 8:14
Bydliště: Prešov

21. 4. 2015, 11:11

fidel47 píše:Přemýšlím, jak bych vyndaval vnější kroužek ložiska z tohoto uložení
ložisko.JPG
, kdybych ho chtěl vyndat. Buď je na to nějaký postup který neznám, nebo to uložení budu muset upravit, abych se ke kroužku dostal zezadu alespoň ve třech bodech nějakou tyčkou a mohly ho vyklepnout ven...?

technologické závity?
fidel47
Příspěvky: 448
Registrován: 4. 12. 2011, 6:55

21. 4. 2015, 12:11

shower píše:
fidel47 píše:Přemýšlím, jak bych vyndaval vnější kroužek ložiska z tohoto uložení
ložisko.JPG
, kdybych ho chtěl vyndat. Buď je na to nějaký postup který neznám, nebo to uložení budu muset upravit, abych se ke kroužku dostal zezadu alespoň ve třech bodech nějakou tyčkou a mohly ho vyklepnout ven...?

technologické závity?
To se mi líbí nejvíc, udělám pod vnitřním čelem vnějšího kroužku tři díry zkrz, do nich závity a v případě potřeby se kroužek vytlačí šrouby. Svár do kroužku jak píše testone se mi moc nelíbí, to bych si asi poprskal i okolí ložiska-ale je dobré to vědět, a ty závity se mi zdají víc elegantnější než jak píše RaS o třech drážkách na stahovák,protože ty šrouby najde v dílně každý,kdežto stahovák-co si budeme povídat...Díky pánové!
RaS
Příspěvky: 8674
Registrován: 26. 3. 2009, 9:12
Bydliště: Úvaly

22. 4. 2015, 8:04

jenže stahovák dáš zepředu a stáhneš ložisko hned.. když budeš mít závity, tak musíš cpát šrouby někde zevnitř, kde budou překážet ozubená kola, hřídele a ani se tam s ráčnou nehneš.. to je taky potřeba zvážit..
věčný rýpal,který musí mít poslední slovo, odpůrce low-cost zařízení končících v naprosté většině případů v hromadě šrotu
uživatelé hýbátek, kteří mají z mých příspěvků celoživotní trauma nechť si mé příspěvky VYPNOU
Odpovědět

Zpět na „konvenční soustruhy“