PCI karta inštalacia
ja ti teda nevim, volas
coz Ti vytvori jednu instanci portu. takze vsechno musis adresovat jako parport.0......
----------------------------------------------------------------------
pokud bys to volal takto
tak budes pouzivat parport.0, parport.1, parport.2
ale muzu se mylit....
Kód: Vybrat vše
loadrt hal_parport cfg="0xac00 out "----------------------------------------------------------------------
pokud bys to volal takto
Kód: Vybrat vše
loadrt hal_parport cfg="0x278 0x378 in 0x20A0 out"ale muzu se mylit....
Kód: Vybrat vše
loadrt hal_parport cfg="0x378 out"Kód: Vybrat vše
loadrt hal_parport cfg="0xac00 out"Kód: Vybrat vše
loadrt hal_parport cfg="0xbc00 out"Kód: Vybrat vše
loadrt hal_parport cfg="0x378 0xac00 out"Kód: Vybrat vše
loadrt hal_parport cfg="0xac00 0xbc00 out"Kód: Vybrat vše
loadrt hal_parport cfg="0x378 0xac00 out 0xbc00 in"tak som si to aj predstavoval pre upresnenie port1,2 su pci karty, len neviem prisť na to prečo mi ten priložený .hal nefunguje.
ked necham port na parport0 a spustim EMC vo watch okne vidím že port funguje. ak ho zapišem ako je to v priloženom subore vyhodi chybovú hlášku (ešte mi tam zrejme niečo chýba alebo tam mám niečo naviac).
ked necham port na parport0 a spustim EMC vo watch okne vidím že port funguje. ak ho zapišem ako je to v priloženom subore vyhodi chybovú hlášku (ešte mi tam zrejme niečo chýba alebo tam mám niečo naviac).
nefunguje to protoze
ti vytvori jenom JEDEN objekt portu v pameti.
a ty ho adresujes jako DRUHY
je to indexovane pole kde prvni prvek ma index 0
takze spravne musis mit
nema to zadnou souvislost s poctem fyzickych portu v kompu.
ale mohu se mylit.....
Kód: Vybrat vše
loadrt hal_parport cfg="0xac00 out "a ty ho adresujes jako DRUHY
Kód: Vybrat vše
setp parport.1.reset-time 5000takze spravne musis mit
Kód: Vybrat vše
setp parport.0.reset-time 5000ale mohu se mylit.....
v tomto okne som kontroloval funkčnosť a adresovanie tiež:
[attachment=0]Obrazovka-HAL Configuration.png[/attach
tento zápis mi tiež nefunguje:
loadrt trivkins
loadrt [EMCMOT]EMCMOT base_period_nsec=[EMCMOT]BASE_PERIOD servo_period_nsec=[EMCMOT]SERVO_PERIOD num_joints=[TRAJ]AXES
loadrt probe_parport
loadrt hal_parport cfg="0xac00 out 0xbc00 out 0x378 out"
setp parport.0.reset-time 5000
loadrt stepgen step_type=0,0,0,0
loadrt charge_pump
net estop-out charge-pump.enable iocontrol.0.user-enable-out
net charge-pump <= charge-pump.out
addf parport.0.read base-thread
addf parport.1.read base-thread
addf parport.2.read base-thread
addf stepgen.make-pulses base-thread
addf charge-pump base-thread
addf parport.0.write base-thread
addf parport.0.reset base-thread
addf parport.1.write base-thread
addf parport.2.write base-thread
addf stepgen.capture-position servo-thread
addf motion-command-handler servo-thread
addf motion-controller servo-thread
addf stepgen.update-freq servo-thread
net spindle-cmd <= motion.spindle-speed-out
net spindle-cw <= motion.spindle-forward
net coolant-mist <= iocontrol.0.coolant-mist
setp parport.0.pin-01-out-invert 1
net charge-pump => parport.0.pin-01-out
setp parport.0.pin-02-out-invert 1
net xenable => parport.0.pin-02-out
setp parport.0.pin-03-out-invert 1
net spindle-cw => parport.0.pin-03-out
setp parport.0.pin-04-out-invert 1
net xstep => parport.0.pin-04-out
setp parport.0.pin-04-out-reset 1
setp parport.0.pin-05-out-invert 1
net ystep => parport.0.pin-05-out
setp parport.0.pin-05-out-reset 1
setp parport.0.pin-06-out-invert 1
net zdir => parport.0.pin-06-out
setp parport.0.pin-07-out-invert 1
net zstep => parport.0.pin-07-out
setp parport.0.pin-07-out-reset 1
setp parport.0.pin-08-out-invert 1
net adir => parport.0.pin-08-out
setp parport.0.pin-09-out-invert 1
net astep => parport.0.pin-09-out
setp parport.0.pin-09-out-reset 1
setp parport.0.pin-14-out-invert 1
net coolant-mist => parport.0.pin-14-out
setp parport.0.pin-16-out-invert 1
net xdir => parport.0.pin-16-out
setp parport.0.pin-17-out-invert 1
net ydir => parport.0.pin-17-out
net estop-ext <= parport.0.pin-10-in
net min-x <= parport.0.pin-11-in-not
net min-y <= parport.0.pin-12-in-not
net min-z <= parport.0.pin-13-in-not
net min-a <= parport.0.pin-15-in-not
setp stepgen.0.position-scale [AXIS_0]SCALE
setp stepgen.0.steplen 1
setp stepgen.0.stepspace 0
setp stepgen.0.dirhold 45000
setp stepgen.0.dirsetup 45000
setp stepgen.0.maxaccel [AXIS_0]STEPGEN_MAXACCEL
net xpos-cmd axis.0.motor-pos-cmd => stepgen.0.position-cmd
net xpos-fb stepgen.0.position-fb => axis.0.motor-pos-fb
net xstep <= stepgen.0.step
net xdir <= stepgen.0.dir
net xenable axis.0.amp-enable-out => stepgen.0.enable
net min-x => axis.0.neg-lim-sw-in
[attachment=0]Obrazovka-HAL Configuration.png[/attach
tento zápis mi tiež nefunguje:
loadrt trivkins
loadrt [EMCMOT]EMCMOT base_period_nsec=[EMCMOT]BASE_PERIOD servo_period_nsec=[EMCMOT]SERVO_PERIOD num_joints=[TRAJ]AXES
loadrt probe_parport
loadrt hal_parport cfg="0xac00 out 0xbc00 out 0x378 out"
setp parport.0.reset-time 5000
loadrt stepgen step_type=0,0,0,0
loadrt charge_pump
net estop-out charge-pump.enable iocontrol.0.user-enable-out
net charge-pump <= charge-pump.out
addf parport.0.read base-thread
addf parport.1.read base-thread
addf parport.2.read base-thread
addf stepgen.make-pulses base-thread
addf charge-pump base-thread
addf parport.0.write base-thread
addf parport.0.reset base-thread
addf parport.1.write base-thread
addf parport.2.write base-thread
addf stepgen.capture-position servo-thread
addf motion-command-handler servo-thread
addf motion-controller servo-thread
addf stepgen.update-freq servo-thread
net spindle-cmd <= motion.spindle-speed-out
net spindle-cw <= motion.spindle-forward
net coolant-mist <= iocontrol.0.coolant-mist
setp parport.0.pin-01-out-invert 1
net charge-pump => parport.0.pin-01-out
setp parport.0.pin-02-out-invert 1
net xenable => parport.0.pin-02-out
setp parport.0.pin-03-out-invert 1
net spindle-cw => parport.0.pin-03-out
setp parport.0.pin-04-out-invert 1
net xstep => parport.0.pin-04-out
setp parport.0.pin-04-out-reset 1
setp parport.0.pin-05-out-invert 1
net ystep => parport.0.pin-05-out
setp parport.0.pin-05-out-reset 1
setp parport.0.pin-06-out-invert 1
net zdir => parport.0.pin-06-out
setp parport.0.pin-07-out-invert 1
net zstep => parport.0.pin-07-out
setp parport.0.pin-07-out-reset 1
setp parport.0.pin-08-out-invert 1
net adir => parport.0.pin-08-out
setp parport.0.pin-09-out-invert 1
net astep => parport.0.pin-09-out
setp parport.0.pin-09-out-reset 1
setp parport.0.pin-14-out-invert 1
net coolant-mist => parport.0.pin-14-out
setp parport.0.pin-16-out-invert 1
net xdir => parport.0.pin-16-out
setp parport.0.pin-17-out-invert 1
net ydir => parport.0.pin-17-out
net estop-ext <= parport.0.pin-10-in
net min-x <= parport.0.pin-11-in-not
net min-y <= parport.0.pin-12-in-not
net min-z <= parport.0.pin-13-in-not
net min-a <= parport.0.pin-15-in-not
setp stepgen.0.position-scale [AXIS_0]SCALE
setp stepgen.0.steplen 1
setp stepgen.0.stepspace 0
setp stepgen.0.dirhold 45000
setp stepgen.0.dirsetup 45000
setp stepgen.0.maxaccel [AXIS_0]STEPGEN_MAXACCEL
net xpos-cmd axis.0.motor-pos-cmd => stepgen.0.position-cmd
net xpos-fb stepgen.0.position-fb => axis.0.motor-pos-fb
net xstep <= stepgen.0.step
net xdir <= stepgen.0.dir
net xenable axis.0.amp-enable-out => stepgen.0.enable
net min-x => axis.0.neg-lim-sw-in
zase chyba medzi monitorom a stoličkou, mal som to pripojené na 0xbc00 samozrejme to jediné som celý čas nevyskúšal
teraz to beží podla predstav dakujem za rady
Oscar mal si pravdu:
teraz to beží podla predstav dakujem za rady
Oscar mal si pravdu:
je to indexovane pole kde prvni prvek ma index 0
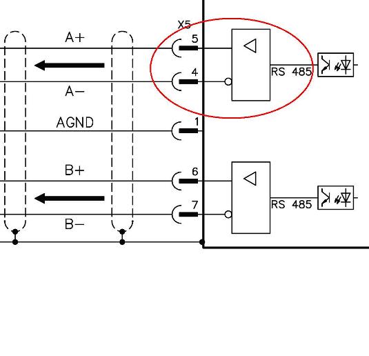
tak dnes som mal chvilu na dokoncenie MPG - čka štýlom čo dom dal tak ma prosím velmi nekritizujte funguje to len ma zaujíma či nie je nejaké riziko ak sú enkoder a piny pripojené na hulváta na parport podla správnosti by tam mali byť rezistory.
Páni vidím že je tu hromada šikovných elektrotechnikov viete mi poradiť čo môžem použiť ako náhradu zakrúžkovaného členu (aký obvod MH74xxxx ??? )
vstup chcem mať z oddeľovacej karty 5v a výstup je podmienka 5v ideálne by preto bolo napájanie použitej súčiastky 5v.
poprípade ma prosím nasmerujte.
vstup chcem mať z oddeľovacej karty 5v a výstup je podmienka 5v ideálne by preto bolo napájanie použitej súčiastky 5v.
poprípade ma prosím nasmerujte.
- Kilovolt
- Sponzor fora
- Příspěvky: 829
- Registrován: 21. 10. 2009, 9:59
- Bydliště: Podřipák jak vyšitej!
Pomohlo by tohle ? http://www.gme.cz/rozhrani-pro-linkove- ... -p959-367/" onclick="window.open(this.href);return false;
Elektrika je potvora-nejni vidět a kope jak divoká mula.
"Učíme se po celý život. Až na školní léta" - Gabriel Laub
"Učíme se po celý život. Až na školní léta" - Gabriel Laub
zda sa že to bude použitelne zajtra skočim do miestneho obchodu so sučiastkami a budem to od nich chcieťKilovolt píše:Pomohlo by tohle ? http://www.gme.cz/rozhrani-pro-linkove- ... -p959-367/" onclick="window.open(this.href);return false;
ide mi o spojenie Linux cnc / parport /oddelovacia doska - Step/Dir - sučiastka ktorú sa pokúšam nájsť / servodriverpacka píše:o co ti vlastně jde ??? trochu to rozepiš
(na výstupe oddelovacej dosky je uroven signalov 0V alebo 5V a ak tomu spravne rozumiem tato sučiastka dokaže invertovať stav, raz mám na výstupoch 0v/5v adruhý stav je 5v/0v čo chce ten servodriver podla označenia tých vodičov A+/A- alebo sa mýlim?)
môžem sem dať aj celý manuál (ale bude sa niekomu chcieť v nom hladať) snažil som sa čo najviac špecifikovať otázku asi dosť neštastne.
Naposledy upravil(a) uhy dne 2. 4. 2013, 6:42, celkem upraveno 1 x.