Jaky je nazev v cestine?
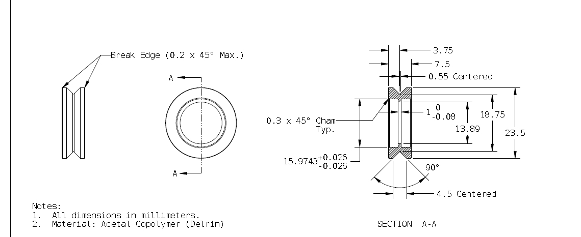
mimochodem kde jsi sebral ten fantastickej výkres? takhle může kótovat díru jen nestrojařské hovado...
věčný rýpal,který musí mít poslední slovo, odpůrce low-cost zařízení končících v naprosté většině případů v hromadě šrotu
uživatelé hýbátek, kteří mají z mých příspěvků celoživotní trauma nechť si mé příspěvky VYPNOU
uživatelé hýbátek, kteří mají z mých příspěvků celoživotní trauma nechť si mé příspěvky VYPNOU
to je jeste dobry, horsi je to u nemcu, tam si musis dat bacha, jestli jsou pouzity pohledy, nebo promitani
"do řiti se řítíme, ani o tom nevíme.."
normalne se udela ±0.026chb píše:jak se v plastu dělá otvor 15,9743 mm ?
"do řiti se řítíme, ani o tom nevíme.."
-
prochaska
- Sponzor fora
- Příspěvky: 8445
- Registrován: 16. 7. 2006, 12:33
- Bydliště: Praha Bohnice + Roudnice nad Labem
- Kontaktovat uživatele:
Já bych se tak nepohoršoval, mně to CAD dělá taky, když si nedám pozor. Stačí dát lícovanou díru a převést na absolutní rozměr a je to. A vyrobit se to samozřejmě dá 
Aleš Procháska
-
Mirek-Gravos
- Sponzor fora
- Příspěvky: 717
- Registrován: 9. 1. 2008, 11:39
- Bydliště: Veleň
- Kontaktovat uživatele:
Dá se to i koupit...
.
http://store.amberspyglass.co.uk/v-wheel.html" onclick="window.open(this.href);return false;
http://store.amberspyglass.co.uk/v-wheel.html" onclick="window.open(this.href);return false;
jo joprochaska píše:Já bych se tak nepohoršoval, mně to CAD dělá taky, když si nedám pozor. Stačí dát lícovanou díru a převést na absolutní rozměr a je to. A vyrobit se to samozřejmě dá
na tom výkresu je daleko závažnější chyba
chybí tam osy rotace a dále u kót průměrů značka průměru
další důkaz toho, že znalost ovládání nějakého CADu z člověka strojaře a konstruktéra neudělá
Obvykle se dějí věci obvyklé. Méně často se dějí věci neobvyklé a zcela vyjímečně se dějí věci vyjímečné...
Masturn 40 CNC, Hermle UWF1200H CNC a pár klasik
http://www.radialengine.cz" onclick="window.open(this.href);return false;
http://www.autopejsek.cz" onclick="window.open(this.href);return false;
Masturn 40 CNC, Hermle UWF1200H CNC a pár klasik
http://www.radialengine.cz" onclick="window.open(this.href);return false;
http://www.autopejsek.cz" onclick="window.open(this.href);return false;
Bohužel takové výkresy pochází i z oficiální konstrukční kanceláře. Představ te si, že někdo, kdo spáchá něco takového si dovoluje říkat konstruktér. Hodně to vypovídá o stavu naší společnosti. Jak jsem se bavil u filmu "Idiokracie", tak teď mám husí kůži, že budoucnost tak skutečně vypadat bude.
- robokop
- Site Admin
- Příspěvky: 23203
- Registrován: 10. 7. 2006, 12:12
- Bydliště: Praha
- Kontaktovat uživatele:
jo ja znam jednu kamcelar kde byli schopni vyplodit ze se ma hridel 50 stocit na prumer 60
nebo ze se ma vytocit nepreruseny krouzek kterym se zaslepi drazka dire (zapich jako pro segerovku) - jak ho tam dostat to uz konstrukter nenavrhoval, jen si dal praci s vykresem toho krouzku
nebo ze se ma vytocit nepreruseny krouzek kterym se zaslepi drazka dire (zapich jako pro segerovku) - jak ho tam dostat to uz konstrukter nenavrhoval, jen si dal praci s vykresem toho krouzku
Vsechna prava na chyby vyhrazena (E)
Jj CAD dovoluje nakreslit cokoli a když se u toho nemyslí a nechá se na něm i kótování....
Zvláštní, osobně si i jako stavař v CADu při kótování prvně nastavuji styl kótování, včetně zaokrouhlení, asi se musím počítat do staré školy.
Zvláštní, osobně si i jako stavař v CADu při kótování prvně nastavuji styl kótování, včetně zaokrouhlení, asi se musím počítat do staré školy.
MDF CNC router
TB6560 modrá čínská deska
Mach3, SketchUp+Phlatscript plugin
modelářství, elektronika,technika
TB6560 modrá čínská deska
Mach3, SketchUp+Phlatscript plugin
modelářství, elektronika,technika