CNC by chetar

fotky našich strojů, aneb co máme doma
Odpovědět
Engineer
Příspěvky: 2369
Registrován: 27. 12. 2006, 4:30
Kontaktovat uživatele:

7. 1. 2015, 1:10

chetar píše: .........
1. 25tis/min s tím nehodlám točit, budu rád když se dostanu k 15tis/min.
2. Bylo zde správně zmíněno, že jsem nic nevyrobil, nepočítám-li kladívko a příložný úhelník vyrobený pomocí pilky na železo a pilníku na střední škole. A co jako? Každý přece jednou vyrobí něco prvního v životě :roll:
3. Nesháním...........
Máš pravdu řediteli :) ... technické rady Ti nedám, protože by to nemělo smysl. Nezlob se na mně, ale stavět vřeteno tohoto typu obzvláště "hobby způsobem" nebo "co mi kdo ufušuje" je špek toho nejvyššího kalibru. Moje a Rasovi rady jsou míněny asi tak, že bys měl nejdřív možná zkusit jaksi něco méně ambiciozního abys pochopil vo co go. Šetříme Ti tím nemalý finanční prostředky a s vysokou pravděpodobností i spoustu zbytečně vyhozenýho času v objevování slepých uliček.
Takže abych to ukončil, až tady předvedeš hotový a plně funkční vřeteno s ATC řekněme s 12-15 tisíci otáček, který bude 20-30mm od čela kleštiny házet do pěti tisícin, tak se Ti zde osobně omluvím zato, že jsem tak hluboce znevážil a podcenil Tvůj konstrukční a řemeslnický talent. A abys věděl, že o tom něco vím, ale že na rozdíl od Tebe postupuji v malých krocích tak přikládám fotku něčeho čím bys měl začít. Je to malinký vřetýnko na plotter co frézuje sklolaminát, carbon, dřevo (nástroj do 6mm) apod. Nemá ATC, ale zato točí 38 tisíc a 20mm od čela kleštiny hází do stovky. Nemám to sice tak pěkně vymodelovaný ve 3D jako Ty, ale zato se mi už točí.... :wink:
Přílohy
vřeteno1.jpg
vřeteno3.jpg
vřeteno2.jpg
chetar
Příspěvky: 107
Registrován: 15. 9. 2013, 9:59

7. 1. 2015, 1:25

pro vytvoření nosného obalu potřebuji vyřešit nejprve dostatečnou vzdálenost ložisek a jejich typ

v mém návrhu jsou osazeny dole dvě ložiska 71910 (72x50x12mm) zachycující veškeré axiální síly při obrábění.
nahoře jsem zvolil ložisko 71908 (62x40x12mm) zachycující hlavně radiální síly od přenosu náhonu.

proč nahoru nedávat vřetenové ložisko? stačí tam dát nějaké čistě radiální ložisko s menší přesností? ale aby sneslo 18tis/min stejně jako spodní vřetenové. Viděl jsem že tam hodně dávají cylindrické či kuželové ložiska, ale ty mají omezení v otáčkách.

vyvažování - na to jsem trochu nepomyslel, dobrá připomínka, no konečně něco :D pořeším co nejdříve do návrhu.

ted se momentálně pracuje na prototypu hřídele, výsledky budou.....až to bude tak to bude :lol:
naštěstí se obrábění, žíhání, cementace a kalení provádí v jedné budově a není třeba to posílat věčně někam, jen to broušení je krapet jinde.


to Engineer:

moc pěkné vřetýnko, takové taky budu potřebovat, protože je mi jasné že s BT30 nelze tak snadno točit vysoký otáčky :)
Uživatelský avatar
Thomeeque
Příspěvky: 9536
Registrován: 30. 1. 2012, 10:20
Bydliště: Mimo ČR

7. 1. 2015, 3:35

chetar píše:dobrá připomínka, no konečně něco :D
Jakože všechny ostatní zatim stály za prd, jo?
mimooborová naplavenina • kolowratský zázrak™ • NPS • GCU • HirthCalc • ncDP.ino
lubos
Sponzor fora
Příspěvky: 5119
Registrován: 2. 5. 2007, 3:47
Bydliště: Praha

7. 1. 2015, 6:06

třeba něco málo pro inspiraci.
Přílohy
Taiwan ATC spindle(1).pdf
(109.07 KiB) Staženo 334 x
90BT30A(1).jpg
ISO20.jpg
XpertMill, Gravos, Ninos, Galaad
IQ156
-1500Kč, -520Kč, -1čokoláda, - 28000Kč
www.freeair.cz www.rotexelectric.eu www.retrofitcnc.cz
chetar
Příspěvky: 107
Registrován: 15. 9. 2013, 9:59

7. 1. 2015, 6:36

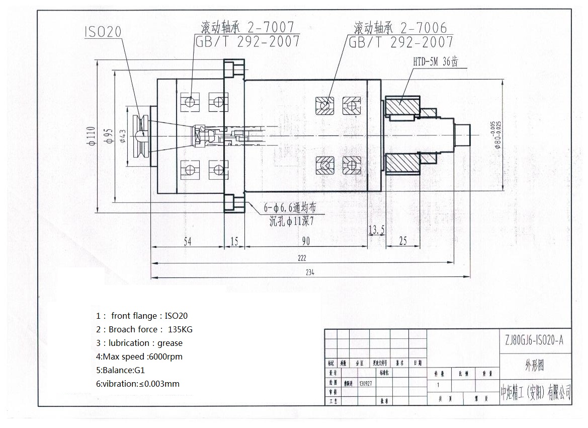
děkuji, ale tohle jsem taky našel :wink: a spousty dalších nákresů čínských i profi vřeten

ale RaS tu psal, že určitě by necpal jedno vřetenové ložisko nahoru a já tak nějak nechápu co tím přesně myslí, jestli dát nahoru dva ložiska místo jednoho, nebo tam nedávat vřetenové ložisko a použít jinačí typ.

taky dumám jestli ložiska řady 70** nebo 719**. Ale zřejmě nakonec 70xx, jelikož mají větší únosnost.
RaS
Příspěvky: 8859
Registrován: 26. 3. 2009, 9:12
Bydliště: Úvaly

7. 1. 2015, 6:37

chetar píše:pro vytvoření nosného obalu potřebuji vyřešit nejprve dostatečnou vzdálenost ložisek a jejich typ

v mém návrhu jsou osazeny dole dvě ložiska 71910 (72x50x12mm) zachycující veškeré axiální síly při obrábění.
nahoře jsem zvolil ložisko 71908 (62x40x12mm) zachycující hlavně radiální síly od přenosu náhonu.

proč nahoru nedávat vřetenové ložisko? stačí tam dát nějaké čistě radiální ložisko s menší přesností? ale aby sneslo 18tis/min stejně jako spodní vřetenové. Viděl jsem že tam hodně dávají cylindrické či kuželové ložiska, ale ty mají omezení v otáčkách.

si to vřetenové ložisko nahoru klidně dej, ale dej ho tam tak aby fungovalo.. a prostě jedno kosúhlé ložisko fungovat nebude, to se dočteš v každé příručce o ložiskách že se kosoúhlá ložiska montují v páru.. mít tam takhle jedno ložisko je prostě blbost, když už tak dvojici.. chceš-li to mít kvalitně a dostatečně únosně dej nahoru tohle, cenově to bude podobné jako tvoje řešení, bude to navržené správně axiálně volně kvůli tepelné dilataci a dostatečně přesné.. a Xkrát únosnější než tvé řešení.. http://medias.schaeffler.de/medias/hp.e ... ac?clrsb=1" onclick="window.open(this.href);return false;
věčný rýpal,který musí mít poslední slovo, odpůrce low-cost zařízení končících v naprosté většině případů v hromadě šrotu
uživatelé hýbátek, kteří mají z mých příspěvků celoživotní trauma nechť si mé příspěvky VYPNOU
chetar
Příspěvky: 107
Registrován: 15. 9. 2013, 9:59

7. 1. 2015, 6:53

RaS píše:
chetar píše: v mém návrhu ......
si to vřetenové ložisko na.....
Děkuji za pomoc při výběru RaSy :)
chetar
Příspěvky: 107
Registrován: 15. 9. 2013, 9:59

14. 4. 2015, 10:47

Ahoj po dlouhé době.
Pouze malý ale docela drahý upgrade nastal.

Přisli mi objednané přesné ložiska na stavbu BT30 vřetene.

Soustruh je bohužel nyní zcela vytížený velkosériovou výrobou, tak na hřídel zatím musím stále trpělivě čekat.
chetar
Příspěvky: 107
Registrován: 15. 9. 2013, 9:59

16. 9. 2015, 11:25

ahoj,
po pár měsících odmlky (spousta práce, problémy s PC, atd...) mám nějaký nový info.
Byl jsem donucen si pořídit novou mašinu na kreslení pro větší výkon. Samozřejmě jsem šáhnul po i5 procesoru, profesionální grafice Ati Firepro W4100 a profi monitoru DELL s 2K rozlišením, takže navrhování bez grafických errorů a to včetně RealView.
Taktéž jsem přešel na novou verzi SW a musel jsem řešit problémy s Windowsem 10, který není nijak odladěný a prozatím nekompatibilní, takže zpátky na Win 8.1. Teď to navrhování půjde pěkně od ruky, když mi funguje vše jak potřebuji.

Přesná ložiska už čekají na výrobu svých domečků a hřídel jsem musel ještě taky doladit, kvůli přesunutí řemenice z původního místa (nad horním ložiskem) a to pod něj (vznikne větší rozestup ložisek pro menší házivost).
První ISO30 upínač nástrojů na ER25 kleštiny už taky přišel a k němu jsem si rovnou objednal i plastové stojánky od českého výrobce.
Zvolil jsem nakonec mazání ložisek tukem s tím, že je udělána příprava i pro mazání olejem, pro případnou vyšší rychlost (až 18tis ot/min - teoreticky podle parametrů ložisek, závislé také na vyvážení hřídele)
Systém ATC jsem prozatím neřešil, ale taktéž nebude problém jej přidělat časem. Hřídel bude na to přizpůsobena.

Momentálně mám v práci docela frmol, tak mějte ještě pár dní trpělivost. Pak uvidíte co jsem "zbastlil" za výtvor.
chetar
Příspěvky: 107
Registrován: 15. 9. 2013, 9:59

16. 9. 2015, 9:11

malá ochutnávka, co se bude vyrábět.....
001.png
002.png
003.png
004.png
chetar
Příspěvky: 107
Registrován: 15. 9. 2013, 9:59

16. 9. 2015, 9:21

takový dotaz k možnému mazání olejem....
myslíte, že budes stačit jak se bude přivádět olej pouze na horní ložisko ve spodní ložiskové sestavě a na spodní ložisko olej prostě steče? Nebo je lepší připravit vývod na olej i mezi ložiska?
A nebo tlakem olej dopravovat mezi ložiska a nasměrovat jednu trysku na horní ložiska zespod a na spodní ložisko shora, přičemž olej z horního ložiska nakonec stejně steče dolů.

Máte nějaký názor na toto v tomto případě?
RaS
Příspěvky: 8859
Registrován: 26. 3. 2009, 9:12
Bydliště: Úvaly

16. 9. 2015, 11:04

podle mě je to škoda práce..na takhle dělený hřídeli a dokonce i domku pro ložiska naskáčou takové nepřesnosti že ty drahý ložiska půjdou do háje..když chceš někam cpát vřetenová ložiska, musíš pro ně udělat odpovídající uložení.. ale to je pořád dokola.. proč alespoň ty dvě hlavní kosoúhlý ložiska nemaj společnej broušenej domek a ten labyrint tam nepřišroubuješ a nedotáhneš tím, prostě tak jak se to dělá a bude dělat desítky let? když chceš mazat olejem tak maž hlavně ty spodní a olej přiváděj přímo do ložiska, ty to jako hodláš napustit celý?
věčný rýpal,který musí mít poslední slovo, odpůrce low-cost zařízení končících v naprosté většině případů v hromadě šrotu
uživatelé hýbátek, kteří mají z mých příspěvků celoživotní trauma nechť si mé příspěvky VYPNOU
Uživatelský avatar
Kratus
Příspěvky: 526
Registrován: 1. 5. 2015, 2:36
Bydliště: Příbram

17. 9. 2015, 1:45

spoléhat se na to, že tam olej nějak proteče, není ten nejlepší nápad. buď k nim přiveď olej, nebo to maž tukem.
pokud bys tu tvou skládačku nabrousil složenou, po rozložení se ti to stejně celé hne a jseš v pr****. ja píše ras, udělej jeden masivní domek.
echt
Příspěvky: 748
Registrován: 21. 5. 2013, 8:58
Bydliště: vysočina

17. 9. 2015, 5:24

1. konstrukční nesmysl
2. tuhost (to samé výše + si zjisti údaje o tuhosti ložisek v axiálním směru N/µm ... pochybuji že tam máš ložiska s 40 nebo 60st aby to přední ložisko mělo potřebnou axiální tuhost )
testone
Sponzor fora
Příspěvky: 7541
Registrován: 3. 12. 2010, 5:56
Bydliště: Slaný

17. 9. 2015, 6:11

technolgičnost konstrukce ...... 5
takhle provedeno bys musel mít vnější rozpěrný kroužek lícovaný ve třech plochách, tj. paralelní a na rozměr horní a dolní plochu a na ně KOLMÝ a na průměr lícovaný válcový povrch
v požadované přesnosti v podstatě nevyrobitelné
poloviny domku - vnitřní a vnější kruhová plocha musí mít tolerovanou vzdálenost, obtížně vyrobitelné
funkčnost ..... 5
aby to vůbec fungovalo, musel bys mít vnější rozpěrný kroužek lícovaný do polovin domku s přesahem, pak se to bude blbě montovat dohromady a stejně to tuhé nebude
horní částí jsem se vůbec nezabýval
vymýšlýš pi......., drž se osvědčené konstrukce
nevím jestli jsem pochopil správně že to chceš celé jen soustružené, to je nesmysl
pro ta superpřesná drahá vřetenová ložiska musíš mít vše související broušené v IT5, jinak jsou to vyhozené peníze
Obvykle se dějí věci obvyklé. Méně často se dějí věci neobvyklé a zcela vyjímečně se dějí věci vyjímečné...
Masturn 40 CNC, Hermle UWF1200H CNC a pár klasik
http://www.radialengine.cz" onclick="window.open(this.href);return false;
http://www.autopejsek.cz" onclick="window.open(this.href);return false;
Odpovědět

Zpět na „naše mašinky“