ruční ovládání CNC

Uživatelský avatar
packa
Příspěvky: 7141
Registrován: 7. 2. 2007, 6:42
Bydliště: Královehradecký kraj

9. 12. 2015, 11:35

u těch čína modrých desek to manualní ovládání chodí opravdu špatně , ty ssihnály se tlučou , ne vždy to potlačí sig nály z potu , jediná možnost je odpojovat port .
Ale podle mě je to všechno naprostá blbost , mělo by se to řešit zavedením signálů do řídícího pc třeba přez emulátor klávesnice nebo nějaký hidcomp - emulátor joisticku
Uživatelský avatar
Thomeeque
Příspěvky: 9482
Registrován: 30. 1. 2012, 10:20
Bydliště: Mimo ČR

9. 12. 2015, 11:53

packa píše:Ale podle mě je to všechno naprostá blbost , mělo by se to řešit zavedením signálů do řídícího pc třeba přez emulátor klávesnice nebo nějaký hidcomp - emulátor joisticku
Naprostá blbost to asi nebude, když o to např. frewill stojí.. mě by se taky líbilo moct jednoduše jezdit mazlíkem bez nutnosti nahazovat PC, občas je to zbytečně těžkopádný.
mimooborová naplavenina • kolowratský zázrak™ • NPS • GCU • HirthCalc • ncDP.ino
Uživatelský avatar
packa
Příspěvky: 7141
Registrován: 7. 2. 2007, 6:42
Bydliště: Královehradecký kraj

9. 12. 2015, 11:55

tak si udělat svoji opto desku s možností odpojení portu , jinak to nechodí korektně už se ty ruční ovladače řešily
Uživatelský avatar
Thomeeque
Příspěvky: 9482
Registrován: 30. 1. 2012, 10:20
Bydliště: Mimo ČR

9. 12. 2015, 11:59

packa píše:už se ty ruční ovladače řešily
A mluvíš o tomto verku nebo obecně?
mimooborová naplavenina • kolowratský zázrak™ • NPS • GCU • HirthCalc • ncDP.ino
Uživatelský avatar
uhy
Příspěvky: 207
Registrován: 15. 10. 2010, 7:38
Bydliště: levice

9. 12. 2015, 12:46

Thomeeque píše: Naprostá blbost to asi nebude, když o to např. frewill stojí.. mě by se taky líbilo moct jednoduše jezdit mazlíkem bez nutnosti nahazovat PC, občas je to zbytečně těžkopádný.
silovku každopadne nabiehať musíš viem že niekedy človek chce prebehnuť jednoduchú drážku "nadivoko" alebo len uhnúť osou ale ber do úvahy že takto prídeš o luxus čo sa týka koncových, bezpečnostných spínačov a tak dalej (čo máš v systéme nakonfigurované šetrí ti čas a zabezpečuje bezpečnosť tvoju, stroja alebo nástrojov).
Uživatelský avatar
Thomeeque
Příspěvky: 9482
Registrován: 30. 1. 2012, 10:20
Bydliště: Mimo ČR

9. 12. 2015, 1:52

Zase máš (většinou) luxus dvou očí a aparátu za nima, takže význam těhle fičur nemusí bejt až tak zásadní, navíc i ten manuální ovladač může na najetí do limitu reagovat (dokonce to vypadá, že nějaký takový signály na manual portu deska poskytuje, ale úplně jsem to nezkoumal a koukám jen na schema modrý all-in-one desky).
mimooborová naplavenina • kolowratský zázrak™ • NPS • GCU • HirthCalc • ncDP.ino
Uživatelský avatar
uhy
Příspěvky: 207
Registrován: 15. 10. 2010, 7:38
Bydliště: levice

9. 12. 2015, 2:12

Thomeeque píše:Zase máš (většinou) luxus dvou očí a aparátu za nima, takže význam těhle fičur nemusí bejt až tak zásadní, navíc i ten manuální ovladač může na najetí do limitu reagovat (dokonce to vypadá, že nějaký takový signály na manual portu deska poskytuje, ale úplně jsem to nezkoumal a koukám jen na schema modrý all-in-one desky).
najviac chýb robím ked sa ponáhlam a podcením situáciu mám v celku rád ak je aparát za bulvami istený "safety first", Ale samozrejme máš pravdu aj ty v jednoduchosti je krása :)
Mex
Příspěvky: 10287
Registrován: 6. 2. 2014, 10:29

9. 12. 2015, 7:36

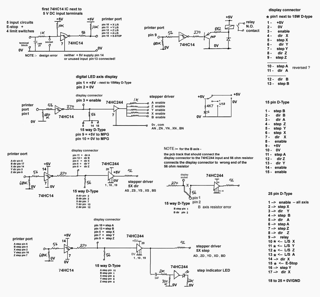
Tohle by mělo být chema o té tvojí desky.
Teoreticky se tam dají míchat signály z LPT portu a z externího konektoru - signál z LPT je zesílen/vytvarován hradlem 74HC14 a pak přes odpor 270R vede do 74HC244. Takže když přemůžeš ten odpor 270R přímo připojeným hradlem, mohlo by to jet.
Ale určitě by mě takové řešení neuspokojovalo.

Kdybych už to dělal, tak bych trochu drátoval. Využil bych toho, že poslední oddělovací stupeň je dělaný 74HC244, tedy budičem s 3-stavovým výstupem. Tak bych externí signály přivedl až za ten 74HC244 a jeho Gate bych spínal nějaký signálem.
Takže pak by bylo ovládání buď plně v moci PC, nebo externího krokátoru. Ale nikdy ne obou najednou.
CNC_5_axis_breakout_board.jpg
frewill
Příspěvky: 150
Registrován: 28. 1. 2012, 2:07

9. 12. 2015, 9:16

Díky všem za rady,když jsem viděl desku s možností připojení ručního ovladače, tak jsem se zaradoval, jak to bude easy. Teď už chápu ty kteří si raději vyrobí elektroniku vlastní a nemusí DODO.
Napadlo mě ještě udělat speciální kartu s mutiplexorem připojitelnou na vstup LPT portu, do kterého přivedu PC a ruční řízení. Jaké napětí je vlastně na LPT potu 0-5V?
A nebo jednoduše vždy při ručním řízení odpojím LPT port a při řízení z PC vypnu ruční řízení.
No budu muset celou konstrukcí ještě řádně promyslet.
Uživatelský avatar
robokop
Site Admin
Příspěvky: 23178
Registrován: 10. 7. 2006, 12:12
Bydliště: Praha
Kontaktovat uživatele:

10. 12. 2015, 4:13

tohle je cesta do pekel
pores si poradne rucni ovladani ridiciho systemu
vkladat mezi to cosi
no v lepsim pripade jen odpalis motherboard
Vsechna prava na chyby vyhrazena (E)
Mex
Příspěvky: 10287
Registrován: 6. 2. 2014, 10:29

10. 12. 2015, 5:19

frewill píše:Díky všem za rady,když jsem viděl desku s možností připojení ručního ovladače, tak jsem se zaradoval, jak to bude easy. Teď už chápu ty kteří si raději vyrobí elektroniku vlastní a nemusí DODO.
Napadlo mě ještě udělat speciální kartu s mutiplexorem připojitelnou na vstup LPT portu, do kterého přivedu PC a ruční řízení. Jaké napětí je vlastně na LPT potu 0-5V?
A nebo jednoduše vždy při ručním řízení odpojím LPT port a při řízení z PC vypnu ruční řízení.
No budu muset celou konstrukcí ještě řádně promyslet.
Napřed je třeba si ujasnit, jestli to ovládání obejitím PC skutečně potřebuješ a jestli ti opravdu k něčemu bude.
Pokud ano, tak to, co jsem ti psal o par postů výš by přesně tak fungovalo - pomocí Gate na 74HC244 totálně odpojíš řízení z PC a převezme ho tvůj krokátor.
Ale stejně tak to můžeš udělat jak si psal ty. Pokud ten krokátor budeš vyrábět, tak ho prostě jenom ještě trochu rozšiř a přidej si tam vstup z PC, který budeš multiplexovat s výstupem svého krokátoru. A ještě ušetříš oddělovací desku, kromě toho si tam můžeš dát optrony pro vstupní signály (tahle oddělovací deska je nemá).
Na LPT jsou normální TTL úrovně, takže jakýkoli integráč řady 74HCT to hladce zvládne. Není to žádná věda, jen to bude trocha práce s návrhem většího tišťáku. Drátovat ručně to předpokládám nechceš, to by pak bylo jednodušší dodrátovat tu úpravu, jak jsem ji popisoval dřív.
Odpovědět

Zpět na „Zacinam stavet a nevim jak na to“