Soustružení a frézování přípravku (zadáno)

Požadavky na výrobu dílů - poptávkové fórum
Pravidla fóra
Toto forum vyzaduje schvaleni prispevku moderatorem.
Odpovědět
0xDECAFF
Příspěvky: 178
Registrován: 19. 1. 2016, 11:42

7. 6. 2018, 12:37

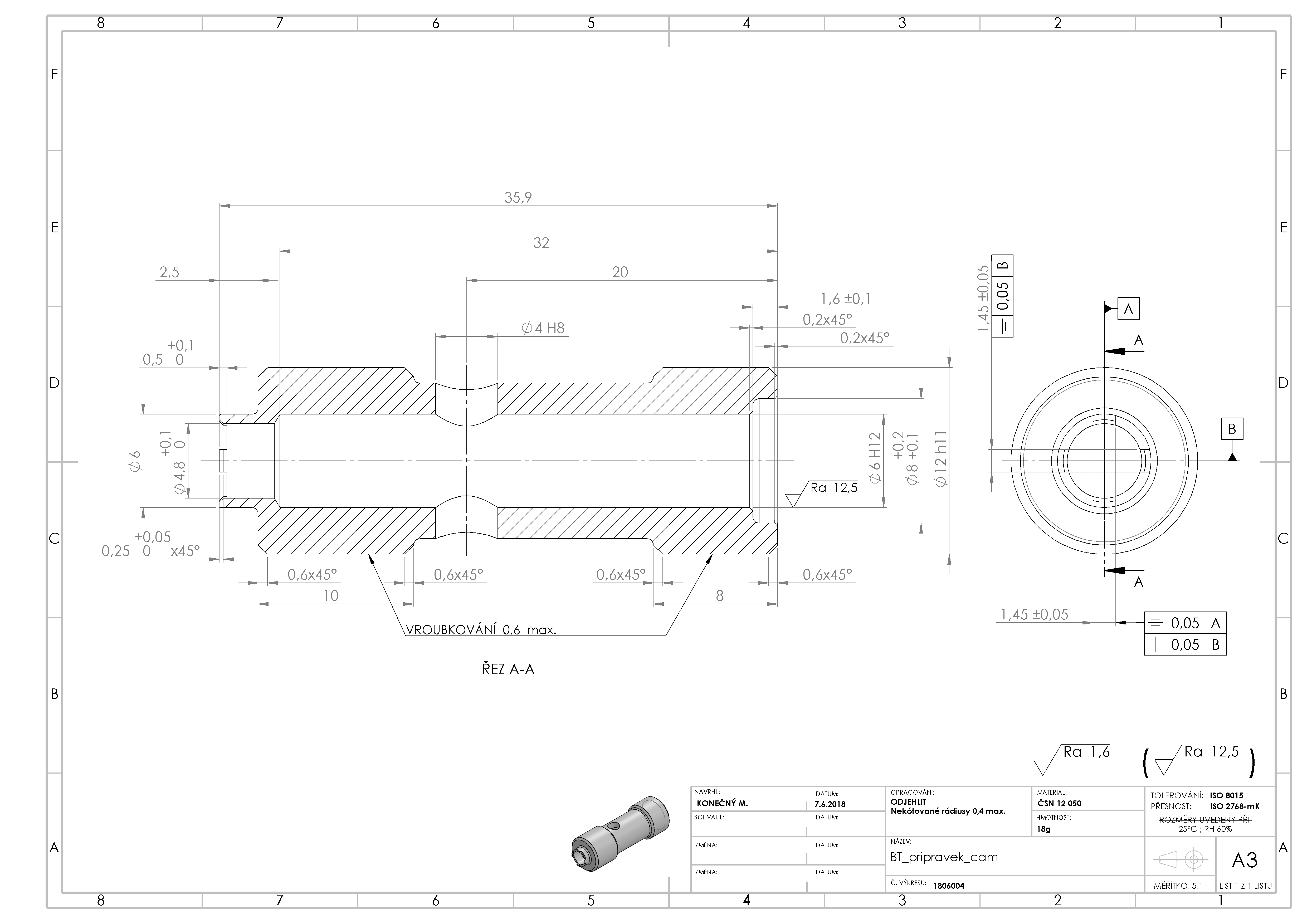
Přeji dobrý den.

Potřeboval bych 3ks dle výkresu, bez kalení a povrchovky. Rádlování může být přímé i křížové.
Nespěchá, 4 týdny na dodání jsou OK.

Má někdo zájem?
Přílohy
1806004_BT_pripravek_cam.PNG
Naposledy upravil(a) 0xDECAFF dne 8. 6. 2018, 8:26, celkem upraveno 1 x.
fuceklu
Příspěvky: 16
Registrován: 23. 4. 2018, 3:18

8. 6. 2018, 3:48

Zdravím,

písal som Vám SZ.
0xDECAFF
Příspěvky: 178
Registrován: 19. 1. 2016, 11:42

8. 6. 2018, 8:26

Děkuji všem za nabídky, zadáno do výroby.
Odpovědět

Zpět na „Potřebuji vyrobit - vypomoc pri vyrobe“