LPT na Notebooku

Radpav
Příspěvky: 62
Registrován: 24. 10. 2007, 11:05
Bydliště: Karviná

28. 7. 2009, 9:26

Hm takže nikdo nic konkrétního k zapojení optočlenu neví.
Stačí mi nákres zapojení optočlenu k jednomu pinu lpt portu a zbytek už dobastlím já.
petr213
Příspěvky: 122
Registrován: 7. 3. 2008, 8:57
Bydliště: Uherský Brod

28. 7. 2009, 10:30

petr213
Příspěvky: 122
Registrován: 7. 3. 2008, 8:57
Bydliště: Uherský Brod

28. 7. 2009, 10:38

http://www.ottop.republika.pl/optolpt.shtml
další...
Stačí jenom vybrat. Teď jsem si uvědomil
http://www.c-n-c.cz/viewtopic.php?t=138 ... sc&start=0

a to ti musí stačit.
Radpav
Příspěvky: 62
Registrován: 24. 10. 2007, 11:05
Bydliště: Karviná

28. 7. 2009, 7:03

Jo jo díky moc.
k
Příspěvky: 814
Registrován: 12. 8. 2008, 12:00
Bydliště: Kosice SK

29. 7. 2009, 6:46

ja len zopakujem upozornenie .. optoclen moze tak isto na tom PC slapat a na notase nie... dovodom je prave to, ze z PC tecie v 1-cke podstatne mensi prud ako v 0 .. a proste nestaci na vybudenie optoclenu. Takze prv ako sa pustite do "bastlenia" si ten notas premerajte .. kolko da prudu pri napeti ktore pozaduje optoclen.

Priklad: optoclen 4N35 ( http://www.datasheetcatalog.org/datashe ... d/4N35.pdf )

potrebuje aspon 1.18V (t.j. dimenzujem na 1.7V aby som nemal neskor probs s hranami impulzov, ostatne, pri nizkej teplote a vyssom prude sa k tomuto napetiu dostavame .. limitne cca na 1.7V). Potrebujem teraz dostat cez tento optoclen aspon nejakych 4 lepsie 10mA. t.j. ak ma notas 3.3V system .. tak mi ostava max 3.3-1.7=1.6 V. Maximalny odpor ktory moze byt optoclenu predradeny, je teda 1.6/0.01=1600* ohmov .. lenze .. v notasoch (a nie len notasoch) na LPT casto nie je logicna 1 generovana aktivnym prvkom ale len zavesena cez nejaky odpor (3k3 niekedy az 10k ) na napajanie a ked je tento odpor nad 1600* ohmov mozem si akurat piskat .. 4N35 mi tam proste nebude spolahlivo slapat.

Samozrejme aj tu mame riesenie .. mozeme pouzit napr. HCPL-2300 ( http://www.secomtel.com/UpFilesPDF/PDF/ ... 288_99.PDF ) ktoremu staci 0.5 mA na spolahlive vybudenie .. ale to je prave o tom .. mat predstavu preco to ide a preco nie. (rozne univerzalne opticky oddelene dosky k LPT pouzivaju rozlicne optocleny .. pozrite si vopred aky tam optoclen pouzivaju .. ci sa bude k vasemu LPT hodit .. t.j. neberte riesenie "optoclen riesi vsetko" )

cislo 1600* ma byt 160 - samozrejme 1.6/0.01 je len 160 nie ako som to povodne uviedol, vdaka za upozornenie na tuto chybu.
Naposledy upravil(a) k dne 29. 7. 2009, 9:21, celkem upraveno 1 x.
Radpav
Příspěvky: 62
Registrován: 24. 10. 2007, 11:05
Bydliště: Karviná

29. 7. 2009, 7:37

Měřil jsem napětí na LPT portu noťase a dává 4,96v tak by to mělo být ok. Možná to dělá ten kabel je 1,5m dlouhý
.
k
Příspěvky: 814
Registrován: 12. 8. 2008, 12:00
Bydliště: Kosice SK

29. 7. 2009, 7:44

skuste este napojit pri merani napetia z notasu medzi merany pin a zem odpor povedzme 1k pripadne 560 ohmov .. Ake su napetia pri tatko zatazenom vystupe ? (toto napovie o prude ktory je schopny ist z notasu von).
Radpav
Příspěvky: 62
Registrován: 24. 10. 2007, 11:05
Bydliště: Karviná

29. 7. 2009, 8:11

k píše:skuste este napojit pri merani napetia z notasu medzi merany pin a zem odpor povedzme 1k pripadne 560 ohmov .. Ake su napetia pri tatko zatazenom vystupe ? (toto napovie o prude ktory je schopny ist z notasu von).
Tak napojil jsem odpor 680 ohmů a napětí je 3,44 Voltů a bez zátětěže je 4,76V. Tak že by to mělo být nějakých 5mA jestli se nemílím.
k
Příspěvky: 814
Registrován: 12. 8. 2008, 12:00
Bydliště: Kosice SK

29. 7. 2009, 8:46

staticke hodnoty su v pohode tazko povedat co to ale spravi pri behu na dlhsom kabli .. Zalezi od toho ako je to prisposobene kablu na konci pri elektronike. Kopec konstrukterov proste na akekolvek impedancne prisposobenie na dlhom privode kasle .. Potom sa to rpava takto "divne" kvoli prekmitom atd .. najprv by som skusil kratsi kabel.. ak to bude chodit .. a potrebujem dlhsi kabel uz ostava len laborovat bus s oddelovacom cez optocleny .. alebo (jednoduchsie/lacnejsie) impedancne prisposobenie na doske rezacky. ci je to ale takto riesitelne moze odpovedat len osciloskop a zistit realny tvar impulzov na tej doske..
siliconbrain
Příspěvky: 93
Registrován: 21. 7. 2006, 1:53
Bydliště: Praha 4
Kontaktovat uživatele:

29. 7. 2009, 8:58

Dovoluji si jen pripomenout, ze 1,6/0,01 je 160. To jen aby kolega nebyl zmaten hned na zacatku pokusu...
Prime pripojeni optoclenu na paralelni port notebooku je sazka do loterie a 100%ni funkcnost takoveho rozhrani bude vice nez sporna. Je potreba pouzit oddelovace, nejlepe s tvarovacem a to je uz trochu komplikovanejsi a dost nevhodne pro pokusy zacatecnika.
Levnejsi a rozhodne spolehlivejsi je poridit si stolni pocitac a do nej instalovat rozsirujici desku LPT.
--
jrt
k
Příspěvky: 814
Registrován: 12. 8. 2008, 12:00
Bydliště: Kosice SK

29. 7. 2009, 9:19

ops ospravedlnujem sa .. je to tak, sekol som sa o nulu :-) ale na veci to nic nemeni .. priklad vypoctu je na svete a mozno to niekomu napovie preco jeho parport "nejde" ..
sejosef
Příspěvky: 124
Registrován: 17. 2. 2008, 2:16
Bydliště: Votice

29. 7. 2009, 10:06

Abych řek pravdu tak já nejsem zastáncem řešení s optočleny. Důvod je ten že výstupem z LPT je prostě TTL a přitom specifikace říká že na konci kabelu musí být v logické 1 více než 2.2V přičemž by měl při tomto napětí být schopen dodat proud až 20mA. Několik jsem jich testoval a světe div se vždy to je podle specifikace i u notebooků. Jenže jsou porty které tam mají prostě čistých 5V i se zátěží. To je značně velký rozsah napětí (2.2 - 5V) aby se to dalo spolehlivě vyřešit odporem do optočlenu. Takže já používám prostě obvody 74ACT04 na vstupu + přizemnění odporem kolem 1k - 1K5 které mi zaručí že se log. 1 projeví správně a nevzniknou překmity na signálech které by přidávali kroky. To že tím pádem není port opticky oddělen je další věc. Tu řeším ještě dodatečně optočleny a oddělovacím zdrojem 5V, ale spousta desek které koupíte jakoby "profi" to taky nemá a zřejmě se také nic nestane.
Radpav
Příspěvky: 62
Registrován: 24. 10. 2007, 11:05
Bydliště: Karviná

30. 7. 2009, 6:44

sejosef píše:Abych řek pravdu tak já nejsem zastáncem řešení s optočleny. Důvod je ten že výstupem z LPT je prostě TTL a přitom specifikace říká že na konci kabelu musí být v logické 1 více než 2.2V přičemž by měl při tomto napětí být schopen dodat proud až 20mA. Několik jsem jich testoval a světe div se vždy to je podle specifikace i u notebooků. Jenže jsou porty které tam mají prostě čistých 5V i se zátěží. To je značně velký rozsah napětí (2.2 - 5V) aby se to dalo spolehlivě vyřešit odporem do optočlenu. Takže já používám prostě obvody 74ACT04 na vstupu + přizemnění odporem kolem 1k - 1K5 které mi zaručí že se log. 1 projeví správně a nevzniknou překmity na signálech které by přidávali kroky. To že tím pádem není port opticky oddělen je další věc. Tu řeším ještě dodatečně optočleny a oddělovacím zdrojem 5V, ale spousta desek které koupíte jakoby "profi" to taky nemá a zřejmě se také nic nestane.
A nějaké schéma toho 74ACT04 zapojení by nebylo? díky
k
Příspěvky: 814
Registrován: 12. 8. 2008, 12:00
Bydliště: Kosice SK

30. 7. 2009, 6:59

hmm spomenuty HCPL-2300 bezi od 0.5 do 5mA a 1.5V je uplne max co potrebuje. Pokial mu teda predradime cca 820 ohmov dostane max (5.5[V] - 1.5[V]) / 820[ohm] = 0.00487 [A] resp. na opacnej strane povedzme (3.2[V] - 1.5[V])/820 [ohm] = 0.002[A] co je stale v medziach kde funguje normalne. Dokonca kludne mozete volit aj 1.2k odpor a stale ste v rozumnom rozsahu pre tento optoclen. Vystup je lahko naviazatelny na dalsie obvody kedze je tam open kolektor.

Existuje pomerne siroka skupina optoclenov ktore sa daju na LPT vhodne nadimenzovat, zial kopec komercnych profi rieseni stale pouziva optocleny s pomerne vysokym vstupnyp prudom takze nie vsade chodia spolahlivo. (samozrejme je tu cena za optocleny .. ).
Radpav
Příspěvky: 62
Registrován: 24. 10. 2007, 11:05
Bydliště: Karviná

31. 7. 2009, 8:22

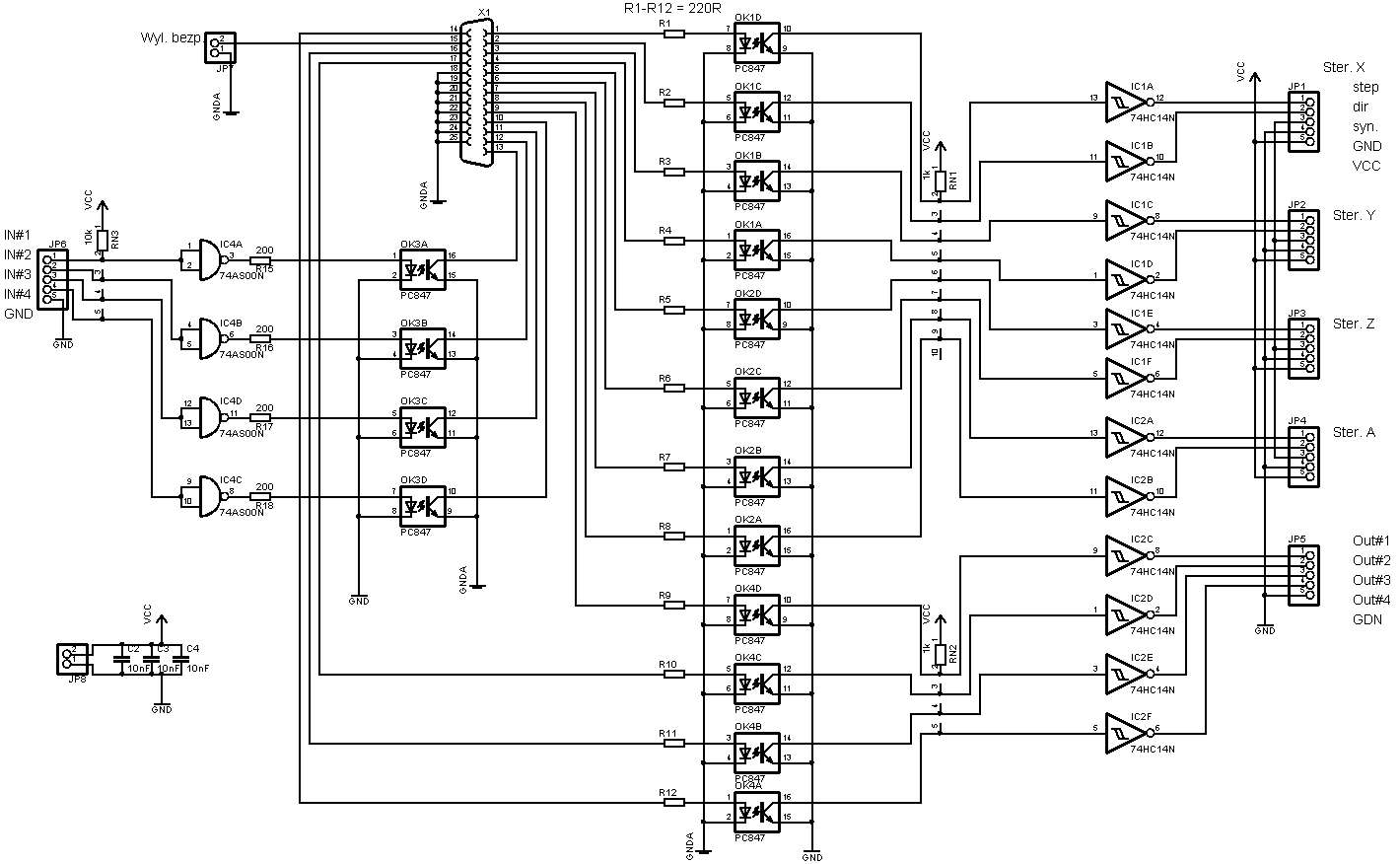
Zkusím postavit toto zapojení, akorát jsem nikde nenašel 74AS00N. Dalo by se místo toho použít 74ALS00?
Přílohy
lpt_schb.jpg
Odpovědět

Zpět na „Periferie“