Frézování dílu

Požadavky na výrobu dílů - poptávkové fórum
Pravidla fóra
Toto forum vyzaduje schvaleni prispevku moderatorem.
Odpovědět
lukasw
Příspěvky: 6
Registrován: 29. 3. 2018, 6:49

31. 10. 2019, 3:05

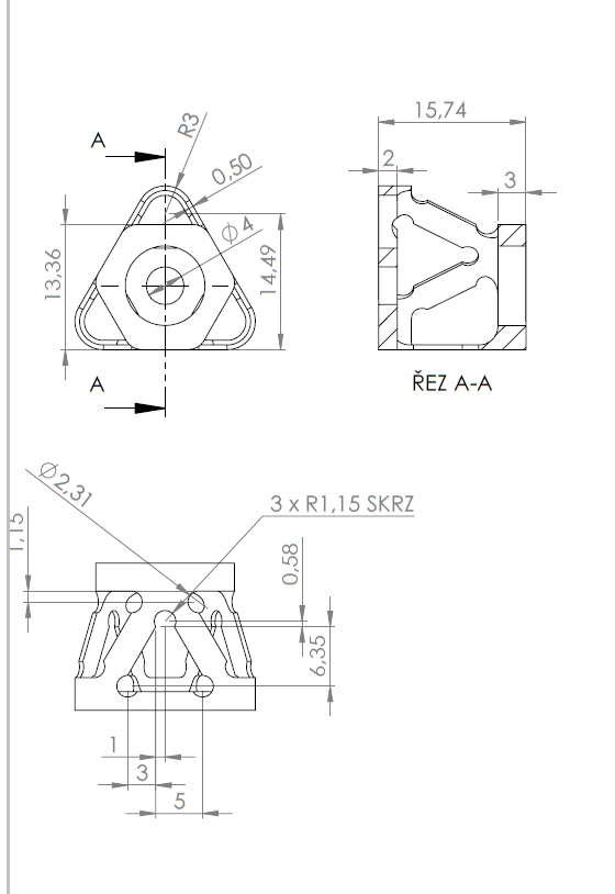
Dobrý den,
měl by někdo zájem o tento díl ? Materiál hliník, 5ks. Po dohodě můžeme zvětšit tloušťku stěny na 1mm. 3D model poskytneme.
dil_nl.jpg
Uživatelský avatar
yoda
Příspěvky: 316
Registrován: 30. 12. 2016, 11:44

2. 11. 2019, 10:07

lukasw píše: 31. 10. 2019, 3:05 Dobrý den,
měl by někdo zájem o tento díl ? Materiál hliník, 5ks. Po dohodě můžeme zvětšit tloušťku stěny na 1mm. 3D model poskytneme.
dil_nl.jpg
SZ
Quentin
Příspěvky: 9
Registrován: 1. 11. 2019, 12:55

3. 11. 2019, 1:36

Dobrý den, pokud je Vaše poptávka ještě aktuální, pošlete mi prosím model. Podívám se na to v Solidworksu. Myslím, že by to neměl být problém na 5osé vyrobit. Díky. Email: quentin2@seznam.cz
lukasw
Příspěvky: 6
Registrován: 29. 3. 2018, 6:49

4. 11. 2019, 9:55

Dobrý den,
nějaké ceny už mám, jakmile bude rozhodnuto o výrobě, poptáme konkrétně. Děkuji
Odpovědět

Zpět na „Potřebuji vyrobit - vypomoc pri vyrobe“