Výroba nástroje pro odjehlení děr

Požadavky na výrobu dílů - poptávkové fórum
Pravidla fóra
Toto forum vyzaduje schvaleni prispevku moderatorem.
Odpovědět
Lukashom
Příspěvky: 279
Registrován: 27. 8. 2012, 9:27
Bydliště: Klatovy
Kontaktovat uživatele:

3. 12. 2020, 11:22

Ahojte,
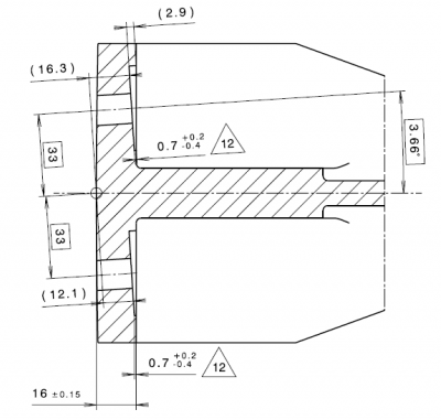
potřeboval bych vyrobit 2ks odjehlovacích nástrojů dle přílohy.
Jedná se o otevírající nástroj pro odjehlení grotu na vnitřní straně dílu.

1) Tělo které prochází menší dírou D6 by měl mít 5 až 5,5mm a ostří délku 28mm

2) Tělo které prochází dírou D12 by měl mít 11 až 11,5mm a ostří 35mm.

V příloze je nákres nástroje a detail díry v dílech co je potřeba odjehlit.

Klidně více na tel 773582313
Přílohy
nástroj grotování.jpg
detail.png
detail.png (8.38 KiB) Zobrazeno 3933 x
sražení_D27.png
sražení_D34.png
zpětný odjehlovač.png
Miltech
Sponzor fora
Příspěvky: 555
Registrován: 25. 10. 2009, 7:59
Bydliště: Kostelec na Hane

3. 12. 2020, 6:02

Čejka v Kovonástrojích prodává takový pro otvory do 22 mm. Nešlo by jen vyrobit ten břit větší?
Lukashom
Příspěvky: 279
Registrován: 27. 8. 2012, 9:27
Bydliště: Klatovy
Kontaktovat uživatele:

3. 12. 2020, 7:16

Tady jde hlavně o to skrz jakou díru se to musí posunout. Je to atyp.
Tělo 6mm a brit dlouhý 28mm.

Nebo jen ty břity. Zbytek by se nějak dal upravit. Je to na hliník.
Uživatelský avatar
robokop
Site Admin
Příspěvky: 23274
Registrován: 10. 7. 2006, 12:12
Bydliště: Praha
Kontaktovat uživatele:

3. 12. 2020, 11:50

Telo 6mm a delka britu... Delka driku....
To bude delat vsechno mozne jen ne odjehlovat. Nedokazu si predstavit ze by to chodilo bez chveni.
Fakt neni schudnejsi cesta?
Vsechna prava na chyby vyhrazena (E)
Lukashom
Příspěvky: 279
Registrován: 27. 8. 2012, 9:27
Bydliště: Klatovy
Kontaktovat uživatele:

4. 12. 2020, 5:01

Ahoj,

je to ruční odjehlování. Tyto díry D27 a D34 se dělají zpětným záhlubníkem a pak jeto potřeba odjehlit. jenže stávajícími nástroji na tom stráví grotér spoustu času.
Uživatelský avatar
robokop
Site Admin
Příspěvky: 23274
Registrován: 10. 7. 2006, 12:12
Bydliště: Praha
Kontaktovat uživatele:

4. 12. 2020, 7:16

Tak to je potom vse v poradku. Cas sou penize a za blbost se plati. Vsechna pravidla jsou v souladu.

Ja jen vyslovil nazor. Ze to bude poskakovat a to asi bude. Jinak noga delala sppusty odjehlovaku ale asi ne v takovehle delce britu. Mozna bh to slo pouzit jako polotovar a jen do toho udelat ten brit. Tj nabrousit radeko a vyjiskrit do nej diru.
Vsechna prava na chyby vyhrazena (E)
Lukashom
Příspěvky: 279
Registrován: 27. 8. 2012, 9:27
Bydliště: Klatovy
Kontaktovat uživatele:

4. 12. 2020, 7:51

To jsem si také myslel.
Akorát najít někoho kdo mi to vyrobí. Ten držák od nogy bych nějak už dokázal upravit.
Uživatelský avatar
robokop
Site Admin
Příspěvky: 23274
Registrován: 10. 7. 2006, 12:12
Bydliště: Praha
Kontaktovat uživatele:

4. 12. 2020, 8:01

tak zkus dohledat ten drzak a podle toho zkus namalovat ten brit
mozna budes uspesnejsi
mozna kdyby byl cas tak i vyrobime
Vsechna prava na chyby vyhrazena (E)
Uživatelský avatar
Thomeeque
Příspěvky: 9521
Registrován: 30. 1. 2012, 10:20
Bydliště: Mimo ČR

4. 12. 2020, 9:22

A zpětný záhlubník pro kuželové zahloubení se nedělá?

EDIT: To je vlastně blbost, to by tady bylo k ničemu. Ale něco jako ten zpětný záhlubník s upraveným břitem by možná šlo?
mimooborová naplavenina • kolowratský zázrak™ • NPS • GCU • HirthCalc • ncDP.ino
vruboun
Příspěvky: 379
Registrován: 25. 3. 2010, 7:11

4. 12. 2020, 9:57

Taky myslím, že by šlo použít větší oříšek zpětného zahloubení na něm zbrousit z vnějšku hranu 45 stupnů a bylo by to v jednom kroku. Ovšem ten nástroj sehnat je asi dlouhodobější záležitost, pro naší firmu to trvá asi půl roku od objednávky a to jsou jen rovné.
Uf moc velké rozdíly výšek, byla by to hrana jako kráva, to by asi zákazník nepobral.
Lukashom
Příspěvky: 279
Registrován: 27. 8. 2012, 9:27
Bydliště: Klatovy
Kontaktovat uživatele:

4. 12. 2020, 10:40

To byla moje první myšlenka. Ale je to pod úhlem a pak je to taky blízko stěny kde je rádius.
Nu uvidíme co najdem
Odpovědět

Zpět na „Potřebuji vyrobit - vypomoc pri vyrobe“