20 kusů čepů

Požadavky na výrobu dílů - poptávkové fórum
Pravidla fóra
Toto forum vyzaduje schvaleni prispevku moderatorem.
Odpovědět
Uživatelský avatar
bobik
Příspěvky: 4556
Registrován: 11. 12. 2007, 7:48
Bydliště: Okres Klatovy

13. 2. 2021, 8:27

Zdravím a pozdravuji

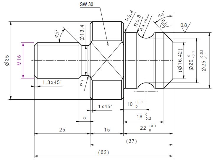
pro jednu firmu, se kterou spolupracuji, potřebuji cenovou nabídku na 20 kusů čepů ze zušlechtěné oceli. Budou si to pak objednávat sami, tak normální oficiální nabídku, včetně IČO, e-mailu a telefonu.
Přílohy
cep.JPG
N-0-13_CEP__2.pdf
(207.51 KiB) Staženo 149 x
N-0-13_CEP.zip
(10.16 KiB) Staženo 176 x
Odpovědět

Zpět na „Potřebuji vyrobit - vypomoc pri vyrobe“