Magiho výzkumný ústav

fotky našich strojů, aneb co máme doma
Odpovědět
Uživatelský avatar
magi
Sponzor fora
Příspěvky: 2740
Registrován: 16. 10. 2006, 12:40
Bydliště: Třebíč
Kontaktovat uživatele:

21. 10. 2010, 8:27

Mad_BOXs píše:No ta 315 úplně v pohodě. Začneš na A-1, odklapneš přítlačnou rolnu, zmačkneš rukojeť a už můžeš startovat. Jen potřebuješ 12V na cívku startéru, aspoň pokud si vzpomínám tak je na 12V. Musel bych se podívat do nějakého starého schéma jak je zapojen ten přepínač na baterkách - 12-24V. Aby ti ta cívka nečoudila po chvilce startování.
Zítra to zkusím, to není špatný nápad. Pokud je to startér z VSky tak je cívka asi na 12V, ale silovka je 24V. Pod řidičovou sedačkou byl takový šílený stykač, který to přepínal. tak nějak matně si to vybavuju.
Tenhle startér je ale na 24V celý, na 12V mi nevysune pastorek.
Jinak v práci máme ZU315 a UTA200-1, obě toto umí a je k nim i dálkový ovladač na startování.
Pak je tam ještě elektrický nahazovák přímo na startování, ale ten bez baterií nejde použít.
Taky se zíta podívám do velké KJ na to startovací trafo, co to tam mají za zázrak.
Motor už se dnes rozběhnul, jde zatím jen na jeden válec. Druhý se nějak fláká. Jede jen na vyšší dávku paliva. Chce to projít předvstřiky a sladit ovládání dávky paliva pro obě čerpadla. Pak to má ještě další chybu, teče sběrací vodní potrubí na hlavě. Je litinové a prasklé. Budu je muset vyrobit nové, už je to od předchozích majitelů tak posmrkané, že zavařit asi nepřipadá v úvahu.

odkaz na video http://www.youtube.com/watch?v=E8duB-2Udmo
fotky nástrčného klíče vel. 70mm
Přílohy
Obraz201.jpg
Obraz202.jpg
Dle úpravy hnojiště poznáme hospodáře, dle výsledu voleb jakýchkoliv duševní úroveň voličů.
QNX
Příspěvky: 3689
Registrován: 20. 12. 2006, 9:59
Kontaktovat uživatele:

21. 10. 2010, 8:42

Ben Ash: a proč by synchronní generátor nemohl běžet jako synchronní motor? Když se zajistí buzení rotoru, tak to snad jde, ne?
Mad_BOXs
Příspěvky: 1420
Registrován: 14. 1. 2008, 4:30
Bydliště: Dvůr Kálové n.Labem

22. 10. 2010, 3:32

Pokud na 12V nevysune, tak je to 148 TATRA, podle fotky se to nedá určit, tvarově si jsou podobné, ten je potom 24V celý. Ale ta svářečka ti to utočí v pohodě.
bednar.dk@seznam.cz
SolidWorks 2011
Zakázková výroba jednoúčelových strojů
konstrukce strojů, automatizace,
http://www.indops.cz" onclick="window.open(this.href);return false;
Uživatelský avatar
magi
Sponzor fora
Příspěvky: 2740
Registrován: 16. 10. 2006, 12:40
Bydliště: Třebíč
Kontaktovat uživatele:

22. 10. 2010, 4:43

Mad_BOXs píše:Pokud na 12V nevysune, tak je to 148 TATRA, podle fotky se to nedá určit, tvarově si jsou podobné, ten je potom 24V celý. Ale ta svářečka ti to utočí v pohodě.
Tatrováckej a Liazáckej startér je dobře o 1/3 větší. Velikostně to fakt vypadá na tu VSku. Taky by to kliďo mohl být z nějaké Tatry 111, nebo Škoda RTO. Nebo je klidně možné, že si firma Slavia nechala VSkovej startér v Palu natočit celý na 24V. Nebo VSka má i ovládání startéru na 24V, to netuším. Zetor to není určitě, protože ten má pomocnou cívku umístěnou blíž k pastorku a byl by celý na 12V.
Dle úpravy hnojiště poznáme hospodáře, dle výsledu voleb jakýchkoliv duševní úroveň voličů.
Uživatelský avatar
jova
Příspěvky: 2567
Registrován: 2. 11. 2007, 1:40
Bydliště: Chýnov to je kousek od Tábora
Kontaktovat uživatele:

22. 10. 2010, 6:49

Spouštěč na PV3S je celý na 24V. U starých typů se právě proto přepínaly akumulátory při startování z paralelního 12V na sériové 24V zapojeni. Nové typy /po generálce/ už měli elektroinstalaci na 24V.
Ta pomocná cívka je pouze na sepnutí kontaktů pro hlavní vynutí statoru a její kontakty jsou mechanicky blokované. Vysunutí kotvy/pastorku do věnce zajišťuje pomocné vynutí na statoru. Teprve po tom vysunutí se mechanicky odblokuje ten spínač a startér začne točit naplno přes hlavní vynutí statoru. Proto jsou na statoru 4 cívky, 2 ze slabého a 2 ze silného vodiče.
Uživatelský avatar
magi
Sponzor fora
Příspěvky: 2740
Registrován: 16. 10. 2006, 12:40
Bydliště: Třebíč
Kontaktovat uživatele:

22. 10. 2010, 7:08

jova píše:Spouštěč na PV3S je celý na 24V. U starých typů se právě proto přepínaly akumulátory při startování z paralelního 12V na sériové 24V zapojeni. Nové typy /po generálce/ už měli elektroinstalaci na 24V.
Ta pomocná cívka je pouze na sepnutí kontaktů pro hlavní vynutí statoru a její kontakty jsou mechanicky blokované. Vysunutí kotvy/pastorku do věnce zajišťuje pomocné vynutí na statoru. Teprve po tom vysunutí se mechanicky odblokuje ten spínač a startér začne točit naplno přes hlavní vynutí statoru. Proto jsou na statoru 4 cívky, 2 ze slabého a 2 ze silného vodiče.
Aha, no tak jsem zase o chlup chytřejší. Díky.
Dle úpravy hnojiště poznáme hospodáře, dle výsledu voleb jakýchkoliv duševní úroveň voličů.
Uživatelský avatar
jova
Příspěvky: 2567
Registrován: 2. 11. 2007, 1:40
Bydliště: Chýnov to je kousek od Tábora
Kontaktovat uživatele:

22. 10. 2010, 7:24

Tyhle vědomosti mám z vojny. Startérů z PV3S jsem opravil za ty dva roky stovky. :lol:
Pokud se startovalo z vozíků tak nejčastější závadou byly rozletované praporky na komutátoru rotoru. Baterky při startu „vyměkly“, ale ten vozík točil pořád až se přehřálo vynutí a cín vystříkal ven. Osobně si ale myslím že to s tou svářečkou nebude tak „horký“, jestli to vůbec natočí.
Už si to nepamatuji přesně, ale pár set ampér si ten startér tuším na brzdě vzal.
Uživatelský avatar
magi
Sponzor fora
Příspěvky: 2740
Registrován: 16. 10. 2006, 12:40
Bydliště: Třebíč
Kontaktovat uživatele:

22. 10. 2010, 7:51

Není problém tam zapojit DC klešťák a změřit to. Uvidíme.
Dle úpravy hnojiště poznáme hospodáře, dle výsledu voleb jakýchkoliv duševní úroveň voličů.
Uživatelský avatar
magi
Sponzor fora
Příspěvky: 2740
Registrován: 16. 10. 2006, 12:40
Bydliště: Třebíč
Kontaktovat uživatele:

22. 10. 2010, 8:25

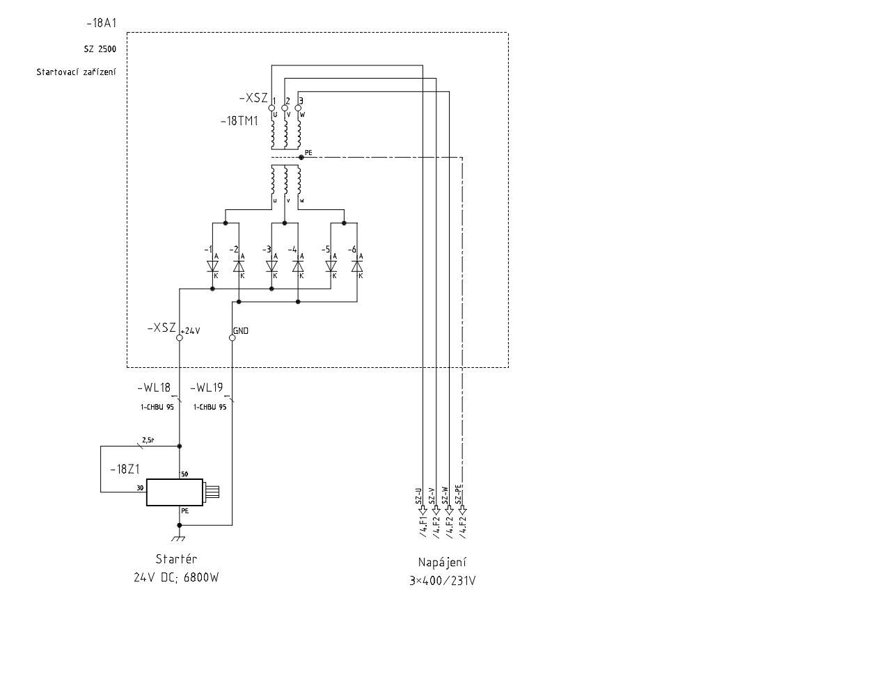
Tak takto je řešený nahazovák u 150kW KJ.
Přílohy
nahazovak.JPG
Dle úpravy hnojiště poznáme hospodáře, dle výsledu voleb jakýchkoliv duševní úroveň voličů.
Uživatelský avatar
magi
Sponzor fora
Příspěvky: 2740
Registrován: 16. 10. 2006, 12:40
Bydliště: Třebíč
Kontaktovat uživatele:

23. 10. 2010, 7:14

Prodávající se mi nějak zapoměli zmínit, že jedno vstřikovací čerpadlo je nemocné. To je ten důvod proč to běhalo jen na jeden válec. Jde to vyladit aby běhaly oba, ale zas to bez zátěže moc kouří. Prostě závěr je, že v jednom čerpadle se musí vyměnit vstřikovací element.
Fotky sběrací vodní trubky a seřizování předvstřiků.
Přílohy
Obraz203.jpg
Obraz204.jpg
Obraz205.jpg
Obraz206.jpg
Dle úpravy hnojiště poznáme hospodáře, dle výsledu voleb jakýchkoliv duševní úroveň voličů.
QNX
Příspěvky: 3689
Registrován: 20. 12. 2006, 9:59
Kontaktovat uživatele:

23. 10. 2010, 9:06

magi: dá se to vstřikovací čerpadlo ještě někde sehnat? U jedné Slavie mi úplně schází, ale zatím jsem na žádné (ani podobné nenarazil).
Našel jsem tuhle tabulku ......... třeba ti to pomůže při identifikaci čerpadla.
Přílohy
VstrikovaciCerpadla.jpg
Uživatelský avatar
magi
Sponzor fora
Příspěvky: 2740
Registrován: 16. 10. 2006, 12:40
Bydliště: Třebíč
Kontaktovat uživatele:

23. 10. 2010, 10:54

Moje čerpadlo je: PC1B6L231e159 kk0177, už jsem napsal mail do Motorpalu Jihlava. Teoreticky by elementy a vstřiky neměly být problém.
V inzerátu na Aukru borec píše: "před rokem dělány vstřiky". Zajímalo by mě co jako na nich dělal. Nastavený tlak 200bar, což je hovadina - patří tam. max 160. 180 bar má Liazka. Začínám mít na předchozí provozovatele tohoto motoru "svůj názor", ostatně ty matice posekané majzlem mluví za vše. Ty první dva jednoválce borec vytáhl z kůlny od slepic, ale přesně jak řekl tak to bylo. Jeden jede, druhý nejede. Tento dvouválec mi stále připravuje nová a nová překvapení o kterých se zapoměli zmínit.
Další výborná věc: zapoměli mi dát náboj který tvoří rozhraní mezi motorem a generátorem, viz foto. Telefon nikdo nezvedá, po mailu mi slíbili že to pošlou. Dneska jim volám - opět na druhé straně nikdo není a mail se mi najednou vrací zpět s tím že adresát neexistuje. Takže se asi pan mistr motorář propadl do západního Německa.
Přílohy
náboj.JPG
Dle úpravy hnojiště poznáme hospodáře, dle výsledu voleb jakýchkoliv duševní úroveň voličů.
Uživatelský avatar
magi
Sponzor fora
Příspěvky: 2740
Registrován: 16. 10. 2006, 12:40
Bydliště: Třebíč
Kontaktovat uživatele:

4. 11. 2010, 8:52

Tady někdo prodává veliké trafo 380/24V.
http://www.c-n-c.cz/viewtopic.php?t=5728
Docela se mi to na ten nahazovák jeví. I ty dvě velké diody. Co vy na to?
Dle úpravy hnojiště poznáme hospodáře, dle výsledu voleb jakýchkoliv duševní úroveň voličů.
Uživatelský avatar
magi
Sponzor fora
Příspěvky: 2740
Registrován: 16. 10. 2006, 12:40
Bydliště: Třebíč
Kontaktovat uživatele:

4. 11. 2010, 9:11

Jo abych nezapoměl. Startér, když točí natvrdo bez otevřeného dekompresoru, si bere z baterek cca 140 - 160 A. Vyšší číslo jsem nepozoroval.
To je při 24V DC nějakých cca 3,4 - 3,8 kW.
Dle úpravy hnojiště poznáme hospodáře, dle výsledu voleb jakýchkoliv duševní úroveň voličů.
Uživatelský avatar
magi
Sponzor fora
Příspěvky: 2740
Registrován: 16. 10. 2006, 12:40
Bydliště: Třebíč
Kontaktovat uživatele:

4. 11. 2010, 9:43

To trafo na prodej je dokonce 3 x 24V. Jde už jen o dostatečný výkon. Dokážete někdo z velikosti zhruba střelit výkon trafa?
Dle úpravy hnojiště poznáme hospodáře, dle výsledu voleb jakýchkoliv duševní úroveň voličů.
Odpovědět

Zpět na „naše mašinky“