pokusím sa urobiť náčrt a potom tu zavesímrobokop píše:no prijde mi to z meho pohledu jako mensi problem nez sehnat nejakej menic nebo cosi
nebo jeste dalsi jednoduche reseni 2x nabijecku ale porad mi neni uplne jasne jak to cele mas
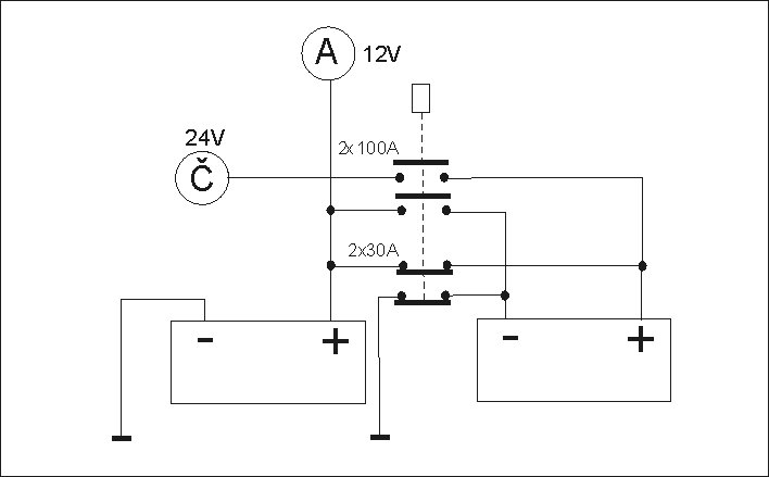
menič alebo prepínač
-
nevedkosenior
- Příspěvky: 120
- Registrován: 13. 1. 2009, 8:31
- Bydliště: Stará Ľubovna
...nikto učený z neba nespadol, keď spadol tak sa zabil ...
- jova
- Příspěvky: 2567
- Registrován: 2. 11. 2007, 1:40
- Bydliště: Chýnov to je kousek od Tábora
- Kontaktovat uživatele:
Třeba tohle:
http://forum.valka.cz/attachments/12042 ... 700_06.jpg" onclick="window.open(this.href);return false;
http://forum.valka.cz/attachments/12042 ... 700_06.jpg" onclick="window.open(this.href);return false;
vzhledem k omezenému periodickému provozu čerpadla mi asi nejlíp vychází použít dvě baterie a dva alternátory.
každá baterie může být kapacitně jiná (hlavní a vedlejší)
pro pomocnou baterii která napájí čerpadlo použít menší alternátor, bazarové kousky jsou skoro zadarmo.
snad tam je místo kde ho uchytit a nahodit druhý klíňák
měnič je drahý a komplikovaný - časté poruchy a malá spolehlivost
výměna motoru - většinou jsou tyto motory velmi nákladné kousky
střídání nabíjení - baterky budou za chvíli v háji a alternátor by se musel přepojovat přes zátěžový rezistor, spolehlivost nic moc
každá baterie může být kapacitně jiná (hlavní a vedlejší)
pro pomocnou baterii která napájí čerpadlo použít menší alternátor, bazarové kousky jsou skoro zadarmo.
snad tam je místo kde ho uchytit a nahodit druhý klíňák
měnič je drahý a komplikovaný - časté poruchy a malá spolehlivost
výměna motoru - většinou jsou tyto motory velmi nákladné kousky
střídání nabíjení - baterky budou za chvíli v háji a alternátor by se musel přepojovat přes zátěžový rezistor, spolehlivost nic moc
Na konci poznávacího procesu je omyl zcela vyvrácen a my nevíme nic. Zato to víme správně.
překopej to celý na 24V, jinak se z problémů nevyhrabeš
Obvykle se dějí věci obvyklé. Méně často se dějí věci neobvyklé a zcela vyjímečně se dějí věci vyjímečné...
Masturn 40 CNC, Hermle UWF1200H CNC a pár klasik
http://www.radialengine.cz" onclick="window.open(this.href);return false;
http://www.autopejsek.cz" onclick="window.open(this.href);return false;
Masturn 40 CNC, Hermle UWF1200H CNC a pár klasik
http://www.radialengine.cz" onclick="window.open(this.href);return false;
http://www.autopejsek.cz" onclick="window.open(this.href);return false;
-
nevedkosenior
- Příspěvky: 120
- Registrován: 13. 1. 2009, 8:31
- Bydliště: Stará Ľubovna
problem je s úpravou nového alternátora.Cjuz píše:vzhledem k omezenému periodickému provozu čerpadla mi asi nejlíp vychází použít dvě baterie a dva alternátory.
každá baterie může být kapacitně jiná (hlavní a vedlejší)
pro pomocnou baterii která napájí čerpadlo použít menší alternátor, bazarové kousky jsou skoro zadarmo.
snad tam je místo kde ho uchytit a nahodit druhý klíňák
měnič je drahý a komplikovaný - časté poruchy a malá spolehlivost
výměna motoru - většinou jsou tyto motory velmi nákladné kousky
střídání nabíjení - baterky budou za chvíli v háji a alternátor by se musel přepojovat přes zátěžový rezistor, spolehlivost nic moc
Moja predstava je zapojiť dva rovnaké akumulátory do série teda výsledné 24 V. Z jedného akumulátora je napajanie pre palubné spotrebiče. Druhý akumulátor je akoby voľný. Potrebné je vyriešiť dobíjanie obidvoch . Šlo by to nejakým prepínacím relátkom ale nejako elektronický.
...nikto učený z neba nespadol, keď spadol tak sa zabil ...
Záleží na aplikaci. My jsme běžně používali na jeřábech a bagrech dvoje napájení - holt 24V znamená poloviční proudy ale něco se na 24V vůbec nedělá (měniče byly tehdy sci-fi)testone píše:překopej to celý na 24V, jinak se z problémů nevyhrabeš
Ještě mě napadla jedna kacířská myšlenka skoro zadarmo.
Více méně je to tom přepojování baterek akorát nabíjení by fungovalo kontinuálně pro obě baterky bez přepínání
Bez diody a ochranného rezistoru by mohly vyrovnávací proudy udělat pěknou paseku. Opět záleží na druhu provozu, pokud něco někam vezu a pak to jen vyklopím asi by to šlo.
Na konci poznávacího procesu je omyl zcela vyvrácen a my nevíme nic. Zato to víme správně.
-
nevedkosenior
- Příspěvky: 120
- Registrován: 13. 1. 2009, 8:31
- Bydliště: Stará Ľubovna
prerábať cele na 24 voltov je na moje sily a prostriedky. To skôr by som uvažoval použiť motor z nejakého vyžinača a prerobiť to na benzínový pohon. Myslím čerpadlo.testone píše:překopej to celý na 24V, jinak se z problémů nevyhrabeš
...nikto učený z neba nespadol, keď spadol tak sa zabil ...
-
nevedkosenior
- Příspěvky: 120
- Registrován: 13. 1. 2009, 8:31
- Bydliště: Stará Ľubovna
Nie celkom som to pochopil. Kde by sa zapojilo 12 voltové nabíjanie.?Cjuz píše:Záleží na aplikaci. My jsme běžně používali na jeřábech a bagrech dvoje napájení - holt 24V znamená poloviční proudy ale něco se na 24V vůbec nedělá (měniče byly tehdy sci-fi)testone píše:překopej to celý na 24V, jinak se z problémů nevyhrabeš
Ještě mě napadla jedna kacířská myšlenka skoro zadarmo.
Více méně je to tom přepojování baterek akorát nabíjení by fungovalo kontinuálně pro obě baterky bez přepínání
Bez diody a ochranného rezistoru by mohly vyrovnávací proudy udělat pěknou paseku. Opět záleží na druhu provozu, pokud něco někam vezu a pak to jen vyklopím asi by to šlo.
...nikto učený z neba nespadol, keď spadol tak sa zabil ...
jinak - vyměň ten 24V motor v hydroagregátu za nějaký menší 12V starter (Š105/120), ten se někde bude válet
možná by stačil i motor z ventilátoru chlazení z auta, ten někde po šrotištích taky najdeš, mívají i přes 300W
řízení si udělej tak, aby se motor čerpadla elektricky spínal jen v okamžiku, kdy je požadavek na dodávku oleje, třeba tak, že pohyby pák rozvaděče budeš snímat mikrospínačem, pak se to bude točit jen chvilkama
pro požadované občasné krátkodobé použití to starter i baterka určitě vydrží
kdysi jsem si takhle udělal naviják na odtahovku
možná by stačil i motor z ventilátoru chlazení z auta, ten někde po šrotištích taky najdeš, mívají i přes 300W
řízení si udělej tak, aby se motor čerpadla elektricky spínal jen v okamžiku, kdy je požadavek na dodávku oleje, třeba tak, že pohyby pák rozvaděče budeš snímat mikrospínačem, pak se to bude točit jen chvilkama
pro požadované občasné krátkodobé použití to starter i baterka určitě vydrží
kdysi jsem si takhle udělal naviják na odtahovku
Obvykle se dějí věci obvyklé. Méně často se dějí věci neobvyklé a zcela vyjímečně se dějí věci vyjímečné...
Masturn 40 CNC, Hermle UWF1200H CNC a pár klasik
http://www.radialengine.cz" onclick="window.open(this.href);return false;
http://www.autopejsek.cz" onclick="window.open(this.href);return false;
Masturn 40 CNC, Hermle UWF1200H CNC a pár klasik
http://www.radialengine.cz" onclick="window.open(this.href);return false;
http://www.autopejsek.cz" onclick="window.open(this.href);return false;
-
nevedkosenior
- Příspěvky: 120
- Registrován: 13. 1. 2009, 8:31
- Bydliště: Stará Ľubovna
tiež som o tom uvažoval. Aj takýto štarter mám. Iste ak nebude iná možnosť tak to budem riešiť. Skôr to poriešim tak, že dam motor z nejakej benzinovej kosačky tych je hafo, a bude to nezavisle na elektrike. Viac by mi však vyhovovalo to elektrické to je origio. Keby bolo riešenie na ten prepínač ako je na nákrese tak to by bolo fajn.testone píše:jinak - vyměň ten 24V motor v hydroagregátu za nějaký menší 12V starter (Š105/120), ten se někde bude válet
možná by stačil i motor z ventilátoru chlazení z auta, ten někde po šrotištích taky najdeš, mívají i přes 300W
řízení si udělej tak, aby se motor čerpadla elektricky spínal jen v okamžiku, kdy je požadavek na dodávku oleje, třeba tak, že pohyby pák rozvaděče budeš snímat mikrospínačem, pak se to bude točit jen chvilkama
pro požadované občasné krátkodobé použití to starter i baterka určitě vydrží
kdysi jsem si takhle udělal naviják na odtahovku
...nikto učený z neba nespadol, keď spadol tak sa zabil ...
-
nevedkosenior
- Příspěvky: 120
- Registrován: 13. 1. 2009, 8:31
- Bydliště: Stará Ľubovna
je to lákavá ponuka . Ak to inak nepôjde tak budem uvažovať. Už teraz som začal šetriť.kutil_tim píše:Kdyby jsi se rozhodl investovat
tak mám "pro strýčka příhodu" //asi se k plánované ohýbačce v nejbližší pětiletce nedostanu
čerpadlo i s motorem z elektrického paletového vozíku
motor je na 12V //dráty tam byly jak na svářečce
za 1800 jej nechám
stav viz obrázky
...nikto učený z neba nespadol, keď spadol tak sa zabil ...
baterie se nabíjí naráz obě. Ta pomocná se nabíjí z hlavní přes D+R.nevedkosenior píše:Nie celkom som to pochopil. Kde by sa zapojilo 12 voltové nabíjanie.?Cjuz píše:Záleží na aplikaci. My jsme běžně používali na jeřábech a bagrech dvoje napájení - holt 24V znamená poloviční proudy ale něco se na 24V vůbec nedělá (měniče byly tehdy sci-fi)testone píše:překopej to celý na 24V, jinak se z problémů nevyhrabeš
Ještě mě napadla jedna kacířská myšlenka skoro zadarmo.
Více méně je to tom přepojování baterek akorát nabíjení by fungovalo kontinuálně pro obě baterky bez přepínání
Bez diody a ochranného rezistoru by mohly vyrovnávací proudy udělat pěknou paseku. Opět záleží na druhu provozu, pokud něco někam vezu a pak to jen vyklopím asi by to šlo.
Nabíjení by zůstalo klasické jedné baterie
Jinak bych využil nabídku na čerpadlo na 12V. kupovat druhou baterku je taky investice a i když už teď nějakou máš nevydrží věčně.
Na konci poznávacího procesu je omyl zcela vyvrácen a my nevíme nic. Zato to víme správně.
- robokop
- Site Admin
- Příspěvky: 23156
- Registrován: 10. 7. 2006, 12:12
- Bydliště: Praha
- Kontaktovat uživatele:
ty stykace taky nebudou zadarmo
porad mi prijde nejlepsi vymenit ten motor z 24 na nejaky 12v
nebo vyuzit nabidky vyse
kdyz se tam daji stykace co se nebudou vzajemne mechanicky blokovat tak dopadnes jako ten nestastnik co tu byl tusim minuly tyden zminovany v cerne kronice ze vyhorel od frezovani
porad mi prijde nejlepsi vymenit ten motor z 24 na nejaky 12v
nebo vyuzit nabidky vyse
kdyz se tam daji stykace co se nebudou vzajemne mechanicky blokovat tak dopadnes jako ten nestastnik co tu byl tusim minuly tyden zminovany v cerne kronice ze vyhorel od frezovani
Vsechna prava na chyby vyhrazena (E)
- jova
- Příspěvky: 2567
- Registrován: 2. 11. 2007, 1:40
- Bydliště: Chýnov to je kousek od Tábora
- Kontaktovat uživatele:
Já tam nakreslil jeden stykač se 4mi kontakty které chodí společně, takže zkrat by neměl nastat, ale stejně by se dal použít dvojitý ruční výkonný přepínač. Netuším jak to má dál naplánované a co se bude dít, když se rozeběhne čerpadlo a jak a čím se bude spínat