Nefunkční posuvy

Vse o konvencnich frezkach, ne o jejich prestavbe na cnc
jojosulo
Příspěvky: 3
Registrován: 3. 5. 2016, 12:35

25. 6. 2016, 7:39

Je pravda že tieto stroje som už nevidel 15 rokov ale čo si pametám tak
koncáky havarijné boli rozpínacie takže ak sú odpojené tak to nejde,
ostatné koncáky boli spínacie.
petr2016
Příspěvky: 3
Registrován: 25. 8. 2016, 9:52
Bydliště: Uherské Hradiště

10. 2. 2017, 10:13

Zdravím,na frézce fa3v mě fungují posuvy ale ne koncáky.je tam jestě starý rozvaděč.kde může být chyba?
Uživatelský avatar
fmodel
Příspěvky: 10256
Registrován: 26. 10. 2011, 10:37
Kontaktovat uživatele:

10. 2. 2017, 11:28

petr2016 píše:.kde může být chyba?
Bez měřáku to nenajdeš.
http://www.rm-reznicek.cz" onclick="window.open(this.href);return false;
testone
Sponzor fora
Příspěvky: 7541
Registrován: 3. 12. 2010, 5:56
Bydliště: Slaný

10. 2. 2017, 11:29

petr2016 píše:Zdravím,na frézce fa3v mě fungují posuvy ale ne koncáky.je tam jestě starý rozvaděč.kde může být chyba?
no vlez přímo do těch koncáků
jsou pod víčky v těch hranatejch bedýnkách s hříbečkem
není to nic jiného než mikrospínač s rozpínacím kontaktem
sežeň si od toho schema
Obvykle se dějí věci obvyklé. Méně často se dějí věci neobvyklé a zcela vyjímečně se dějí věci vyjímečné...
Masturn 40 CNC, Hermle UWF1200H CNC a pár klasik
http://www.radialengine.cz" onclick="window.open(this.href);return false;
http://www.autopejsek.cz" onclick="window.open(this.href);return false;
Uživatelský avatar
salus
Příspěvky: 1528
Registrován: 1. 9. 2013, 1:30
Bydliště: Chrudimsko

11. 2. 2017, 4:03

petr2016 píše:Zdravím,na frézce fa3v mě fungují posuvy ale ne koncáky.je tam jestě starý rozvaděč.kde může být chyba?
Nepíšeš jestli koncáky nechodí ve všech osách, nebo jen v některé. A fungovaly Ti vůbec někdy, nebo nejdou od začátku co tu mašinu máš?
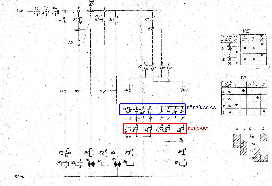
Schéma je zde:
FA3.jpg
Pokud nefungují koncáky ve všech osách tak já bych se zaměřil spíše na přepínač V15, ten totiž u těchto frézek byl docela poruchový a možná se v tom už někdo hrabal a udělal si vlastní úpravu.
Přepínače V3 (posuv / rychloposuv) a V15 (přepínání os X,Y,Z) jsou normálně umístěny zde:
FA3V-1.jpg
Například na tomto obrázku je vidět už nějaká úprava.
Soustruh: S-28 Žebrák
Stolní vrtačka: TOS V10A
Pásová pila: G5013W/400
zverodoktor
Příspěvky: 3687
Registrován: 3. 6. 2007, 9:49
Bydliště: Bratislava

11. 2. 2017, 7:35

Ahojte,
využijem toto vlákno na otázku súvisiacu s témou. Riešil niekto výmenu vačkového prepínača posuvov (toho s ozubeným kolesom) za iný, ktorý je v súčasnosti dostupný? Alebo viete o zdroji tých starých?
Ďakujem, A.
SU32, MN80, FN25, ISEL4433, Jakobsen SJ25, N1, VS16, Anycubic Kossel
qwer
Příspěvky: 1428
Registrován: 8. 4. 2008, 8:09

11. 2. 2017, 8:41

S ozub. kolom sú tam dva, možno by sa dal nejako poskladať z podobného, alebo rovnakého typu, volakedy sa ten druh hojne používal
001.JPG
002.JPG
003.JPG
Uživatelský avatar
salus
Příspěvky: 1528
Registrován: 1. 9. 2013, 1:30
Bydliště: Chrudimsko

12. 2. 2017, 5:23

zverodoktor píše:Ahojte,
využijem toto vlákno na otázku súvisiacu s témou. Riešil niekto výmenu vačkového prepínača posuvov (toho s ozubeným kolesom) za iný, ktorý je v súčasnosti dostupný? Alebo viete o zdroji tých starých?
Ďakujem, A.
Sehnat origo přepínače bude asi téměř nemožné. Dnešní přepínače složené převážně z plastových komponentů bych já osobně jako náhradu původních přepínačů moc nedoporučoval. Ale je to věc názoru. V podstatě by se mohl použít nějaký vačkový spínač s úhlem spínání 45° a patřičně ho poskládat podle diagramu spínání původního přepínače a přizpůsobit hřídel přepínače pro upevnění ozubeného kola, které je na přepínači namontováno.
Před více lety jsem se pokoušel o náhradu těchto přepínačů na frézce FA4. Měl jsem v plánu v rámci kompletní rekonstrukce elektroinstalace frézky, vyrobit nové přepínače na bezkontaktním principu - pomocí optozávor, ale nakonec k realizaci vůbec nedošlo, protože majitel frézku mezitím prodal. Je mě jasné, že se zde najde spousta oponentů tohoto řešení takže sorry.
Soustruh: S-28 Žebrák
Stolní vrtačka: TOS V10A
Pásová pila: G5013W/400
Odpovědět

Zpět na „konvenční frézky“