CNC plazma Microstep - retrofit
- robokop
- Site Admin
- Příspěvky: 23154
- Registrován: 10. 7. 2006, 12:12
- Bydliště: Praha
- Kontaktovat uživatele:
s plasmou neporadim
nevim jkou zvolili filozofii
asi nebude problem se sdruzenim techto funkci
zalezi na tom zda mas thc a chces ho pouzit
protoze pak se to cele jeste trosku komplikuje
mozna budes muset pouzit remap
upravit si ten kod na startovani a vypnuti plasmy
jo a tusim ze se obcas nekde na netu valej image machinekitu pro raspberry
budes tam muset prenest a nakompilovat drivery pro ten pidicnc interface
nevim jkou zvolili filozofii
asi nebude problem se sdruzenim techto funkci
zalezi na tom zda mas thc a chces ho pouzit
protoze pak se to cele jeste trosku komplikuje
mozna budes muset pouzit remap
upravit si ten kod na startovani a vypnuti plasmy
jo a tusim ze se obcas nekde na netu valej image machinekitu pro raspberry
budes tam muset prenest a nakompilovat drivery pro ten pidicnc interface
Vsechna prava na chyby vyhrazena (E)
Mám AD prevodník na meranie napätia oblúku. THC je len funkcia - regulácia výšky. To som zistil robia cez(dgarr/external_offsets branch) - tomu trochu rozumiem a viem si predstaviť ako to funguje. Ale ako spraviť ten dotyk s plechom, to je prvotný problém. potom môžem ladiť výšku a jej korekciu.
- robokop
- Site Admin
- Příspěvky: 23154
- Registrován: 10. 7. 2006, 12:12
- Bydliště: Praha
- Kontaktovat uživatele:
no to muzes treba tim remap a vydefinovanim noveho kodu ktery ti to zjisti
nebo proste jen pouzit funkci pro sondu http://linuxcnc.org/docs/2.6/html/gcode ... :G38-probe" onclick="window.open(this.href);return false;
nejakym externim signalem to resit
potkal jsem reseni kde cely horak byl v ose Z plovouci a kontaktem s plechem se horak nadzvedl a stlacil mikrospinac
G38 se pouze zastavi pri kontaktu
tebou definovana funkce by mohla udelat i definovany odjezd
nebo proste jen pouzit funkci pro sondu http://linuxcnc.org/docs/2.6/html/gcode ... :G38-probe" onclick="window.open(this.href);return false;
nejakym externim signalem to resit
potkal jsem reseni kde cely horak byl v ose Z plovouci a kontaktem s plechem se horak nadzvedl a stlacil mikrospinac
G38 se pouze zastavi pri kontaktu
tebou definovana funkce by mohla udelat i definovany odjezd
Vsechna prava na chyby vyhrazena (E)
- robokop
- Site Admin
- Příspěvky: 23154
- Registrován: 10. 7. 2006, 12:12
- Bydliště: Praha
- Kontaktovat uživatele:
vsechno kolem toho remapu je docela dobre popsane
to bys mel dat dohromady sam
proste do ini dopises ten remap co ti zavola nejaky program v g kodu z disku
v nem budes mit treba to najeti na sondu tj pojede to z- dokud nedojde k rozepnuti mikrospinace
pak das G00 a relatini pohyb v Z+ odskok od plechu
po skonceni tehle procedury se to vrati zpet kde to bylo
tedy bude pokracovat hlavni program kde si napises vystup pro zapnuti plasmy a zapnuti thc
to bys mel dat dohromady sam
proste do ini dopises ten remap co ti zavola nejaky program v g kodu z disku
v nem budes mit treba to najeti na sondu tj pojede to z- dokud nedojde k rozepnuti mikrospinace
pak das G00 a relatini pohyb v Z+ odskok od plechu
po skonceni tehle procedury se to vrati zpet kde to bylo
tedy bude pokracovat hlavni program kde si napises vystup pro zapnuti plasmy a zapnuti thc
Vsechna prava na chyby vyhrazena (E)
So softvérom mi to ide pomaly, tak som vytiahol z mašiny vozík Y s celým Z-kom.
už to mám rozobraté, umyté. Objednal som nové ložiská a celé to chcem trochu vylepšiť. Aby sa káble nemotali lem tak, doplním malú energo reťaz na Z. zároveň bude slúžiť ako opora pre kábel horáku, aby nemal snahu sa zlomiť hneď za horákom. ďalej na Y-ne musím vymeniť starý motor za nové servo. medzikus je už spravený. Na z-ku bude nový prevod a nový motor. Potom to celé zostavím na stole, pripojím na RS a budem sa pokúšať o oživenie a dopísanie funkcií.
už to mám rozobraté, umyté. Objednal som nové ložiská a celé to chcem trochu vylepšiť. Aby sa káble nemotali lem tak, doplním malú energo reťaz na Z. zároveň bude slúžiť ako opora pre kábel horáku, aby nemal snahu sa zlomiť hneď za horákom. ďalej na Y-ne musím vymeniť starý motor za nové servo. medzikus je už spravený. Na z-ku bude nový prevod a nový motor. Potom to celé zostavím na stole, pripojím na RS a budem sa pokúšať o oživenie a dopísanie funkcií.
pomaly napredujem. SW neposlúcha, tak robím na stroji. Vozík Y je už očistený, nové servo je na prevodovke, na Z-ku som pridal energo reťaz a namontoval servo. Táto časť je zatiaľ OK.
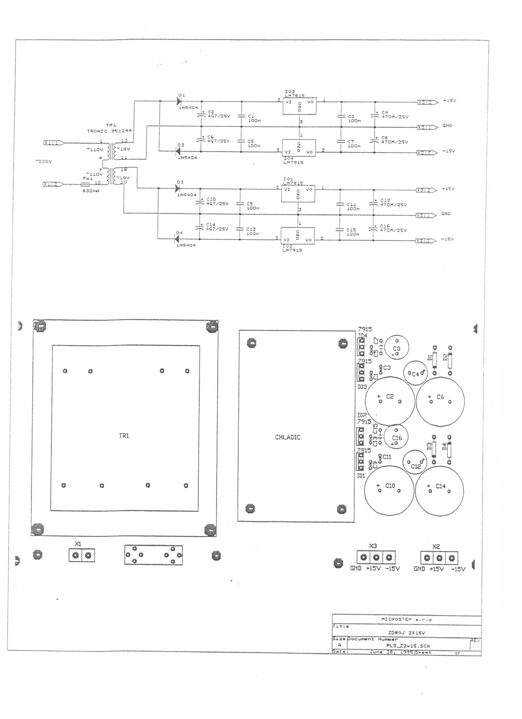
v RS mám na galvanické oddelenie plazmového oblúka od systému prevodník napájaný 2x +-15V. tj. malé trafo, usmerňovač a 4 stabilizátory. 2x7815 a 2x7915. Jedna 7915 má na výstupe -25V. Bez zaváhania som dnes kúpil nový kus, naletoval a na výstupe je znova -25V. napadlo ma ho zaťažiť odporom cca 2K a napätie kleslo na cca -15V. Keď som ho zaťažil 10K tak bolo -20V. Asi je niekde chyba, ale netuším kde. Máte nejaký nápad, čo mám skontrolovať?
Pre lepšiu predstavu schéma:
Pre lepšiu predstavu schéma:
Ale jemu to dělá jenom jedna 7915!!fdundel píše:Zaporne stabilizatory potrebuji nejakou zatez, nevim uz z hlavy kolik, ale je to par mA.
Podle mě bude chyba někde v nulové větvi. Porovnávej napětí na jednotlivých elytech a změř napětí mezi výstupem 0V a vstupem 0V z trafa. Máš dva nezávislé zdroje, tak někde rozdíl bude. Typuji to na nějaký "přechoďák" v nule.
Jarda
Po pridaní signalizačnej ledky cez 2k2 sa zdroj znormalizoval a galvanické oddelenie funguje. na tej druhej funkčnej 7915 už ledka pridaná bola niekedy v minulosti, ale neprikladal som jej inú funkciu ako kontrolku.
Ďakujem všetkým za pomoc.
Ďakujem všetkým za pomoc.
Co to je přesně za typ těch pohonů, a odkud, co jsi v tom použil?
http://forum.strojirenstvi.cz/download/ ... &mode=view" onclick="window.open(this.href);return false;
http://forum.strojirenstvi.cz/download/ ... &mode=view" onclick="window.open(this.href);return false;
pohony sú nasledovné:
X1+X2
motory AKM31E + prevodovka 1:12 + pastorok z nástrojovej ocele rezaný drátorezom
meniče servostar 341 (kollmorgen)
hrebene sú pôvodné kalené + brúsené (digigraf)
pojazd je po brúsenej tyči cca 35x35, ložiská 6000 z vrchu a 628 z boku.
riadenie serv +-10V, motor má resolver, menič emuluje enkodér 4096pulz/ot.
Y
motor SLB2 + bezvôlová prevodovka 1:20 + delený pastorok
menič servostar 341 (kollmorgen)
hrebene sú pôvodné kalené + brúsené (digigraf)
pojazd - ložiská 608 z vrchu aj zospodu.
riadenie serva +-10V, motor má resolver, menič emuluje enkodér 4096pulz/ot.
Z
motor neznámych parametrov z nejakého manipulátora samsung, odhahom max.200W + prevod remeňom HTD5 12:24 + guličková skrutka 20x3
menič servostar 341 (kollmorgen)
pojazd špeciálnej konštrukcie, zodpovedá dobe vzniku 80´/90´ roky
riadenie serva +-10V, motor má resolver, menič emuluje enkodér 4096pulz/ot.
na riadenie som zvolil PIDIcnc
RaspberryPI 3 + karta serv + karta IO
karta serv má 4 výstupy +-10V, 4 vstupy pre enkodér
AD prevodník (12 alebo 16? bit) na snímanie napätia oblúka
DA prevodník - týmto možno raz budem ovládať prúd zdroja
SW - Machinekit
potom sú tam už len zdroj 24VDC, zdroj 4x15V, bezp. relé, a výstupné relátka
X1+X2
motory AKM31E + prevodovka 1:12 + pastorok z nástrojovej ocele rezaný drátorezom
meniče servostar 341 (kollmorgen)
hrebene sú pôvodné kalené + brúsené (digigraf)
pojazd je po brúsenej tyči cca 35x35, ložiská 6000 z vrchu a 628 z boku.
riadenie serv +-10V, motor má resolver, menič emuluje enkodér 4096pulz/ot.
Y
motor SLB2 + bezvôlová prevodovka 1:20 + delený pastorok
menič servostar 341 (kollmorgen)
hrebene sú pôvodné kalené + brúsené (digigraf)
pojazd - ložiská 608 z vrchu aj zospodu.
riadenie serva +-10V, motor má resolver, menič emuluje enkodér 4096pulz/ot.
Z
motor neznámych parametrov z nejakého manipulátora samsung, odhahom max.200W + prevod remeňom HTD5 12:24 + guličková skrutka 20x3
menič servostar 341 (kollmorgen)
pojazd špeciálnej konštrukcie, zodpovedá dobe vzniku 80´/90´ roky
riadenie serva +-10V, motor má resolver, menič emuluje enkodér 4096pulz/ot.
na riadenie som zvolil PIDIcnc
RaspberryPI 3 + karta serv + karta IO
karta serv má 4 výstupy +-10V, 4 vstupy pre enkodér
AD prevodník (12 alebo 16? bit) na snímanie napätia oblúka
DA prevodník - týmto možno raz budem ovládať prúd zdroja
SW - Machinekit
potom sú tam už len zdroj 24VDC, zdroj 4x15V, bezp. relé, a výstupné relátka
Naposledy upravil(a) r4cv dne 20. 3. 2018, 3:52, celkem upraveno 1 x.