Driver s A3986
Takze dalsie skusanie a laborovanie viedlo k odpaleniu zopar A3986.
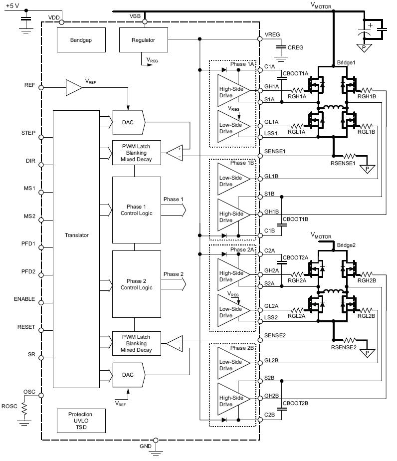
Pripajam schemu zapojenia. Driver je osadeny podla schemy, napajane zo zdroja diametral, logika 5.04V napajanie motorov 17V mam osadene 2 sens rezistory 0R1/ 2W. Frekvencia step signalu je 1,4Khz. Ked osadim dosku, pripojim napajanie 17V, step sihnal z generatora a postupne pridavam referencne napatie na cca 820mV tak motor Leadshine 57HS22(2,2Nm,R vinutia bipolar sierovo je 1,8R,indukcnost 7.2mH) ide perfektne a cely driver si cucka zo zdroja cca 0.3A ked zatazim hriadel, tak prud stupne na 0,6A obvod aj tranzistory su uplne studene. Problem nastane ked zvysim napajacie napatie na viac ako 22V, obvod sa strasne rychlo zahreje (v par pripadoch tak ze ked som sa ho dotkol tak som si spalil prst a obovod zhorel) ak stihnem odpojit napajanie tak obvod ochladne ale uz je ako keby "nacaty" a aj pri povodnom napajani, ked siel bezprobelemovo tak sa strasne rychlo zahrieva az nakoniec sa odpali. Prikladam par priebehov co sa mi podarilo namerat. Vzdy mi odijde obvod tranzistory su dobre a ani kusok sa nezahreju. Myslel som si ze je to sposobene tym, ze diody v tranzistoroch su pomale, a tak som kazdy tranzistor osetril schotkyho diodou s rychlostou <4ns, ale nepomohlo. Vie mi niekto poradit kde by mohol byt problem ? Enable je pri prevadzke obvodu pripojeny na zem. Skraty nemam, pred kazdym pustenim driveru skontrolujem pipakom vsetky vyvody obvodu.
vopred dakujem za vsetky rady co mi pomozu spojazdnit driver.
s pozdravom Jukos3
							Pripajam schemu zapojenia. Driver je osadeny podla schemy, napajane zo zdroja diametral, logika 5.04V napajanie motorov 17V mam osadene 2 sens rezistory 0R1/ 2W. Frekvencia step signalu je 1,4Khz. Ked osadim dosku, pripojim napajanie 17V, step sihnal z generatora a postupne pridavam referencne napatie na cca 820mV tak motor Leadshine 57HS22(2,2Nm,R vinutia bipolar sierovo je 1,8R,indukcnost 7.2mH) ide perfektne a cely driver si cucka zo zdroja cca 0.3A ked zatazim hriadel, tak prud stupne na 0,6A obvod aj tranzistory su uplne studene. Problem nastane ked zvysim napajacie napatie na viac ako 22V, obvod sa strasne rychlo zahreje (v par pripadoch tak ze ked som sa ho dotkol tak som si spalil prst a obovod zhorel) ak stihnem odpojit napajanie tak obvod ochladne ale uz je ako keby "nacaty" a aj pri povodnom napajani, ked siel bezprobelemovo tak sa strasne rychlo zahrieva az nakoniec sa odpali. Prikladam par priebehov co sa mi podarilo namerat. Vzdy mi odijde obvod tranzistory su dobre a ani kusok sa nezahreju. Myslel som si ze je to sposobene tym, ze diody v tranzistoroch su pomale, a tak som kazdy tranzistor osetril schotkyho diodou s rychlostou <4ns, ale nepomohlo. Vie mi niekto poradit kde by mohol byt problem ? Enable je pri prevadzke obvodu pripojeny na zem. Skraty nemam, pred kazdym pustenim driveru skontrolujem pipakom vsetky vyvody obvodu.
vopred dakujem za vsetky rady co mi pomozu spojazdnit driver.
s pozdravom Jukos3
- Přílohy
- 
			
		
				- vstupny signal
- vst_sig.PNG (5.65 KiB) Zobrazeno 11500 x
 
- 
			
		
				- Priebeh na pine OSC
- osc.PNG (6.35 KiB) Zobrazeno 11500 x
 
- 
			
		
				- napatie na vstupe referencneho napatia pre vnutorny komparator(REF) nahlad
- ref.PNG (6.73 KiB) Zobrazeno 11500 x
 
- 
			
		
				- napatie na vstupe referencneho napatia pre vnutorny komparator(REF) detail
- ref1.PNG (5.4 KiB) Zobrazeno 11500 x
 
- 
			
		
				- napatie na vstupe SENSE1 nahlad
- sens1.PNG (7.83 KiB) Zobrazeno 11500 x
 
- 
			
		
				- napatie na vstupe SENSE1 detail
- sens2.PNG (6.12 KiB) Zobrazeno 11500 x
 
- 
			
		
				- Napatie na bocniku
- bocnik.PNG (5.94 KiB) Zobrazeno 11500 x
 
- 
			
		
				- cievka A voci zemi nahlad
- Cievka-GND.PNG (6.97 KiB) Zobrazeno 11500 x
 
- 
			
		
				- cievka A voci zemi detail c. 1
- Cievka-GND1.PNG (6.1 KiB) Zobrazeno 11500 x
 
- 
			
		
				- cievka A voci zemi detail c. 2
- Cievka-GND2.PNG (7.55 KiB) Zobrazeno 11500 x
 
Kazdy raz nejako musel zacat ...
http://robotika.yweb.sk
http://ap.urpi.fei.stuba.sk/sensorwiki/index.php/Kráčajúci_mobilný_robot
						http://robotika.yweb.sk
http://ap.urpi.fei.stuba.sk/sensorwiki/index.php/Kráčajúci_mobilný_robot
Koukal jsem na to schéma. Trochu moc filtruješ napětí na SENSE. Vyhoď C1 a C2 nebo je nahraď za kondenzátory v řádu stovek pF. Evidentně osciloskop Rigol není na toto měření ideální. Mají vůbec opticky oddělené vstupy (problém s uzemněním signálu při měření). Skusil bych posílat jednotlivé pulzy do STEP vstupu a kontrolovat změny na všech výstupech (musí to dát kombinaci přepínání cívek dle datasheetu A3986). Podle mě tam někde zkrat musí být. Při signálu 1,4kHz nic nezjistíš. Třeba nechodí jen jeden tranzistor nebo tak něco. Tyhle obvody opravdu fungují perfektně.
Ještě něco. Jaké je tedy napětí na vstupu REF? Mělo by být mezi 0.8 - 2.1V.
			
									
									
						Ještě něco. Jaké je tedy napětí na vstupu REF? Mělo by být mezi 0.8 - 2.1V.
Napatie na vstupe REF je aj na tych priebehoch vyssie a aby sa motor roztocil pri napajacom napati 17V, tak je nutnych tych 800mV ale to nastavujem iba s pripojenym napajanim logiky. ked pripojim aj napanie motora tak sa mi zda, ze ten signal je strasne zasumeny a aj dalsie signaly sa mi zdaju byt dost zasumene. Nemohlo by to sposobovat aj to ?
			
									
									Kazdy raz nejako musel zacat ...
http://robotika.yweb.sk
http://ap.urpi.fei.stuba.sk/sensorwiki/index.php/Kráčajúci_mobilný_robot
						http://robotika.yweb.sk
http://ap.urpi.fei.stuba.sk/sensorwiki/index.php/Kráčajúci_mobilný_robot
Zašumění signálů způsobuje sonda osciloskopu. Je extrémně citlivá a chytá se každé hrany pulzu. Pokud je toto v pořádku a vyndáš ty koďany tak zkus generovat jednotlivé pulzy do driveru a pokaždé potom měřit stav všech výstupů (oba konce cívek). Lepší to je měřit klasickým avometem než osciloskopem. Musí ti to sedět s datasheetem. Nezkoušel jsi jiný typ tranzistorů? Třeba IRFZ44 ? Zdají se mi vhodnější, jsou ověřené a dostupné jsou také.Jukos3 píše:Napatie na vstupe REF je aj na tych priebehoch vyssie a aby sa motor roztocil pri napajacom napati 17V, tak je nutnych tych 800mV ale to nastavujem iba s pripojenym napajanim logiky. ked pripojim aj napanie motora tak sa mi zda, ze ten signal je strasne zasumeny a aj dalsie signaly sa mi zdaju byt dost zasumene. Nemohlo by to sposobovat aj to ?
Este by som mal taku otazocku ci nie je nutne rozdelit zeme pre logiku a pre napajenie motorov ?
			
									
									Kazdy raz nejako musel zacat ...
http://robotika.yweb.sk
http://ap.urpi.fei.stuba.sk/sensorwiki/index.php/Kráčajúci_mobilný_robot
						http://robotika.yweb.sk
http://ap.urpi.fei.stuba.sk/sensorwiki/index.php/Kráčajúci_mobilný_robot
- RadekCX
- Příspěvky: 622
- Registrován: 14. 7. 2006, 10:12
- Bydliště: Č.Budějovice
- Kontaktovat uživatele:
rozdelit ne ale je treba velmi kvalitne dodrzet spravne zasady vedeni zemi pri navrhu DPS - pokud se pamatuji tak je v DS i nejake doporuceni
tyhle obvody jsou na to silne haklive a vetsina problemu konstrukci s timhle obvodem se tyka prave nespravne navrzeneho DPS
			
									
									tyhle obvody jsou na to silne haklive a vetsina problemu konstrukci s timhle obvodem se tyka prave nespravne navrzeneho DPS
RadekCX
======================================================================
http://www.cncnet.info - problematika CNC a automatizace
http://www.jakjevenku.info - webová meteostanice
						======================================================================
http://www.cncnet.info - problematika CNC a automatizace
http://www.jakjevenku.info - webová meteostanice
Navrhujem novu dosku ta satara nie je ziadna slava a navyse som nemal opticke oddelenie. Zvazujem ci mam pouzit SR mod obvodu(synchronous rectification), alebo mam na kazdy mosfet zavesit schotkyho diodu. V prilohe prikladam schemu zapojenia druhej dosky. Procesorom ATtiny45 chcem merat frekvenciu step signalu a podla toho generovat na vstupe enable PWM signal a este chcem prepinat aj decay mod. Mal by este nieco robit procesor? Za pripomienky vopred dakujem.
s. p. Jukos3
			
													s. p. Jukos3
					Naposledy upravil(a) Jukos3 dne 7. 4. 2010, 7:17, celkem upraveno 1 x.
									
			
									Kazdy raz nejako musel zacat ...
http://robotika.yweb.sk
http://ap.urpi.fei.stuba.sk/sensorwiki/index.php/Kráčajúci_mobilný_robot
						http://robotika.yweb.sk
http://ap.urpi.fei.stuba.sk/sensorwiki/index.php/Kráčajúci_mobilný_robot
Prosim o radu
Ja tomu prestavam rozumiet. Poriadne som pospajal zeme napajania logiky, silovu a optickeho oddelenia a pripojil cez opticku dosku s PC a signaly si generoval Machom. Skusal som plny krok, polkrok, 4 mikrokroky skusal som prepinanie decay modu v zavislosti na otackach a pri napajacom napati 17V vsetko ide vporiadku, tranzistory su vlazne obvod sa vobec nezahrieva. Nechal som to pustene par hodin a nebol ziaden problem s funkcnostou drivera. Ked som zvysil napajanie na 24V, najprv som pripojil signalove piny s optickou dosku potom napajanie logiky a na zaver napajacie napatie a obvod sa prudko zohreje a odijde do vecnych lovist. Zaujima ma cim to moze byt sposobene, ze pri 17V ide vsetko perfektne a pri 24V obvod zhori.??? Pridavam zopar priebehov. Napatie na cievkach je merane voci zemi preto, lebo osciloskop rigol ktory mam, ma spojene zeme a meranie na cievke by sposobilo skrat.
za odpovede vopred dakujem
s.p. Jukos3
							Ja tomu prestavam rozumiet. Poriadne som pospajal zeme napajania logiky, silovu a optickeho oddelenia a pripojil cez opticku dosku s PC a signaly si generoval Machom. Skusal som plny krok, polkrok, 4 mikrokroky skusal som prepinanie decay modu v zavislosti na otackach a pri napajacom napati 17V vsetko ide vporiadku, tranzistory su vlazne obvod sa vobec nezahrieva. Nechal som to pustene par hodin a nebol ziaden problem s funkcnostou drivera. Ked som zvysil napajanie na 24V, najprv som pripojil signalove piny s optickou dosku potom napajanie logiky a na zaver napajacie napatie a obvod sa prudko zohreje a odijde do vecnych lovist. Zaujima ma cim to moze byt sposobene, ze pri 17V ide vsetko perfektne a pri 24V obvod zhori.??? Pridavam zopar priebehov. Napatie na cievkach je merane voci zemi preto, lebo osciloskop rigol ktory mam, ma spojene zeme a meranie na cievke by sposobilo skrat.
za odpovede vopred dakujem
s.p. Jukos3
- Přílohy
- 
			
		
				- Napatie na Gate
- gate1.PNG (6.85 KiB) Zobrazeno 11187 x
 
- 
			
		
				- Napatia na cievkach A a B merane voci zemi, napajanie 17V, fullstep, mix decay
- motor_full.PNG (6.48 KiB) Zobrazeno 11187 x
 
- 
			
		
				- Napatie na SENSE1, napajanie 17V, full step, mix decay
- sen1f.PNG (8.38 KiB) Zobrazeno 11187 x
 
- 
			
		
				- Detail napatia na SENSE1, napajanie 17V, full step, mix decay
- sens1_2f.PNG (7.83 KiB) Zobrazeno 11187 x
 
- 
			
		
				- napatia na cievkach A a B 4 mikrokroky, 17V, fast decay merane voci zemi fialovym je rozdielovy signal A-B
- mot_4m.PNG (6.87 KiB) Zobrazeno 11187 x
 
- 
			
		
				- Napatie na SENSE1 4 mikrokroky, fast decay, napajanie 17V
- sens_4mic.PNG (7.1 KiB) Zobrazeno 11187 x
 
Kazdy raz nejako musel zacat ...
http://robotika.yweb.sk
http://ap.urpi.fei.stuba.sk/sensorwiki/index.php/Kráčajúci_mobilný_robot
						http://robotika.yweb.sk
http://ap.urpi.fei.stuba.sk/sensorwiki/index.php/Kráčajúci_mobilný_robot
- 
				pavel-gravos
- Příspěvky: 322
- Registrován: 27. 1. 2008, 4:30
Prubeh napeti na Sesn1 a Sens2 pri full stepu by mel byt vicemene obdelnik, toto vypada na pomrsene 1/16.
Z toho co tu povidas, to vypada. ze napeti pro motory prosakuje nekam
kam nema. Zkusil bych hybat s motorovym napetim v bezpecnem rozsahu 15-17V, a koukal bych na ruzne body zapojeni voltmetrem
a oscilem. Tam, kde se neco bude hybat take, asi bude neco spatne.
Pavel
			
									
									
						Z toho co tu povidas, to vypada. ze napeti pro motory prosakuje nekam
kam nema. Zkusil bych hybat s motorovym napetim v bezpecnem rozsahu 15-17V, a koukal bych na ruzne body zapojeni voltmetrem
a oscilem. Tam, kde se neco bude hybat take, asi bude neco spatne.
Pavel
Kontrolní otázka. Tyhle průběhy byly měřeny na jekém motoru (odpor, proud)? 
Co myslíš tím mixed decay (mixed decay v módu fullstep tento obvod nemá)?
Ten signál na sense není rozhodně v pořádku, ale to odhaduju na to že máš osciloskop přepnutý na měření střídavých průběhů.
S touhle závadou jsem se ještě nesetkal. Kde jsi kupoval ty obvody? Nemůžeš mít prohozené vývody na napájení A3986 s vývodem VREG?
			
									
									
						Co myslíš tím mixed decay (mixed decay v módu fullstep tento obvod nemá)?
Ten signál na sense není rozhodně v pořádku, ale to odhaduju na to že máš osciloskop přepnutý na měření střídavých průběhů.
S touhle závadou jsem se ještě nesetkal. Kde jsi kupoval ty obvody? Nemůžeš mít prohozené vývody na napájení A3986 s vývodem VREG?
Jaké napětí je na GATE těch mosfetů ? Já jen, že maximální pro Gate je 20V a výstup z toho Allegra, kterej se na Gate připojuje je odvozen (pokud jsem za tu minutu co jsem nakouk do datasheetu stačíl zahlédnout) odvozuje od jednoho z napájecích vstupů (tuším je jen o 0.2V nižší), takže jestli to máš zapojeno tak, že jde toto napájecí napětí (vyšší než 20V) do gate mosfetu, tak ten mosfet zakuká a pak se mohou dít věci ;o)Jukos3 píše:Prosim o radu
Ja tomu prestavam rozumiet. Poriadne som pospajal zeme napajania logiky, silovu a optickeho oddelenia a pripojil cez opticku dosku s PC a signaly si generoval Machom. Skusal som plny krok, polkrok, 4 mikrokroky skusal som prepinanie decay modu v zavislosti na otackach a pri napajacom napati 17V vsetko ide vporiadku, tranzistory su vlazne obvod sa vobec nezahrieva. Nechal som to pustene par hodin a nebol ziaden problem s funkcnostou drivera. Ked som zvysil napajanie na 24V, najprv som pripojil signalove piny s optickou dosku potom napajanie logiky a na zaver napajacie napatie a obvod sa prudko zohreje a odijde do vecnych lovist. Zaujima ma cim to moze byt sposobene, ze pri 17V ide vsetko perfektne a pri 24V obvod zhori.??? Pridavam zopar priebehov. Napatie na cievkach je merane voci zemi preto, lebo osciloskop rigol ktory mam, ma spojene zeme a meranie na cievke by sposobilo skrat.
za odpovede vopred dakujem
s.p. Jukos3
Napětí pro gate mosfetů je odvozeno z napětí na vývodu VREG. Je to složitější ale v tomhle bych problém nehledal protože by nedosáhnul těch průběhů.VW píše:Jaké napětí je na GATE těch mosfetů ? Já jen, že maximální pro Gate je 20V a výstup z toho Allegra, kterej se na Gate připojuje je odvozen (pokud jsem za tu minutu co jsem nakouk do datasheetu stačíl zahlédnout) odvozuje od jednoho z napájecích vstupů (tuším je jen o 0.2V nižší), takže jestli to máš zapojeno tak, že jde toto napájecí napětí (vyšší než 20V) do gate mosfetu, tak ten mosfet zakuká a pak se mohou dít věci ;o)Jukos3 píše:Prosim o radu
Ja tomu prestavam rozumiet. Poriadne som pospajal zeme napajania logiky, silovu a optickeho oddelenia a pripojil cez opticku dosku s PC a signaly si generoval Machom. Skusal som plny krok, polkrok, 4 mikrokroky skusal som prepinanie decay modu v zavislosti na otackach a pri napajacom napati 17V vsetko ide vporiadku, tranzistory su vlazne obvod sa vobec nezahrieva. Nechal som to pustene par hodin a nebol ziaden problem s funkcnostou drivera. Ked som zvysil napajanie na 24V, najprv som pripojil signalove piny s optickou dosku potom napajanie logiky a na zaver napajacie napatie a obvod sa prudko zohreje a odijde do vecnych lovist. Zaujima ma cim to moze byt sposobene, ze pri 17V ide vsetko perfektne a pri 24V obvod zhori.??? Pridavam zopar priebehov. Napatie na cievkach je merane voci zemi preto, lebo osciloskop rigol ktory mam, ma spojene zeme a meranie na cievke by sposobilo skrat.
za odpovede vopred dakujem
s.p. Jukos3
sejosef: 
Tie priebehy meriam na motore Leadshine 57HS22(2,2Nm,R vinutia bipolar sierovo je 1,8R,indukcnost 7.2mH pri full stepe som mal jumpre nastavene na 26% fastdecay. skusal som vsetky kombinacie decay modu spolu s mikrokrokmi. Osciloskop bol pri merani nastaveny na DC coupling pozeral som ci som nahodou neprehodil piny VREG a napajanie motorov, ale je to vporiadku. Obvody som kupoval z TME http://www.tme.eu/sk/katalog/artykuly.p ... ch%3DA3986. Mam osadene v kazdom mostiku po 2ks 0R1 rezistory Vref je okolo 920mV. Prud zo zdroja pri 17V ked motor stoji je 850mA ked sa roztoci tak odber klesne na cca 350mA bez zatazenia. Motor pri zatazeni (brzdeni rukou) si cucka okolo 1A zo zdroja a veselo sa toci.
vW:
Tranzistory vyzeraju ze su vporiadku, lebo ked prepajkujem obvod a pripojim to na 17V tak driver funguje.
			
									
									Tie priebehy meriam na motore Leadshine 57HS22(2,2Nm,R vinutia bipolar sierovo je 1,8R,indukcnost 7.2mH pri full stepe som mal jumpre nastavene na 26% fastdecay. skusal som vsetky kombinacie decay modu spolu s mikrokrokmi. Osciloskop bol pri merani nastaveny na DC coupling pozeral som ci som nahodou neprehodil piny VREG a napajanie motorov, ale je to vporiadku. Obvody som kupoval z TME http://www.tme.eu/sk/katalog/artykuly.p ... ch%3DA3986. Mam osadene v kazdom mostiku po 2ks 0R1 rezistory Vref je okolo 920mV. Prud zo zdroja pri 17V ked motor stoji je 850mA ked sa roztoci tak odber klesne na cca 350mA bez zatazenia. Motor pri zatazeni (brzdeni rukou) si cucka okolo 1A zo zdroja a veselo sa toci.
vW:
Tranzistory vyzeraju ze su vporiadku, lebo ked prepajkujem obvod a pripojim to na 17V tak driver funguje.
Kazdy raz nejako musel zacat ...
http://robotika.yweb.sk
http://ap.urpi.fei.stuba.sk/sensorwiki/index.php/Kráčajúci_mobilný_robot
						http://robotika.yweb.sk
http://ap.urpi.fei.stuba.sk/sensorwiki/index.php/Kráčajúci_mobilný_robot
Filtraciu sense som vyradzovat neskusal, napatie na Vreg je okolo 12V, dosku som navrhoval v altium designeri a tranzistory som nemenil, lebo momentalne mam len IRF540. Mam posledny obvod, sice uz mam objednane dalsie ale nemam chut nechat dosku tyzden stat. Navrh DPS som zacal uz upravovat do podoby kde je opticke oddelenie a procesor, cize povodnu podobu mozem dat iba ako printscreen CAM dat
							
			
													
					Naposledy upravil(a) Jukos3 dne 2. 10. 2009, 1:19, celkem upraveno 1 x.
									
			
									Kazdy raz nejako musel zacat ...
http://robotika.yweb.sk
http://ap.urpi.fei.stuba.sk/sensorwiki/index.php/Kráčajúci_mobilný_robot
						http://robotika.yweb.sk
http://ap.urpi.fei.stuba.sk/sensorwiki/index.php/Kráčajúci_mobilný_robot
