nastaveni MACHU pro laser
-
liskamartin001
- Příspěvky: 14
- Registrován: 24. 7. 2019, 10:41
Ahaa
tak toho jsem si vubec nevsiml...jsem to zapomnel oddelat to je pro tu 4. Osu tak mozna to pomuze. Vyzkousim a dam vedet
dekuju
Já teda Mach nemám a tedy ani neznám. Ale podle mě by měl být ten pin nakonfigurován jen na Spindle, nikoli současně i jako nějaký Output.
To M3 a M5 udělá to, že se začne generovat PWM (po M3) a přestane (po M5). Ničím jiným už se ten laser dodatečně nevypíná.
Nějaký ten Output by se používal tehdy, kdybys laser spínal jen ON/OFF.
To M3 a M5 udělá to, že se začne generovat PWM (po M3) a přestane (po M5). Ničím jiným už se ten laser dodatečně nevypíná.
Nějaký ten Output by se používal tehdy, kdybys laser spínal jen ON/OFF.
-
liskamartin001
- Příspěvky: 14
- Registrován: 24. 7. 2019, 10:41
jojo ja to budu muset vyzkouset a snad uz to vyjde...moc dekuju za vsechny rady. dam vedet o vysledku 
Riešil som tiež tento problém ako riadiť čínsky laser cez mach3. Celý návod ako to všetko zapojiť a nastaviť nenájdeš. Musel som si to dať dokopy sám z info čo som našiel. Ak by bol záujem môžem to tu trocha podrobnejšie rozpísať ako to zapojiť a nastaviť podla toho ako som to vyriešil ja.liskamartin001 píše: ↑24. 8. 2019, 7:27 jojo ja to budu muset vyzkouset a snad uz to vyjde...moc dekuju za vsechny rady. dam vedet o vysledku![]()
-
liskamartin001
- Příspěvky: 14
- Registrován: 24. 7. 2019, 10:41
Ahoj to by jsi byl moc hodnej kdyby jsi mi to sem trosku vic rozepsal co muzu udelat pro to aby ten laser fungoval...je to vsechno cina. Deska je wantai a mel jsem to prve rizeno pres mach ale potom jsem presel na linux ani uz nevim proc 
- robokop
- Site Admin
- Příspěvky: 23320
- Registrován: 10. 7. 2006, 12:12
- Bydliště: Praha
- Kontaktovat uživatele:
u rizeni laseru se musi zohlednit snizeni vykonu v rohach a nenavazujicich vektorech jinak jsou rezy takove upatlane protoze rychlost pohybu neni z fyzikalnich duvodu konstantni
Vsechna prava na chyby vyhrazena (E)
To si už prešiel na inú úroveň riadenia. Tu je hobby úroveň
A na Linuxe ti to ide ? Alebo ten laser nepoužívaš ? Budem musieť pripraviť nejake fotky a skeny nastavení aby sa to bolo ľahšie pochopiť a hlavne pre mňa aby som nemusel veľa písaťliskamartin001 píše: ↑8. 1. 2020, 10:49 Ahoj to by jsi byl moc hodnej kdyby jsi mi to sem trosku vic rozepsal co muzu udelat pro to aby ten laser fungoval...je to vsechno cina. Deska je wantai a mel jsem to prve rizeno pres mach ale potom jsem presel na linux ani uz nevim proc![]()
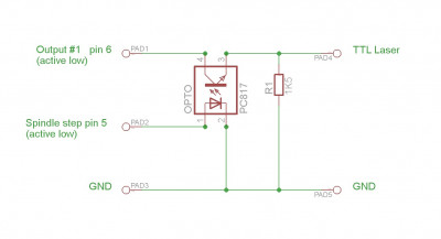
Na začiatok : budeš potrebovať dva volné výstupy na Paralelnom porte na ktoré pripojíš jednoduchý obvod z optočlenu napriklad PC817 alebo PC123 (schému prichystám a doložím)
Na kreslenie a tvorbu G kódu použivam Cut2d s postprocesorom pre laser.
Ta deska s integrovanými drivery mi přijde pro laser dost nešikovná. Na první pohled to vypadá, že všechny výstupy LPT jsou na desce připojeny buď na drivery, nebo asi na nějaký převodník 0-10V.
Vyndal bych ze soklu optron, který vede na nějaký nepoužívaný pin (třeba STEP osy C), do toho soklu bych zastrčil drát a na ten přímo napojil ten laser.
Ale to už jsem ti vlastně psal před 5 měsíci a ty to stejně furt řešíš.
Vyndal bych ze soklu optron, který vede na nějaký nepoužívaný pin (třeba STEP osy C), do toho soklu bych zastrčil drát a na ten přímo napojil ten laser.
Ale to už jsem ti vlastně psal před 5 měsíci a ty to stejně furt řešíš.
Resil jsem to taky na machu 3 na rezani jsem to rozjel v poho ale glavirovani uz je jina liga. Porad nejaky problem. Popis zapojeni k rezani je asi tak ze pokud ma laser ttl je to tak rychle ze optocleny signal mrsili mam osciloskop a ruzne urovne mereni atd nakonec jsem to pripojil natvrdo ttl versus pin na lpt a nabouchal do machu nastaveni a zacalo to chodit perfektne a chodilo to nejlip na pokazeni lpt kaslu mam asi 3 karty do pci jetse ve skrini a nic se nestalo. V pwm nastavis frekvenci a normalne se vykon reguloval. Uplne perfektne ale pak jsem narazil na dalsi problemy jako rizeni vykonu v kodech vrstvy atd problem ze glavirovani bylo temer nemozne atd a prestalome to bavit. Radej jsem koupil ruida jednotku ktomu je soft RD works a uz prvnitesty ukazali uplne jinou ligu jak komunikace tak kody ani neresis jednotka to proste zaridi rovnou vsechno co si vymyslis. Kombinaci s cnc vyresim asi relaty ze odstrihnu privody na microstepy a napojim vsechno na hromadny vypinac cnc & laser pomoci jednoho prepinace a hotovo vsechno je jinak fakt trapeni.
Pokud to chces prece jen na machu najdi si pin ktery nepouzivas udlej si v machu kopii profilu co mas na cnc tam do nastaveni spindlu napis cislo pinu co jsi vybral a odpajej ho v konektoru a bud napoj na tu desku s optoclenem co tu nekdo resil nebo natvrdo na ttl to necham na tobe a melo by to jit .. dalsi vec je priprava kodu a donutit mach delat to co ma delat laser cut je v poho rizeni vykonu je v poho glavir uz moc v poho neni optimalizace atd ani jsem postup jak to udelat rucne moc nenasel do maachu byl kdysi nejaky plugin tomtom co to umel ale od urcite verze machu ten plugin nejde takze nevim jak pro nej treba udelat kody aby glaviroval obrazek a mel tu optimalizaci aby ho nepalil na rohach ... vzhledem k vykonu co mas asi glavir bude protebe vice zajimavej nez rezani tak hodne zdaru
Zatiaľ som to neriešil. Určite to treba riešiť pokiaľ ide o plné popisovanie alebo presné rezanie. Pri mojom požívaní mi to zatiaľ nevadí. Ja laser používam hlavne na vyrezávanie. Sem tam niejake tesnenie a vianočné ozdoby z balzy pre gazdinú. Popisovanie len po vektoroch a tam to nerobí moc problém.
Ja používam takéto jednoduché zapojenie. Využívam dva volné piny na vstupnej doske pin 5 a pin 6. Výstup je priamo napojený na vstup TTL laseru. Regulácia výkonu mi funguje asi od 5% do 100%. G kód robím v cut2d s postprocesorom pre laser a výkon riadim ako otáčky vretena v nastaveniach nástroja. 0 až 100 otáčok = 0% až 100%.
Určite sa to dá zapojiť aj lepšie. Pre moje účely to zatiaľ vyhovuje
Určite sa to dá zapojiť aj lepšie. Pre moje účely to zatiaľ vyhovuje
-
zverodoktor
- Příspěvky: 3723
- Registrován: 3. 6. 2007, 9:49
- Bydliště: Bratislava
Ahoj,
mohol by si bližšie objasniť, z akého dôvodu si použil optočlen aprečo si ho zapojil tak ako ho máš na schéme? Mne by sa páčil viac takto: Ono tie optočleny ak sú správne zapojené, pri rýchlostiach LPT portu by nemal signál nijak mršiť. cutoff pri PC817 je 80 KHz, nieje problém nájsť rýchlejšie. Dokonca rovno s TTL výstupom.
SU32, MN80, FN25, ISEL4433, Jakobsen SJ25, N1, VS16, Anycubic Kossel