
Problém s regulací otáček vřetene
Hned na hlavní stránce je ukázkové schema zapojení, 24V a 5V země (24V0 a 5V0) propojené z vnějšku nejsou, jsou každá nakreslená jinou barvou, tak se to asi spojovat nemá..? Neřeším to jen kvůli Marianovi, samotného mě to zajímá, chtěl jsem rozumět, jak to myslíš.


mimooborová naplavenina • kolowratský zázrak™ • NPS • GCU • HirthCalc • ncDP.ino
- Mrosconi
- Příspěvky: 2102
- Registrován: 22. 2. 2015, 6:30
- Bydliště: Netřebská 47, Praha 6 Ruzyně
- Kontaktovat uživatele:
Nakreslil jsem to v souladu s obrázky v jednotlivých návodech, kde u A2 je těch GND přípojek více. Že je to vnitřně jeden a ten samý signál je dáno tím, že se to jmenuje stejně.
[/quote]
Kde je tedy to další GND?
Port name Port Description
12V OUT 12V output, with maximum currency 200mA.
5V OUT 5V output, with maximum currency 50mA.
5V IN 5V input, analog input, with maximum effective
voltage 5V, no more than 6V
10V IN 10V input, analog input, with maximum effective
voltage 10V, no more than 12V
20mA IN 20mA input, analog input, with maximum effective
currency 20mA, no more than 25mA
5V Fout Frequency signal output, maximum output voltage 5V
GND Power source ground 0V.
FWD External clockwise rotation input
REV External anticlockwise rotation input
RST External reset signal
D0 + Multi-segment speed D0 input,external “+” signal
means clockwise point move input
D1 - Multi-segment speed D1 input,external “-” signal
means anticlockwise point move input
D2 JOG Multi-segment speed D2 input, external enable signal
input
Lk Relay ON
Lb Relay OFF
Lz Relay ON/OFF
Co z toho je tedy ten druhy GND? Zjistím to nějak? Třeba bzučákem? Bude to věrohodné?
Kolega Tomáš mi řekl, že když jsem teď připojil ten 10V s rezistory na Fulingu, neměl bych paralelně spojovat ten druhý (A2) měnič, aby se něco nestalo. Ještě jsem to nezkoušel, ale nechci to pokazit.
Jak by to tedy mělo být správně zapojené? Já se nebudu hádat, protože tomu absolutně nerozumím. Ten schémat je mi jasný, ale neodpovídá skutečnosti, protože nemám ten "druhý" GND. Já udělám cokoliv mi řeknete. Jen vědět co.
Pokud to zapojím stejně jako na obrázku (jen Fuling) tak místo 10V mám cca 4,7V. Místo 5V mám cca 3V. Jakmile to propojím s tou 10V, tak to jede správně. takže selským rozumem... Buď konstruktéři něco vymysleli nějakou blbost, nebo je něco špatně nastaveno. Zapojit to už opravdu není jak. Žádná jiná konfigurace nefunguje. Mě je úplně fuk jak to bude, jen ať to dělá to co má.
Díky
[/quote]
Kde je tedy to další GND?
Port name Port Description
12V OUT 12V output, with maximum currency 200mA.
5V OUT 5V output, with maximum currency 50mA.
5V IN 5V input, analog input, with maximum effective
voltage 5V, no more than 6V
10V IN 10V input, analog input, with maximum effective
voltage 10V, no more than 12V
20mA IN 20mA input, analog input, with maximum effective
currency 20mA, no more than 25mA
5V Fout Frequency signal output, maximum output voltage 5V
GND Power source ground 0V.
FWD External clockwise rotation input
REV External anticlockwise rotation input
RST External reset signal
D0 + Multi-segment speed D0 input,external “+” signal
means clockwise point move input
D1 - Multi-segment speed D1 input,external “-” signal
means anticlockwise point move input
D2 JOG Multi-segment speed D2 input, external enable signal
input
Lk Relay ON
Lb Relay OFF
Lz Relay ON/OFF
Co z toho je tedy ten druhy GND? Zjistím to nějak? Třeba bzučákem? Bude to věrohodné?
Kolega Tomáš mi řekl, že když jsem teď připojil ten 10V s rezistory na Fulingu, neměl bych paralelně spojovat ten druhý (A2) měnič, aby se něco nestalo. Ještě jsem to nezkoušel, ale nechci to pokazit.
Jak by to tedy mělo být správně zapojené? Já se nebudu hádat, protože tomu absolutně nerozumím. Ten schémat je mi jasný, ale neodpovídá skutečnosti, protože nemám ten "druhý" GND. Já udělám cokoliv mi řeknete. Jen vědět co.
Pokud to zapojím stejně jako na obrázku (jen Fuling) tak místo 10V mám cca 4,7V. Místo 5V mám cca 3V. Jakmile to propojím s tou 10V, tak to jede správně. takže selským rozumem... Buď konstruktéři něco vymysleli nějakou blbost, nebo je něco špatně nastaveno. Zapojit to už opravdu není jak. Žádná jiná konfigurace nefunguje. Mě je úplně fuk jak to bude, jen ať to dělá to co má.
Díky
Pokud jsou namalované jinou barvou, tak to může znamenat třeba:
- autor to chtěl vizuálně odlišit
- nebo jsou na desce skutečně galvanicky oddělené
Pokud jsou skutečně galvanicky oddělené, tak podle mě jsou 2 možnosti, jak to zapojit (podle mě) správně:
- propojit venkem země 5V a 24V (mnou upřednostňovaná varianta, mám rád vše na jednom potenciálu)
- připojit na ACM měniče tu zem 24V, protože výstup 0-10V bude referencován vůči ní
Obvyklá poznámka na závěr: tak bych to řešil já. Nikomu to nenutím.
Pokud nevím, tak měřím.
- Mrosconi
- Příspěvky: 2102
- Registrován: 22. 2. 2015, 6:30
- Bydliště: Netřebská 47, Praha 6 Ruzyně
- Kontaktovat uživatele:
To jsem rád:)
mě to ze začátku nešlo vůbec. Nejdříve mi nešlo rozjet drivery. to jsem vyřešil náhodou. Prostě jeden driver má opačně Enable.
Pak byl měnič. Stejná A2 jen silnější, protože to bylo k vřetenu 4kW. Ta A2 je tak suprovní, že nejde nastavit proud a tak pro slabší motor jsem musel koupit slabší měnič. Mam proto další A2 ale 2,2kW. Je strašně prťavý, ale je to kopie.
Frajer podle kterého jsem to zapojoval měl spojenou zemi 5 a 24V mimo desku na svorkovnici. Proto mu to šlo. Já jsem neměl spojené země, takže 5V měla samotnou svorkovnici a 24V rovněž. Za Boha se to nechtělo rozběhnout. Rozjel jsem to náhodou, že jsem přepojoval a přepojoval a až jsem se dotknul země 24V (minus) tak se to rozjelo! Proto jsem zemi drátek z měniče GND spojil s -24V. Fungovalo vše správně.
Vyměnil jsem měnič, přidal jsem další desku s 3. portem a přidal jsem druhé vřeteno a tím pádem toho Fulinga. Pro jistotu jsem předělal všechny kabely. Země nejsou spojeny a ni teď. Takže si nejsou spojeny v desce AXBB. ráno jsem to zapojil stejně jako na schématu, jen GND na A2 je pro relé i pro VI stejné. Situace stejná. A2 funguje správně a motor se řídí jak má. Z desky leze 10V pro S100% a 5V pro S50%. Prostě paráda. Na Fulingu totéž neplatí. Radím se s kolegou, protože už nevím co a ten do toho zaplétá proidové řízení a další věci, ale ve výsledku buď to nefunguje vůbec nebo se to chove stejě, tedy místo 10V 4,7! Pak desperátský koukám na to video a propojuji 10V s 2kOhm rezistoru a světu div se, funguje to! Takže babo raď.
- Mrosconi
- Příspěvky: 2102
- Registrován: 22. 2. 2015, 6:30
- Bydliště: Netřebská 47, Praha 6 Ruzyně
- Kontaktovat uživatele:
Mex píše: ↑18. 1. 2023, 5:11Pokud jsou namalované jinou barvou, tak to může znamenat třeba:
- autor to chtěl vizuálně odlišit
- nebo jsou na desce skutečně galvanicky oddělené
Pokud jsou skutečně galvanicky oddělené, tak podle mě jsou 2 možnosti, jak to zapojit (podle mě) správně:
- propojit venkem země 5V a 24V (mnou upřednostňovaná varianta, mám rád vše na jednom potenciálu)
- připojit na ACM měniče tu zem 24V, protože výstup 0-10V bude referencován vůči ní
Obvyklá poznámka na závěr: tak bych to řešil já. Nikomu to nenutím.
Pokud nevím, tak měřím.
Podle mně je ale jedno zda je to připojeno jen na 05V nebo 024V nebo spolu. Ve výsledku to nice neřeší. Prostě je to problém toho Fulingu který to má evidentně zamýšleno jinak. Proč? Neřeším, protože podle mně je všechna elektronika Bangladeš. takže pokud něco vymyslíte jiného budu jen rád.
Dík:)
Promiň, to tě zbytečně blbnu, měl jsem na mysli tento obrázek, který jsem replikoval ve svém schematu (kde je GND mnohokrát):
Ale teď vidím, že na svorkovnici je fyzicky jen jedna GND svorka:
Jako bych nic neřekl, všechny GND jdou sem.
Na ten Fuling vs. 1k odpor mrknu, to je fakt divný.
T.
Naposledy upravil(a) Thomeeque dne 18. 1. 2023, 5:34, celkem upraveno 1 x.
mimooborová naplavenina • kolowratský zázrak™ • NPS • GCU • HirthCalc • ncDP.ino
Ocituju sám sebe: Když nevím, tak měřím.
V elektronice měření není hanba.
Prostě vezmi měřák a oměř co je s čím vevnitř spojené.
A jaké proudy tečou z toho analogového signálu 0-10V do vstupu toho měniče.
Jestli je možné, že to ten měnič opravdu přetěžuje.
A znovu připomínám: zkontroluj, jestli vstup toho měniče třeba není v režimu proudové smyčky 0-20mA nebo tak něco.
Všechno musí dávat smysl.
V elektronice měření není hanba.
Prostě vezmi měřák a oměř co je s čím vevnitř spojené.
A jaké proudy tečou z toho analogového signálu 0-10V do vstupu toho měniče.
Jestli je možné, že to ten měnič opravdu přetěžuje.
A znovu připomínám: zkontroluj, jestli vstup toho měniče třeba není v režimu proudové smyčky 0-20mA nebo tak něco.
Všechno musí dávat smysl.
I když si dal výrobce tu práci, že to drží galvanicky oddělené a návod žádné vnější propojení nevyžaduje?
I když návod jasně říká odebírat zem pro Analog output ze země pro 5V?
Nerozumim. Nenakreslil bys svoje schema, jak to celé myslíš?
Dík, T.
EDIT: Uznávám, že výstup 0-10V na 5V větvi je trochu zvláštních, a to je asi tvoje motivace (a zřejmě celkem dobrý argument předpokládat, že to na desce bude v nějakém bodě spojené), ale návod mluví celkem jasně.
mimooborová naplavenina • kolowratský zázrak™ • NPS • GCU • HirthCalc • ncDP.ino
Proč ne? Že to výrobce udělal galvanicky oddělené přece neznamená, že mi to tak musí vyhovovat.
Deska má napájení 24V.
Je sice možné, že napájení pro 0-10V dělají nějakým měničem z 5V.
Ale skoro bych řekl, že to moc pravděpodobné není.
Smysl by to dávalo jen v případě, kdy by to napájení 24V bylo nepovinné.
Logičtější by bylo, kdyby to jednoduše vzali z těch 24V. A v té chvíli je k tomu třeba připojit i referenční zem, což je zem toho zdroje 24V.
Proto už po několikáté opakuji, aby to kolega změřil.
Že je něco v návodu by sice mělo znamenat, že to tak skutečně je. Ale je to opravdu tak?
Kdybych měl spočítat návody, ve kterých jsem v životě našel chyby, tak by mi na to nestačily všecky prsty co mám.
Spojit země 5V a 24V je triviální činnost, prosté propojení jedním drátem.
A hned se uvidí.
Čekal bych za tím nějaký záměr (ze strany výrobce).
Země nepropípával, ale výstupní napětí při použití A2 měniče naměřil na daných svorkách správně. Nicméně zkusit to může.
Tady měl týpek možná stejný problém a prý to způsoboval AC noise z měniče, pomohlo mu namotat dráty s řídícím napětím kolem feritu. Zní to dost bizárně, ale co já vím. Fig 7-3 v návodu ukazuje také nějaký filtr btw.Mrosconi píše: ↑18. 1. 2023, 5:09 Pokud to zapojím stejně jako na obrázku (jen Fuling) tak místo 10V mám cca 4,7V. Místo 5V mám cca 3V. Jakmile to propojím s tou 10V, tak to jede správně. takže selským rozumem... Buď konstruktéři něco vymysleli nějakou blbost, nebo je něco špatně nastaveno. Zapojit to už opravdu není jak. Žádná jiná konfigurace nefunguje. Mě je úplně fuk jak to bude, jen ať to dělá to co má.
Díky
F0.03 máš nastaveno na 1, jo?
S tím 1k odporem ti to při nastavení 50% RPM dává 5V?
T.
mimooborová naplavenina • kolowratský zázrak™ • NPS • GCU • HirthCalc • ncDP.ino
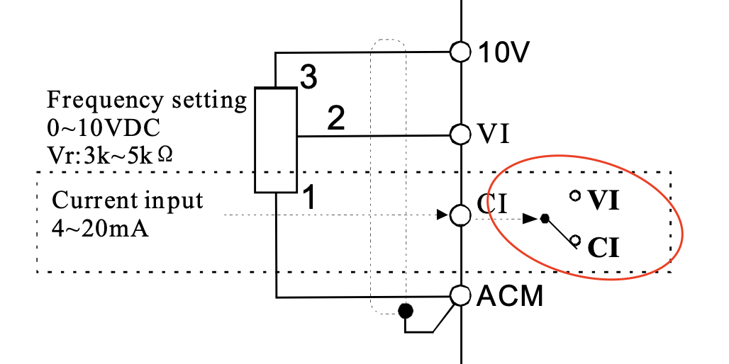
A ještě jestli je toto nějaký přepínač, tak ho zkus přepnout do druhé polohy (nic jsem k němu v návodu nenašel).
Btw. tady je hezčí verze návodu http://www.quickcncrouter.com/wp-conten ... manual.pdf
Btw. tady je hezčí verze návodu http://www.quickcncrouter.com/wp-conten ... manual.pdf
mimooborová naplavenina • kolowratský zázrak™ • NPS • GCU • HirthCalc • ncDP.ino
Wow, no těch tam je. A v návodu nic.. Zkusil bych ten SW2 z CI na VI..
Jinak změř proud mezi AO z AXBB a VI toho měniče (s dočasně odpojeným 1k odporem z 10V) při S100%.
Jinak změř proud mezi AO z AXBB a VI toho měniče (s dočasně odpojeným 1k odporem z 10V) při S100%.
mimooborová naplavenina • kolowratský zázrak™ • NPS • GCU • HirthCalc • ncDP.ino
- Mrosconi
- Příspěvky: 2102
- Registrován: 22. 2. 2015, 6:30
- Bydliště: Netřebská 47, Praha 6 Ruzyně
- Kontaktovat uživatele:
Mám to na VI ale je to stejné. Jen WR něco mění. To se pak točí 12000ot.
Při odpojeném měníci jde při S100% 10,01V. Při S50% je to 5.03V.
Po zapojení měniče je to 4,7V a 2,9V. Po zapojení 10V s odporem k VI je to takto
3000ot, má být 1,25V a je 2.02V
6000ot, má být 2.5V a je 2.83V
12000ot má být 5V a je 5.07V
24000ot má být 10V a je 9,85V.
Při odpojeném měníci jde při S100% 10,01V. Při S50% je to 5.03V.
Po zapojení měniče je to 4,7V a 2,9V. Po zapojení 10V s odporem k VI je to takto
3000ot, má být 1,25V a je 2.02V
6000ot, má být 2.5V a je 2.83V
12000ot má být 5V a je 5.07V
24000ot má být 10V a je 9,85V.
- Mrosconi
- Příspěvky: 2102
- Registrován: 22. 2. 2015, 6:30
- Bydliště: Netřebská 47, Praha 6 Ruzyně
- Kontaktovat uživatele:
Ještě poslední věc... V manuálu jsou nějaké možností natavování té 0-10V. Dolní, horní limity a pod, takže možná by to šlo přes to nějak upravit, aby to více odpovídalo realitě.
Ono mi to až tak nevadí, hlavní je že se to zapne a vypne a má přibližné otáčky. Jen je zvláštní, že na jednom měniči, pravděpodobně nejlevnějším na trhu, to jede absolutně přesně (tedy v možností analogového řízení) a u dražšího měniče s 10x více funkcemi to dělá takové kraviny.
Zkusím tam ještě napsat, zda mi někdo odpoví, ale asi to zůstane tak jak je.
Ideální by bylo rozjet to po ModBus nebo nějaké té elektronické komunikaci, ale to je pro mně úplně špaňělská vesnice. Na to nemám. Nicméně měnič to umožňuje a UCCNC má pro ModBus nějaký plugin. Jak to ale funguje, to nemám ponětí.
Každopádně díky za snahu:)
Ono mi to až tak nevadí, hlavní je že se to zapne a vypne a má přibližné otáčky. Jen je zvláštní, že na jednom měniči, pravděpodobně nejlevnějším na trhu, to jede absolutně přesně (tedy v možností analogového řízení) a u dražšího měniče s 10x více funkcemi to dělá takové kraviny.
Zkusím tam ještě napsat, zda mi někdo odpoví, ale asi to zůstane tak jak je.
Ideální by bylo rozjet to po ModBus nebo nějaké té elektronické komunikaci, ale to je pro mně úplně špaňělská vesnice. Na to nemám. Nicméně měnič to umožňuje a UCCNC má pro ModBus nějaký plugin. Jak to ale funguje, to nemám ponětí.
Každopádně díky za snahu:)