Eagle kontra Mach3
S tím materiálem je to pravda, nůžky dělají problémy, ale s plošnými spoji jsem spokojen, protože nejsou podleptané a jsou vyvrtané - když je chlupatý tak ho přešmirgluju a je to 
 je možnost postavit taky amatérsky regulátor hloubky frézování.
			
									
									vlado
						- sysel
 - Příspěvky: 655
 - Registrován: 12. 6. 2007, 9:24
 - Bydliště: Šenov u Ostravy
 - Kontaktovat uživatele:
 
Taky mám odzkušenou fotocestu, veškeré vybavení, ale frézování je ideál když potřebuju něco rychle a nechce se mi tisknout fólie s předlohou a další věc je vrtání.... usadit odleptaný spoj tak aby ho CNC dobře odvrtalo je někdy na dlouhou dobu... a vrtat ručně se mi nechce 
Vidím že nejen já pracuju cestou pokus>omyl žejo J0hny?
 Taky jsem vymýšlel jen takový plotřík a teďka to vypadá tak na 80kg mašinu 
			
									
									Vidím že nejen já pracuju cestou pokus>omyl žejo J0hny?
5/2007 přístup na přestavěnou BF20
5/2009 dokončeno vlastní CNC
http://cnc.usysla.eu/
						5/2009 dokončeno vlastní CNC
http://cnc.usysla.eu/
pokus->omyl, presne tak  
  Bude to jaklovina 40x40x4, nepodoprete vedenia kalene tycky fi12, mosazne(bronzove) puzdra, pohon metricka M7, teflonove(bronzove) matky a na plochy lisovana preglejka. Malickosti z duralu, takze do 30-40kg vojdem. Dufam. posuvy 35x25x10. Chcel som to cele robit z preglejky, ale to by asi dlho nevydrzalo.
			
									
									Nevzdelany samouk, zo vsetkeho trosku, ziadne konkretne zameranie :)
						- modemo
 - Příspěvky: 175
 - Registrován: 2. 2. 2008, 7:55
 - Bydliště: Brno, Povazska Bystrica
 - Kontaktovat uživatele:
 
velmi podobny plan som mal aj ja. Ale stroskotal na tych klznych loziskach. Mal som take z vnutra poteflonovane, ale mohol som sa aj na hlavu postavit a nikdy som tom neurobil, aby sa to nezadieralo a podobne. Ja totiz nemam pristup na frezu a tak aj tie vecicky vyzerali -> proste nerochoditelne. Nakoniec robim loziskove vozicky. Ak chces, posli mi ICQ cez SZ a mozeme blizsie prebrat.J0hny píše:pokus->omyl, presne takBude to jaklovina 40x40x4, nepodoprete vedenia kalene tycky fi12, mosazne(bronzove) puzdra, pohon metricka M7, teflonove(bronzove) matky a na plochy lisovana preglejka. Malickosti z duralu, takze do 30-40kg vojdem. Dufam. posuvy 35x25x10. Chcel som to cele robit z preglejky, ale to by asi dlho nevydrzalo.
- sysel
 - Příspěvky: 655
 - Registrován: 12. 6. 2007, 9:24
 - Bydliště: Šenov u Ostravy
 - Kontaktovat uživatele:
 
Tak se taky trošku pochlubím 
 Podepřené 20mm lineáry, kuličkové ložiska, pohon TR16x4 přes bronzové matky, něco z dřevotřísky, konstrukce z Uček a Lek (jenom ta má 42kg) a doplněno místama duralem.... Posuvy budou 550x410x65 (to Ztko je trochu škoda, ale časem ho vyměním) a na stůl ještě příjde duralový profil s T drážkama... 
							
			
									
									5/2007 přístup na přestavěnou BF20
5/2009 dokončeno vlastní CNC
http://cnc.usysla.eu/
						5/2009 dokončeno vlastní CNC
http://cnc.usysla.eu/
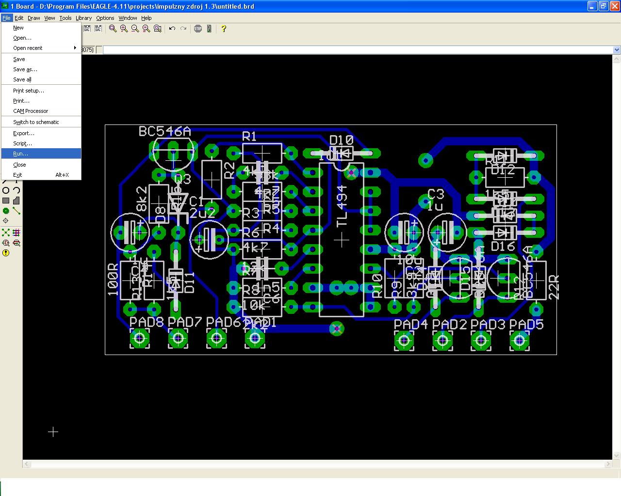
Mala škola gravírovania v eagle.
1.Spustite editovanie PCB
2.Stlačiť v ľavo hore File a príkaz run
3.V otvorenej ULP knižnici stlačte príkaz mill-outlines
5.Zjavý sa okno pre editáciu a úpravu PCB pre vŕtanie a kreslenie gravírovanie.
6.V ľavej strane políčok nastavte parametre ako sú formát .vrstva.hrubka deliacich čiar .ofset okolo dosky a pod... treba poskúšať dá sa na to pomerne ľahko prísť.
7.Nastav miesto umiestnenia HPGL v spodnom predposlednom riadku.
V poslednom sa nastavuje umiestnenie pre generovanie otvorov v doske.
Okienka v pravo ukazujú graficky čo práve v tom ktorom riadku nastavujete .
8.Otvorene napríklad v Corely sa to dá skontrolovať a upraviť.
Já som dosky robil aj robím aj fotolitografiou ale toto sa mi zdá komfortnejšie a menej pracné a dajú sa hneď aj odvŕtať otvory a potom doska pekne odrezať frézou.Dosku treba prilepiť na rovný povrch obojstrannou lepiacou páskou aby sa neprehýbala.
Nabudúce dám niečo o CopperCam to je na frézovanie dosiek PCB ako stvorené.
							
			
									
									1.Spustite editovanie PCB
2.Stlačiť v ľavo hore File a príkaz run
3.V otvorenej ULP knižnici stlačte príkaz mill-outlines
5.Zjavý sa okno pre editáciu a úpravu PCB pre vŕtanie a kreslenie gravírovanie.
6.V ľavej strane políčok nastavte parametre ako sú formát .vrstva.hrubka deliacich čiar .ofset okolo dosky a pod... treba poskúšať dá sa na to pomerne ľahko prísť.
7.Nastav miesto umiestnenia HPGL v spodnom predposlednom riadku.
V poslednom sa nastavuje umiestnenie pre generovanie otvorov v doske.
Okienka v pravo ukazujú graficky čo práve v tom ktorom riadku nastavujete .
8.Otvorene napríklad v Corely sa to dá skontrolovať a upraviť.
Já som dosky robil aj robím aj fotolitografiou ale toto sa mi zdá komfortnejšie a menej pracné a dajú sa hneď aj odvŕtať otvory a potom doska pekne odrezať frézou.Dosku treba prilepiť na rovný povrch obojstrannou lepiacou páskou aby sa neprehýbala.
Nabudúce dám niečo o CopperCam to je na frézovanie dosiek PCB ako stvorené.
Funny day!!!
						- sysel
 - Příspěvky: 655
 - Registrován: 12. 6. 2007, 9:24
 - Bydliště: Šenov u Ostravy
 - Kontaktovat uživatele:
 
Tohleto je dělané v Autodesk Inventor 9J0hny píše:Hm, zajimave riesenie, v com to vseci kreslite ? kua ? vypada to pekne
5/2007 přístup na přestavěnou BF20
5/2009 dokončeno vlastní CNC
http://cnc.usysla.eu/
						5/2009 dokončeno vlastní CNC
http://cnc.usysla.eu/
Mam taky mensi problem s Machom3. Vygenerujem si frezovanie pomocou Eaglu. V machu vidim aj moj plosak, ale stale mi to robi iba diery. Da sa to nejako nastavit, aby mi to robilo aj samotne cesty? Som v tomto smere pomerne novacik 
.
			
									
									
						- sysel
 - Příspěvky: 655
 - Registrován: 12. 6. 2007, 9:24
 - Bydliště: Šenov u Ostravy
 - Kontaktovat uživatele:
 
Eagle ti vygeneruje 4 soubory. Jedno je vrtání, druhé je frézování TOP vrtsvy, třetí BOTOM vrtsvy a čtvrté si teď nemůžu vzpomenout.... Takže musíš nají to co končí tuším bot a to je BOTOM vrstva.... 
			
									
									5/2007 přístup na přestavěnou BF20
5/2009 dokončeno vlastní CNC
http://cnc.usysla.eu/
						5/2009 dokončeno vlastní CNC
http://cnc.usysla.eu/
Aha, diky moc, funguje tosysel píše:Eagle ti vygeneruje 4 soubory. Jedno je vrtání, druhé je frézování TOP vrtsvy, třetí BOTOM vrtsvy a čtvrté si teď nemůžu vzpomenout.... Takže musíš nají to co končí tuším bot a to je BOTOM vrstva....