Magiho výzkumný ústav
- magi
- Sponzor fora
- Příspěvky: 2740
- Registrován: 16. 10. 2006, 12:40
- Bydliště: Třebíč
- Kontaktovat uživatele:
S tak silnejma plechama je problém, tady jsme odkázáni na odřezky z kovošrotu.
Koupit celou tabuli je balík peněz a navíc je to v dílně nemanipulovatelné.
Takovéto nějaké konzole bych asi řešil jako svařenec z Jaklu. Další otázkou je kotvení, tady už jedině chemie nebo šrouby skrz zeď.
Koupit celou tabuli je balík peněz a navíc je to v dílně nemanipulovatelné.
Takovéto nějaké konzole bych asi řešil jako svařenec z Jaklu. Další otázkou je kotvení, tady už jedině chemie nebo šrouby skrz zeď.
Dle úpravy hnojiště poznáme hospodáře, dle výsledu voleb jakýchkoliv duševní úroveň voličů.
- magi
- Sponzor fora
- Příspěvky: 2740
- Registrován: 16. 10. 2006, 12:40
- Bydliště: Třebíč
- Kontaktovat uživatele:
Tak přátelé potřebuju nějakého opravdového odborníka - elektrotechnika.
Na té centrále to fíčko nevybavuje, potřebuju se dobrat toho proč a vymyslet nějaké řešení aby ochrana fungovala.
Zase opět narážíme na stejný problém jako na začátku, TN-C nebo TN-S (volitené), nebo IT?
V soustavě IT fíčko asi nefunguje (si myslím) protože nemá jak detekovat unikající proud.
Pořád je potřeba mít na paměti, že se to připojuje i k domovnímu rozvodu, kde je už jedno fíčko a soustava TN-S (fíčko nesmí padat).
Na té centrále to fíčko nevybavuje, potřebuju se dobrat toho proč a vymyslet nějaké řešení aby ochrana fungovala.
Zase opět narážíme na stejný problém jako na začátku, TN-C nebo TN-S (volitené), nebo IT?
V soustavě IT fíčko asi nefunguje (si myslím) protože nemá jak detekovat unikající proud.
Pořád je potřeba mít na paměti, že se to připojuje i k domovnímu rozvodu, kde je už jedno fíčko a soustava TN-S (fíčko nesmí padat).
Dle úpravy hnojiště poznáme hospodáře, dle výsledu voleb jakýchkoliv duševní úroveň voličů.
Nejdříve, fíčko je dobré několikrát procvakat a stisknout testovací tlačítko - už jsem se setkal že i úplně nové nevybavilo, proud 0,4A a furt nic. S revizákem jsme je procvakali a ejhle 0,033A.magi píše:Tak přátelé potřebuju nějakého opravdového odborníka - elektrotechnika.
Na té centrále to fíčko nevybavuje, potřebuju se dobrat toho proč a vymyslet nějaké řešení aby ochrana fungovala.
Zase opět narážíme na stejný problém jako na začátku, TN-C nebo TN-S (volitené), nebo IT?
V soustavě IT fíčko asi nefunguje (si myslím) protože nemá jak detekovat unikající proud.
Pořád je potřeba mít na paměti, že se to připojuje i k domovnímu rozvodu, kde je už jedno fíčko a soustava TN-S (fíčko nesmí padat).
Princip je jasný, proud musí zpět do zdroje jinudy (mimo ochranu), pak vybaví. Není však možné že N a PE jsou na generátoru odděleny? Pak se proud přes PE nemá kam vrátit a vlastně se na něm objeví (proti N) napětí.
Na konci poznávacího procesu je omyl zcela vyvrácen a my nevíme nic. Zato to víme správně.
dodej schema zapojeni, jinak je to vesteni
"do řiti se řítíme, ani o tom nevíme.."
- magi
- Sponzor fora
- Příspěvky: 2740
- Registrován: 16. 10. 2006, 12:40
- Bydliště: Třebíč
- Kontaktovat uživatele:
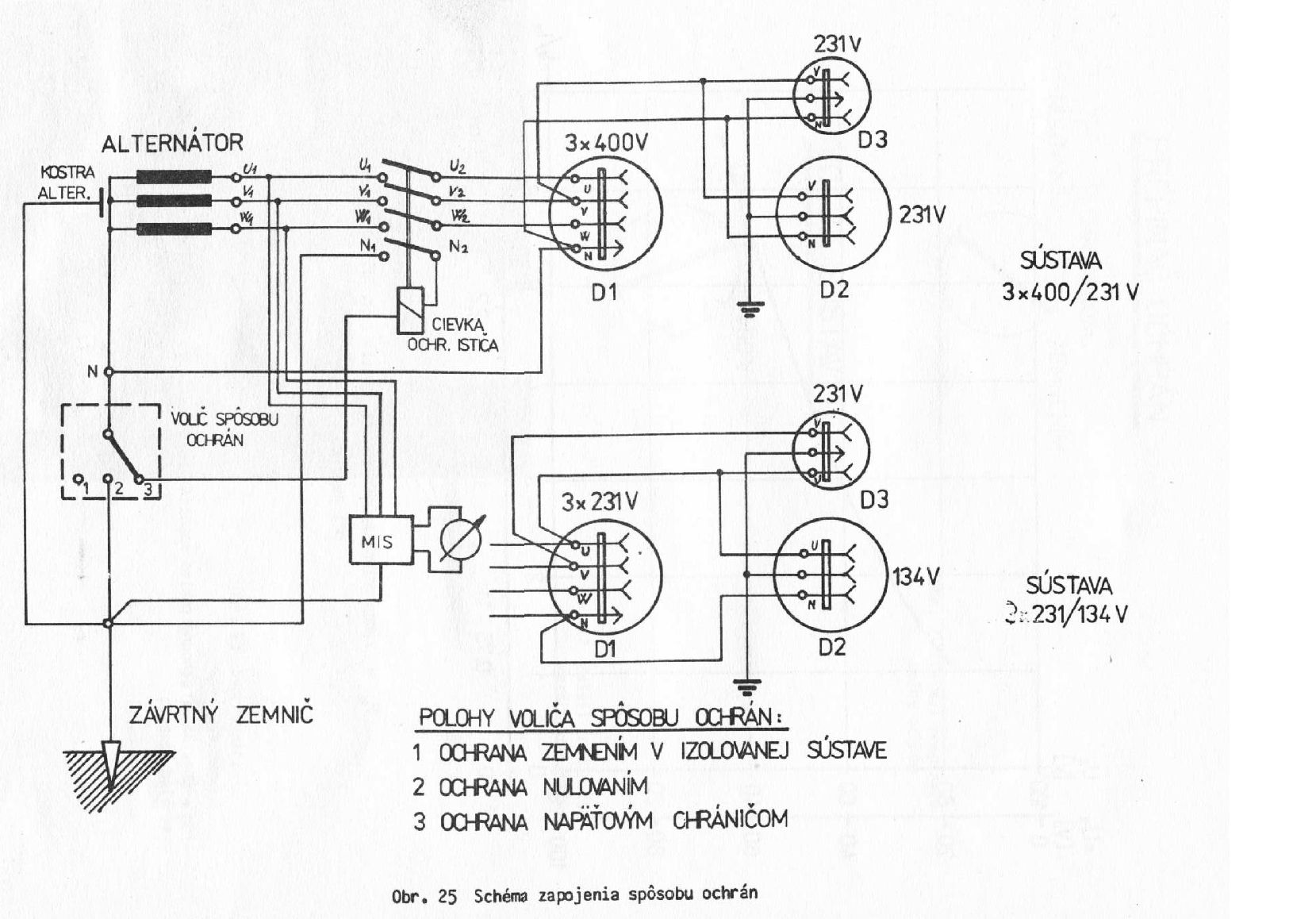
Schéma je tu.
Jinak já vidím probém presně v tom že je PE a N oddělený a proto nemá fíčko jak poznat že mu něco uniká pryč.
Jenže já to musím mít oddělené právě pro tu druhou variantu, kdy se to bude používat jako záskokový zdroj a bude to připojení k 5ti drátové soustavě s fíčkem.
Jinak já vidím probém presně v tom že je PE a N oddělený a proto nemá fíčko jak poznat že mu něco uniká pryč.
Jenže já to musím mít oddělené právě pro tu druhou variantu, kdy se to bude používat jako záskokový zdroj a bude to připojení k 5ti drátové soustavě s fíčkem.
Dle úpravy hnojiště poznáme hospodáře, dle výsledu voleb jakýchkoliv duševní úroveň voličů.
Není problém v tom že PE a N je oddělené. Jak jsi napsal tak to tak musí být aby ses mohl připjit ke stávající sestavě. Fičko samozřejmě (z podstaty jeho funkce) pozná když mu něco uniká pryč. Problém je že ty neumíš tento stav nasimulovat pokud provozuješ centrálu odděleně od sítě (TN-S).magi píše:Jinak já vidím probém presně v tom že je PE a N oddělený a proto nemá fíčko jak poznat že mu něco uniká pryč.
Jenže já to musím mít oddělené právě pro tu druhou variantu, kdy se to bude používat jako záskokový zdroj a bude to připojení k 5ti drátové soustavě s fíčkem.
Pokud to máš bez té sítě tak máš totiž IT (tedy izolovanou soustavu). Při připojení jedné z fází na PE tedy nic neuniká a Fíčko nevybavuje. Pouze bude na Pracovním vodiči N napětí vůči zemi.
Pro detekci tohoto stavu bys mohl použít "relátko" sledování izolačního stavu. Zadej si "insulation monitoring device" do GOOGLE...
Ať se daří.
- magi
- Sponzor fora
- Příspěvky: 2740
- Registrován: 16. 10. 2006, 12:40
- Bydliště: Třebíč
- Kontaktovat uživatele:
A neřešilo by tenhle problém udělat volitené A) spojený střed generátoru s kostrou a nebo B) nespojený?
Pro ostrovní provoz spojený (tím pádem i uzeměný) a pro záskokový provoz odělený (aby nevybavovalo předřazené fíčko budovy).
Zkusím to cvičně propojit a zjistím jak se bude chránič chovat v takovém případě.
Fakt je ten, že co pamatuju z vojny na velkých centrálách býval napěťový chránič (ten bakelitový se žlutým testovacím kolečkem).
Pro ostrovní provoz spojený (tím pádem i uzeměný) a pro záskokový provoz odělený (aby nevybavovalo předřazené fíčko budovy).
Zkusím to cvičně propojit a zjistím jak se bude chránič chovat v takovém případě.
Fakt je ten, že co pamatuju z vojny na velkých centrálách býval napěťový chránič (ten bakelitový se žlutým testovacím kolečkem).
Naposledy upravil(a) magi dne 4. 9. 2014, 6:56, celkem upraveno 1 x.
Dle úpravy hnojiště poznáme hospodáře, dle výsledu voleb jakýchkoliv duševní úroveň voličů.
- magi
- Sponzor fora
- Příspěvky: 2740
- Registrován: 16. 10. 2006, 12:40
- Bydliště: Třebíč
- Kontaktovat uživatele:
No právě, takto jsem to chtěl udělat úplně původně, teda bez fíčka.
Vize byla dát dovnitř rozvodnice přepínač, kterým se bude provádět tahle volba.
To se ale nezdálo revizákovi, se kterým jsem to konzultoval, tak z té asi hodinové debaty vzešlo zapojení které tam teď je.
Po několika dnech jsem se přesně o tomto problému bavil s lidmi z Tedomu a údajně přesně tuhle problematiku řešili na nějaké instalaci v Lodýně.
Vyřešili to právě tím přepínáním.
Vize byla dát dovnitř rozvodnice přepínač, kterým se bude provádět tahle volba.
To se ale nezdálo revizákovi, se kterým jsem to konzultoval, tak z té asi hodinové debaty vzešlo zapojení které tam teď je.
Po několika dnech jsem se přesně o tomto problému bavil s lidmi z Tedomu a údajně přesně tuhle problematiku řešili na nějaké instalaci v Lodýně.
Vyřešili to právě tím přepínáním.
Naposledy upravil(a) magi dne 4. 9. 2014, 7:06, celkem upraveno 1 x.
Dle úpravy hnojiště poznáme hospodáře, dle výsledu voleb jakýchkoliv duševní úroveň voličů.
- magi
- Sponzor fora
- Příspěvky: 2740
- Registrován: 16. 10. 2006, 12:40
- Bydliště: Třebíč
- Kontaktovat uživatele:
No prosím a jsme u toho, tohle přepínání už si z vojny nevybavuju.
Takže je to asi dané jak to vyřešit.
Takže je to asi dané jak to vyřešit.
Dle úpravy hnojiště poznáme hospodáře, dle výsledu voleb jakýchkoliv duševní úroveň voličů.
- jova
- Příspěvky: 2568
- Registrován: 2. 11. 2007, 1:40
- Bydliště: Chýnov to je kousek od Tábora
- Kontaktovat uživatele:
Ale tam je napěťový chránič
A proč to chceš provozovat v té izolované soustavě? Vždyť NT-S s proudovým chráničem se na centrálách běžně používá.
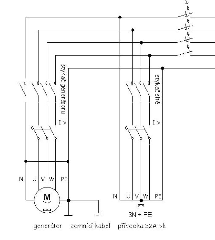
První je celkové zapojení s připojením na síť (jedná se o záložní zdroj).
Druhé pak zapojení jenom generátoru a obvodu proudového chrániče co se zapojuje k tomu prvnímu.
A proč to chceš provozovat v té izolované soustavě? Vždyť NT-S s proudovým chráničem se na centrálách běžně používá.
První je celkové zapojení s připojením na síť (jedná se o záložní zdroj).
Druhé pak zapojení jenom generátoru a obvodu proudového chrániče co se zapojuje k tomu prvnímu.
- jova
- Příspěvky: 2568
- Registrován: 2. 11. 2007, 1:40
- Bydliště: Chýnov to je kousek od Tábora
- Kontaktovat uživatele:
Ono je otázkou, zda ten proudový chránič dávat jenom za generátor, nebo jak ho máš ty i za přívod externího napájení. Protože pokud ho dáš až za ten přívod, může nastat situace že budou zapojené dva proudové chrániče se stejnou vybavovací charakteristikou za sebou 
Ale nakonec stejně bude vše záležet na tom revizákovi který ti na to dá štempl.
Ale nakonec stejně bude vše záležet na tom revizákovi který ti na to dá štempl.