Klimbíkův TOS S-28
Jojo. Chapu. Ze ma ten vyrazeci otvor pro klin. To je fakt, ze to mi nekdy vadi na tom koniku, ze nektere kuzely, ty co nemaji vzadu tu plosku, tak nejdou ven jen tim, ze pinolu zasunu. Musim mezi treba naboj prp otocny hrot a konika neco dat, aby se to tam seklo a pak zasunutim pinoly ten kuzel vyrazim. Jinak nevim jak bych to vyndal
			
									
									Youtube - "klimbíkova bastlírna"  
						- magi
 - Sponzor fora
 - Příspěvky: 2732
 - Registrován: 16. 10. 2006, 12:40
 - Bydliště: Třebíč
 - Kontaktovat uživatele:
 
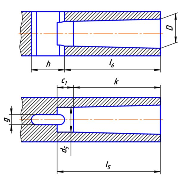
Ta drážka v pinole není kvůli vyrážecímu klínu (ačkoliv se na to pochopitelně dá použít), je tam hlavně z toho důvodu, že jinak by ten unašeč nešel vyrobit. Ale vše musí jít vytlačit šroubem - pokud ne, je krátký.
			
									
									Dle úpravy hnojiště poznáme hospodáře, dle výsledu voleb jakýchkoliv duševní úroveň voličů.
						- 
				zverodoktor
 - Příspěvky: 3506
 - Registrován: 3. 6. 2007, 9:49
 - Bydliště: Bratislava
 
- magi
 - Sponzor fora
 - Příspěvky: 2732
 - Registrován: 16. 10. 2006, 12:40
 - Bydliště: Třebíč
 - Kontaktovat uživatele:
 
křída zabrání protáčení kužele
Dle úpravy hnojiště poznáme hospodáře, dle výsledu voleb jakýchkoliv duševní úroveň voličů.
						- magi
 - Sponzor fora
 - Příspěvky: 2732
 - Registrován: 16. 10. 2006, 12:40
 - Bydliště: Třebíč
 - Kontaktovat uživatele:
 
Obyčejnou školní bílou  
  ale může být i modrá případně zelená či červená  
 (jákákoliv barva)  prostě tou křídou popatláš morsekužel vrtáku a pak jej tam vší silou vrazíš. Většinou už se pak neprotočí. Straré moudro z Elitexu Třebíč  
			
									
									Dle úpravy hnojiště poznáme hospodáře, dle výsledu voleb jakýchkoliv duševní úroveň voličů.
						- 
				zverodoktor
 - Příspěvky: 3506
 - Registrován: 3. 6. 2007, 9:49
 - Bydliště: Bratislava
 
Milujem tieto zabudnuté rady písané v starých knihách medzi riadkami.
Ďakujem, ukladám na HDD
			
									
									Ďakujem, ukladám na HDD
SU32, MN80, FN25, ISEL4433, Jakobsen SJ25, N1, V20, Anycubic Kossel