Magiho výzkumný ústav
Ano mají.
http://www.rm-reznicek.cz" onclick="window.open(this.href);return false;
Jo.
(Nevím jestli je to od určitého výkonu, ale obecně vím, že mnohé typy ty vývody mají.)
EDIT: Píšu pomaleji, než bych chtěl.
(Nevím jestli je to od určitého výkonu, ale obecně vím, že mnohé typy ty vývody mají.)
EDIT: Píšu pomaleji, než bych chtěl.
Koupím hliníkové profily délky cca 60cm, nabízím 90,-Kč/kg.
- magi
- Sponzor fora
- Příspěvky: 2741
- Registrován: 16. 10. 2006, 12:40
- Bydliště: Třebíč
- Kontaktovat uživatele:
Většinou je mají, on ten odpor tam není tak dvakrát nutný, pokud není třeba aplikovat výkonné dynamické brždění velké hmoty, což je právě můj případ.elbarto píše:Zeptam se mozna jako blbec, ale k tomu forum snad je. Frekvencaky maji od nejakeho vykonu pro brzdne odpory solo vyvody ??
Ačkoliv u SV18 mi měnič TECO 7,5kW v pohodě brzdí i bez odporu. SV18ka nemá tak velikou setrvačnou hmotu.
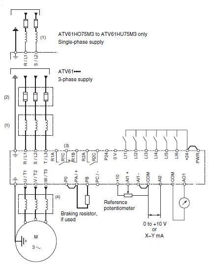
Viz. schémo "braking resistor" pokud je použit
Dle informací které mi při konzultaci sdělil člověk nejpovolanější (technik ze Schneideru který mi radil s nastavením brždění pač ATV61 je dost složitý na nastavení), typická aplikace kde je brzdný odpor nezbytný je pohon zdvihu jeřábové kočky. Při spouštění dolů se zátěží je nutné mařit obrovský výkon.
Dle úpravy hnojiště poznáme hospodáře, dle výsledu voleb jakýchkoliv duševní úroveň voličů.
Jasnacka, dekuju za vysvetleni. Moje znalosti problematiky menicu jsou mizive, tedy presne receno nulove, coz u elektronky je ostuda. Tak se snazim dozvedet co se da. Ted bych rad spachal menic na male MNko, kde zadne roztocene hmoty nastesti nehrozi. Nasel si me kousek od Siemense (Micromaster 440) coz je zachrana. U teto firmy se vsechno snadno najde a manualy jsou parada. Koukal jsem, ze defalt rozbeh a brzdeni je 10s coz mi prijde hodne. Prvnim krokem bude pokus o zkraceni casu na vyrazne mene, zatim to dle manualu vypadna snadno hi,hi. Nekdo tady tusim psal, ze male menice pri hodne razatnim brzdeni obcas padaji do erorru. Vyzkousim a pripadme budu loudit nejake rady
Parametru k nastavobani je vic nez bych si pral.
Slož ho z více kusů aby jsi dosáhl rozprostření mařeného výkonu a tedy teploty
Příklad 10kW potřebuješ 10 @ 1kW v sériové nebo paralelní či obojí kombinaci a klidně pak si spočítáš že dáš raději 16 kusů @ 1kW aby oteplení více kleslo...
Vyráběla jsem tak hodně nízké hodnoty v ohmech a pohoda a nemusíš ani chladit ono se to pak vyzáří složeným povrchem všech .
Nebo jsem potřebovala "topnou dlaždici" 30x30cm cca 14W a potřebné rezistory zapájela jako mříž dávalo to cca teplotu 25°C zalité kamnářským tmelem ...
Příklad 10kW potřebuješ 10 @ 1kW v sériové nebo paralelní či obojí kombinaci a klidně pak si spočítáš že dáš raději 16 kusů @ 1kW aby oteplení více kleslo...
Vyráběla jsem tak hodně nízké hodnoty v ohmech a pohoda a nemusíš ani chladit ono se to pak vyzáří složeným povrchem všech .
Nebo jsem potřebovala "topnou dlaždici" 30x30cm cca 14W a potřebné rezistory zapájela jako mříž dávalo to cca teplotu 25°C zalité kamnářským tmelem ...
- Ben Ash
- Site Admin
- Příspěvky: 1456
- Registrován: 25. 3. 2009, 8:02
- Bydliště: Vladislav
- Kontaktovat uživatele:
Ohřívátko pro hada?pavlaxy píše:Slož ho z více kusů aby jsi dosáhl rozprostření mařeného výkonu a tedy teploty
Příklad 10kW potřebuješ 10 @ 1kW v sériové nebo paralelní či obojí kombinaci a klidně pak si spočítáš že dáš raději 16 kusů @ 1kW aby oteplení více kleslo...
Vyráběla jsem tak hodně nízké hodnoty v ohmech a pohoda a nemusíš ani chladit ono se to pak vyzáří složeným povrchem všech .
Nebo jsem potřebovala "topnou dlaždici" 30x30cm cca 14W a potřebné rezistory zapájela jako mříž dávalo to cca teplotu 25°C zalité kamnářským tmelem ...
Per aspera ad astra
- magi
- Sponzor fora
- Příspěvky: 2741
- Registrován: 16. 10. 2006, 12:40
- Bydliště: Třebíč
- Kontaktovat uživatele:
Tohle o čem mluvíš je nastavení RampUp a RampDown, zejména u RampDown to prostě zkoušej po 1 sec snižovat a pokaždé otestuj zastavení z plných otáček a zařazeném nejvyšším kvaltu (pokud jde o soustruh), až to bude lítat do poruchy a pak to o 1 sec vrať. Klidně si i něco průměrně těžkého chyť do univerzálky aby jsi nasimuloval reálný provoz. Ale 3 sec by to mělo v pohodě ubrzdit - MNko žádné velké hmoty nemá.elbarto píše:Jasnacka, dekuju za vysvetleni. Moje znalosti problematiky menicu jsou mizive, tedy presne receno nulove, coz u elektronky je ostuda. Tak se snazim dozvedet co se da. Ted bych rad spachal menic na male MNko, kde zadne roztocene hmoty nastesti nehrozi. Nasel si me kousek od Siemense (Micromaster 440) coz je zachrana. U teto firmy se vsechno snadno najde a manualy jsou parada. Koukal jsem, ze defalt rozbeh a brzdeni je 10s coz mi prijde hodne. Prvnim krokem bude pokus o zkraceni casu na vyrazne mene, zatim to dle manualu vypadna snadno hi,hi. Nekdo tady tusim psal, ze male menice pri hodne razatnim brzdeni obcas padaji do erorru. Vyzkousim a pripadme budu loudit nejake radyParametru k nastavobani je vic nez bych si pral.
RampUp nastav klidně 2sec a nemůže být problém. 10 sekundové rampy má továrně nastavené hodně výrobců měničů.
Co se týče množství parametrů - na bězný provoz ti stačí následující:
- štítkový výkon motoru
- štítkový proud motoru
- štítkové napětí motoru
- štítková frekvence motoru
- případně jmenovité otáčky motoru, nebo počet pólů
- Lo frequency (dolní mez)
- Hi frequency (horní mez)
- RampUp (nájezdová rampa)
- RampDown (dojezdová rampa)
- způsob spouštění (ze svorek)
- nastavit který vstup je FWD a který je REW
- způsob zadávání frekvence (analogově ze svorek na kterých je připojený poťák)
- případně DC injection time a DC injektion current (čas a proud DC brždění)
- provést Auto Tuning (pokud jej měnič má)
Toto většinou stačí, ještě pokud měnič nebyl úplně nový ale tzv. z druhé ruky - je dobré jej úplně na začátku hodit do továrního nastavení (aby byl sichr že někde není nastavená nějaká hovadina).
Dle úpravy hnojiště poznáme hospodáře, dle výsledu voleb jakýchkoliv duševní úroveň voličů.
BenAsh
No pro hada ... ,ale také pro mne
To si dáš v garáži před soustruh a stoupneš si na ni ono ti pak je docela "teplo" - "jak se říká to chce klid a nohy v teple"
Nesmí se to přehnat jinak si upečeš nohy 14W je odzkoušené jako maximum .
A když jsme u extravagancí .Topení do vojenského spacáku jsou zase dvě žárovky @40W v sérii upatlané asfaltem a zabalené do hadru na podlahu ,přívody z PKčka a napojení kde najdeš...Ve skladu toho PKčka nebylo topení ,ale pospojováním cívek s kabely se daly ty kilometry drátů také nahřát "akumulačky" topily dobře
Jezdila jsem na vojně s AUSVN po celé republice "voják se stará-voják má" i když jsme bydleli většinou v dobrých hotelech,opravdu .Civilní pracovníci na útvary nebyli zvědaví...
Na hotelech byly jen zásuvky na holicí strojek a naše grily a vařiče je spolehlivě vyhazovaly tak nezbývalo než improvizovat a užilo se legrace a historek je bezpočet
No pro hada ... ,ale také pro mne
To si dáš v garáži před soustruh a stoupneš si na ni ono ti pak je docela "teplo" - "jak se říká to chce klid a nohy v teple"
Nesmí se to přehnat jinak si upečeš nohy 14W je odzkoušené jako maximum .
A když jsme u extravagancí .Topení do vojenského spacáku jsou zase dvě žárovky @40W v sérii upatlané asfaltem a zabalené do hadru na podlahu ,přívody z PKčka a napojení kde najdeš...Ve skladu toho PKčka nebylo topení ,ale pospojováním cívek s kabely se daly ty kilometry drátů také nahřát "akumulačky" topily dobře
Jezdila jsem na vojně s AUSVN po celé republice "voják se stará-voják má" i když jsme bydleli většinou v dobrých hotelech,opravdu .Civilní pracovníci na útvary nebyli zvědaví...
Na hotelech byly jen zásuvky na holicí strojek a naše grily a vařiče je spolehlivě vyhazovaly tak nezbývalo než improvizovat a užilo se legrace a historek je bezpočet
- magi
- Sponzor fora
- Příspěvky: 2741
- Registrován: 16. 10. 2006, 12:40
- Bydliště: Třebíč
- Kontaktovat uživatele:
Radši se do výroby brzdícího odporu samodomo pouštět nebudu, napětí na něm je okolo 800V a až odpor shoří, někde se něčeho dotkne a odpálí mi to frekvenčák v hodnotě 35tis. tak na to budeme všichni hlídat jak zjara.
To by mi pak ta ušetřená tisícovka (kterou stejně zaplatí zákazník) vyšla sakra hodně draho. Už je objednané originál topítko 64R a 2500W testované na 2kV po 60 sekund. 780 ,- bez DPH
http://www.backer-elektro.cz/produkty/typ-4369-typ-6553" onclick="window.open(this.href);return false;
To by mi pak ta ušetřená tisícovka (kterou stejně zaplatí zákazník) vyšla sakra hodně draho. Už je objednané originál topítko 64R a 2500W testované na 2kV po 60 sekund. 780 ,- bez DPH
http://www.backer-elektro.cz/produkty/typ-4369-typ-6553" onclick="window.open(this.href);return false;
Dle úpravy hnojiště poznáme hospodáře, dle výsledu voleb jakýchkoliv duševní úroveň voličů.
To Magi: je videt, ze vis o cem pises, parada. Ac o problematice vim kulovy, tak 1s bych nedaval, prijde mi to logicky na hranici parametru. 10s je moc, pokud to kousne 2s klidne preziju a budu happy. Co bych si neuvedomil je dulezitost navratu na tovarni nastaveni. To mi nedoslo a zbytecne bych trapil motor s nejakym silenenym puvodnim nastavenim. Snad ke me bude Siemens uzivatelsky milosrdny 
Magi
Tesla-Blatná by ti dodala brzdný odpor s těmito parametry také...jen zaslat poptávku..
Ostatně bereš od překupníka - udělal to za tebe
Mohou ti udělat rezistor s oteplením jak potřebuješ třeba jen na 60°C a zkušební napětí také dodrží ,ale mají sestavy na opakovaná použití skladem .
Tesla-Blatná by ti dodala brzdný odpor s těmito parametry také...jen zaslat poptávku..
Ostatně bereš od překupníka - udělal to za tebe
Mohou ti udělat rezistor s oteplením jak potřebuješ třeba jen na 60°C a zkušební napětí také dodrží ,ale mají sestavy na opakovaná použití skladem .
Naposledy upravil(a) pavlaxy dne 24. 11. 2015, 11:31, celkem upraveno 1 x.
Ta cena je dobrá.magi píše:Radši se do výroby brzdícího odporu samodomo pouštět nebudu, napětí na něm je okolo 800V a až odpor shoří, někde se něčeho dotkne a odpálí mi to frekvenčák v hodnotě 35tis. tak na to budeme všichni hlídat jak zjara.
To by mi pak ta ušetřená tisícovka (kterou stejně zaplatí zákazník) vyšla sakra hodně draho. Už je objednané originál topítko 64R a 2500W testované na 2kV po 60 sekund. 780 ,- bez DPH
http://www.backer-elektro.cz/produkty/typ-4369-typ-6553" onclick="window.open(this.href);return false;
Nicméně i poskládat to z výkonových odporů není problém. Jednak těch 1000V vydrží i samotný odpor, navíc není vůbec žádný problém si to poskládat serioparalelně, kdy brzdné napětí rozdělíš třeba mezi 4 nebo i víc odporů. A pak to bude určitě ještě bezpečnější, než ta nakoupaná zátěž, protože je to prostě několikanásobně jištěno použitím více nezávislých prvků v sérii.
Ale pro 2.5 kW by to z jednotlivých odporů možna vyšlo i dráž, než ten hotový výrobek.
A ještě drobná poznámka: že je něco testováno na 2000V/60sec neříká skoro nic. Tohle napětí ze ideálních podmínek v testovací laboratoři s velkou pravděpodobností vydrží i obyčejný výkonový odpor, a pravděpodobně i skoro každé topné těleso.
Podstatnější je spíš odolnost celé té konstrukce, jak ty parametry budou časem stabilní i ve vlhku, po postříkání chladicí emulzí atd.
- magi
- Sponzor fora
- Příspěvky: 2741
- Registrován: 16. 10. 2006, 12:40
- Bydliště: Třebíč
- Kontaktovat uživatele:
Kdepak, Baker elektro je bývalá Elektro Praga Hlinsko a je přímým výrobcem. Zátěže mají všechny skladem a zítra odpoledne se to může montovat.pavlaxy píše:Magi![]()
![]()
Tesla-Blatná by ti dodala brzdný odpor s těmito parametry také...jen zaslat poptávku..
Ostatně bereš od překupníka - udělal to za tebe
Ale z opračné strany, chtít originál brzdný odpor od Schneideru, to sem se málem vyvrátil
Naposledy upravil(a) magi dne 24. 11. 2015, 11:33, celkem upraveno 1 x.
Dle úpravy hnojiště poznáme hospodáře, dle výsledu voleb jakýchkoliv duševní úroveň voličů.
- magi
- Sponzor fora
- Příspěvky: 2741
- Registrován: 16. 10. 2006, 12:40
- Bydliště: Třebíč
- Kontaktovat uživatele:
To si přesně myslím takyMex píše:Ale pro 2.5 kW by to z jednotlivých odporů možna vyšlo i dráž, než ten hotový výrobek.
Dle úpravy hnojiště poznáme hospodáře, dle výsledu voleb jakýchkoliv duševní úroveň voličů.