Magiho výzkumný ústav

fotky našich strojů, aneb co máme doma
Odpovědět
Uživatelský avatar
magi
Sponzor fora
Příspěvky: 2741
Registrován: 16. 10. 2006, 12:40
Bydliště: Třebíč
Kontaktovat uživatele:

21. 6. 2020, 11:20

Nejdřív se ovšem musí vyřešit tady ten problém - buď nahradit jen tento pilotní křížový rozvaděč a nebo celý výkonový rozvaděč elektricky řízeným rozvaděčem s 2ma cívkami.
Přílohy
P1220993.JPG
P1220994.JPG
P1220995.JPG
P1220996.JPG
P1220997.JPG
P1220998.JPG
P1220999.JPG
Dle úpravy hnojiště poznáme hospodáře, dle výsledu voleb jakýchkoliv duševní úroveň voličů.
Uživatelský avatar
kenybz
Příspěvky: 3353
Registrován: 16. 2. 2015, 11:16

21. 6. 2020, 11:53

uděláš generálku toho ventilu né? nakulato přebrousit nachromovat, ten litý díl asi přehonovat pak první díl po chromování obrousit s přídavkem a hezky zalapovat
Gdyž sa chce, tak ide fšecko...
Uživatelský avatar
magi
Sponzor fora
Příspěvky: 2741
Registrován: 16. 10. 2006, 12:40
Bydliště: Třebíč
Kontaktovat uživatele:

21. 6. 2020, 11:57

kenybz píše: 21. 6. 2020, 11:53 uděláš generálku toho ventilu né? nakulato přebrousit nachromovat, ten litý díl asi přehonovat pak první díl po chromování obrousit s přídavkem a hezky zalapovat
Raději bych to řídil elektricky - aby to mělo celé pod kontrolou PLCčko. Co se týče osy Y a chybějících noniusů - možnosti tady jsou :wink:
Ten megatron je snímač úhlové polohy s výstupem 4-20mA - což by v tomto případě taky šlo použít.
Přílohy
P1230012.JPG
Dle úpravy hnojiště poznáme hospodáře, dle výsledu voleb jakýchkoliv duševní úroveň voličů.
Uživatelský avatar
kenybz
Příspěvky: 3353
Registrován: 16. 2. 2015, 11:16

21. 6. 2020, 12:11

to už je jednodušší tam dát krokáče a hydrauliku zrušit
Gdyž sa chce, tak ide fšecko...
milan584
Příspěvky: 2126
Registrován: 12. 5. 2009, 2:17
Bydliště: na jihu

21. 6. 2020, 1:02

magi píše: 21. 6. 2020, 11:18
milan584 píše: 18. 6. 2020, 2:31
magi píše: 18. 6. 2020, 1:56 Pokud jde o elektriku, ve složitých věcech si vyloženě libuju - ta hydraulika už je v mém případě slabší (uznávám) :D
Výhledově by mohla mít i odměřování v osách Y a Z - modernizované BRH ho skoro vždycky mají.
Pak by asi bylo dobré to řízení koncipovat na bázi MMS800 (Tesla Kolín - NS569, NS660....).
Aby to zbytečně nevybočovalo :lol: z koncepce stroje a jeho obvyklé spolehlivosti
Člověče řaději ne :lol:
Já to vidím zatím na toto - s tím se domluvím bez problémů
což o to - logiku tím logem uděláš celkem snadno - ale oscilace stolu - to nebude úplně jednoduchá věc - bys to musel řídil klasickým servoventilem (třeba SV6 a EZ8 nebo cokoli jiného a dražšího) a to nebude úplně jednoduché - akcelerace a decelerace - tlumení při reverzaci.
milan584
Příspěvky: 2126
Registrován: 12. 5. 2009, 2:17
Bydliště: na jihu

21. 6. 2020, 1:03

kenybz píše: 21. 6. 2020, 12:11 to už je jednodušší tam dát krokáče a hydrauliku zrušit
tím to ovšem dobije naprosto totálně - ty rezonance pak samozřejmě budou vždy na tom výbrusu vidět
Uživatelský avatar
kenybz
Příspěvky: 3353
Registrován: 16. 2. 2015, 11:16

21. 6. 2020, 1:12

na podélný by mohl dát servo a příčně ten krokáč vím že to není jen tak dát tam pohon tak aby se stůl nezvedal tam je těch problémů víc ale když vidím tu hydraulickou katastrofu...mám kameníčka ještě s odlitým nápisem Kameníček Praha to je neskutečné jak ta hydraulika perfektně chodí
Gdyž sa chce, tak ide fšecko...
Uživatelský avatar
magi
Sponzor fora
Příspěvky: 2741
Registrován: 16. 10. 2006, 12:40
Bydliště: Třebíč
Kontaktovat uživatele:

21. 6. 2020, 3:14

proto by na oscilaci strolu bylo ideální tady toto https://www.yuken.cz/produkty/rozvadece ... azy-rady-g
Jenže je to drahé jak čert a strašně dlouhá dodací lhůta (14 týdnů).
Přílohy
Výstřižek.JPG
Dle úpravy hnojiště poznáme hospodáře, dle výsledu voleb jakýchkoliv duševní úroveň voličů.
Uživatelský avatar
magi
Sponzor fora
Příspěvky: 2741
Registrován: 16. 10. 2006, 12:40
Bydliště: Třebíč
Kontaktovat uživatele:

21. 6. 2020, 3:39

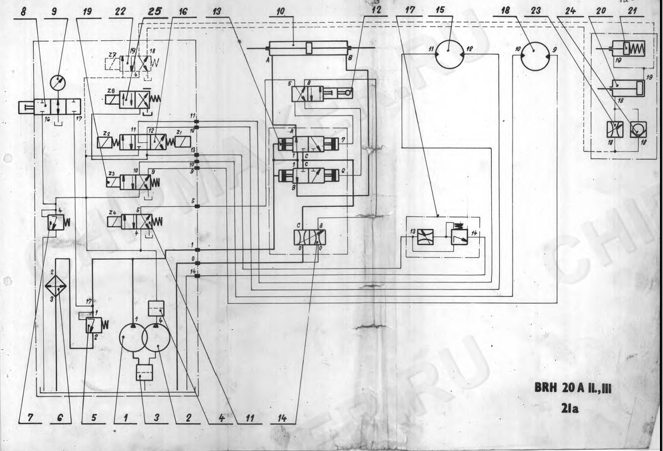
Nicméně když se podíváte na hydro-schéma, konkrétně na řízení pístnice stolu č.10, tak tam není nic jiného, než s tím chci udělat já.
Pilotní rozvaděč č.12 (to je ten co teče) řídí výkonový rozvaděč č.13 a regulace škrcením zpátečky č.14.
BRH20 hydroschéma - ruské.JPG
No já chci buď:
A) nahradit jen ten pilotní 12 elektrickým
P1230013.JPG
nebo B) nahradit pilotní i výkonový 12 a 13 velkým výkonovým (jehož součástí je elektrický pilotní).
P1220918.JPG
starší verze shématu ale v podstatě totéž
sch2.JPG
sch02.JPG
Dle úpravy hnojiště poznáme hospodáře, dle výsledu voleb jakýchkoliv duševní úroveň voličů.
r4cv
Příspěvky: 2927
Registrován: 8. 12. 2009, 8:32
Bydliště: Topoľčany

21. 6. 2020, 4:13

neviem, ako rýchlo to chceš spraviť. ja mám ten agrohytos, ak chceš, môžem spraviť pokus s rýchosťou regulácie presuvu šupátka.
tie ventily sú skladom a stoja štandardne.
Uživatelský avatar
magi
Sponzor fora
Příspěvky: 2741
Registrován: 16. 10. 2006, 12:40
Bydliště: Třebíč
Kontaktovat uživatele:

21. 6. 2020, 4:20

r4cv píše: 21. 6. 2020, 4:13 neviem, ako rýchlo to chceš spraviť. ja mám ten agrohytos, ak chceš, môžem spraviť pokus s rýchosťou regulácie presuvu šupátka.
tie ventily sú skladom a stoja štandardne.
Jestli by se ti chtělo a měl jsi chuť - budu rád. Já bych samozřejmě nejraději použil to co tady mám, nicméně je mi jasné že něco do toho investovat budu muset, byla by to moc velká náhoda, že by všechno co tady mám bylo použitelné. Nijak zvlášť to nespěchá - vidíš sám, že vždycky na tom dva dny něco povrtám a pak to zase týden nechci vidět :D
Dle úpravy hnojiště poznáme hospodáře, dle výsledu voleb jakýchkoliv duševní úroveň voličů.
Uživatelský avatar
magi
Sponzor fora
Příspěvky: 2741
Registrován: 16. 10. 2006, 12:40
Bydliště: Třebíč
Kontaktovat uživatele:

21. 6. 2020, 4:26

kenybz píše: 21. 6. 2020, 12:11 to už je jednodušší tam dát krokáče a hydrauliku zrušit
Kdyš se podíváš do tohoto prospektu - někteří řeší oscilaci stolu v ose X i asynchronním pohonem pomocí FM.
Na dalších osách mají AC serva.
Nicméně já se té hydraulice až tak nebráním - když se podaří obejít ty problémové články
Kdybych tu hydrauliku úplně vyhodil, pak bych zase musel řešit centrální mazání a jeho zdroj.
Přílohy
BRH20CNC.pdf
(354.46 KiB) Staženo 468 x
Dle úpravy hnojiště poznáme hospodáře, dle výsledu voleb jakýchkoliv duševní úroveň voličů.
Uživatelský avatar
magi
Sponzor fora
Příspěvky: 2741
Registrován: 16. 10. 2006, 12:40
Bydliště: Třebíč
Kontaktovat uživatele:

21. 6. 2020, 4:35

Ještě by mě zajímala jedna věc.
Trošku začínám študovat elektriku. Pokud to někdo ví, jestli by mi byl schopen popsat funkci odmagnetovače. Respektive, proč je na všech bruskách vždy odmagnetovač mimo hlavní rozvaděč jako zláštní příslušenství.
Pokud to správně chápu - magnet je na 110V DC a odmagnetování se provede krátkodobým přepólováním.
Jakou funkci tedy přesně dělá odmagnetovač, buď ten starodávný selenový co mám já, nebo už ten modernější s označením TOM.
Přílohy
Výstřižek.JPG
Dle úpravy hnojiště poznáme hospodáře, dle výsledu voleb jakýchkoliv duševní úroveň voličů.
Milan199
Příspěvky: 3575
Registrován: 18. 8. 2010, 9:04

21. 6. 2020, 5:15

magi píše: 21. 6. 2020, 4:35 Ještě by mě zajímala jedna věc.
Trošku začínám študovat elektriku. Pokud to někdo ví, jestli by mi byl schopen popsat funkci odmagnetovače. Respektive, proč je na všech bruskách vždy odmagnetovač mimo hlavní rozvaděč jako zláštní příslušenství.
Pokud to správně chápu - magnet je na 110V DC a odmagnetování se provede krátkodobým přepólováním.
Jakou funkci tedy přesně dělá odmagnetovač, buď ten starodávný selenový co mám já, nebo už ten modernější s označením TOM.
Je třeba si ujasnit pojmy :
Odepnutí z upínacího magnetu na stroji se skutečně provádí krátkodobým přepolováním těch DC 110. Někde to bylo ručně - dvoupolohovým přepínačem. Někde tam bylo časové relé které to krátce přepolovalo při vypnutí.

Demagnetizace - tedy ostranění zbytkového magnetismu z obrobku. Dříve to býval stoleček s jedním pólem :
Výstřižek.PNG
Výstřižek.PNG (150.24 KiB) Zobrazeno 4303 x
do něho se pouštělo 220AC a obrobek jsi několikrát přetáhl přes ten střední pól.

Moderní řídící jednotky pro upínací magnety tohle slučují v jednom.
Buďto do magnetu pustí DC napětí // které mnohdy dokáží i regulovat pro pomalé upnutí nabo snížení upínací síly // a upnou jím obrobek.

Nebo do magnetu pustí střídavé napětí // jako frekvenční měnič // a postupně zvyšují frekvenci a snižují amplitudu až dojde k saturaci jádra a odmagnetování obrobku.
Uživatelský avatar
fmodel
Příspěvky: 10254
Registrován: 26. 10. 2011, 10:37
Kontaktovat uživatele:

21. 6. 2020, 5:16

Bez odmagnetování obrobek někdy ani neurveš ,je to jenom ťuknutí obrácené polarity .
http://www.rm-reznicek.cz" onclick="window.open(this.href);return false;
Odpovědět

Zpět na „naše mašinky“