Magiho výzkumný ústav

fotky našich strojů, aneb co máme doma
Odpovědět
Uživatelský avatar
Charon
Sponzor fora
Příspěvky: 6442
Registrován: 27. 7. 2019, 4:31
Bydliště: Praha

28. 7. 2020, 5:36

Zadny hotovo, nemas tam ani jeden popisek😀
SM16A, FN20, 3E710B, CDC7-2, HO02, CO2laser, Fiber.. propagator www.atreon.cz
Uživatelský avatar
kenybz
Příspěvky: 3353
Registrován: 16. 2. 2015, 11:16

28. 7. 2020, 5:37

Máš to pěkné fakt...čoveče klidně by tam ty žlábky být nemusely jen to zaštupovat nití a bylo by to jak po staru. Nicméně starý způsob kabelových cest je sice pěkný, ale jak máš dělat nějakou změnu, a nebo takové zařízení opravovat bez schématu kdy musíš jít doslova po drátě tak to už je pak napikaču.
Pěkná práce
Gdyž sa chce, tak ide fšecko...
Uživatelský avatar
magi
Sponzor fora
Příspěvky: 2741
Registrován: 16. 10. 2006, 12:40
Bydliště: Třebíč
Kontaktovat uživatele:

28. 7. 2020, 5:46

Charon píše: 28. 7. 2020, 5:36 Zadny hotovo, nemas tam ani jeden popisek😀
Tak to bych byl hotovej nejdřív v pátek :lol:
V práci to dělám (pač musím), ale doma na to s.......... :wink:
Dle úpravy hnojiště poznáme hospodáře, dle výsledu voleb jakýchkoliv duševní úroveň voličů.
Uživatelský avatar
magi
Sponzor fora
Příspěvky: 2741
Registrován: 16. 10. 2006, 12:40
Bydliště: Třebíč
Kontaktovat uživatele:

28. 7. 2020, 5:48

kenybz píše: 28. 7. 2020, 5:37 Máš to pěkné fakt...čoveče klidně by tam ty žlábky být nemusely jen to zaštupovat nití a bylo by to jak po staru. Nicméně starý způsob kabelových cest je sice pěkný, ale jak máš dělat nějakou změnu, a nebo takové zařízení opravovat bez schématu kdy musíš jít doslova po drátě tak to už je pak napikaču.
Pěkná práce
Díky. Po staru jsem to taky dřív dělával, ovšem tvrdým drátem. Jak povídáš, hrozne zdlouhavé, pracné a jak se měla udělat změna tak to byl očistec.
Dle úpravy hnojiště poznáme hospodáře, dle výsledu voleb jakýchkoliv duševní úroveň voličů.
Uživatelský avatar
magi
Sponzor fora
Příspěvky: 2741
Registrován: 16. 10. 2006, 12:40
Bydliště: Třebíč
Kontaktovat uživatele:

29. 7. 2020, 9:20

budka už visí na svém místě - na stojanu hydrauliky, je na pantech aby šla odklopit pro případ potřeby servisu hydrauliky
Přílohy
P1230253.JPG
P1230254.JPG
P1230255.JPG
Dle úpravy hnojiště poznáme hospodáře, dle výsledu voleb jakýchkoliv duševní úroveň voličů.
Uživatelský avatar
stanik84
Příspěvky: 2654
Registrován: 3. 8. 2016, 9:29

31. 7. 2020, 7:15

Já si říkal, že jsem to někde viděl. :D . A ono u Magiho.
15962192427057991379837584211310.jpg
Uživatelský avatar
magi
Sponzor fora
Příspěvky: 2741
Registrován: 16. 10. 2006, 12:40
Bydliště: Třebíč
Kontaktovat uživatele:

31. 7. 2020, 8:13

stanik84 píše: 31. 7. 2020, 7:15 Já si říkal, že jsem to někde viděl. :D . A ono u Magiho.

15962192427057991379837584211310.jpg
Tak to hlavně nevyhazuj :D
Dle úpravy hnojiště poznáme hospodáře, dle výsledu voleb jakýchkoliv duševní úroveň voličů.
Uživatelský avatar
robokop
Site Admin
Příspěvky: 23295
Registrován: 10. 7. 2006, 12:12
Bydliště: Praha
Kontaktovat uživatele:

1. 8. 2020, 6:31

Ted jsem jich par taky potkal ve ctvrtek.
Mimo jine i nedostatkova alnica a nejake elmag. Spojky do obrabecich stroju
Vsechna prava na chyby vyhrazena (E)
Uživatelský avatar
magi
Sponzor fora
Příspěvky: 2741
Registrován: 16. 10. 2006, 12:40
Bydliště: Třebíč
Kontaktovat uživatele:

4. 8. 2020, 11:17

Zbývá připojit rozvaděč k mašině - to zapojení mikrospínačů je tak trošku na čínský způsob :D ale bylo to jednoduché a rychlé.
Ta spojovací krabička to bylo taky peklo - naštěstí už je to za mnou :wink:
Přílohy
P1230262.JPG
P1230263.JPG
P1230265.JPG
P1230268.JPG
P1230273.JPG
P1230274.JPG
P1230277.JPG
P1230278.JPG
Dle úpravy hnojiště poznáme hospodáře, dle výsledu voleb jakýchkoliv duševní úroveň voličů.
Uživatelský avatar
Charon
Sponzor fora
Příspěvky: 6442
Registrován: 27. 7. 2019, 4:31
Bydliště: Praha

5. 8. 2020, 5:36

Krasa strida nadheru! Takhle to ma vypadat.
SM16A, FN20, 3E710B, CDC7-2, HO02, CO2laser, Fiber.. propagator www.atreon.cz
Uživatelský avatar
magi
Sponzor fora
Příspěvky: 2741
Registrován: 16. 10. 2006, 12:40
Bydliště: Třebíč
Kontaktovat uživatele:

5. 8. 2020, 10:18

na ty řídící signály co jdou z mašiny by skoro slušel konektor
ale asi na to kašlu, stejně se to ve finále postaví do dílny a tam to pustí kořeny :lol:

https://eshop.technoline.cz/816-kovove- ... ry-16-pinu
Dle úpravy hnojiště poznáme hospodáře, dle výsledu voleb jakýchkoliv duševní úroveň voličů.
Uživatelský avatar
Charon
Sponzor fora
Příspěvky: 6442
Registrován: 27. 7. 2019, 4:31
Bydliště: Praha

5. 8. 2020, 11:20

Taky jsem u sve na to myslel a pak se na to vy... nikdy to neodpojis!
SM16A, FN20, 3E710B, CDC7-2, HO02, CO2laser, Fiber.. propagator www.atreon.cz
Uživatelský avatar
magi
Sponzor fora
Příspěvky: 2741
Registrován: 16. 10. 2006, 12:40
Bydliště: Třebíč
Kontaktovat uživatele:

5. 8. 2020, 12:42

Ono se to hodně zjednodušuje tím, že teď tvoří rozvaděč elektro a stojan hydrauliky jeden celek.
Dle úpravy hnojiště poznáme hospodáře, dle výsledu voleb jakýchkoliv duševní úroveň voličů.
Uživatelský avatar
magi
Sponzor fora
Příspěvky: 2741
Registrován: 16. 10. 2006, 12:40
Bydliště: Třebíč
Kontaktovat uživatele:

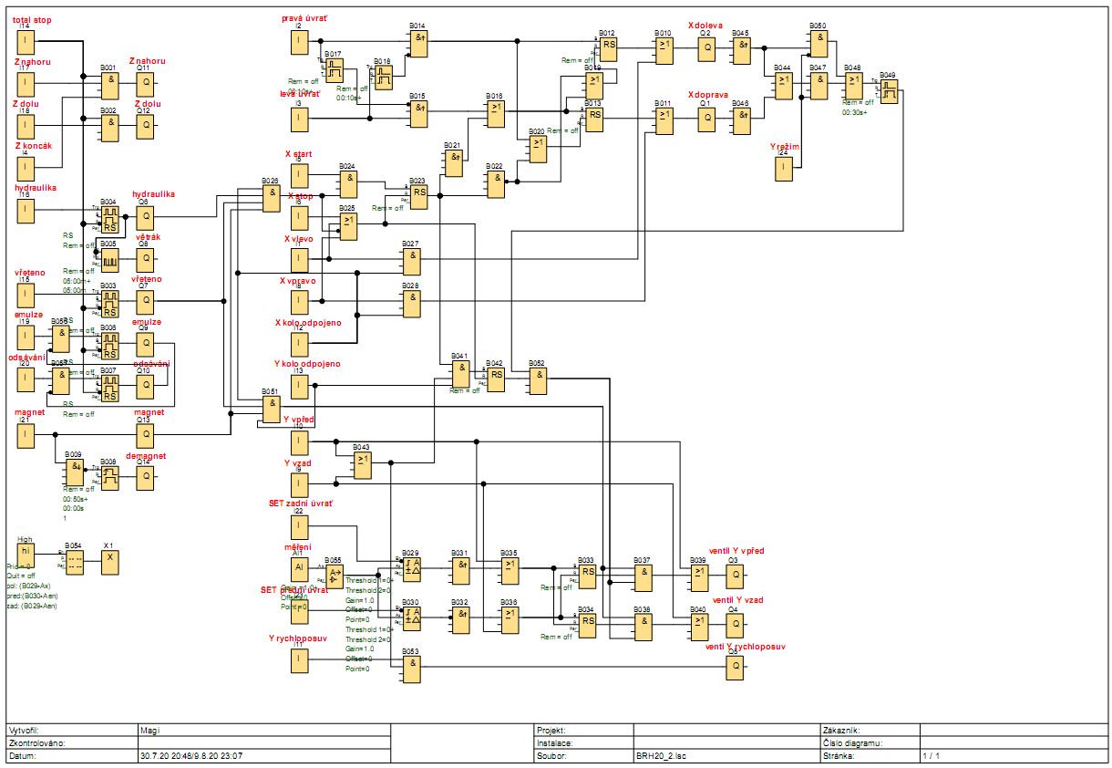
9. 8. 2020, 10:21

Hotovo, mašina komplet jezdí, cykly fungují, el. oměřování Y a nastavení úvratí taky.
Teď stojím na tom zdroji 110DC od čínského soudruha - objednal jsem pozdě :(
Fotky a video zítra.
Přílohy
Výstřižek.JPG
Dle úpravy hnojiště poznáme hospodáře, dle výsledu voleb jakýchkoliv duševní úroveň voličů.
Uživatelský avatar
Ben Ash
Site Admin
Příspěvky: 1456
Registrován: 25. 3. 2009, 8:02
Bydliště: Vladislav
Kontaktovat uživatele:

10. 8. 2020, 8:21

Dal bych ti několik sovětských kosmických psů, ale není tu na to žádné tlačítko ;)
Per aspera ad astra
Odpovědět

Zpět na „naše mašinky“