Riadene modelarskych serv pomocou Arduino
Len otazka, musi to byt riadene ako servo?
Osobne by som si vytiahol signal z potaku-tym ziskam absolutnu polohu a viem kde sa to nachadza. (po kalibracii)
Plny most na riadenie matorceka uz maju vsade alebo pouzujes 4 tranzistory.
Usetril by si si starosti, a fungovalo by to podla predstav.
Osobne by som si vytiahol signal z potaku-tym ziskam absolutnu polohu a viem kde sa to nachadza. (po kalibracii)
Plny most na riadenie matorceka uz maju vsade alebo pouzujes 4 tranzistory.
Usetril by si si starosti, a fungovalo by to podla predstav.
- OompaLoompa
- Příspěvky: 459
- Registrován: 28. 6. 2017, 1:45
- Bydliště: Západný Slovakistan
center nemá prečo nefungovať, len asi nebudú správne trafené tie min/max hodnoty (nutná kalibrácia → POS_MIN, POS_MAX)Zdenek Valter píše: ↑18. 1. 2021, 8:36 Díky, ale jsem Arduiňácká lama takže na mne musíš pomalu
Tím žes mi tam něco dopsal jsi mne rozstřelil jako sandál
Tak to zkouším Bohužel pos center moc nefunguje tak jsem jí definoval na tvrdo.
Tlačítka mají rozsvítit příslušnou led LED a přestavit servo na svou stranu,
ale po druhém následném stlačení téhož tlačítka by se už nemělo nic změnit.
v prilohe nová verzia (v3.0):
- ľahký refaktor loop-u

- pridaný JOG režim (prepínanie stlačením oboch tlačítok naraz)
- smer pohybu je možné meniť aj za behu (pred dosiahnutím finálnej pozície)
- pridané komenty "pro pomoc s úklidem tych sandál"

lebo kinder-servo tu nemám, AVR-ko tu nemám, a momentálne ani čas/odhodlanie to na niečom testovať
tak daj vedieť, či/ako to funguje, a v prípade potreby to ešte môžem upraviť (resp. opraviť)
PS: rýchlosť polohovania meníš parametrom SPOMALENIE, a na ideálne fungovanie by bolo treba zistiť a nastaviť správne limitné hodnoty POS_MIN a POS_MAX pre tvoje konkrétne servo.
PS^2: a ten rýchly pohyb na začiatku je z dôvodu, že aktuálna pozícia bežca je pre systém neznáma, a musí sa to takto "zahoumovať". odstrániť by sa to dalo napr. tak, že si určíš dáku východziu parkovaciu pozíciu, a pred vypnutím zariadenia to vždy najprv necháš zaparkovať
- Přílohy
-
- test_navesti_temer_O.K_v3.0.zip
- (1.7 KiB) Staženo 298 x
- Zdenek Valter
- Příspěvky: 5440
- Registrován: 9. 1. 2009, 5:16
- Bydliště: Ústí n. L.
Díky za zajímavou myšlenku - vezmu si mikroskop a budu hledat na servu poťák - ten by šel přečíst analogovým vstupem - takhle jsi to myslel?atlan píše: ↑19. 1. 2021, 6:12 Len otazka, musi to byt riadene ako servo?
Osobne by som si vytiahol signal z potaku-tym ziskam absolutnu polohu a viem kde sa to nachadza. (po kalibracii)
Plny most na riadenie matorceka uz maju vsade alebo pouzujes 4 tranzistory.
Usetril by si si starosti, a fungovalo by to podla predstav.
Jestli ano, pak by asi stačilo přečíst si polohu a pomalu sjet do 0.
To by byl problém vyřešený.
Ten můstek je taky dobrý nápad, ale to už je podle mne zbytečné.
Hobbík - obráběč i 3D tiskař začátečník - strojní park je konečně instalován
- Zdenek Valter
- Příspěvky: 5440
- Registrován: 9. 1. 2009, 5:16
- Bydliště: Ústí n. L.
Nevím proč to tak bylo, asi máš pravdu (já se pustil do toho Arduina teprve v sobotu) takže jsem téměř nepolíbený...OompaLoompa píše: ↑19. 1. 2021, 7:38 ........
center nemá prečo nefungovať, len asi nebudú správne trafené tie min/max hodnoty (nutná kalibrácia → POS_MIN, POS_MAX)
Moc díky!!!OompaLoompa píše: ↑19. 1. 2021, 7:38 v prilohe nová verzia (v3.0):no a teraz len dúfať, že som tam dačo nesprasil
- ľahký refaktor loop-u
- pridaný JOG režim (prepínanie stlačením oboch tlačítok naraz)
- smer pohybu je možné meniť aj za behu (pred dosiahnutím finálnej pozície)
- pridané komenty "pro pomoc s úklidem tych sandál"
lebo kinder-servo tu nemám, AVR-ko tu nemám, a momentálne ani čas/odhodlanie to na niečom testovať
tak daj vedieť, či/ako to funguje, a v prípade potreby to ešte môžem upraviť (resp. opraviť)![]()
Jo ta parkovací pozice by měla být pozice v 0, proto na začátku rozsvěcuji červenou LED.OompaLoompa píše: ↑19. 1. 2021, 7:38 PS: rýchlosť polohovania meníš parametrom SPOMALENIE, a na ideálne fungovanie by bolo treba zistiť a nastaviť správne limitné hodnoty POS_MIN a POS_MAX pre tvoje konkrétne servo.
PS^2: a ten rýchly pohyb na začiatku je z dôvodu, že aktuálna pozícia bežca je pre systém neznáma, a musí sa to takto "zahoumovať". odstrániť by sa to dalo napr. tak, že si určíš dáku východziu parkovaciu pozíciu, a pred vypnutím zariadenia to vždy najprv necháš zaparkovať![]()
Hobbík - obráběč i 3D tiskař začátečník - strojní park je konečně instalován
Je to sice mimo, ale připomněl jsi mi serva Graupner, ze začátků mé modelařiny, pamatujete na ten debilní kulatý konektor, na který nešla sehnat samička? Ty serva neměly v sobě elektroniku a vše se dělo v přijímači. Stavěl jsem ho, takže si to pamatuju. Našel jsem fotku na netu 
SM16A, FN20, 3E710B, CDC7-2, HO02, CO2laser, Fiber.. propagator www.atreon.cz
Jojo, to byla tehdy velká klasika. Bylo to první servo, se kterým jsem se v životě (v dětství) potkal. Takže jsem z toho získal pocit, že všechna serva mají lineární aktuátor. Když jsem pak viděl běžná rotační, tak mi připadala taková divná.Charon píše: ↑19. 1. 2021, 1:57 Je to sice mimo, ale připomněl jsi mi serva Graupner, ze začátků mé modelařiny, pamatujete na ten debilní kulatý konektor, na který nešla sehnat samička? Ty serva neměly v sobě elektroniku a vše se dělo v přijímači. Stavěl jsem ho, takže si to pamatuju. Našel jsem fotku na netu
Tohle šedé stálo 240 Kčs. Ještě se vozilo žluté Mikro, to stálo 380 Kčs. To byla tehdy moje celá výplata za prázdninovou brigádu.
První konstrukce servozesilovačů používaly rozdělené napájení a tedy unipolární design. Takže motor běhal jenom na 2.4V.
Až později se začaly dělat nóbl bipolární konstrukce s můstkovým koncem, takže servo jelo na plné napětí baterky a daly se dělat rychlejší modely.
- Zdenek Valter
- Příspěvky: 5440
- Registrován: 9. 1. 2009, 5:16
- Bydliště: Ústí n. L.
No nefunguje to - rozsvítí se červená, servo se přestaví, ale na tlačítka to nereaguje vůbec.OompaLoompa píše: ↑19. 1. 2021, 7:38 .........
center nemá prečo nefungovať, len asi nebudú správne trafené tie min/max hodnoty (nutná kalibrácia → POS_MIN, POS_MAX)
v prilohe nová verzia (v3.0):no a teraz len dúfať, že som tam dačo nesprasil
- ľahký refaktor loop-u
- pridaný JOG režim (prepínanie stlačením oboch tlačítok naraz)
- smer pohybu je možné meniť aj za behu (pred dosiahnutím finálnej pozície)
- pridané komenty "pro pomoc s úklidem tych sandál"
lebo kinder-servo tu nemám, AVR-ko tu nemám, a momentálne ani čas/odhodlanie to na niečom testovať
tak daj vedieť, či/ako to funguje, a v prípade potreby to ešte môžem upraviť (resp. opraviť)
Hobbík - obráběč i 3D tiskař začátečník - strojní park je konečně instalován
- Zdenek Valter
- Příspěvky: 5440
- Registrován: 9. 1. 2009, 5:16
- Bydliště: Ústí n. L.
#define POS_MIN 544 // pozice VLEVO (min.544)OompaLoompa píše: ↑19. 1. 2021, 7:38
center nemá prečo nefungovať, len asi nebudú správne trafené tie min/max hodnoty (nutná kalibrácia → POS_MIN, POS_MAX)
#define POS_MAX 2400 // pozice VPRAVO (max.2400)
#define POS_CENTER ((POS_MAX - POS_MIN)
No takhle jak to máš ale napsané to fungovat nemůže
Podle mne by to mělo být takhle ne?
#define POS_CENTER ((POS_MAX - POS_MIN)/2 + POS_MIN)
Edit: Testováno na verzi 2 a teď už to ve středu je
Hobbík - obráběč i 3D tiskař začátečník - strojní park je konečně instalován
- Zdenek Valter
- Příspěvky: 5440
- Registrován: 9. 1. 2009, 5:16
- Bydliště: Ústí n. L.
Tak jsem modifikoval verzi 2 na 2y a ta dělá to co chci.
při prvním zmáčknutí tlačítka se rozsvítí příslušná a servo se přestaví, při opětovném zmáčknutí téhož tlačítka se nic nestane.
(Ve verzi 2 se servo při opětovném zmačknutí rychle přestavilo do protilehlé polohy a pak se přesunulo do polohy cílové)
Tlačítka tu fungují jako přepínač.
OompaLoompa moc díky za trpělivost i chuť si s tím hrát.
Doufám, že se nezlobíš
Debounce to jsem si našel to je proti zakmitávání tlačítek
Směr pohybu za chodu měnit netřeba ale díky za nápad.
Za komenty ještě jednou strašně díky!!
Takhle mi to funguje:
https://www.youtube.com/watch?v=GG0xZ3wkDd4
při prvním zmáčknutí tlačítka se rozsvítí příslušná a servo se přestaví, při opětovném zmáčknutí téhož tlačítka se nic nestane.
(Ve verzi 2 se servo při opětovném zmačknutí rychle přestavilo do protilehlé polohy a pak se přesunulo do polohy cílové)
Tlačítka tu fungují jako přepínač.
OompaLoompa moc díky za trpělivost i chuť si s tím hrát.
Doufám, že se nezlobíš
Mám ale další dotaz na tu funkci JOG - nevím jak to fungujeOompaLoompa píše: ↑19. 1. 2021, 7:38 .....
v prilohe nová verzia (v3.0):
- ľahký refaktor loop-u
- pridaný JOG režim (prepínanie stlačením oboch tlačítok naraz)
- smer pohybu je možné meniť aj za behu (pred dosiahnutím finálnej pozície)
- pridané komenty "pro pomoc s úklidem tych sandál"
Debounce to jsem si našel to je proti zakmitávání tlačítek
Směr pohybu za chodu měnit netřeba ale díky za nápad.
Za komenty ještě jednou strašně díky!!
Takhle mi to funguje:
https://www.youtube.com/watch?v=GG0xZ3wkDd4
- Přílohy
-
- test_navesti_temer_O.K_v2y.zip
- (1.34 KiB) Staženo 304 x
Hobbík - obráběč i 3D tiskař začátečník - strojní park je konečně instalován
- OompaLoompa
- Příspěvky: 459
- Registrován: 28. 6. 2017, 1:45
- Bydliště: Západný Slovakistan
v pohodě 
s tým centrom máš samozrejme recht - on ale fungoval, len nebol v strede
prebehol som to a našiel chybičku prečo to nešlo:
namiesto binárnej definície stavov som tam mal hexadecimálnu (0x10 != 0b10)
mea culpa
v prílohe v4.0
s tým centrom máš samozrejme recht - on ale fungoval, len nebol v strede
prebehol som to a našiel chybičku prečo to nešlo:
namiesto binárnej definície stavov som tam mal hexadecimálnu (0x10 != 0b10)
v prílohe v4.0
- pridaný serial výpis pozície v JOG režime → ako pomôcka na kalibráciu/nastavenie POS_MIN a POS_MAX
- pokiaľ držíš stlačené tlačítko "←", servo cestuje smerom: ←
- pokiaľ držíš stlačené tlačítko "→", servo cestuje smerom: →
- keď tlačítko pustíš: servo zastaví (a v seriale vypíše momentálnu pozíciu)
- stlačenie oboch tlačítok naraz JOG režim aktivuje/deaktivuje
- Přílohy
-
- test_navesti_temer_O.K_v4.0.zip
- (1.55 KiB) Staženo 298 x
- Zdenek Valter
- Příspěvky: 5440
- Registrován: 9. 1. 2009, 5:16
- Bydliště: Ústí n. L.
- Zdenek Valter
- Příspěvky: 5440
- Registrován: 9. 1. 2009, 5:16
- Bydliště: Ústí n. L.
Ještě zbytek dokumentace kdyby to někoho zajímalo
Naposledy upravil(a) Zdenek Valter dne 23. 1. 2021, 9:08, celkem upraveno 1 x.
Hobbík - obráběč i 3D tiskař začátečník - strojní park je konečně instalován
- OompaLoompa
- Příspěvky: 459
- Registrován: 28. 6. 2017, 1:45
- Bydliště: Západný Slovakistan
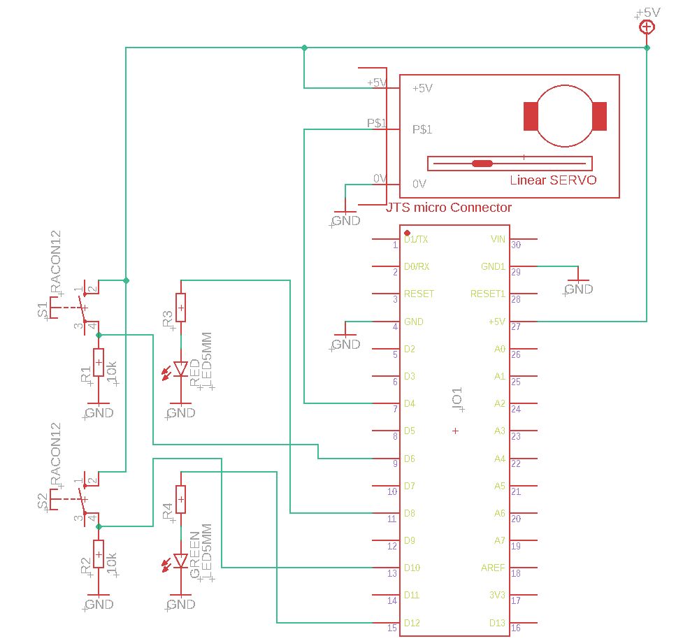
Na schéme ti chýba 5V linka k spínačom 
- Zdenek Valter
- Příspěvky: 5440
- Registrován: 9. 1. 2009, 5:16
- Bydliště: Ústí n. L.
Mea culpa!!
Opravil jsem
Hobbík - obráběč i 3D tiskař začátečník - strojní park je konečně instalován