Dvourychlostný Dahlander
ještě jednou proměř jestlyjsou to opravdu jen páry a pokud ano takjednu barvu spoj na druhé přiveď fáze aprubni to , není co skazit , kdyby se motor nerozeběhnul tak to hned vypneš a nemůže se nic stát
a jaký odpor jsi vůbec naměřil ?
a jaký odpor jsi vůbec naměřil ?
Nameral som na nich 5 ohmov.ale jak to tak pocuvam tak som rozhodnuty nechat to tak, alebo to niekomu nechat urobit.Hrozne zle sa to rozobera a bola by to skoda odpalit.
SUIL 40,ATLAS W4,Thiel Duplex 155,BNNK 32...
Neexistuje blbá otázka,iba odpoveď.
Neexistuje blbá otázka,iba odpoveď.
Tak som to skusil
3 Vodiče hnedé spojené do kopy a 3 čierne na fázy motor sa roztočil a bežal .Nič nesmrdelo a vyzerá že to bolo v pohode.
Čo teraz skusim to zapojiť do trojuholníka?
3 Vodiče hnedé spojené do kopy a 3 čierne na fázy motor sa roztočil a bežal .Nič nesmrdelo a vyzerá že to bolo v pohode.
Čo teraz skusim to zapojiť do trojuholníka?
SUIL 40,ATLAS W4,Thiel Duplex 155,BNNK 32...
Neexistuje blbá otázka,iba odpoveď.
Neexistuje blbá otázka,iba odpoveď.
Podla katalogov nemá viac ako 2,2kw problem je stále tych 6 kabelov a moja elektrikárska neschopnosť.
Našiel Som SEZ 9551 kde beriem do uvahy že
U1 je začiatok U2 Koniec cievky,v mojom ponímaní hnedý a čierny medzi ktorými som nameral odpor
V1 je začiatok V2 Koniec cievky,v mojom ponímaní hnedý a čierny medzi ktorými som nameral odpor
W1 je začiatok W2 Koniec cievky,v mojom ponímaní hnedý a čierny medzi ktorými som nameral odpor
Spínač na tvrdo do trojuholníku so šiestimi kabelami som nenašiel tak preto...
Našiel Som SEZ 9551 kde beriem do uvahy že
U1 je začiatok U2 Koniec cievky,v mojom ponímaní hnedý a čierny medzi ktorými som nameral odpor
V1 je začiatok V2 Koniec cievky,v mojom ponímaní hnedý a čierny medzi ktorými som nameral odpor
W1 je začiatok W2 Koniec cievky,v mojom ponímaní hnedý a čierny medzi ktorými som nameral odpor
Spínač na tvrdo do trojuholníku so šiestimi kabelami som nenašiel tak preto...
SUIL 40,ATLAS W4,Thiel Duplex 155,BNNK 32...
Neexistuje blbá otázka,iba odpoveď.
Neexistuje blbá otázka,iba odpoveď.
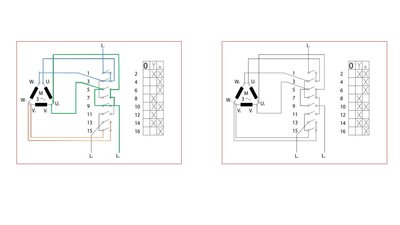
Jáaaaaaj myslím že som to práve konečne pochopil.
Na snímku je zapojenie spínač v polohe do trojuholníka.
To znamená že potrebujem 3 kontakty a budem spínať
(U1+W2) + L1 na prvom kontakte
(W1+V2) + L2 na druhom kontakte
(V1+U2) + L3 na tretom kontakte
Na snímku je zapojenie spínač v polohe do trojuholníka.
To znamená že potrebujem 3 kontakty a budem spínať
(U1+W2) + L1 na prvom kontakte
(W1+V2) + L2 na druhom kontakte
(V1+U2) + L3 na tretom kontakte
SUIL 40,ATLAS W4,Thiel Duplex 155,BNNK 32...
Neexistuje blbá otázka,iba odpoveď.
Neexistuje blbá otázka,iba odpoveď.