odpružený upichovák
Nákres pod videjkem jsem sice nenašel, ale "jenom"odkaz na obsáhlou a výživnou dikusi k tématu https://www.chipmaker.ru/topic/185484/" onclick="window.open(this.href);return false; a doporučuji použít translator, pokud nevládnete ruštinovu: https://translate.google.cz/translate?s ... t=&act=url" onclick="window.open(this.href);return false;
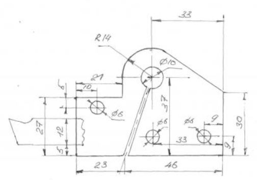
Namátkou tam najdete detaily třeba k tomuto:


ale různých řešení jak upichovat je tam povícero:


Namátkou tam najdete detaily třeba k tomuto:
Děkuji, to jsou zajímavé informace a jsou k věci. Ten obrázek na YOUTUBE tam je, má sice příponu .cdr, ale otevřít to bez dalšího nejde. Podařilo se to až po úpravách do jpg, tak jsem to prostě v Corelu obtáhl. Takže to už je pořešeno.
Podle všeho, že nikdo nereaguje to vypadá, že odpružený upichovák v našich krajích příliš rozšířen není, zkušenosti z praxe asi nebudou, takže to budu muset asi zkusit.
K diskuzi bych asi nechal to, jaký nůž na to nasadit. Zahlédl jsem zatím:
origo držáky na inserty - ty mají ale krátký zápich
planžety na inzerty - do těch by se daly pohodlně vyřezat laserem díry na upevnění - jaká asi tloušťka je doporučená pro upíchnutí průměru 60mm dural ...
HSS nože - tam jdou taky udělat díry laserem, ale zase ten kónus trošku komplikuje upevnění na bok držáku
určitě je i něco dalšího. Jen připomínám, soustruh je malý, Proma 500, hlava 100, dural průměr cca 50-60 mm. Děkuji, mpcz, 1.may.2018
Podle všeho, že nikdo nereaguje to vypadá, že odpružený upichovák v našich krajích příliš rozšířen není, zkušenosti z praxe asi nebudou, takže to budu muset asi zkusit.
K diskuzi bych asi nechal to, jaký nůž na to nasadit. Zahlédl jsem zatím:
origo držáky na inserty - ty mají ale krátký zápich
planžety na inzerty - do těch by se daly pohodlně vyřezat laserem díry na upevnění - jaká asi tloušťka je doporučená pro upíchnutí průměru 60mm dural ...
HSS nože - tam jdou taky udělat díry laserem, ale zase ten kónus trošku komplikuje upevnění na bok držáku
určitě je i něco dalšího. Jen připomínám, soustruh je malý, Proma 500, hlava 100, dural průměr cca 50-60 mm. Děkuji, mpcz, 1.may.2018
Pro upichování průměru 50, 60 mm potřebuješ vysunout nůž (planžetu) aspoň 30 až 35 mm z držáku. V případě odpruženého nože to bude vzhledem ke konstrukci minimálně dvojnásobek. To bude vzhledem k tuhosti zmiňovaného soustruhu problém. Pokud nutně potřebuješ upichovat, tak bych raději vyrobil celý nový držák a umístil jej naproti nožové hlavy a použil bych ještě obrácený nůž. Odpadne Ti obracení otáček a "tuhost" takového držáku bude podstatně větší než v nožové hlavě. Já mám i odpružený držák, ale pro upichování používám výhradně obrácené nože ve spec držáku, pokud tedy nemůžu použít pásovku, což je nejrychlejší a nejspolehlivější.
- robokop
- Site Admin
- Příspěvky: 23133
- Registrován: 10. 7. 2006, 12:12
- Bydliště: Praha
- Kontaktovat uživatele:
Z principu je jasne ze obraceny nuz funguje stejne jako to dodatecne odpruzeni
Autor toho odpruzeni to mozna neznal
Ale je to jednodussi a tuzsi tudiz podle meho i lepsi reseni
To ze to tu nikdo moc nepouziva bude treba tim ze pouzivame nuz obracene kdyz je problem
Autor toho odpruzeni to mozna neznal
Ale je to jednodussi a tuzsi tudiz podle meho i lepsi reseni
To ze to tu nikdo moc nepouziva bude treba tim ze pouzivame nuz obracene kdyz je problem
Vsechna prava na chyby vyhrazena (E)
Dík, to je dobrý nápad, protože tu hlavní část - hyperboloid dělá jeden nůž, to je už pořešené a ten druhý by se dal naprogramovat na upíchnutí + další potřebný tvar, který ten první nůž neudělá. Takže můžu už jen stát a sbírat hotové kusy. (Asi teda). mpcz, 1.may.2018Miltech píše:Pro upichování průměru 50, 60 mm potřebuješ vysunout nůž (planžetu) aspoň 30 až 35 mm z držáku. V případě odpruženého nože to bude vzhledem ke konstrukci minimálně dvojnásobek. To bude vzhledem k tuhosti zmiňovaného soustruhu problém. Pokud nutně potřebuješ upichovat, tak bych raději vyrobil celý nový držák a umístil jej naproti nožové hlavy a použil bych ještě obrácený nůž. Odpadne Ti obracení otáček a "tuhost" takového držáku bude podstatně větší než v nožové hlavě. Já mám i odpružený držák, ale pro upichování používám výhradně obrácené nože ve spec držáku, pokud tedy nemůžu použít pásovku, což je nejrychlejší a nejspolehlivější.