Tu je niečo málo s iným pohľadom ako na grayscale laser engraving :
https://www.picengrave.com/Pic%20Progra ... Setups.pdf
			
									
									nastaveni MACHU pro laser
- 
				zverodoktor
 - Příspěvky: 3507
 - Registrován: 3. 6. 2007, 9:49
 - Bydliště: Bratislava
 
SU32, MN80, FN25, ISEL4433, Jakobsen SJ25, N1, V20, Anycubic Kossel
						Na co optron?
Výstup desky připoj přímo na PWM vstup laseru. Země toho PC (nebo čím to řídíš) a napájení laseru samozřejmě propojit.
Na tom schematu od zverodoktora schází omezovací odpor na vstupu optronu. Namaloval to asi jen ideově-zjednodušeně.
Je nutné mezi "Logic input" a anodu LEDky (pin 1) dát odpor 330-560R.
Bez něho to není ani trochu zdravé ani pro optron, ani pro to, čím se to budí.
			
									
									
						Výstup desky připoj přímo na PWM vstup laseru. Země toho PC (nebo čím to řídíš) a napájení laseru samozřejmě propojit.
Na tom schematu od zverodoktora schází omezovací odpor na vstupu optronu. Namaloval to asi jen ideově-zjednodušeně.
Je nutné mezi "Logic input" a anodu LEDky (pin 1) dát odpor 330-560R.
Bez něho to není ani trochu zdravé ani pro optron, ani pro to, čím se to budí.
- 
				zverodoktor
 - Příspěvky: 3507
 - Registrován: 3. 6. 2007, 9:49
 - Bydliště: Bratislava
 
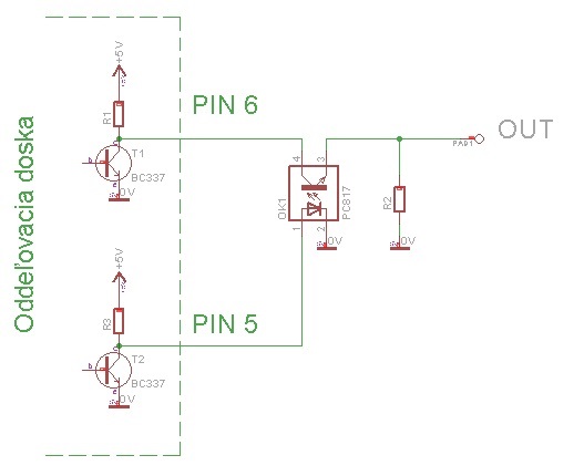
Sedí vec, normálne mal by tam byť omedzovací odpor. Tu je to ale asi ináč, výstup je active low, teda LED je budená cez pill-up rezistor, ktorý je okolo 4k7. Teda je budená smiešnym prúdom okolo 1 mA. Potom bodaj by ten optron prenášal dáta nejakou rýchlosťou. Tiež mi nieje celkom jasné, prečo MTEC použil 2 výstupy. Ten čo je pripojený na led, je jasný, to je riadiaci signál PWM. Čo robí ale výstup č.6? Dodáva napätie cez ďalší pull-up?
Uvidíme, MTEC keď sem zavíta nám to zrejme objasní ako to bolo myslené.
Ak som to správne pochopil, je to zapojené nejak takto: Iba pre názornosť ako je to s active low a active high:
			
									
									Uvidíme, MTEC keď sem zavíta nám to zrejme objasní ako to bolo myslené.
Ak som to správne pochopil, je to zapojené nejak takto: Iba pre názornosť ako je to s active low a active high:
SU32, MN80, FN25, ISEL4433, Jakobsen SJ25, N1, V20, Anycubic Kossel
						To zapojení od MTECa používá dvojitý prezervativ na svíčce.
Jedním výstupem povolí generování PWM, a druhým ho generuje.
Takže ve vypnutém stavu je to vypnuté 2x - jednak tím ON/OFF, druhak nulovým PWM.
Já bych tam nedával optron žádný. Za běžných podmínek to nepřinese nic dobrého, ale případně přidělá problémy. Měl by smysl jen kdyby zdroj pro laser byl galvanicky oddělený, ale pro to není vcelku žádný důvod. Naopak galvanicky oddělené a případně vzájemně posunuté napájecí domény bývají jen zdrojem problémů.
Samozřejmě bavím se o nízkých výkonech. Když by se řídil 100kW motor, tak je to něco jiného.
			
									
									
						Jedním výstupem povolí generování PWM, a druhým ho generuje.
Takže ve vypnutém stavu je to vypnuté 2x - jednak tím ON/OFF, druhak nulovým PWM.
Já bych tam nedával optron žádný. Za běžných podmínek to nepřinese nic dobrého, ale případně přidělá problémy. Měl by smysl jen kdyby zdroj pro laser byl galvanicky oddělený, ale pro to není vcelku žádný důvod. Naopak galvanicky oddělené a případně vzájemně posunuté napájecí domény bývají jen zdrojem problémů.
Samozřejmě bavím se o nízkých výkonech. Když by se řídil 100kW motor, tak je to něco jiného.
zverodoktor píše: ↑19. 1. 2020, 8:59Ahoj,
mohol by si bližšie objasniť, z akého dôvodu si použil optočlen aprečo si ho zapojil tak ako ho máš na schéme?
Trocha to objasním keď ste sa tak domňa pustili![]()
Riešil som to už pred pár rokmi. Najprv som mal laser zapojený priamo na výstupný pin LPT. Ovládal som len zapínanie a vypínanie príkazmi M3 a M5. Z dôvodu toho že toto ovládanie bolo pomalé a laser mi nestíhalo zapínať som použil príkazy M11P1 a M10P1. Použil som postprocesor pre cut2d ktorý som niekde našiel na nete a ten mi takto vytváral G kód.
Fungovalo to dobre. Potom som sa dostal k tomu že som chcel použiť aj riadenie výkonu cez PWM. Mal som to zapojené najprv priamo len na PWM a fungovalo mi to stým že Mach niekedy oneskorene zapínal a vypínal PWM a stavalo sa mi aj to že niekedy nevyplo laser.
Preto ma napadlo použiť dva výstupy. Jedným sa generuje PWM a druhým záhadným pinom č. 6 sa zapína a vypína.
Potreboval som tieto dva výstupy niejako spojiť tak som použil optočlen. Určite sa to dá aj inak zapojiť. Toto fungovalo spolahlivo tak som to viac neriešil![]()
Možností je viac a určite nájdete aj lepšie riešenia.
Toto zapojenie používa step a dir osi Z na počítanie výstupu PWM podla výšky nástroja nad materiálom. Nevýhoda je v zložitosti a nutnosti mechanických častí.zverodoktor píše: ↑19. 1. 2020, 9:02 Tu je niečo málo s iným pohľadom ako na grayscale laser engraving :
https://www.picengrave.com/Pic%20Progra ... Setups.pdf
Jednoduchšie a v princípe to isté riešenie je z procesorom PIC 12f683 ktorý počíta a odpočítava pulzy step na základe dir a na výstupe priamo generuje PWM.
Už asi dva roky mam naprogramovaný PIC a ešte som sa nedostal k tomu to vyskúšať