SV 18 RA

Vse o konvencnich strojich, nic o jejich prestavbe na cnc
Odpovědět
novic
Příspěvky: 1839
Registrován: 19. 10. 2014, 10:30

27. 7. 2020, 3:42

Sústruh je stroj s veľkou pridanou hodnotou.
Obe cesty sú správne možno tým tvojim zarobis na väčší produktívnejší stroj. Možno zohnas robotu a budeš zháňať kľudne stroj za 12 tisíc.
Ako chlapec na brigáde som bol vypomáhať pri stavbe hotela tam mal majiteľ kávovar za 15 tisíc euro ja zas nechápem to.
Cash Rules Everything Around Me
C.R.E.A.M
gaminn
Příspěvky: 964
Registrován: 23. 6. 2007, 8:26

30. 7. 2020, 7:45

Tak soustruh je doma. Po oddělání deklů na vřeteníku je při zařazené předloze z tohoto místa:
IMG_20200730_191055.jpg
slyšet zvuk přesýpávajících se kuliček:

https://www.youtube.com/watch?v=kGM0xY-Ehm8

Vysypané ložisko? Co s tím? Nedokážu identifikovat, z kterého uložení nebo hřídele to jde. Co je tam taky vidět je jedna trochu posunutá hřídel, kdy se ozubená kola stýkají jen krajem, což asi taky nebude ok. Třeba tam je nějaká souvislost s těmi přesýpávajícími se kuličkami.
IMG_20200730_192026.jpg
Jinak na soustruhu fungují snad všechny rychlosti a kombinace posuvů a žádné pazvuky z něj při provozu nejdou. Každopádně tu předlohu bych teď asi nerad používal, pokud nevím, jak závažný to je problém.
gaminn
Příspěvky: 964
Registrován: 23. 6. 2007, 8:26

31. 7. 2020, 8:00

Tak ten zvuk jde z této hřídele.
IMG_20200731_111122.jpg
IMG_20200731_111139.jpg
novic
Příspěvky: 1839
Registrován: 19. 10. 2014, 10:30

31. 7. 2020, 9:02

V tom mieste som mal rozpadnuté ložisko aj ja našiel som guličky na dne vretenika. Pamätám si že jedna z tých hriadeľov šla veľmi ťažko von. Ale nakoniec sa podarilo a ložiska som vymenil.
Cash Rules Everything Around Me
C.R.E.A.M
almac
Příspěvky: 744
Registrován: 28. 5. 2015, 6:35
Bydliště: Liberec

1. 8. 2020, 7:32

to gaminn:
ta ozubená kola, co popisuješ, nejsou k předloze, ale náhon se strojnímu posuvu a řezání závitů, pro řezání normálního rozsahu/strmých závitů. (také k přepínání pravé a levé závity). Tak pozor při identifikaci, říkáš, že strojní posuvy jdou dobře. A.
SN 20, SM 16 B, FN 25
gaminn
Příspěvky: 964
Registrován: 23. 6. 2007, 8:26

1. 8. 2020, 2:28

Aha. S názvoslovím budu mít asi trochu problém, tak spíš berte ohled na to, co je na fotkách.

Ta problematická hřídel je až pod vřeteníkem. Hádám, že kvůli opravě by bylo nutné sundat celý vřeteník. Tzn. řemen dolů a odpojit mazání?

Na soustruhu všechny posuvy (řezání normálních i strmých závitů) funguje.
novic
Příspěvky: 1839
Registrován: 19. 10. 2014, 10:30

1. 8. 2020, 3:39

Ja som mal vyhadzany vretenik celý ale len v znitta. Obal nemusis dať dolu. Kukni tému jak voľne sa má točiť vreteno tam som to fotil a občas dal aj popis. Možno to pomôže.
Cash Rules Everything Around Me
C.R.E.A.M
gaminn
Příspěvky: 964
Registrován: 23. 6. 2007, 8:26

1. 8. 2020, 8:58

novic píše: 1. 8. 2020, 3:39 Ja som mal vyhadzany vretenik celý ale len v znitta. Obal nemusis dať dolu. Kukni tému jak voľne sa má točiť vreteno tam som to fotil a občas dal aj popis. Možno to pomôže.
Máš prosím odkaz na to vlákno? Nemůžu ho najít...
gaminn
Příspěvky: 964
Registrován: 23. 6. 2007, 8:26

1. 8. 2020, 9:10

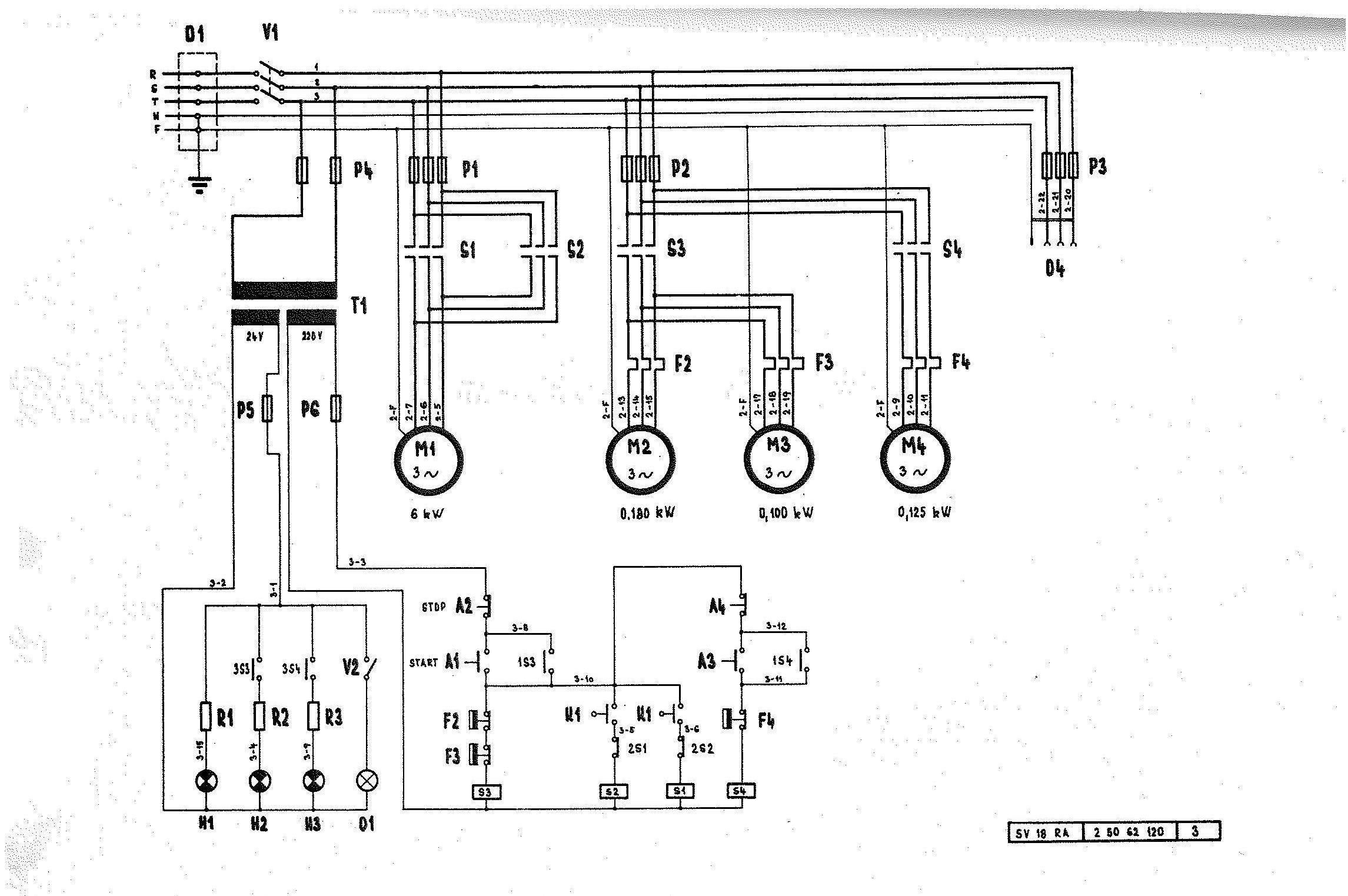
Další závada na soustruhu je často vypadávající nadproudové relé nebo co to je za kostku:
IMG_20200731_181020.jpg
Vypadá to, že na tom je nějaké točítko, co by šlo poštelovat. Je to dobrý nápad? Nebo radši vyměnit? Akorát nevím za co měnit, když vlastně nevím co to je a jaké to má parametry. Netuší někdo?

Můžete mi pomcot identifikovat tuto kostku na schématu? Mně vychází 2S1 nebo 2S2.
man_sv18RA_GR_3.jpg
Petr68
Příspěvky: 882
Registrován: 3. 12. 2015, 9:38
Bydliště: Karlovy vary

1. 8. 2020, 10:19

To je nadproudové relé R100 a ve schématu je označená písmenem F. Může to být ventilátor na chlazení motoru, zubové čerpadlo mazání, nebo čerpadlo chlazení. Čerpadlo chlazení se dá snadno vyloučit, tak že ho nezapneš a pokud to stále vypadává tak jít po drátech až k danému motoru. Může to být přidřený motor ventilátoru a nebo je něco se zubovým čerpadlem a v neposlední řadě to může vzdávat samotné nadproudové relé.
Kolečkem se nastavuje vypínací proud a proto než s ním začneš točit by bylo vhodné najít motor ke kterému patří a zkontrolovat nastavenou hodnotu podle štítku.
Strigon ME-250, SV18RA, Mikromat SFW200/600, L-TEC Ductling II
novic
Příspěvky: 1839
Registrován: 19. 10. 2014, 10:30

2. 8. 2020, 6:34

Cash Rules Everything Around Me
C.R.E.A.M
Uživatelský avatar
salus
Příspěvky: 1528
Registrován: 1. 9. 2013, 1:30
Bydliště: Chrudimsko

2. 8. 2020, 7:30

gaminn píše: 1. 8. 2020, 9:10 Další závada na soustruhu je často vypadávající nadproudové relé nebo co to je za kostku:
IMG_20200731_181020.jpg
Vypadá to, že na tom je nějaké točítko, co by šlo poštelovat. Je to dobrý nápad? Nebo radši vyměnit? Akorát nevím za co měnit, když vlastně nevím co to je a jaké to má parametry. Netuší někdo?
Můžete mi pomcot identifikovat tuto kostku na schématu? Mně vychází 2S1 nebo 2S2.
man_sv18RA_GR_3.jpg
Je to konkrétně tohle: https://www.elektro-materialy.cz/rele-r ... dproudove-
Podle jmenovitého proudu to vypadá na F2 - ventilátor chlazení.
Abys mohl říci, že to relé je vadné tak je zapotřebí změřit skutečně odebíraný proud motoru (ve všech třech fázích) pokud je vyšší než jmenovitý, zjistit příčinu, kterých může být více. Pokud je proud motoru ve všech fázích správný tak by to mohla být vada toho relé. Nastavení relé na maximum, je nejčastější chybou neelektrikáře.
Takhle z hlavy to samozřejmě nevím, ale možná bych ho měl "skladem". Musím se podívat až budu v dílně.
Soustruh: S-28 Žebrák
Stolní vrtačka: TOS V10A
Pásová pila: G5013W/400
gaminn
Příspěvky: 964
Registrován: 23. 6. 2007, 8:26

2. 8. 2020, 9:34

Měl jsem vyhozené dvě tato relé. Levé a prostřední. Bohužel jsem si nepoznamenal jejich identifikátor (Fx). Ventilátor jsem zkoušel protočit šroubovákem skrz mřížku, točí se naprosto lehce.

Zkusím klešťákem proměřit jaký proud těmi relé teče.

Mimochodem, netušíte, jak demontovat ventilátor z hlavního motoru? Odšrouboval jsem 4 šrouby na přírubě. Ventilátor se tím uvolnil, ale vyndat přes mřížku (na fotce označena šipkami), která je mezi motorem ventilátoru a vrtulí, stejně nejde. Chtěl jsem jen vyčistit bordel, který tam je.
IMG_20200802_163410.jpg
Naposledy upravil(a) gaminn dne 3. 8. 2020, 6:49, celkem upraveno 1 x.
Uživatelský avatar
salus
Příspěvky: 1528
Registrován: 1. 9. 2013, 1:30
Bydliště: Chrudimsko

3. 8. 2020, 6:38

Už je to dávno co jsme to vefabrice dělali takže si to moc nepamatuji, ale mám dojem, že to musí jít dolů i s tím krytem co je přidělaný k vlastnímu statoru motoru. Kolegové co mají SV18RA a dělali to, Ti poradí určitě lépe.
Soustruh: S-28 Žebrák
Stolní vrtačka: TOS V10A
Pásová pila: G5013W/400
gaminn
Příspěvky: 964
Registrován: 23. 6. 2007, 8:26

3. 8. 2020, 6:57

Na kryt jsem sahal kolem dokola, jestli nemá po obvodě někde šrouby, ale nic jsem nenahmatal. Takže nevím jak tam drží a jak ho sundat. Je to originál 6kW motor.
Odpovědět

Zpět na „konvenční soustruhy“