Pohon pro časosběrový kamera/foto slider
Trochu toto téma oživím.
Hrál jsem si dnes odpoledne s pohonem na foto pojezdu a tady je vysledek: Video - motorizovaný Camera Slider
Zvolil jsem pohon KM a ovládat bych ho chtěl Arduinem pomoci OpenMoco projektu, který je opensource.
Zatím na odzkoušení tam mám driver s L298N a jednoduchý SW někde z netu. Je to prozatím hlučné a né příliš plynulé a jako pojezd-dolly ke kameře asi nevhodné, ale pro časosběr-timelapse to nevadí, protože tam se fotí po zastaveni pojezdu a prodlevě.
EDIT:
po dotazu v SZ přidán ten SW pro L298N z videa, potřeba příponu souboru přejmenovat z TXT na INO
Hrál jsem si dnes odpoledne s pohonem na foto pojezdu a tady je vysledek: Video - motorizovaný Camera Slider
Zvolil jsem pohon KM a ovládat bych ho chtěl Arduinem pomoci OpenMoco projektu, který je opensource.
Zatím na odzkoušení tam mám driver s L298N a jednoduchý SW někde z netu. Je to prozatím hlučné a né příliš plynulé a jako pojezd-dolly ke kameře asi nevhodné, ale pro časosběr-timelapse to nevadí, protože tam se fotí po zastaveni pojezdu a prodlevě.
EDIT:
po dotazu v SZ přidán ten SW pro L298N z videa, potřeba příponu souboru přejmenovat z TXT na INO
Naposledy upravil(a) Grad dne 12. 4. 2016, 9:25, celkem upraveno 1 x.
- Pepa z depa
- Příspěvky: 1778
- Registrován: 2. 12. 2012, 9:31
- Bydliště: Hostěradice (Znojemsko)
... coool - máš to pěkně udělaný .. nějaký čerstvý časosběrek by nebyl nejlíp v HD 
Žiju abych tvořil, tvořím abych žil. www.PePeSysel.cz
máša: vřeteno voda 1,5kW, měnič Delta, 2Nm 3f 60V krokáče, Yako drivery, lineáry a kuličkáče Hiwin,
vynikající Gravos GVE-64 na 125kHz, rám 8mm ocel vylita plastbetonem, vše na masivním litinovém stole.
máša: vřeteno voda 1,5kW, měnič Delta, 2Nm 3f 60V krokáče, Yako drivery, lineáry a kuličkáče Hiwin,
vynikající Gravos GVE-64 na 125kHz, rám 8mm ocel vylita plastbetonem, vše na masivním litinovém stole.
Je na tom ješte kupa práce - řízení, krabička, atp. ale dík za uznání.
Nemáte někdo realizované řízení s tím OpenMoco systémem?
Našel by se někdo, kdo by byl ochoten na 3D tiskárně pak udělat krabičku? Jasně že za úplatu
TO: Pepa z depa
na čerstvý časosběr nebyl (a asi jen tak nebude
) zatím čas, rozhodně né na něco takové jako byla ta orchidea z profilu na Vimeo... a již vůbec né jako třeba toto:
https://www.youtube.com/watch?v=ZK4LjURtaDw" onclick="window.open(this.href);return false;
či cokoliv z jeho profilu
TO: Hades
jako profil je použita starší čínska obdoba Igusackého profilu DriLin W někde z ebay:
http://www.ebay.com/itm/Opteka-GLD-300- ... 2a49d89c05" onclick="window.open(this.href);return false;
Nemáte někdo realizované řízení s tím OpenMoco systémem?
Našel by se někdo, kdo by byl ochoten na 3D tiskárně pak udělat krabičku? Jasně že za úplatu
TO: Pepa z depa
na čerstvý časosběr nebyl (a asi jen tak nebude
https://www.youtube.com/watch?v=ZK4LjURtaDw" onclick="window.open(this.href);return false;
či cokoliv z jeho profilu
TO: Hades
jako profil je použita starší čínska obdoba Igusackého profilu DriLin W někde z ebay:
http://www.ebay.com/itm/Opteka-GLD-300- ... 2a49d89c05" onclick="window.open(this.href);return false;
Ptal se mně v SZ kolega hrebik na pokrok a hlavně na odkaz s funkčním SW. Odkazoval jsem suveréně na https://www.google.cz/#q=OpenMoco" onclick="window.open(this.href);return false; ale jsem zjistil, že je dnes asi vše jako open projekt mrtvé a je z toho už jenom komerce
...
No což, pohrabal jsem se trochu a naštěstí Airic Lenz na jejích projektu postavil svůj miniE.
Ja zůstávám u V1.2 a pro jistotu to vše skopnu a dávám sem, co kdyby...
Doufám že mne admin nesežere
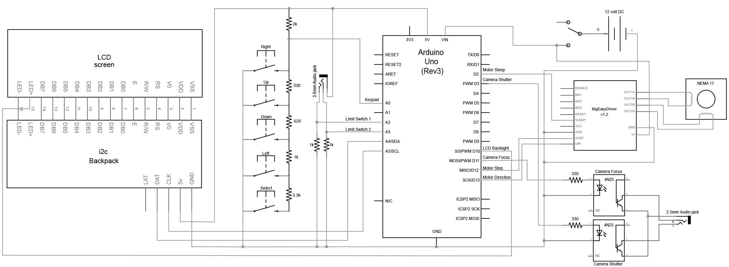
Hodně pěkný projekt pojezdu i řízení s miniE nabízí toto schéma: a originál dokumentace:
No což, pohrabal jsem se trochu a naštěstí Airic Lenz na jejích projektu postavil svůj miniE.
Ja zůstávám u V1.2 a pro jistotu to vše skopnu a dávám sem, co kdyby...
Doufám že mne admin nesežere
Hodně pěkný projekt pojezdu i řízení s miniE nabízí toto schéma: a originál dokumentace:
- jova
- Příspěvky: 2561
- Registrován: 2. 11. 2007, 1:40
- Bydliště: Chýnov to je kousek od Tábora
- Kontaktovat uživatele:
Já svou variantu s PICAXEm dodělal v létě. Bylo to pro jednoho zájemce v podstatě na zakázku a tak ani netuším jestli to už rozhýbal mechanicky.
http://www.jova1.cz/ostatni/slider/slider.html
http://www.jova1.cz/ostatni/slider/slider.html
Po dalším dotazu v SZ nabívám dojmu, že nějací foto nadšenci se tady pohybují a tak jsem doplnil do svého prvního postu soubor se SW z pokusného videa třeba to ještě někomu dalšímu pomůže...
Mne bohužel moc času navíc teď nezbývá a tak projekt time-lapsu zatím bohužel stojí
jsem rád že jsem se urval alespoň na nějake to focení (viz. 500px), když tu máme již konečně to jaro 
Mne bohužel moc času navíc teď nezbývá a tak projekt time-lapsu zatím bohužel stojí
Zdravím všechny příznivce sliderů, časosběrů a motion-controll systémů 
Koupil jsem před časem na ebay starší kvalitní slider, zrepasoval jej, zafrézoval do něj ložiska, osy, ozubená kola, doplnil řemen atd.
Teď stojím před řešením pohonu a mezi Vás zkušené pokládám tímto dotaz a prosbu, kdo by mi s tím pomohl (pouze ovládání vč. programování)
Na řešení mám jen pár týdnů a proto jsem připraven řešení i koupit. Současně mohu na oplátku mohu nabídnout výrobu z karbonu , poradenství z oblasti starých manuálních skel a další.
Tady jsou požadavky:
- funkce časosběr (move-shoot-move) s obvyklými intervaly a rychlostmi a ovládáním spouště Sony NEX (přes IR) a Sony A7 (přes IR nebo multikonektor)
- funkce dolly s plynulým rozjezdem, dojezdem a kontinuálním během tam-zpět-tam s co možná nejtišším chodem pro natáčení
- vertikání posuv cca 2 kg
- řemenice ve slideru mají 15 zubů, řemenice náhonu jsou 30 zubů
Chybějící specifikace rád doplním.
Předem díky!
Koupil jsem před časem na ebay starší kvalitní slider, zrepasoval jej, zafrézoval do něj ložiska, osy, ozubená kola, doplnil řemen atd.
Teď stojím před řešením pohonu a mezi Vás zkušené pokládám tímto dotaz a prosbu, kdo by mi s tím pomohl (pouze ovládání vč. programování)
Na řešení mám jen pár týdnů a proto jsem připraven řešení i koupit. Současně mohu na oplátku mohu nabídnout výrobu z karbonu , poradenství z oblasti starých manuálních skel a další.
Tady jsou požadavky:
- funkce časosběr (move-shoot-move) s obvyklými intervaly a rychlostmi a ovládáním spouště Sony NEX (přes IR) a Sony A7 (přes IR nebo multikonektor)
- funkce dolly s plynulým rozjezdem, dojezdem a kontinuálním během tam-zpět-tam s co možná nejtišším chodem pro natáčení
- vertikání posuv cca 2 kg
- řemenice ve slideru mají 15 zubů, řemenice náhonu jsou 30 zubů
Chybějící specifikace rád doplním.
Předem díky!
- jova
- Příspěvky: 2561
- Registrován: 2. 11. 2007, 1:40
- Bydliště: Chýnov to je kousek od Tábora
- Kontaktovat uživatele:
Zase jeden slider na zakázku. Tentokrát by mě ovládat fotoaparát Canon a hýbat mikroskopem.
Procesor PICAXE 20X2.
https://www.youtube.com/watch?v=yHgWzmte52E" onclick="window.open(this.href);return false;
Procesor PICAXE 20X2.
https://www.youtube.com/watch?v=yHgWzmte52E" onclick="window.open(this.href);return false;