Plánky na parní stroje, stirlingy a jiná hejblata
Tady je plánek na jednoduchý dvouválec:
Tu jsou k tomu ještě vyobrazené díly:
- robokop
- Site Admin
- Příspěvky: 23083
- Registrován: 10. 7. 2006, 12:12
- Bydliště: Praha
- Kontaktovat uživatele:
akorat to uz skoro neni parni stroj 
ne ze bych to chtel nejak hanit
ale ty pisty s ojnicnim cepem uvnitr
ten rozvod nahoru
sdruzene soupatko pro oba valce
jednocinny system
cele mi to pripomina vic spalovak nez parni stroj
parni stroj je zpravidla dvoucinny
ma tedy pistnice a s tim je spojena potreba krizaku a jeho vedeni
nezavisla soupatka a vnejsi rozvod pro ovladani soupatek idealne nejaky reverzovatelny a pohaneny vystrednikem
to je to co dela z parniho stroje neco co je i pekne na pohled
tim jsem chtel jen rict ze parni stroj nedela parnim strojem pouze medium ktere ho pohani

ne ze bych to chtel nejak hanit
ale ty pisty s ojnicnim cepem uvnitr
ten rozvod nahoru
sdruzene soupatko pro oba valce
jednocinny system
cele mi to pripomina vic spalovak nez parni stroj
parni stroj je zpravidla dvoucinny
ma tedy pistnice a s tim je spojena potreba krizaku a jeho vedeni
nezavisla soupatka a vnejsi rozvod pro ovladani soupatek idealne nejaky reverzovatelny a pohaneny vystrednikem
to je to co dela z parniho stroje neco co je i pekne na pohled
tim jsem chtel jen rict ze parni stroj nedela parnim strojem pouze medium ktere ho pohani

Vsechna prava na chyby vyhrazena (E)
to robokop:
jj, já jen reagoval na 613ziza, stran jednoduchosti konstrukce
jj, já jen reagoval na 613ziza, stran jednoduchosti konstrukce
- robokop
- Site Admin
- Příspěvky: 23083
- Registrován: 10. 7. 2006, 12:12
- Bydliště: Praha
- Kontaktovat uživatele:
o tom zadna ten planek je hodne jednoduchej
trosku bych se bal tech oz. kolecek kam na to ale urcite by se neco naslo
btw. regner ma ted velmi jednoduche kejvacky a to je fakt extrem jak jednoduse je to udelane a jeste to neco utahne
http://www.regner-dampftechnik.de/aktue ... nlagen.php" onclick="window.open(this.href);return false;
mel jsem to doma a chodi to opravdu pekne na to jak je to okuchane
trosku bych se bal tech oz. kolecek kam na to ale urcite by se neco naslo
btw. regner ma ted velmi jednoduche kejvacky a to je fakt extrem jak jednoduse je to udelane a jeste to neco utahne
http://www.regner-dampftechnik.de/aktue ... nlagen.php" onclick="window.open(this.href);return false;
mel jsem to doma a chodi to opravdu pekne na to jak je to okuchane
Vsechna prava na chyby vyhrazena (E)
Já mám též rád klasiku, to od Regnera vypadá zajímačně 
Já jsem se ptal - asi neobratně - proč se u konstrukcí šoupátkových lodních strojků vyskytuje Stephensonův rozvod oproti Walschaerts-Heusinger tak neporovnatelně častěji? Je to jenom proto, že dva excentry s plovoucí kulisou jsou pohledově efektnější nebo to má i nějaký konstrukční či praktický provozní význam?
Všechno, co může počkat do zítřka, klidně počká i do příštího týdne. ;-)
-
Baxi.bax
- Příspěvky: 573
- Registrován: 9. 5. 2008, 7:45
- Bydliště: Dvůr Králové nad Labem
- Kontaktovat uživatele:
Před časem jsem koupil strojek z Ameriky přes Ebay za 4600,- včetně cla.Mám ho v lodi .
http://compare.ebay.com/like/3102611415 ... s&var=sbar" onclick="window.open(this.href);return false;
http://compare.ebay.com/like/3102611415 ... s&var=sbar" onclick="window.open(this.href);return false;
- robokop
- Site Admin
- Příspěvky: 23083
- Registrován: 10. 7. 2006, 12:12
- Bydliště: Praha
- Kontaktovat uživatele:
napadaji me dva duvody
heusinger patri na lokomotivy (proste se tam v minulosti hojne pouzival) tedy kvuli modelove vernosti
heusinger je narocnejsi na vyrobu neb ma mnohem vic soucasti
heusinger patri na lokomotivy (proste se tam v minulosti hojne pouzival) tedy kvuli modelove vernosti
heusinger je narocnejsi na vyrobu neb ma mnohem vic soucasti
Vsechna prava na chyby vyhrazena (E)
taky pěkný lodní "strojek": http://www.youtube.com/user/EpocaTre#p/u/6/LM0kNs8hNpU" onclick="window.open(this.href);return false;
- robokop
- Site Admin
- Příspěvky: 23083
- Registrován: 10. 7. 2006, 12:12
- Bydliště: Praha
- Kontaktovat uživatele:
jojo, v podobnym jsem byl uveznenej za provozu mezi krizakem nizkotlaku a vyvevou
jsme delali nejaky mereni a jak lod vyplula tak uz jsem si nemohl vymejslet protoz se se strojem stale hybalo a pri vylejzani musel bejt stroj v klidu jinak by me neco primacklo
kdyz uz jsme u toho tak tomuhle rikam model:
http://www.youtube.com/watch?v=VWn8gQ9Ykpk" onclick="window.open(this.href);return false;
jsme delali nejaky mereni a jak lod vyplula tak uz jsem si nemohl vymejslet protoz se se strojem stale hybalo a pri vylejzani musel bejt stroj v klidu jinak by me neco primacklo
kdyz uz jsme u toho tak tomuhle rikam model:
http://www.youtube.com/watch?v=VWn8gQ9Ykpk" onclick="window.open(this.href);return false;
Vsechna prava na chyby vyhrazena (E)
Toto je taky pěkné: http://www.youtube.com/watch?v=NLndiRu_Gls&NR=1" onclick="window.open(this.href);return false;
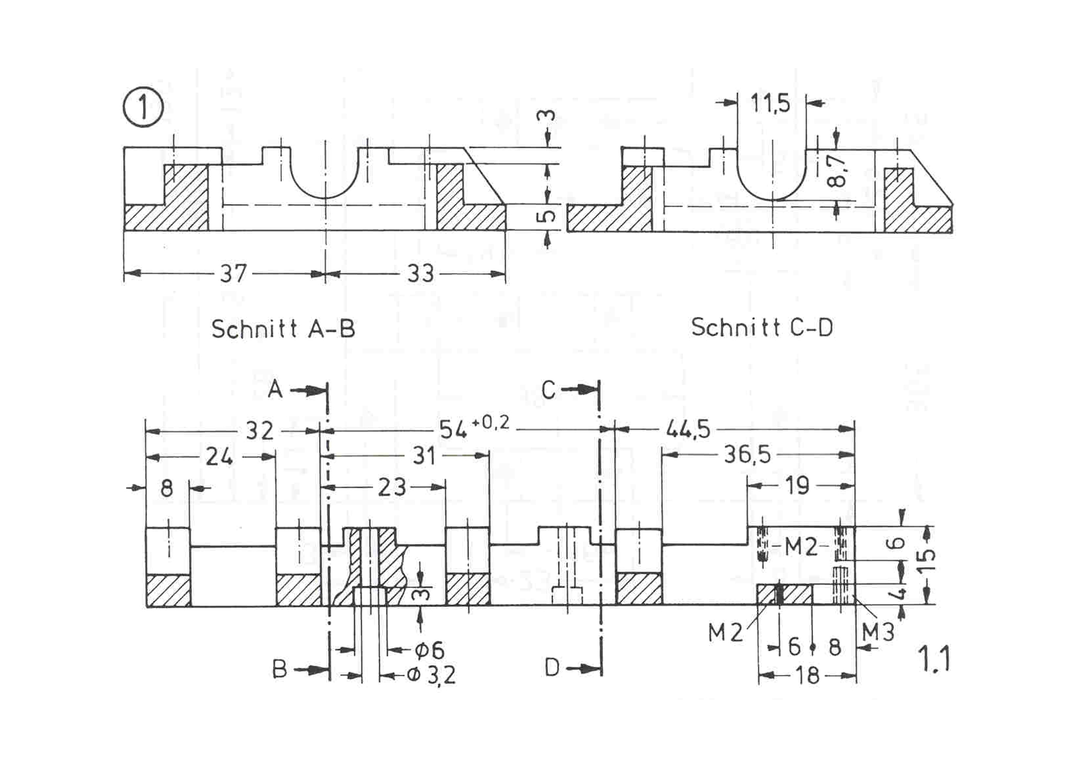
Ani už neviem, kde som to zohnal, ale mám naskenovaný parný dvojvalec. Navyše sú výkresy v mm, a nie v inch-och! Silne mi to pripomína Stuart, ale to nech posúdia iní. Postupne si dielce "kreslím" v Rhine 4 (.3dm) a postupujem aj v Rh-Cam. V .jpg to robí do 50 výkresov, takže sem hodím pár ukážok, a zbytok Mailom - gratis. Ale mám aj iné plániky. Odpoveď po obdržaní SZ.