Magiho výzkumný ústav

fotky našich strojů, aneb co máme doma
Odpovědět
Uživatelský avatar
packa
Příspěvky: 7159
Registrován: 7. 2. 2007, 6:42
Bydliště: Královehradecký kraj

5. 3. 2012, 8:41

Ben Ash píše:
packa píše:nakolik stupnů ten olej předehříváš ?
---------------------------------
Nebylo by od věci občas používat ty dvě kulaté lesklé věci co máš na hlavě mezi skalpem a otvorem pro příjem potravy :-)
Teplotu máš v mé odpovědi o 2 příspěvky výš. :lol:
nojo dík asi jsem na to čuměl moc brzo po ránu , to se těm očím ještě moc nechce a mozek taky zadírá
Uživatelský avatar
magi
Sponzor fora
Příspěvky: 2741
Registrován: 16. 10. 2006, 12:40
Bydliště: Třebíč
Kontaktovat uživatele:

10. 3. 2012, 11:35

Nebude se někdo na jaře zbavovat kotle?
Ideální typ: DAKON FB32, nebo VIADRUS U22
Přílohy
138632185.jpg
138632182.jpg
13863218.jpg
Dle úpravy hnojiště poznáme hospodáře, dle výsledu voleb jakýchkoliv duševní úroveň voličů.
Uživatelský avatar
magi
Sponzor fora
Příspěvky: 2741
Registrován: 16. 10. 2006, 12:40
Bydliště: Třebíč
Kontaktovat uživatele:

13. 3. 2012, 2:07

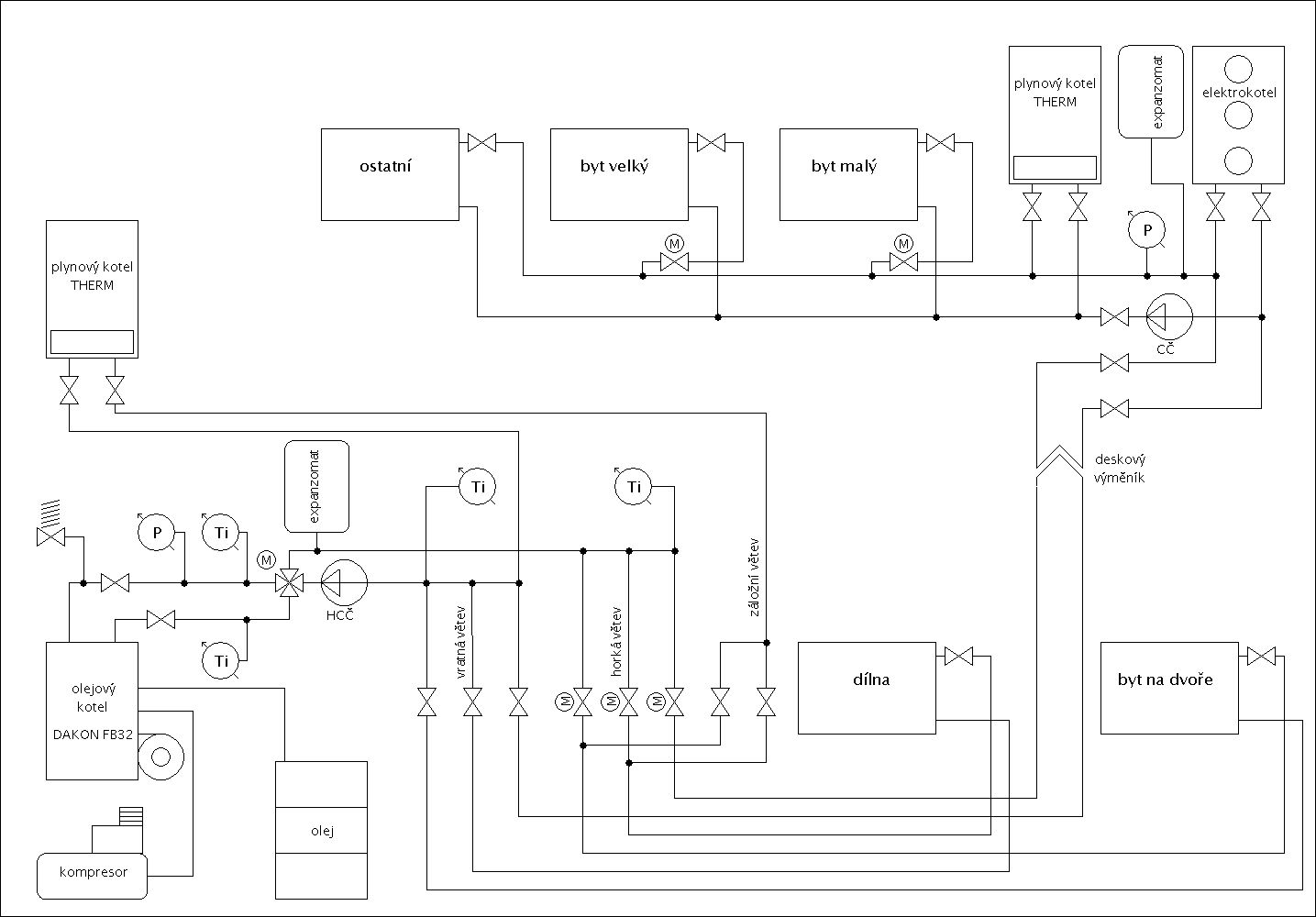
takto by se to mělo nějak propojit
Přílohy
topeni.jpg
Dle úpravy hnojiště poznáme hospodáře, dle výsledu voleb jakýchkoliv duševní úroveň voličů.
Uživatelský avatar
magi
Sponzor fora
Příspěvky: 2741
Registrován: 16. 10. 2006, 12:40
Bydliště: Třebíč
Kontaktovat uživatele:

13. 3. 2012, 10:25

Takovejch lidí na to čučí a nikdo si nevšimne, že mám to pomocné cirkulační čerpadlo nahoře naopak :oops:
Dle úpravy hnojiště poznáme hospodáře, dle výsledu voleb jakýchkoliv duševní úroveň voličů.
Uživatelský avatar
magi
Sponzor fora
Příspěvky: 2741
Registrován: 16. 10. 2006, 12:40
Bydliště: Třebíč
Kontaktovat uživatele:

20. 3. 2012, 5:32

Je tady první problém, shořelo topné těleso v nádržce.
3 týdny to fungovalo OK, včera to vyletělo na časovou chybu ohřevu. Po přeměření tělesa je patrné, že je přerušený vnitřní obvod tělesa.
Jediné co by tomu mohlo vadit je teplota 120 st.C. Dlouhé doby běhu by neměly, protože si pamatuju z práce, když mrzlo tak to v Zetoráckých motorech bývalo zapnuté i celý den.
Dle úpravy hnojiště poznáme hospodáře, dle výsledu voleb jakýchkoliv duševní úroveň voličů.
testone
Sponzor fora
Příspěvky: 7541
Registrován: 3. 12. 2010, 5:56
Bydliště: Slaný

20. 3. 2012, 6:20

On ten olej asi těleso ochlazuje podstatně hůř než voda, výsledkem bude o hodně vyšší teplota topného drátu.
Zkusil bych použít těleso o výrazně větším výkonu, tj. s větší plochou těles a napájet ho menším než jmenovitým napětím (např. ho omezit diodou) nebo použít třífázové těleso a dát dvě fáze do série.
Obvykle se dějí věci obvyklé. Méně často se dějí věci neobvyklé a zcela vyjímečně se dějí věci vyjímečné...
Masturn 40 CNC, Hermle UWF1200H CNC a pár klasik
http://www.radialengine.cz" onclick="window.open(this.href);return false;
http://www.autopejsek.cz" onclick="window.open(this.href);return false;
Uživatelský avatar
magi
Sponzor fora
Příspěvky: 2741
Registrován: 16. 10. 2006, 12:40
Bydliště: Třebíč
Kontaktovat uživatele:

20. 3. 2012, 6:34

Napsal jsem výrobci, uvidíme jak se vyjádří. Ale jak povídáš, asi to bude chtít změnu v ohřevu.
Dle úpravy hnojiště poznáme hospodáře, dle výsledu voleb jakýchkoliv duševní úroveň voličů.
Uživatelský avatar
Ben Ash
Site Admin
Příspěvky: 1455
Registrován: 25. 3. 2009, 8:02
Bydliště: Vladislav
Kontaktovat uživatele:

20. 3. 2012, 7:26

Hmm, takže ten můj nápad že bude lepší velké ploché těleso na spodku nádržky nebyl tak uplně od věci.
Uživatelský avatar
magi
Sponzor fora
Příspěvky: 2741
Registrován: 16. 10. 2006, 12:40
Bydliště: Třebíč
Kontaktovat uživatele:

20. 3. 2012, 7:59

Ben Ash píše:Hmm, takže ten můj nápad že bude lepší velké ploché těleso na spodku nádržky nebyl tak uplně od věci.
No nech bejt, s tím ochlazováním to taky nebude nejslavnější. Přece jenom buben v pračce plnej vody není totéž, co 3l oleje.
Dle úpravy hnojiště poznáme hospodáře, dle výsledu voleb jakýchkoliv duševní úroveň voličů.
Uživatelský avatar
Ben Ash
Site Admin
Příspěvky: 1455
Registrován: 25. 3. 2009, 8:02
Bydliště: Vladislav
Kontaktovat uživatele:

20. 3. 2012, 9:52

Potřebujem tedy těleso které zvládá vyšší teploty takže friťák a podobně, ale je taky možný že hledáme problém kde není a chyba byla ve vadném tělísku.
Uživatelský avatar
magi
Sponzor fora
Příspěvky: 2741
Registrován: 16. 10. 2006, 12:40
Bydliště: Třebíč
Kontaktovat uživatele:

20. 3. 2012, 10:00

diagnóza od výrobce:

Těleso ,které používáte na ohřev oleje je konstruováno na ohřev vody povrchové zatížení topné tyče je 13W/cm2 zatímco pro ohřev oleje se tělesa navrhují do 3W/cm2.To je důsledek krátké životnosti tělesa.Je možnost vyrobit stejné těleso avšak na 230V 250W cena tělesa na zakázku by byla 1420,00kč/ks bez DPH,nebo je možnost použít stávající sériové 230V 1000W avšak provozovat na 115V kde se výkon tělesa sníží přibližně k 250W
Dle úpravy hnojiště poznáme hospodáře, dle výsledu voleb jakýchkoliv duševní úroveň voličů.
testone
Sponzor fora
Příspěvky: 7541
Registrován: 3. 12. 2010, 5:56
Bydliště: Slaný

20. 3. 2012, 10:08

do serie s tělesem diodu a je po problému
Obvykle se dějí věci obvyklé. Méně často se dějí věci neobvyklé a zcela vyjímečně se dějí věci vyjímečné...
Masturn 40 CNC, Hermle UWF1200H CNC a pár klasik
http://www.radialengine.cz" onclick="window.open(this.href);return false;
http://www.autopejsek.cz" onclick="window.open(this.href);return false;
Uživatelský avatar
magi
Sponzor fora
Příspěvky: 2741
Registrován: 16. 10. 2006, 12:40
Bydliště: Třebíč
Kontaktovat uživatele:

20. 3. 2012, 10:24

testone píše:do serie s tělesem diodu a je po problému
Jojo, jak poudáš. Je ale otázkou, jak budu dlouho ohřívat 3,5l oleje z 10st. na 120st. Při 1000W to trvalo 30min a už tak to bylo až dost.
Nicméně to vyzkouším, ještě jedno těleso k mání je.

Když to bude stát za prd, tak bych řekl asi tohle http://backer.inshop.cz/inshop/scripts/ ... ItemID=559" onclick="window.open(this.href);return false;
Moc se mě do toho nechce, pač se bude muset předělat nádržka a 1900,- taky není zrovna málo.
Dle úpravy hnojiště poznáme hospodáře, dle výsledu voleb jakýchkoliv duševní úroveň voličů.
Uživatelský avatar
Ben Ash
Site Admin
Příspěvky: 1455
Registrován: 25. 3. 2009, 8:02
Bydliště: Vladislav
Kontaktovat uživatele:

20. 3. 2012, 10:53

dal bych http://www.nadeta.cz/nahradni-dily/brav ... ?ItemIdx=7" onclick="window.open(this.href);return false; a řídil výkon jak jsem chtěl tím reglem z trouby a bude po problému a jestli ne tak je to za stopade to přežijem.
Uživatelský avatar
magi
Sponzor fora
Příspěvky: 2741
Registrován: 16. 10. 2006, 12:40
Bydliště: Třebíč
Kontaktovat uživatele:

20. 3. 2012, 11:06

Ben Ash píše:dal bych http://www.nadeta.cz/nahradni-dily/brav ... ?ItemIdx=7" onclick="window.open(this.href);return false; a řídil výkon jak jsem chtěl tím reglem z trouby a bude po problému a jestli ne tak je to za stopade to přežijem.
Do toho nejdu, opět nebereš v úvahu zatížení topné spirály W/cm2. Tohle je pro vodu, pro olej to musí být mnohem míň. Šak to pán vysvětlil dostatečně.
Potřebuju aby to fungovalo a ne experimentovat. Od Listopadu už stačilo :-) :-)
Navíc nemám na pokusy už čas, musím natahovat trubky, zapojovat kotel a tisíc dalších věcí.
Poslední pokus, který jsem ochoten podstoupit je osadit identické tělěso co už tam bylo a předřadit mu diodu. Jestli to bude ty 3litry ohřívat hodinu, tak je to nepoužitelné.
Představ si, že při každém novém povelu ke startu kotle bude předcházet hodinový předehřev, to bych doma zmrznul :-)
Přehodí se těleso to je otázka 10minut, do konektoru se vřadí dioda a budem vidět.
Dle úpravy hnojiště poznáme hospodáře, dle výsledu voleb jakýchkoliv duševní úroveň voličů.
Odpovědět

Zpět na „naše mašinky“