heidenhain426 - Q parametr

Odpovědět
jindra.kana
Příspěvky: 63
Registrován: 19. 1. 2012, 4:23

5. 2. 2013, 10:33

Zdravím ve spolek máte někdo zkušenosti s Qparametry v haidnu? potřeboval bych trochu poradit:) Jako jak je správně použít zda jsou nějde přednastavené určité hodnoty atd...
petr.sadvar
Příspěvky: 5
Registrován: 11. 2. 2013, 12:23

12. 2. 2013, 5:29

jsem zatím začátečník ale hodnoty Q si určuješ sám....potom s hodnotama pracuješ pracuješ....
jindra.kana
Příspěvky: 63
Registrován: 19. 1. 2012, 4:23

15. 2. 2013, 12:40

chtěl bych si přez Q-čka napsat hrubovací cyklus "řádkování" ale pořád my to nedělá to co potřebuju:/ poradí někdo? Můžu sem pro ukázku hodit link na to co se pokouším vyrobit:)
Martas
Příspěvky: 79
Registrován: 18. 7. 2011, 6:29

15. 2. 2013, 3:45

Nevím jestli je to co potřebuješ nicméně,částečně to tam nastíněné je i s Q
Přílohy
Heidenhain.zip
(11.33 MiB) Staženo 606 x
petr.sadvar
Příspěvky: 5
Registrován: 11. 2. 2013, 12:23

15. 2. 2013, 5:58

napiš to v inkrementech to bude snažší ne??
petr.sadvar
Příspěvky: 5
Registrován: 11. 2. 2013, 12:23

15. 2. 2013, 6:04

V PONDĚLÍ DODÁM PROGRAM JENOM NAPIŠ V JAKÉ OSE BUDE TO ŘÁDKOVÁNÍ
petr.sadvar
Příspěvky: 5
Registrován: 11. 2. 2013, 12:23

15. 2. 2013, 7:44

jindra.kana píše:chtěl bych si přez Q-čka napsat hrubovací cyklus "řádkování" ale pořád my to nedělá to co potřebuju:/ poradí někdo? Můžu sem pro ukázku hodit link na to co se pokouším vyrobit:)
hod link 100%
jindra.kana
Příspěvky: 63
Registrován: 19. 1. 2012, 4:23

25. 2. 2013, 10:40

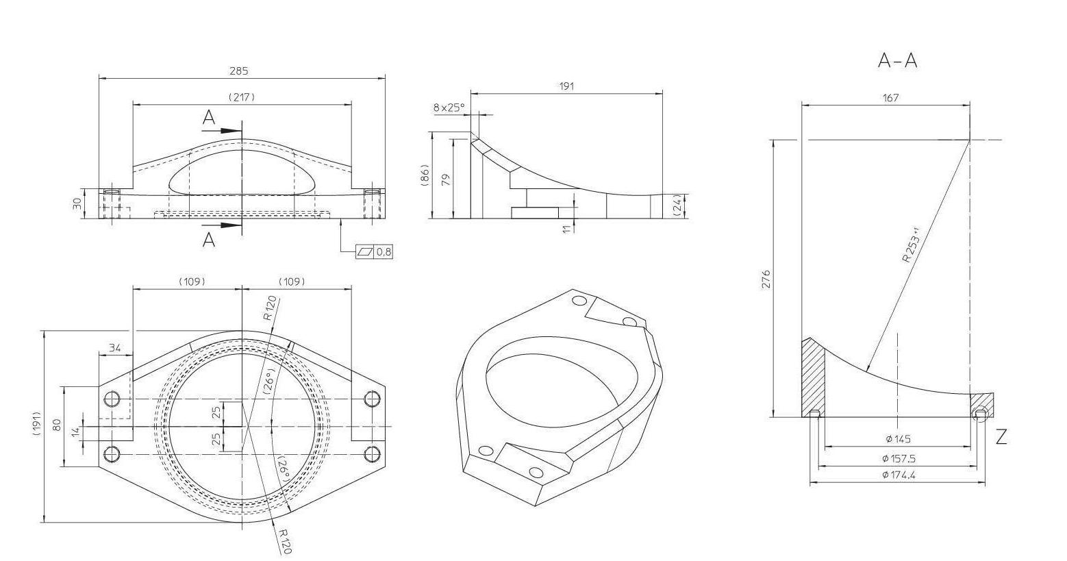
tak jsem se k tomu dostal až teď, v příloze je program a i výkres. teď to mám napsaný tak že to jezdí na souřadnice ale raději bych to měl napsané přes cycl abych v případě změny nástroje nemusel přepisovat...
Přílohy
R253lbl.h
je to jen nastíněné...
(738 bajtů) Staženo 437 x
omlouvám se že je to bez kót ale nemůžu najít origo výkres:)
omlouvám se že je to bez kót ale nemůžu najít origo výkres:)
jindra.kana
Příspěvky: 63
Registrován: 19. 1. 2012, 4:23

25. 2. 2013, 10:47

našel
Přílohy
R253lbl.JPG
testone
Sponzor fora
Příspěvky: 7530
Registrován: 3. 12. 2010, 5:56
Bydliště: Slaný

25. 2. 2013, 11:37

konstruktéra, který vymyslí takovýhle patvar bez nějakého extra závažného důvodu bych na to poslal s pilníkem.......
jestli je to příruba, která se tím R253 má přimáčknout na nějaký válcový povrch a přivařit, proč jsou tam potom ty dvě kapsy pod závity, tam to přece přivařit nepůjde....
Obvykle se dějí věci obvyklé. Méně často se dějí věci neobvyklé a zcela vyjímečně se dějí věci vyjímečné...
Masturn 40 CNC, Hermle UWF1200H CNC a pár klasik
http://www.radialengine.cz" onclick="window.open(this.href);return false;
http://www.autopejsek.cz" onclick="window.open(this.href);return false;
jindra.kana
Příspěvky: 63
Registrován: 19. 1. 2012, 4:23

26. 2. 2013, 7:44

rádius samozřejmně ovařit přijde proto volím variantu hrubování "schodů" a kapsy pod závit jsou kvůli navazujícím dílům...
Patvar je to jinak hezký:) je tedy nějaký typ na to jak dopsat ten můj program? A nebo nějaký jiný typ výroby?
bbetoven
Příspěvky: 3
Registrován: 17. 1. 2010, 2:32
Bydliště: Praha

27. 2. 2013, 8:06

jindra.kana píše:rádius samozřejmně ovařit přijde proto volím variantu hrubování "schodů" a kapsy pod závit jsou kvůli navazujícím dílům...
Patvar je to jinak hezký:) je tedy nějaký typ na to jak dopsat ten můj program? A nebo nějaký jiný typ výroby?
Vyzkoušej toto,mělo by to fungovat,u toho tvýho programu freza(záleží na průměru)zajede na konečný houbce do toho rádiusu.
Přílohy
R253.H
(1.16 KiB) Staženo 577 x
bbetoven
Příspěvky: 3
Registrován: 17. 1. 2010, 2:32
Bydliště: Praha

22. 3. 2013, 6:54

Našel jsem ještě jeden program s Q-čkama,ale chce to pustit v simulaci,protože orig výkres nemám.A taky to je už asi deset let co jsem to dělal.
Přílohy
VRSEK-1.H
(30.59 KiB) Staženo 508 x
bbetoven
Příspěvky: 3
Registrován: 17. 1. 2010, 2:32
Bydliště: Praha

5. 4. 2013, 7:53

Tak tady přikládám obrázky ze simulace.
Přílohy
27032013044.jpg
27032013047.jpg
27032013048.jpg
Odpovědět

Zpět na „Ostatní veci kolem programovani“