Logic level hexfety TTL ovladanie
O neprimeranom prehrievani ani nehovorim. Snivam o konstrukcii bez chladica, ale bez draheho budica mosfetov budem zrejme snivat dalej...
Musi to byt jednoznacne tak ze na gate dam cez 470 ohmovy odpor +15V a dalsim nizkovykonovym mosfetom budem toto napätie skratovat voci zemi ?
Musi to byt jednoznacne tak ze na gate dam cez 470 ohmovy odpor +15V a dalsim nizkovykonovym mosfetom budem toto napätie skratovat voci zemi ?
Gate mosfetu je kondenzátor. Proto se fety budí H-bridge můstkem.
bednar.dk@seznam.cz
SolidWorks 2011
Zakázková výroba jednoúčelových strojů
konstrukce strojů, automatizace,
http://www.indops.cz" onclick="window.open(this.href);return false;
SolidWorks 2011
Zakázková výroba jednoúčelových strojů
konstrukce strojů, automatizace,
http://www.indops.cz" onclick="window.open(this.href);return false;
- modemo
- Příspěvky: 175
- Registrován: 2. 2. 2008, 7:55
- Bydliště: Brno, Povazska Bystrica
- Kontaktovat uživatele:
Ahoj,
IRFZ44N a tomu podobne sa daju naozaj pouzit. Ja som ich pouzival vo vystraznych blikacoch. Ale tam to blikalo v sekundovych intervaloch. Na budenie frekvenciou by som pouzil racej budic.
Ano, budic ide nahradit aj TTLkami, ale treba ich aspon 3-4 paralelne spojit. Ale aj tak mi to nepride ako vhodna nahrada, najma pri tej cene budica.
Napr IR2102 stoji okolo 35KC, budice s deadtimom napr IR2111 stoji 50KC. Ja si myslim, ze tam neni co riesit.
V tvojom pripade bude to hrianie sposobene pomalym otvaranim a zatvaranim trnazistorov. A cim dlhsie to trva a cim castejsie sa to deje, tym budu viac hriat.
IRFZ44N a tomu podobne sa daju naozaj pouzit. Ja som ich pouzival vo vystraznych blikacoch. Ale tam to blikalo v sekundovych intervaloch. Na budenie frekvenciou by som pouzil racej budic.
Ano, budic ide nahradit aj TTLkami, ale treba ich aspon 3-4 paralelne spojit. Ale aj tak mi to nepride ako vhodna nahrada, najma pri tej cene budica.
Napr IR2102 stoji okolo 35KC, budice s deadtimom napr IR2111 stoji 50KC. Ja si myslim, ze tam neni co riesit.
V tvojom pripade bude to hrianie sposobene pomalym otvaranim a zatvaranim trnazistorov. A cim dlhsie to trva a cim castejsie sa to deje, tym budu viac hriat.
ja ich mam po 56 Sk x 4 na 1 bipolar x 3 osi, zatial ma tolko vysiel cely driver okrem zdrojov kapacit a plosaku
Co sa da robit, asi to pojde cele do kosa. Pripadne tam pouzijem IRLZ540 ? tie maju niekolko paralelnych cmos bus hradiel na gate, nech to teda funguje aspon ako unipolar na tatov stroj.

Zohrievaju sa lebo maju velky ubytok na sebe -> malo sa otvaraju -> male otvaracie UGS -> nechapem preco. Podla VACH v DS to ma fungovat pri 1MHz, a funguje akurat tak H.o. Ja nechapem preco tam neni tych 6V z hradla ale 3,5 a pritom medzi hradlom a G neni ziadny odpor, a optoclen robi to iste. Mam skusit nastavit oscilator na L297cke na 5 KHz ?
- modemo
- Příspěvky: 175
- Registrován: 2. 2. 2008, 7:55
- Bydliště: Brno, Povazska Bystrica
- Kontaktovat uživatele:
Najskor je treba si uvedomit co meras a ako. Ak si pouzil len multimeter, da sa povedat, ze si ani nic nemeral. Na toto je treba osciloskop.
Ak tam bezala strieda 50:50 s amplitudov 6V, tak si tam naozaj mohol najst 3V co je aj logicke.
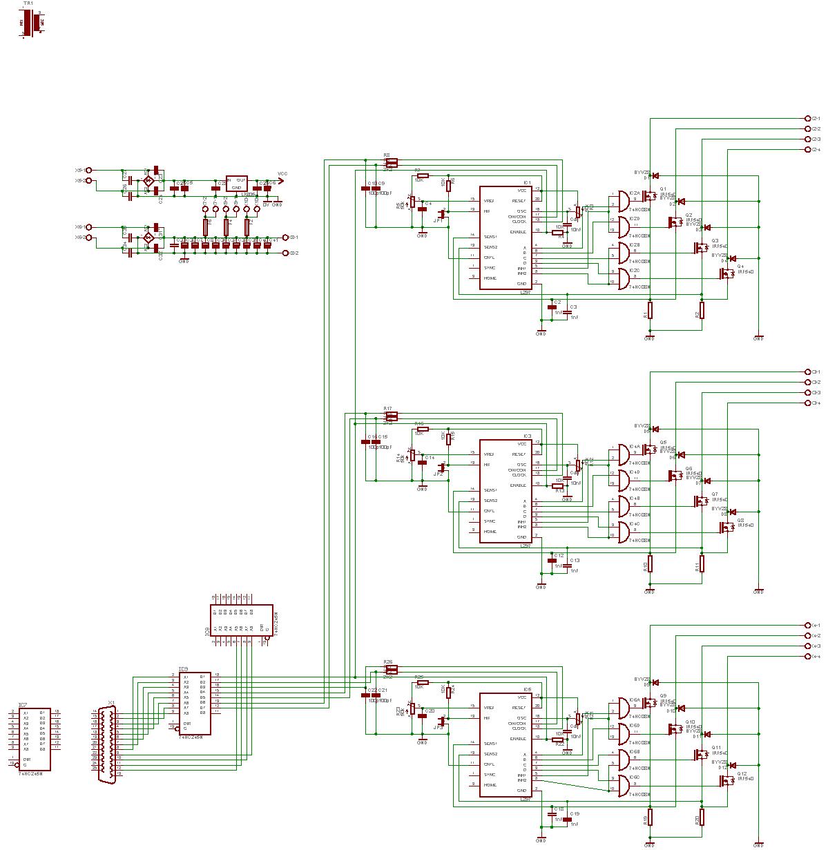
Nemozes dat sem schemu? Takto je to onicom. Ako budis spodny a ako vrchny tranzistor, mas oba N mosfety?
PS: spravy idu editovat, tak racej to potom davaj do jednej a nie styroch
Ak tam bezala strieda 50:50 s amplitudov 6V, tak si tam naozaj mohol najst 3V co je aj logicke.
Nemozes dat sem schemu? Takto je to onicom. Ako budis spodny a ako vrchny tranzistor, mas oba N mosfety?
PS: spravy idu editovat, tak racej to potom davaj do jednej a nie styroch

Teraz je to unipolar, ze to ako bipolar nepojde mi uz doslo, ale priliz neskoro, ked som sa splasil a objednal miesto P mosov 5x viac N mosov
No nekup 100ks ked su po 8 korun
Meral som osil programom na zvukovke, SB live 5,1 platinum, delic - 10kOhmovy prachotesny hermetizovany potenciometer vo vakuu.
Dam sem upravenu schemu, jak to funguje asi najlepsie.
Este som tam dal 2k2 odpor na gate voci zemi, ma to ostrejsie hrany. Mozno prave to bude ten problem. Prud logickej 1 z hradla je 8mA a logicka 0 16mA, tak tie odpory skusim vybrat ? Skor by som mal dat odpory 4k7 z +6 na mriezku, len ci bude IO zvladat dost ostre zatvaranie aby sa nehrial este viac...


Dam sem upravenu schemu, jak to funguje asi najlepsie.
Este som tam dal 2k2 odpor na gate voci zemi, ma to ostrejsie hrany. Mozno prave to bude ten problem. Prud logickej 1 z hradla je 8mA a logicka 0 16mA, tak tie odpory skusim vybrat ? Skor by som mal dat odpory 4k7 z +6 na mriezku, len ci bude IO zvladat dost ostre zatvaranie aby sa nehrial este viac...
- modemo
- Příspěvky: 175
- Registrován: 2. 2. 2008, 7:55
- Bydliště: Brno, Povazska Bystrica
- Kontaktovat uživatele:
No ak si to mal teda N mosfety, tak potom nezabudni, ze to napatie musi byt medzi G a S. Teda pri spodnom je S na GND, ale pri vrchnom je S na vrchu zataze. Cize na G horneho musi byt voci zemi napatie =Uzataze + Ugs. Snad pochopis, co sa snazim vypotit 
K tomu osc zo zvukovky, on je dost pomaly, ide to tak do 10Khz pouzit. A aby si videl priebeh hrany, chce to viac.
Podla mna by si mal rychlo zabudnut, ze 1 hradlo ti to vybudi. To je malo. 3 a viac (co tak naletovat zvrchu nan dalsi?). A tusim sa daval aspon nejaky minimalny odpor medzi hradlo a G.

K tomu osc zo zvukovky, on je dost pomaly, ide to tak do 10Khz pouzit. A aby si videl priebeh hrany, chce to viac.
Podla mna by si mal rychlo zabudnut, ze 1 hradlo ti to vybudi. To je malo. 3 a viac (co tak naletovat zvrchu nan dalsi?). A tusim sa daval aspon nejaky minimalny odpor medzi hradlo a G.
Pri bipolare je mi to jasne co chces vypotit, akurat ze 6 hodin sedenia za PC pri navrhu ovladania ukoncil vypadok prudu tak som sa na to vybodol.
A ako vravis ze tych hradiel je viac to by ma napadlo pri cmosoch, kde prudy na vystupe hradla su desatinove. A pouzivaju sa mosfety (CMOS) preto, lebo bezne hradlo v TTL rade 74HCxx pracuje bezpecne do 6,5V co na vetsinu mosfetov nestaci. Preto som tam navrhol TTL, aby tam nemuseli byt 3-4 IO paralelne na sebe. Tak neviem, pockam na dalsie nazory, pripadne tam drbnem redukciu z TTL dil 14 na cmos dil 14 a objednam 4081cky. Ale tu zas neviem ako sa cmos bude chovat pri vstupnych jednickach 5V, ci budu naozaj mat na vystupe 12V ako by mali mat.
Este skusim skocit do skoly kde som studoval, ci mi umoznia pomerat si to na digitalnom osciloskope. I ked tento soft co mam ja by mal merat az do 41KHz, co je max. snimkovy kmitocet, lebo je to digitalna zvukovka. Ale spravim nejaku pavucinu s NE555 na 40KHz a skusim to.
Teda 41KHz/2, ale mas pravdu ze je to naprd, lebo to ma malu zakladnu s ktorou vela neodmeram.
A ako vravis ze tych hradiel je viac to by ma napadlo pri cmosoch, kde prudy na vystupe hradla su desatinove. A pouzivaju sa mosfety (CMOS) preto, lebo bezne hradlo v TTL rade 74HCxx pracuje bezpecne do 6,5V co na vetsinu mosfetov nestaci. Preto som tam navrhol TTL, aby tam nemuseli byt 3-4 IO paralelne na sebe. Tak neviem, pockam na dalsie nazory, pripadne tam drbnem redukciu z TTL dil 14 na cmos dil 14 a objednam 4081cky. Ale tu zas neviem ako sa cmos bude chovat pri vstupnych jednickach 5V, ci budu naozaj mat na vystupe 12V ako by mali mat.
Este skusim skocit do skoly kde som studoval, ci mi umoznia pomerat si to na digitalnom osciloskope. I ked tento soft co mam ja by mal merat az do 41KHz, co je max. snimkovy kmitocet, lebo je to digitalna zvukovka. Ale spravim nejaku pavucinu s NE555 na 40KHz a skusim to.
Teda 41KHz/2, ale mas pravdu ze je to naprd, lebo to ma malu zakladnu s ktorou vela neodmeram.
Naposledy upravil(a) J0hny dne 13. 5. 2008, 8:50, celkem upraveno 1 x.
bezne mosfety sa budia prudmi cez 200mA, s tym, ze na vystupe budica je push-pull zapojenie. problem by som hladal skor tam, ked raz je mosfet urceny pre ovladanie z 5V logiky, tak nevidim dovod preco by to nejake HC hradlo nevedelo zopnut, skor to bude problem s prudom, HC-cka vedia max +-20mA. V jednej aplikacii som pouzival 18ks HC04 hradiel na budenie vykonovej ledky na vysokych frekvenciach a fungovalo to super.
- modemo
- Příspěvky: 175
- Registrován: 2. 2. 2008, 7:55
- Bydliště: Brno, Povazska Bystrica
- Kontaktovat uživatele:
PBr ma pravdu. Aj ked po otvoreni tecie prud takmer nulovy, tak v okamihu otvarania/zatvarania, ked je treba co najrychlejsie nabit kapacitu, tak tecu velke prudy.
Napr IR2184 je uz machar, Output source/sink current capability 1.4A/1.8A . Bezne to naozaj byva okolo 300mA.
Napr IR2184 je uz machar, Output source/sink current capability 1.4A/1.8A . Bezne to naozaj byva okolo 300mA.