Nerezový kotlík

Požadavky na výrobu dílů - poptávkové fórum
Pravidla fóra
Toto forum vyzaduje schvaleni prispevku moderatorem.
Odpovědět
Baxi.bax
Příspěvky: 573
Registrován: 9. 5. 2008, 7:45
Bydliště: Dvůr Králové nad Labem
Kontaktovat uživatele:

11. 3. 2015, 9:51

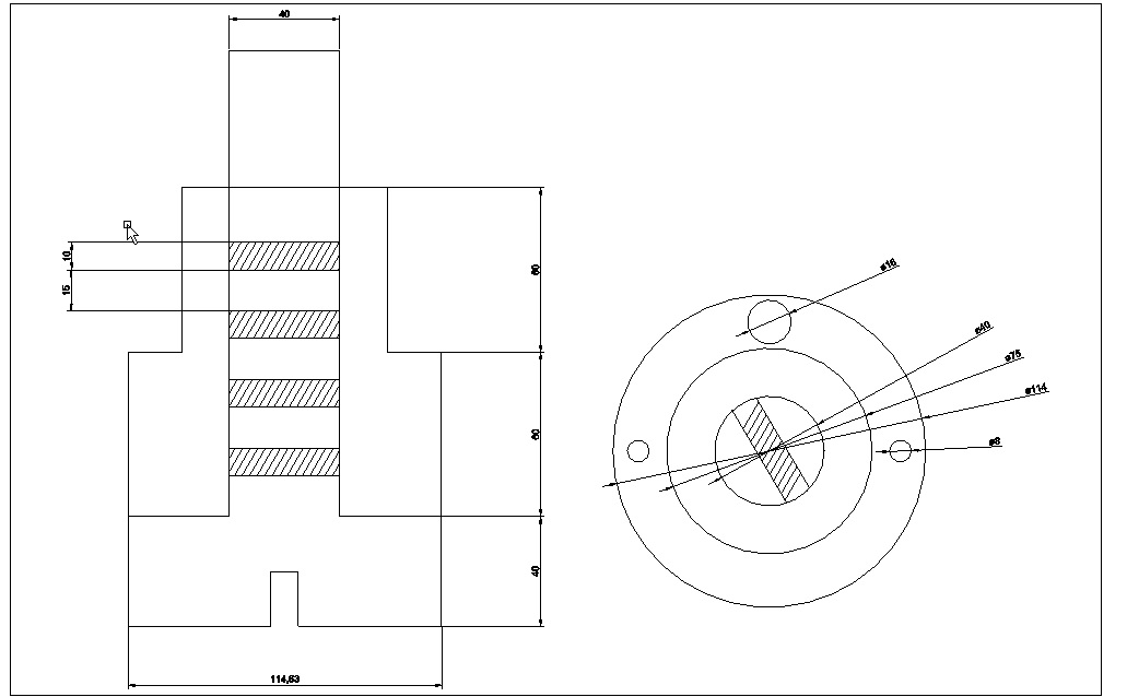
Měl by někdo zájem vyrobit nerezový kotlík na model parního strojku? Materiál mám. Rád zaplatím vaši cenu. Jedná se o svaření tří trubek o pr. 114 mm, 75 mm a 40 mm mezí tou 40 mm trubkou jsou malé trubky 10 mm .
Přílohy
Kotlík na parní strojek.jpg
exot007
Příspěvky: 180
Registrován: 3. 12. 2012, 6:47
Bydliště: 294 11

11. 3. 2015, 3:00

Chtělo by to lepší výkres! Z jak silného mat. jsou ty trubky? Jaký je to nerez 17 240 nebo jiný?píšu sz
Odpovědět

Zpět na „Potřebuji vyrobit - vypomoc pri vyrobe“