Domácí lis

fotky našich strojů, aneb co máme doma
obráběč
Příspěvky: 289
Registrován: 23. 4. 2015, 12:16

29. 12. 2015, 4:36

Není to sice CNC ale na takové to domácí žvýkání/lisování/ to stačí.
g.JPG
h.JPG
Uživatelský avatar
elbarto
Příspěvky: 5440
Registrován: 22. 5. 2014, 10:27
Bydliště: Prague

29. 12. 2015, 4:40

Jak mas vyresenou jemnou regulaci tlaku ?? Kamos koupil neco podobneho a to je zabijak. Chvilku se nic nedeje potom se ventil vice otevre a dole nastane totalni destrukce :-( rad bych neco postavil a nevim se poridit za vhodne komponenty.
obráběč
Příspěvky: 289
Registrován: 23. 4. 2015, 12:16

29. 12. 2015, 4:53

Mám tam čerpadlo 4l minutu a tak to není tak rychlé, rozvaděč má taky regulaci výstupního tlaku.
Uživatelský avatar
elbarto
Příspěvky: 5440
Registrován: 22. 5. 2014, 10:27
Bydliště: Prague

29. 12. 2015, 5:57

Musim doplnit info o totalni neznalosti tematu hydraulika. To znamena, ze musim mit regulator podobny regulatoru vzduchu na kompresoru ? Muzes dat nejkaky nastrel, jak to vypada a co mam vlastne shanet ?
P.S. Bylo by mozne tlak regulovat otackama motoru frekvencnim menicem ?
obráběč
Příspěvky: 289
Registrován: 23. 4. 2015, 12:16

29. 12. 2015, 6:41

Pro jemný posuv pístu je potřeba škrtící ventil, frekvenčním mněničem to asi nepůjde.
http://www.hydraulickeprvky.cz/ventilyskrtici/
testone
Sponzor fora
Příspěvky: 7534
Registrován: 3. 12. 2010, 5:56
Bydliště: Slaný

29. 12. 2015, 7:53

elbarto píše:Musim doplnit info o totalni neznalosti tematu hydraulika. To znamena, ze musim mit regulator podobny regulatoru vzduchu na kompresoru ? Muzes dat nejkaky nastrel, jak to vypada a co mam vlastne shanet ?
P.S. Bylo by mozne tlak regulovat otackama motoru frekvencnim menicem ?
v hydraulice se používají tzv. objemová čerpadla - např. zubové
změnou otáček nezměníš tlak, ale dodávané množství
Obvykle se dějí věci obvyklé. Méně často se dějí věci neobvyklé a zcela vyjímečně se dějí věci vyjímečné...
Masturn 40 CNC, Hermle UWF1200H CNC a pár klasik
http://www.radialengine.cz" onclick="window.open(this.href);return false;
http://www.autopejsek.cz" onclick="window.open(this.href);return false;
Uživatelský avatar
elbarto
Příspěvky: 5440
Registrován: 22. 5. 2014, 10:27
Bydliště: Prague

30. 12. 2015, 12:30

... jeste prosba. Az nejaky hydraulik bude mit chut, nacmarejte prosim zakladni schema. Jen od ruky na papir od salamu. Motor, cerpadlo, nadrzka, regulator, predpokladam nejaky bypas s pojistovakem, atd ?
Uživatelský avatar
Pavel R
Příspěvky: 480
Registrován: 5. 7. 2008, 5:52
Bydliště: Hlinsko

30. 12. 2015, 10:52

Myslím, že to vcelku zbytečně dramatizujete. Hydraulika je vcelku jednoduchá věc, pro danou aplikaci bych zvolil ventil z nějakého VZV, nebo hydr. ruky. To jsou aplikace, kdy je nutné přesně a citlivě ovládat plnění válce, podobně jako u toho lisu.
Uživatelský avatar
pavlaxy
Příspěvky: 1885
Registrován: 26. 12. 2007, 11:42
Bydliště: Praha

31. 12. 2015, 1:43

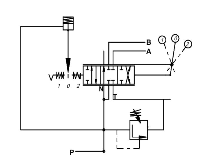
štípačkový rozvaděč popis funkce.jpg
ŠTÍPAČKA Schema.pdf
(857.51 KiB) Staženo 327 x
štípačkový rozvaděč schema.jpg
Je tam prakticky všechno stejné ...
Kdo chce lis CNC přidá si odměřování s předprogramováním kdy se beran zastaví ...
Uživatelský avatar
robokop
Site Admin
Příspěvky: 23266
Registrován: 10. 7. 2006, 12:12
Bydliště: Praha
Kontaktovat uživatele:

31. 12. 2015, 2:04

osobne bych pouzil 2 rozvadece paralelne
jeden se skrcenim na pomaly pohyb
Vsechna prava na chyby vyhrazena (E)
Uživatelský avatar
pavlaxy
Příspěvky: 1885
Registrován: 26. 12. 2007, 11:42
Bydliště: Praha

31. 12. 2015, 2:08

Určitě je škrcení dobrý nápad .
Nebo to programovatelné odměřování ...
:D :P
Uživatelský avatar
robokop
Site Admin
Příspěvky: 23266
Registrován: 10. 7. 2006, 12:12
Bydliště: Praha
Kontaktovat uživatele:

31. 12. 2015, 2:12

no rekl bych ze takova ta citovka je mnohdy lepsi nez to nechat dojet na koncovou polohu odmerovani
Vsechna prava na chyby vyhrazena (E)
Uživatelský avatar
pavlaxy
Příspěvky: 1885
Registrován: 26. 12. 2007, 11:42
Bydliště: Praha

31. 12. 2015, 2:18

Já si moc nevěřím :D :P
A také chci rozproudit diskusi o odměřování , které prakticky nikdo nemá 8)
Uživatelský avatar
robokop
Site Admin
Příspěvky: 23266
Registrován: 10. 7. 2006, 12:12
Bydliště: Praha
Kontaktovat uživatele:

31. 12. 2015, 2:23

tak na tohle idealni linearni merici potak od novotechnik a takovy to programovatelny rele na din listu (typicky maji analogovy vstup) ktery stoji cca 2000
Vsechna prava na chyby vyhrazena (E)
Uživatelský avatar
pavlaxy
Příspěvky: 1885
Registrován: 26. 12. 2007, 11:42
Bydliště: Praha

31. 12. 2015, 2:31

Nemáš nějaké fotky a další data ?
mne napadlo pravítko od šikmáče plus DRO nebo to udělat enkodérem s lankem a pružinou jako u pinoly...
Jak přesně to chodí analogově ?
Odpovědět

Zpět na „naše mašinky“