zapojenie motora pásovej pily
zdravim,kupil som pásovu pilu BGU ktorá mala vadny prepínač rychlosti 1-2,tak som oslovil kamaráta elektrikára(kedže ja nie som kamarad s elektrikou)nech mi vymeni cely rozvadzač,,pri odpájani starého rozvázaca si nepoznacil zapojenie a teraz je s toho mino
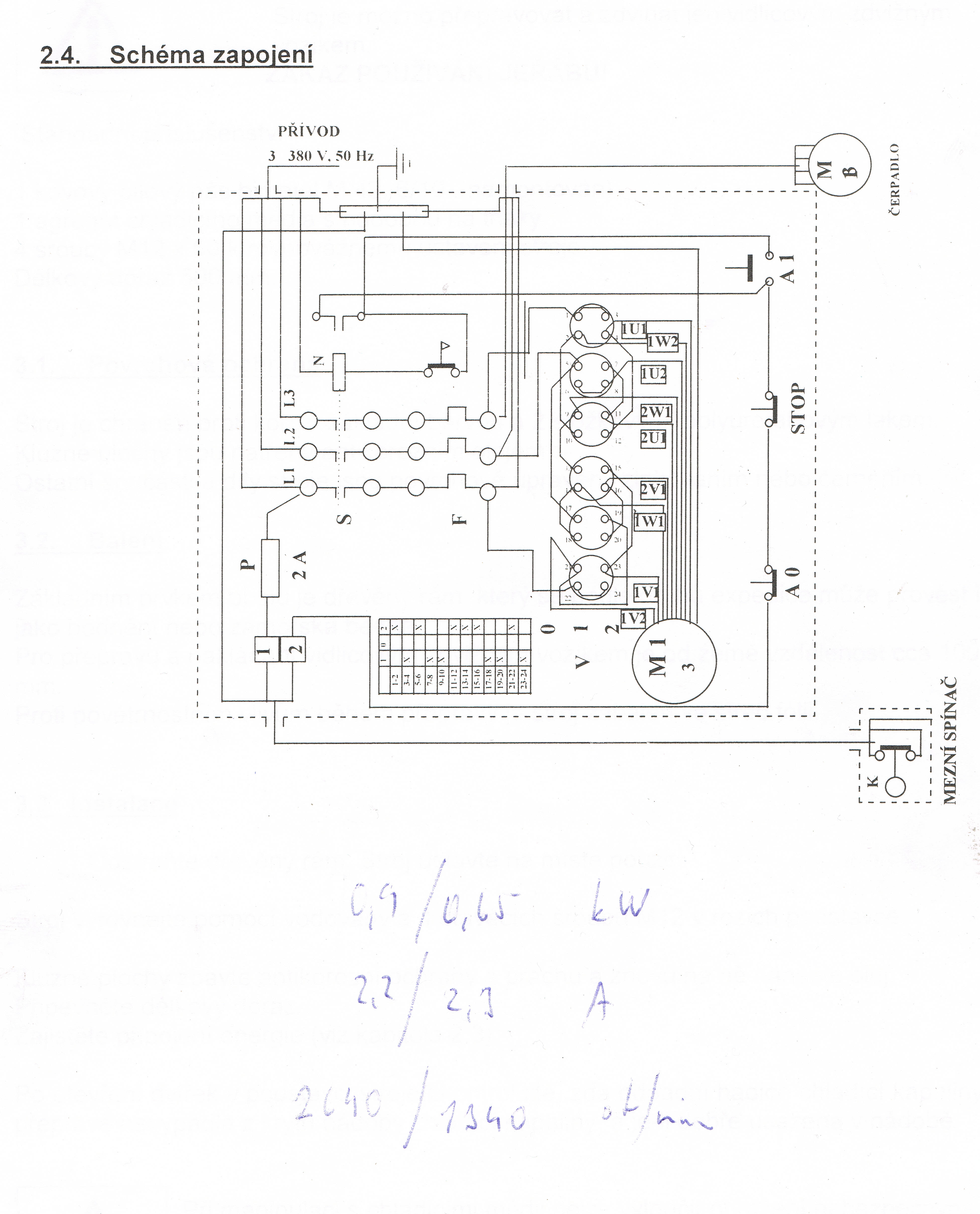
,,hladal som schemu na nete,aj som pisal vyrobcovi ale bez odozvy,,mam este pilu pilous 220 ale tam ide z motora 6kablov a tu ide 9,,a nevieme preco ked je to dvojotáčkovy motor,nema náhodou niekto podobnu pilualebo schému? dakujem
Na vojně jsme měli koktavýho lampasáka a ten říkal: "Kdydydž tomu nenenerozumíš, taak se do toho nenenehrab"pri odpájani starého rozvázaca si nepoznacil zapojenie a teraz je s toho mino
[URL=https://matchnow.life]Super casual Dating[/URL]
- jova
- Příspěvky: 2561
- Registrován: 2. 11. 2007, 1:40
- Bydliště: Chýnov to je kousek od Tábora
- Kontaktovat uživatele:
Nejspíše budou vytažené samostatně i konce vinutí co jsou na obrázku propojené těmi bílými propojkami.
A nebo mají naopak rozpojené ty cívky mezi sebou a vytažení jejich samostatné konce.
A nebo mají naopak rozpojené ty cívky mezi sebou a vytažení jejich samostatné konce.
Naposledy upravil(a) jova dne 16. 2. 2018, 9:18, celkem upraveno 1 x.
Ahoj,
zapojení ti naskenuju, ale hned to nebude, bo nemám čas. Odpoledne.
Nevím ale, jestli ti to pomůže, moc se mi nelíbí. Uvidíš sám, není tam vnitřní zapojení motoru.
Jinak se ale divím toho označení BGU, já jsem přesvědčen, že je to pilous ARG 230.
Milan
zapojení ti naskenuju, ale hned to nebude, bo nemám čas. Odpoledne.
Nevím ale, jestli ti to pomůže, moc se mi nelíbí. Uvidíš sám, není tam vnitřní zapojení motoru.
Jinak se ale divím toho označení BGU, já jsem přesvědčen, že je to pilous ARG 230.
Milan
Tak to byl tedy odborník, když si to předem neoznačil
docela si přidělal dost práce. Vlastní schema zapojení na pile Ti pomůže jen částečně, protože ještě bude zapotřebí zjistit začátky a konce vinutí motoru. Dle obrázku vidím, že přepínač otáček motoru je od výrobce OBZOR Zlín. Koukni nebo nafoť na zadní části přepínače to víčko, tam bude typové číslo i s číselným kódem schematu spínání, bude tam něco jako např: VS16 9354 xxx nebo tak něco. Pak si podle katalogu OBZOR najdeš schema zapojení. Jak jsem psal bude ale důležité zjistit začátky a konce jednotlivých vinutí. Jak to udělat je třeba tady: http://elektrika.cz/data/clanky/uazcm010828" onclick="window.open(this.href);return false;
Soustruh: S-28 Žebrák
Stolní vrtačka: TOS V10A
Pásová pila: G5013W/400
Stolní vrtačka: TOS V10A
Pásová pila: G5013W/400
ale stále nechápem prečo je tam tych káblov 9?ak je to dvojotáčkovy motor tak ma dve vinutia a malo by ich tam byt 6 alebo sa mylim?ked to zapojil tak rychlost 1 isla dobre,ale ked som prepol vypinač na 2 rychlost bola rovnaka ale zmenil sa smer otačok 
Asi tak - ale je to takový divný, protože ten motor vypadá jako klasika z EMP z Slavkova (T90 2/4 B5) co je použitý na všech možných i nemožných pásovkách - mj. i na našem Bomaru - ale tam je vytahaných klasika 6 drátů - jako u běžnýho Dahlandera (spínač je taky obzorácký).salus píše:Tak to byl tedy odborník, když si to předem neoznačildocela si přidělal dost práce. Vlastní schema zapojení na pile Ti pomůže jen částečně, protože ještě bude zapotřebí zjistit začátky a konce vinutí motoru. Dle obrázku vidím, že přepínač otáček motoru je od výrobce OBZOR Zlín. Koukni nebo nafoť na zadní části přepínače to víčko, tam bude typové číslo i s číselným kódem schematu spínání, bude tam něco jako např: VS16 9354 xxx nebo tak něco. Pak si podle katalogu OBZOR najdeš schema zapojení. Jak jsem psal bude ale důležité zjistit začátky a konce jednotlivých vinutí. Jak to udělat je třeba tady: http://elektrika.cz/data/clanky/uazcm010828" onclick="window.open(this.href);return false;
Pokud to je skutečně motor z Slavkova, tak asi nejjednodušší by bylo tam zavolat s štítkem aby poslali mailem svorkovnici - ne, že by to nebylo možné odměřit (začátky a konce) - ale pokud by to měl měřit ten samý tydýt