soustružení trubky

Požadavky na výrobu dílů - poptávkové fórum
Pravidla fóra
Toto forum vyzaduje schvaleni prispevku moderatorem.
Odpovědět
jerry88
Příspěvky: 38
Registrován: 21. 6. 2018, 1:46

12. 1. 2019, 8:15

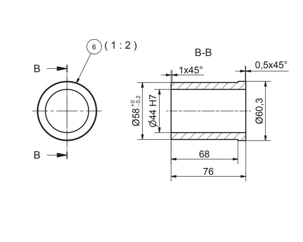
poptavam 300ks


zajemci pište na jarda.manak.jmk@gmail.com

material S355J2

60,3x12,5 - 0,7kg


Podmínkou je doklad
Přílohy
20190112_122615.jpg
gangi
Příspěvky: 51
Registrován: 23. 3. 2016, 5:51

15. 1. 2019, 12:05

Jen malý dotaz, neberte to jako rypani nebo tak něco :) , ale já vždy když něco dělám z trubky a upichnu to, tak se mě to zkrouti a podle velikosti mě to tam udělá i 0,3 mm ovál , tak by mě zajímalo jestli se dá na trubce H7 vůbec udělat :) děkuji za odpověď.
Odpovědět

Zpět na „Potřebuji vyrobit - vypomoc pri vyrobe“