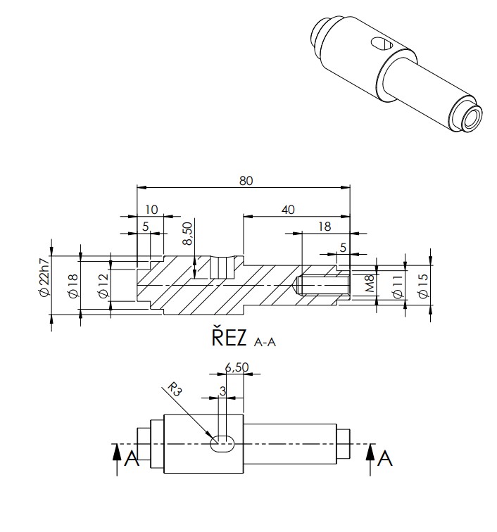
čepyD22 L80 - CNC soustruh

Požadavky na výrobu dílů - poptávkové fórum
Pravidla fóra
Toto forum vyzaduje schvaleni prispevku moderatorem.
RaS
Příspěvky: 8842
Registrován: 26. 3. 2009, 9:12
Bydliště: Úvaly

7. 2. 2024, 11:22

potřeboval bych vyrobit čepy viz příloha - automatovka nerez
termín rozumný :D
prosím o CN na 50 a 150ks
diskuze o tom co ve výkrese chybí řešit nemusíme.. to případně proberu se zhotovitelem, který má zájem to dělat

Děkuji
hřídel nerez 80mm.jpg
věčný rýpal,který musí mít poslední slovo, odpůrce low-cost zařízení končících v naprosté většině případů v hromadě šrotu
uživatelé hýbátek, kteří mají z mých příspěvků celoživotní trauma nechť si mé příspěvky VYPNOU
Uživatelský avatar
Dratenik
Příspěvky: 417
Registrován: 29. 10. 2013, 8:18
Bydliště: SM
Kontaktovat uživatele:

7. 2. 2024, 3:42

Sz
CNC: frézování 4-osy, Heidenhain iTNC530, soustruhy Heidenhain 4110, Fanuc Oi TC, 3x drátové řezačky, až Z+400, (+9let praxe)
CAD/CAM: SolidWorks 2015, HSMWorks 2016, MasterCam X5, X6, Kovoprog
Jonáš
Příspěvky: 33
Registrován: 10. 1. 2023, 6:45

17. 2. 2024, 2:09

Aktuální? Nebo hotové?
Volejte a pište na tel. a mail co zmíním.
SZ nečtu.
jan22
Začátečník
Příspěvky: 1
Registrován: 21. 2. 2024, 11:47

21. 2. 2024, 2:59

Chcete nabídnout?
RaS
Příspěvky: 8842
Registrován: 26. 3. 2009, 9:12
Bydliště: Úvaly

21. 2. 2024, 6:41

děkuji všem za nabídky,
pro zajímavost vyhrála komerční nabídka CNC soustružny za 120kč/kus včetně materiálu při 50ti kusech, špičková kvalita špičkový termín,
jinými slovy nevím kam se fórum posunulo, ale nabídky zde jsou zoufalé, předražené, kvalita většinou taky, minule jsem dostal hřídelku s průměrem 20h7 s průměrem 19,91 a soustružník mi řekl, že tam mám dát Locite :D
co se tady stalo?
rozumím tomu, že někdo nemůže s SV18kou konkurovat automatu s tyčovým podavačem s poháněčkama, ale opravdu mě nezajímá nabídka za 500kč kus při 150ti kusech...
věčný rýpal,který musí mít poslední slovo, odpůrce low-cost zařízení končících v naprosté většině případů v hromadě šrotu
uživatelé hýbátek, kteří mají z mých příspěvků celoživotní trauma nechť si mé příspěvky VYPNOU
Uživatelský avatar
jenicek
Příspěvky: 1884
Registrován: 17. 9. 2018, 9:35
Bydliště: Vedle Trautenberka

21. 2. 2024, 6:54

To víš, dostáváme se pomalu na Západ, cena lidský práce začíná bejt nedozírná.
Já když to okolo sebe vidím (ceny, dodací termíny a fušéřinu), tak se snažím si všecko dělat sám, aspoň vím kdo mi to z*urvil :lol: :lol: :lol:
josef109
Příspěvky: 705
Registrován: 21. 5. 2017, 5:15
Bydliště: Praha

21. 2. 2024, 9:47

RaS píše: 21. 2. 2024, 6:41 děkuji všem za nabídky,
pro zajímavost vyhrála komerční nabídka CNC soustružny za 120kč/kus včetně materiálu při 50ti kusech, špičková kvalita špičkový termín,
jinými slovy nevím kam se fórum posunulo, ale nabídky zde jsou zoufalé, předražené, kvalita většinou taky, minule jsem dostal hřídelku s průměrem 20h7 s průměrem 19,91 a soustružník mi řekl, že tam mám dát Locite :D
co se tady stalo?
rozumím tomu, že někdo nemůže s SV18kou konkurovat automatu s tyčovým podavačem s poháněčkama, ale opravdu mě nezajímá nabídka za 500kč kus při 150ti kusech...
Asi jsi našel někoho s low-cost soustruhem :mrgreen: Budiž ti přáno :mrgreen:
Uživatelský avatar
fmodel
Příspěvky: 10253
Registrován: 26. 10. 2011, 10:37
Kontaktovat uživatele:

22. 2. 2024, 9:04

RaS píše: 21. 2. 2024, 6:41
jinými slovy nevím kam se fórum posunulo, ale nabídky zde jsou zoufalé, předražené, kvalita většinou taky
To je jak víš už delší dobu ,co jsem zde poptával tak se cena nabídek z fora ani nepřiblížila běžným nabídkám firem z mého okolí a to jsem tam většinou nikoho neznal . To mi připomíná názor že když jsem si šroubovákem nevypíchnul oko tak jsem prostě hvězda a moji šikovnost musí zákazník zaplatit ,a navíc jsem viděl co si fakturuje můj zaměstnavatel když v práci něco děláme 8)
http://www.rm-reznicek.cz" onclick="window.open(this.href);return false;
RaS
Příspěvky: 8842
Registrován: 26. 3. 2009, 9:12
Bydliště: Úvaly

22. 2. 2024, 5:53

mimochodem můj odhad,
soustružení cnc s podavačem tyče za jak dlouho to vyrobí komplet - kolem minuty s upíchnutím a "odhozením lopatkou na hromadu" ??
tedy 50kusů hodina práce? x 2000 hodinu
programování a nastavení 3hodiny? x 1000kč/hodinu
cena materiálu? 40kč/kus? tedy 50kusů 2000?

tedy 7000/50 140kč/kus takže těch 120 je asi reálnejch ne?
věčný rýpal,který musí mít poslední slovo, odpůrce low-cost zařízení končících v naprosté většině případů v hromadě šrotu
uživatelé hýbátek, kteří mají z mých příspěvků celoživotní trauma nechť si mé příspěvky VYPNOU
Sancho Panza
Příspěvky: 1211
Registrován: 6. 3. 2021, 12:50

23. 2. 2024, 4:58

RaS píše: 22. 2. 2024, 5:53 mimochodem můj odhad,
soustružení cnc s podavačem tyče za jak dlouho to vyrobí komplet - kolem minuty s upíchnutím a "odhozením lopatkou na hromadu" ??
tedy 50kusů hodina práce? x 2000 hodinu
programování a nastavení 3hodiny? x 1000kč/hodinu
cena materiálu? 40kč/kus? tedy 50kusů 2000?

tedy 7000/50 140kč/kus takže těch 120 je asi reálnejch ne?
Podle mě to půjde ještě daleko rychleji - maximálně tak 10.3 sec na kus. Samozřejmě včetně toho úpichu.
No a teď už konečně víš, PROČ se ta teoretická tlachárna (tohle "diskuzní" forum) dostala tam, kde je.
P.S, s odhozením lopatkou na hromadu :lol: nelze než souhlasit.
Tom Dvk
Příspěvky: 624
Registrován: 24. 7. 2018, 1:08

23. 2. 2024, 5:18

RaS píše: 22. 2. 2024, 5:53 mimochodem můj odhad,
soustružení cnc s podavačem tyče za jak dlouho to vyrobí komplet - kolem minuty s upíchnutím a "odhozením lopatkou na hromadu" ??
tedy 50kusů hodina práce? x 2000 hodinu
programování a nastavení 3hodiny? x 1000kč/hodinu
cena materiálu? 40kč/kus? tedy 50kusů 2000?

tedy 7000/50 140kč/kus takže těch 120 je asi reálnejch ne?
Tohle je ovšem pro dnešní dobu taky typické. Lidi vůbec netuší, o čem mluví, ale přesně ví, co by to mělo stát :mrgreen:
Uživatelský avatar
martasg1
Sponzor fora
Příspěvky: 2250
Registrován: 17. 12. 2010, 3:42

23. 2. 2024, 4:55

RaS píše: 22. 2. 2024, 5:53 mimochodem můj odhad,
soustružení cnc s podavačem tyče za jak dlouho to vyrobí komplet - kolem minuty s upíchnutím a "odhozením lopatkou na hromadu" ??
tedy 50kusů hodina práce? x 2000 hodinu
programování a nastavení 3hodiny? x 1000kč/hodinu
cena materiálu? 40kč/kus? tedy 50kusů 2000?

tedy 7000/50 140kč/kus takže těch 120 je asi reálnejch ne?
Ale no tak RaSi... to je pořád stejná písnička už 10 let... jak chceš srovnávat komerční firmu na dotacích s moderníma strojema s někým na klasice? ty berou tyhle zakázky jen aby plnily obraty kvůli splnění podmínek dotací ve chvílích kdy němají předražené zakázky pro automotive atd. jejich nákupky materiálu to samé. Možná to ani nevyrábějí tady, ale vyrobí ti to v cizině a dodají přebalené... to jsem na vlastní oči také viděl v automotivu. Cena je dle mého na spodní hranici pro někoho kdo má tento materiál skladem nakoupený tak za ceny 1000Kč a stroj na dotaci a programátora ve firmě co se nudí. Taky jsem v takové firmě byl a pracoval a vím o čem mluvím.
Sice nesoustružím, ale dovedu si představit cenu od 170Kč nahoru jako rozumnou. 120 je tak jak jsem už napsal málo pro běžného "nedotovaného" pracanta. A s aktuální inflací se týden od týdne zvedá... to co se dějě na pultech a se službama je úprk vzhůru :)

Nebo to prostě někdo podstřelí kvůli získání novýho zákazníka nebo referencí... otázka ceny není tak jednoduchá jak ty kalkuluješ... je také směrovaná na zákazníka :) dělal jsem i chvíli v automotive a měl přehled o nákupech zakázkové výroby v desítkách milionů obratů a tohle by ti průměrné firmy v oboru udělali tak za 900Kč za kus... objednal si "jen" 50ks
Neboj ta první zakázka pro tebe byla za 120 a ta poslední bude za 900 :)

A ještě bych si dovolil rýpnutí do firem se strojema zaplacenejma dotacema - pracujícíma lidma na daních (=dotace) a pak lidi jako třeba já dělali nebo dělají u soukromníka na strojích kde je na tom stroji obrovská nálepka tento stroj by financován programem na rozvoj... takže jsem vlastně dělal na vlastním stroji zaplacenym z vlastních daní :) to je pak echt výsměch dělníkovi platícímu daně a kde je dneska stát? rozdanej a neví kde vzít prachy :) mají je tyhle soukromníci v autech... a kde si stát bere nejvíce peněz? na dělnících teď už v důchodu (viz. události minulých let) a znovu na pracujících dělnících a tich nejnižších... a zase vymějšlí jak by z nich vydyndal ještě víc... protože tomu chudáci nerozumí a nejmíň reptají a radši dělají přesčasy aby to zvládly...
CNC obrábění
RaS
Příspěvky: 8842
Registrován: 26. 3. 2009, 9:12
Bydliště: Úvaly

24. 2. 2024, 1:04

Sancho Panza píše: 23. 2. 2024, 4:58
RaS píše: 22. 2. 2024, 5:53 mimochodem můj odhad,
soustružení cnc s podavačem tyče za jak dlouho to vyrobí komplet - kolem minuty s upíchnutím a "odhozením lopatkou na hromadu" ??
tedy 50kusů hodina práce? x 2000 hodinu
programování a nastavení 3hodiny? x 1000kč/hodinu
cena materiálu? 40kč/kus? tedy 50kusů 2000?

tedy 7000/50 140kč/kus takže těch 120 je asi reálnejch ne?
Podle mě to půjde ještě daleko rychleji - maximálně tak 10.3 sec na kus. Samozřejmě včetně toho úpichu.
No a teď už konečně víš, PROČ se ta teoretická tlachárna (tohle "diskuzní" forum) dostala tam, kde je.
P.S, s odhozením lopatkou na hromadu :lol: nelze než souhlasit.
OK a můžeš tedy napsat ty časovou představu o výrobě tohoto dílu? případně někdo jiný

mluvím o výrobě na stroji pro to určeném nepotřebuji časovou představu pro SV18ku..



děkuji
věčný rýpal,který musí mít poslední slovo, odpůrce low-cost zařízení končících v naprosté většině případů v hromadě šrotu
uživatelé hýbátek, kteří mají z mých příspěvků celoživotní trauma nechť si mé příspěvky VYPNOU
RaS
Příspěvky: 8842
Registrován: 26. 3. 2009, 9:12
Bydliště: Úvaly

24. 2. 2024, 1:08

jinak se omlouvám fóru za svůj podložený názor, že komerční zakázky jsou provedeny lépe a levněji než nabídky zde z fóraa je k tomu doklad a ne nějaká fuška..
to jestli má někdo soustruh z dotace nebo si ho třeba postavil sám mne přece jako zadavatele zakázky nemusí zajímat
věčný rýpal,který musí mít poslední slovo, odpůrce low-cost zařízení končících v naprosté většině případů v hromadě šrotu
uživatelé hýbátek, kteří mají z mých příspěvků celoživotní trauma nechť si mé příspěvky VYPNOU
Milan199
Příspěvky: 3562
Registrován: 18. 8. 2010, 9:04

24. 2. 2024, 2:12

RaS píše: 24. 2. 2024, 1:04 ...
OK a můžeš tedy napsat ty časovou představu o výrobě tohoto dílu? případně někdo jiný
...
Tyhle odhady jsou cesta do chudoby ! Zkus to počítat.

Materiál :
50 ks je prd serie takže kvůli tomu nebudu vystrojovat 3m podavač. Budu tedy dělat z polotovaru 1 m, kde mi stačí jeden průvlak vzadu ve vřetenu.

Kus má 80 mm délky - budu tedy počítat 83 mm s upichovákem. To je 12 ks z metru ale počítat musím 11 ks // - vajgl // Potřebuji tedy 4,54 m, což mi nikdo neprodá - tedy 6 m // dvě tyče //.
Musím koupit průměr 24 mm, který stojí 491 CZK /m = 2946 CZK + doprava // asi 400 //.
Materiál mne tedy bude stát 3346 /50 = 67 / ks.

Seřízení :
Programování a seřízení nemůžeš počítat 1000/hod. Máš zablokovanou mašinu která nevydělává a poskakuje ti okolo toho seřizovač. I kdyby měl průměrnou hrubou mzdu 42658
tak s odvody jsi někde na 60000 CZK / 160 hod = 375 CZK hod. Režie mašiny s poháněnými nástroji a podavačem bude min !!! 800 / hod. Tedy 1175 / hod. Za dvě hodiny to musí mít. Tedy 2350 seřízení.

Režie dílny se nedá takhle cucat z prstu. Ale topíš tam, svítíš, uklízíš, likviduješ odpady, platíš certifikáty ISO ... Dále někdo musí přijmou zakázku a vystavit fakturu.

Doba práce // výroba // :
Tahle součástka je hodně typická pro to co dělám a tak si troufnu odhadnout dobu strojní práce na 5,6 min. Počítám 1840 CZK / hod. Je ale potřeba aby se kus nechal "viset" po upíchnutí a obsluha ho vyndala a taky zakládala ty 1m tyče. Máš tam h7 ... Počítej tedy tak 7 min ks = 350min = 10733. Předpokládám že obsluha stihne zároveň kusy očistit, zkontrolovat a zabalit.

Tedy mi vychází 328 CZK / kus.

Ano dá se to udělat levněji. Pokud ti zrovna stojí mašina a vedle běží jiná v automatickém cyklu a seřizovač to udělá "bokem"... Ale pokud bys měl dělat jenom takovéto zakázky tak tě musí uživit, zaplatit i obnovu strojů a vykrýt nějaké prostoje.
Odpovědět

Zpět na „Potřebuji vyrobit - vypomoc pri vyrobe“