Poptavam vyrobu

Pravidla fóra
toto forum vyzaduje schvaleni prispevku moderatorem
Odpovědět
Jan1
Příspěvky: 45
Registrován: 13. 4. 2012, 7:37

5. 7. 2012, 11:26

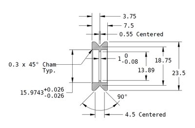
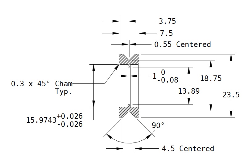
Poptavka vyrobku z oceli.jpg
Poptavam vyrobu nasledujicih soucastek.( prvni je z oceli, druhy z delrinu, pripadne bychom se domluvili i na jinem materialu)
Vyrobek z delrinu.jpg
Vaznym zajemcum bych zaslal vyrobni vykresy a domluvili bychom se na detailech, vcetne mnozstvi.
Pokud mate zajem,dejte vedet, ci poslete PM
axlllll
Příspěvky: 20
Registrován: 5. 7. 2010, 10:29

25. 7. 2012, 11:35

http://www.smallholedrilling.eu" onclick="window.open(this.href);return false;

mám snimi osobní skušenosti.... do týdne sem to měl doma..
Odpovědět

Zpět na „Nákup“