Nalezeno 5 výsledků hledání

od peter engines
27. 2. 2012, 8:16
Fórum: výrobky a obrobky
Téma: Radial 5
Odpovědi: 43
Zobrazení: 29791

Re: Radial 5

Dobry vecer kazdemu! UZ onedlho dam dalsie foto komponentov, vcetne A01. Tak jak je to nakreslene je to nevyrobitelne,ja som upravil konstrukciu hlava valca sa sklada s viac kusov. Teraz frezujem ojnice pravda na klasike. Necakal som kluci vas zaujem,potesenie na mojej strane...
od peter engines
12. 2. 2012, 8:37
Fórum: výrobky a obrobky
Téma: Radial 5
Odpovědi: 43
Zobrazení: 29791

Re: Radial 5

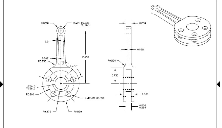
ojnica.jpg
Ahoj TESTONE!
od peter engines
11. 2. 2012, 10:48
Fórum: výrobky a obrobky
Téma: Radial 5
Odpovědi: 43
Zobrazení: 29791

Re: Radial 5

Konstrukcia Forest Edwards radial5. Vsetko som dal do mm-rov. Vlozky valcov liatina. Ponechal som roztec uhlov 5/72stupnov. Neplanujem vazny zasach do konstrukcie,len drobne upravi...
od peter engines
10. 2. 2012, 5:37
Fórum: výrobky a obrobky
Téma: Radial 5
Odpovědi: 43
Zobrazení: 29791

Re: Radial 5

Bude to zhavik,metylak. Motor bude funkcny 4takt. Vybrusi honovane. Piesty sustruzene posledny zaber s Diamantom. Pouzivam bezne platkove nastroje pramet, iscar a tiez HSS. Mouj strjony park:sui-50pr,masfu2a,fn25,bph2O,nua25,ppk 115h...
od peter engines
9. 2. 2012, 9:15
Fórum: výrobky a obrobky
Téma: Radial 5
Odpovědi: 43
Zobrazení: 29791

Radial 5

029.JPG
012.JPG
Zdravim Vas. Som na fore cerstvo registrovany. Mam rad strojarinu,ale najviac Letecke motori. Na fotke je mouj maly projekt. S pozdravom peter...

Přejít na rozšířené vyhledávání