
S28 Žebrák vs. SN320
Tak ono v určitým ohledu jsou možná i ty valivý lepší. Lidi se k tomu můžou chovat víc jako prase a není to tak náchylný na olej a mazání. I když já si toho mýho starouše pořádně hýčkám. Vždycky ho nechám rozehřát, počkám, než všude nateče olej a pak až jedu. 

Soustruh SN320, Obrážečka Strigon GH400, CNC router Pacer Cadet, TIG AC/DC
Jo, koukal jsem. Je to pěknej ranec!
Ale zas na druhou stranu, to už by asi muselo bejt, abys je v domácí dílně zapekl. Pánovi přede mnou to nejspíše léta chodilo bez oleje a ložiska stále ok. Nepřipečená, vůle dobré. Asi to bude ještě původní kvalita. Těžko říct, jestli by to samé vydržela i dnešní ložiska. 


Soustruh SN320, Obrážečka Strigon GH400, CNC router Pacer Cadet, TIG AC/DC
oni i dnes se dělají kvalitní ložiska.. je jen na kupujícím do kterého cenového košíku sáhne, a hlavně tyhle ložiska požadují kvalitní montáž,což jen tak nějaký jouda z hasákem nedá..kdo se chystá na výměnu takového ložiska, alespoň by si měl přečíst jak se to dělá, jak se měří předpětí a pokud ho to neodradí a je na to vybaven směle do toho.. pokud není schopen něco takového změřit tak nemá smysl kupovat přesná drahá ložiska neboť jejich kvality stejně nevyužije..
věčný rýpal,který musí mít poslední slovo, odpůrce low-cost zařízení končících v naprosté většině případů v hromadě šrotu
uživatelé hýbátek, kteří mají z mých příspěvků celoživotní trauma nechť si mé příspěvky VYPNOU
uživatelé hýbátek, kteří mají z mých příspěvků celoživotní trauma nechť si mé příspěvky VYPNOU
- robokop
- Site Admin
- Příspěvky: 23039
- Registrován: 10. 7. 2006, 12:12
- Bydliště: Praha
- Kontaktovat uživatele:
presne tak
nedavno jsme poptavali loziska na vreteno jednoho CNC soustruhu a jen ty 4 loziska cca 60 000,- Kc ale je to to co tam bylo predtim NSK
samozrejme by slo asi najit levnou alternativu a nejak to predelat ale to by za moc nestalo
nedavno jsme poptavali loziska na vreteno jednoho CNC soustruhu a jen ty 4 loziska cca 60 000,- Kc ale je to to co tam bylo predtim NSK
samozrejme by slo asi najit levnou alternativu a nejak to predelat ale to by za moc nestalo
Vsechna prava na chyby vyhrazena (E)
Jasně, tak ve výrobě je tohle nutnost a asi by to bylo šetření na nesprávným místě. Zvlášť když na tom pak visí nějaká zakázka a v nejnevhodnější dobu se to podle zákona schválnosi vysype.
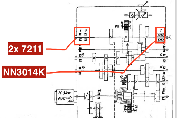
Tady by ta případná výměna nebyla tak drastická. Na vřeteni je jen jedno NN3014K a dvě ložiska 7211. Pokud na to jednou přijde, tak dá člověk 5 tisíc za kvalitní ložiska a už si toho nadosmrti při správném seřízení nebude muset všimnout. Nějak mám k valivým ložiskům větší důvěru než k třecím i když vím, že osmnáctka je teda taky na pouzdrech a je to jeden z nejlepších soustruhů, co se v Čechách vyrobil.
Tady by ta případná výměna nebyla tak drastická. Na vřeteni je jen jedno NN3014K a dvě ložiska 7211. Pokud na to jednou přijde, tak dá člověk 5 tisíc za kvalitní ložiska a už si toho nadosmrti při správném seřízení nebude muset všimnout. Nějak mám k valivým ložiskům větší důvěru než k třecím i když vím, že osmnáctka je teda taky na pouzdrech a je to jeden z nejlepších soustruhů, co se v Čechách vyrobil.
Soustruh SN320, Obrážečka Strigon GH400, CNC router Pacer Cadet, TIG AC/DC
Mám drobný problém. Potřebuju sundat univerzálku i s přírubou kvůli nandání origo lícní desky. U tohoto soustruhu je příruba univerzálky naražena na kuželu vřetena a zajištěna matkou - označena zeleně. Je tam pravý závit. Rozdělávat by se to mělo tak, že se matka zašroubuje blíže k vřeteníku s tím, že poté odtáhne přírubu z kuželu vřetena. Problém je v tom, že to na mém soustruhu nebylo nejspíše nikdy rozděláno a léta používání udělala své.
Univerzálku jsem podepřel za paknu špalkem, na matku nasadil hákový klíč, na něj metrdvacet trubku a zkoušel zabrat a nic. Nepomohlo ani prostříkávání různýma mazivama nebo nahřátí horkovzduškou. Ohřát to hodně plamenem je asi nesmysl - měl bych strach o vřeteno. Co by mi poradili zdejší odborníci? Jak to povolit?

Univerzálku jsem podepřel za paknu špalkem, na matku nasadil hákový klíč, na něj metrdvacet trubku a zkoušel zabrat a nic. Nepomohlo ani prostříkávání různýma mazivama nebo nahřátí horkovzduškou. Ohřát to hodně plamenem je asi nesmysl - měl bych strach o vřeteno. Co by mi poradili zdejší odborníci? Jak to povolit?

Soustruh SN320, Obrážečka Strigon GH400, CNC router Pacer Cadet, TIG AC/DC
No možná to bude blbost, ale u nás ve fabrice jsme měli chlapíka, který dělal opravy různých strojů a zařízení a ten vždycky tvrdil: "Nejde to povolit? tak to zkus ještě víc utáhnout a pak povolit a kupodivu, většinou se to pak povedlo" Neříkám, že to bude ve Tvém případě fungovat, ale za pokus by to možná stálo.
Soustruh: S-28 Žebrák
Stolní vrtačka: TOS V10A
Pásová pila: G5013W/400
Stolní vrtačka: TOS V10A
Pásová pila: G5013W/400
Jojo, to jsem zkoušel taky, jestli se to náhodou neodtrhne. Bohužel nejde s tím hnout ani na jednu stranu. Napadlo mě omotat okolo matky hadr namočený v benzínu nebo v brzdovce, jestli to do toho třeba alespoň trochu nenavzlíná. Ale myslím si, že to nebude mít žádný efekt.
Soustruh SN320, Obrážečka Strigon GH400, CNC router Pacer Cadet, TIG AC/DC
musíš rázem.. a když to nepůjde tak větším 

věčný rýpal,který musí mít poslední slovo, odpůrce low-cost zařízení končících v naprosté většině případů v hromadě šrotu
uživatelé hýbátek, kteří mají z mých příspěvků celoživotní trauma nechť si mé příspěvky VYPNOU
uživatelé hýbátek, kteří mají z mých příspěvků celoživotní trauma nechť si mé příspěvky VYPNOU
To není problém mohu vzít klidně 2m trubku. Nicméně neublížím tím vřetenu nebo hlavně ložiskům? Jsou tam kuželíková. Mám trochu strach takhle hodně zabrat. 

Soustruh SN320, Obrážečka Strigon GH400, CNC router Pacer Cadet, TIG AC/DC
-
- Příspěvky: 814
- Registrován: 25. 10. 2009, 2:47
Nic moc neporadím. Jen to ohřívání horkovzduškou je obvykle naprd. Jde to pomalu a prohřeje se to celé, tím se ztratí výhoda většího roztažení matice proti šroubu. Vřeteno asi vydrží dost, ale ještě by šlo na přírubu přidělat druhou páku a zabírat proti sobě, tím se síly hodně vyruší.