Oddeľovacia doska STEP, DIR - 24V
Pozdravujem spoločne.
Poprosím o radu s LPT oddeľovacou doskou !
Pre riadenie stroja som použil D 900 riadiace karty s možnosťou výberu napätia riadenia 5 alebo 24V.
Na nečisto a pre skúšky to riešim napätím 5V.
Vo finálnom zapojení potrebujem však napätie 24V. Principiálne zapojenie zvládam, avšak uspôsobiť oddeľovaciu dosku pre výstupné napätia 24V si netrúfam. Nechcem poškodiť riadiace karty najakou banálnosťou
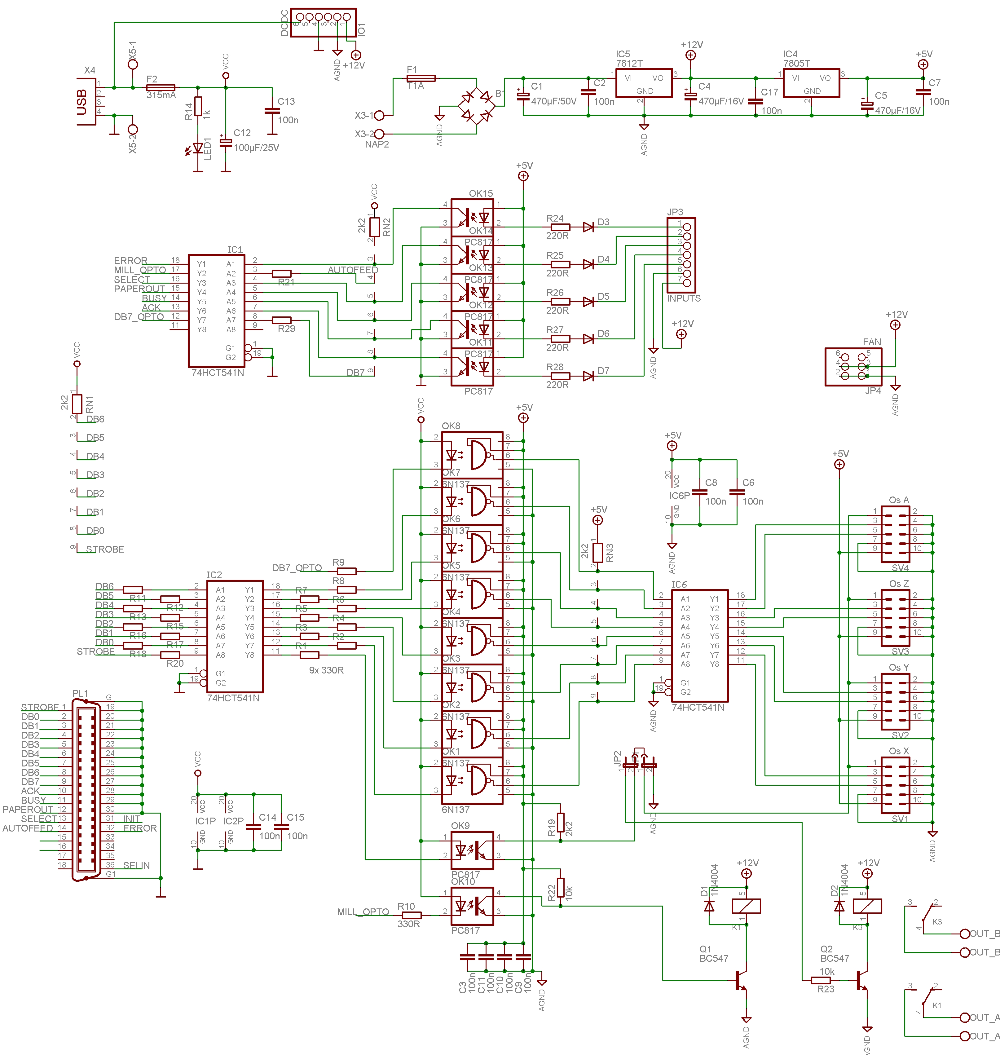
V prílohe je schéma pre ilustráciu. Ak by bolo možmé ju prestavať na danú podmienku, poprosím o to. Ideálnnejšia však budea finálna schéma s výstupom 24V s použitím minimálne troch osí. D 900 majú oddelené vstupy.
Vopred ďakujem.
Poprosím o radu s LPT oddeľovacou doskou !
Pre riadenie stroja som použil D 900 riadiace karty s možnosťou výberu napätia riadenia 5 alebo 24V.
Na nečisto a pre skúšky to riešim napätím 5V.
Vo finálnom zapojení potrebujem však napätie 24V. Principiálne zapojenie zvládam, avšak uspôsobiť oddeľovaciu dosku pre výstupné napätia 24V si netrúfam. Nechcem poškodiť riadiace karty najakou banálnosťou
V prílohe je schéma pre ilustráciu. Ak by bolo možmé ju prestavať na danú podmienku, poprosím o to. Ideálnnejšia však budea finálna schéma s výstupom 24V s použitím minimálne troch osí. D 900 majú oddelené vstupy.
Vopred ďakujem.
Pekný deň želám.
V náväznosti na môj predchádzajúci príspevok poprosím ešte o radu.
Riadiace karty D 900 uvažujem vložiť do spoločného raku kariet pre ktorý sú určené. Signálne piny +Pulse sú však na raku spoločne prepojené a napájané z vonkajšieho zdroja 24 V. Pin -Pulse má každá karta individualny, riadený z inej karty napájanej tiež vonkajším napätímm 24 V z toho istého zdroja.
Ak chcem na karty priviesť riadenie z LPT, je možné uvedené zapojenie použiť pre tento účel s tým, že riadiacu kartu zo zapojenia vylúčim ( jej zapojenie nepoznám, je však prístup na piny v raku kariet, kde bola umiestnená ) a nahradím iným zapojením ? Tiež podmienka 24 V nieje striktná. Možeme použiť i napájanie 5 V.
Poteším sa princíp zapojenia, tým pádom riešime i predchádzajúci dotaz.
Vprípade nejasností upresním.
Ďakuje s pozdravom.
V náväznosti na môj predchádzajúci príspevok poprosím ešte o radu.
Riadiace karty D 900 uvažujem vložiť do spoločného raku kariet pre ktorý sú určené. Signálne piny +Pulse sú však na raku spoločne prepojené a napájané z vonkajšieho zdroja 24 V. Pin -Pulse má každá karta individualny, riadený z inej karty napájanej tiež vonkajším napätímm 24 V z toho istého zdroja.
Ak chcem na karty priviesť riadenie z LPT, je možné uvedené zapojenie použiť pre tento účel s tým, že riadiacu kartu zo zapojenia vylúčim ( jej zapojenie nepoznám, je však prístup na piny v raku kariet, kde bola umiestnená ) a nahradím iným zapojením ? Tiež podmienka 24 V nieje striktná. Možeme použiť i napájanie 5 V.
Poteším sa princíp zapojenia, tým pádom riešime i predchádzajúci dotaz.
Vprípade nejasností upresním.
Ďakuje s pozdravom.
Aby nebol dlhodobo obsah odpovedí na tento príspevok 0, pridám ešte môj druhý.
Pôvodnú riadiacu kartu by som azda mohol nahradiť tiež kombináciou Mesa 5i25 a 7i76. Chýba mi však predstava o použiteĺnosti 7i76 tak, aby bolo možné použiť rak kariet bez zmeny jeho zapojenia.
Prosím, poraďte ako na to !
V pôvodnej zostave riadiace karty - rak kariet fungoval tak, ako je zapojený.Uspôsobiť túto zostavu na iné riadenie, povedzme i s napájaním 24V bez väčších zásahov do pôvodného zapojenia raku, bude fajn.
Pôvodnú riadiacu kartu by som azda mohol nahradiť tiež kombináciou Mesa 5i25 a 7i76. Chýba mi však predstava o použiteĺnosti 7i76 tak, aby bolo možné použiť rak kariet bez zmeny jeho zapojenia.
Prosím, poraďte ako na to !
V pôvodnej zostave riadiace karty - rak kariet fungoval tak, ako je zapojený.Uspôsobiť túto zostavu na iné riadenie, povedzme i s napájaním 24V bez väčších zásahov do pôvodného zapojenia raku, bude fajn.
Ahojte !
Celkom bez väčších problémov zostava pracuje.
V návrhu dosky som však poplietol vývody PC 817. Úprava bola jednoduchá - naletovanie obvodov z druhej strany dosky. Neverím, koľko nešetrnosti si nechajú tieto obvody ľúbiť pri obojstrannom spájkovaní a vyberaní !
V inej časti tohto fóra sa preberal problém s doskou z CNC shopu, kde pri zapnutí napájacieho napátia dosky zopnú relé obvody. Doska, ktorú som vyrobil má tiež túto logiku. Chýba mi zmysel tohto zapojenia. Je to azda mienené tak, že výstupy sú pripojené na invertujúce výstupy LPT. Logiku to moc nemá.
Ešte zapracujem do návrhu dosky nejaké zmeny a odošlem profi firme na realizáciu. Nech som akokoľvek spokojný s podomácky vyrobenou obojstrannou doskou, nie je to ono. Smola je, že firmy nevedia priveľmi pracovať s KiCad podkladmi z návrhu.
Príjemný deň želám.
Celkom bez väčších problémov zostava pracuje.
V návrhu dosky som však poplietol vývody PC 817. Úprava bola jednoduchá - naletovanie obvodov z druhej strany dosky. Neverím, koľko nešetrnosti si nechajú tieto obvody ľúbiť pri obojstrannom spájkovaní a vyberaní !
V inej časti tohto fóra sa preberal problém s doskou z CNC shopu, kde pri zapnutí napájacieho napátia dosky zopnú relé obvody. Doska, ktorú som vyrobil má tiež túto logiku. Chýba mi zmysel tohto zapojenia. Je to azda mienené tak, že výstupy sú pripojené na invertujúce výstupy LPT. Logiku to moc nemá.
Ešte zapracujem do návrhu dosky nejaké zmeny a odošlem profi firme na realizáciu. Nech som akokoľvek spokojný s podomácky vyrobenou obojstrannou doskou, nie je to ono. Smola je, že firmy nevedia priveľmi pracovať s KiCad podkladmi z návrhu.
Príjemný deň želám.
Prosím vás,
má niekto skúsenosti s týmito zariadeniami ?
http://salecnc.com/catalog/product_info ... cts_id=138" onclick="window.open(this.href);return false;
Pekný deň želám.
má niekto skúsenosti s týmito zariadeniami ?
http://salecnc.com/catalog/product_info ... cts_id=138" onclick="window.open(this.href);return false;
Pekný deň želám.