Schéma na zpoždění
-
nevedkosenior
- Příspěvky: 120
- Registrován: 13. 1. 2009, 8:31
- Bydliště: Stará Ľubovna
na vstupe usmerňovací mostik a potom tranzistor+rc člen v spomínané kolektore rele
...nikto učený z neba nespadol, keď spadol tak sa zabil ...
za cca stovku dvě tři se dá koupit hotový časový spínač s hromadou možností buď v provedení na DIN lištu nebo pod vypínač
ptej se tam kde prodávají elektroinstalační materiál
je toho hromada typů
ptej se tam kde prodávají elektroinstalační materiál
je toho hromada typů
Obvykle se dějí věci obvyklé. Méně často se dějí věci neobvyklé a zcela vyjímečně se dějí věci vyjímečné...
Masturn 40 CNC, Hermle UWF1200H CNC a pár klasik
http://www.radialengine.cz" onclick="window.open(this.href);return false;
http://www.autopejsek.cz" onclick="window.open(this.href);return false;
Masturn 40 CNC, Hermle UWF1200H CNC a pár klasik
http://www.radialengine.cz" onclick="window.open(this.href);return false;
http://www.autopejsek.cz" onclick="window.open(this.href);return false;
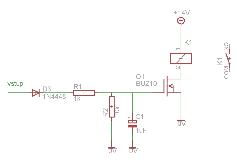
Asi nejjednodužší je toto.
Funguje to celkem dobře, hodnotou rezistorů je nutné doladit časy (zvláště R2 pro dobu vypnutí)
Funguje to celkem dobře, hodnotou rezistorů je nutné doladit časy (zvláště R2 pro dobu vypnutí)
Na konci poznávacího procesu je omyl zcela vyvrácen a my nevíme nic. Zato to víme správně.