TB6560
Zdravim, chtěl sem se zeptat zda někdo neví jak proměřit tb6560 chip zda je dobrej nebo někde proražený...
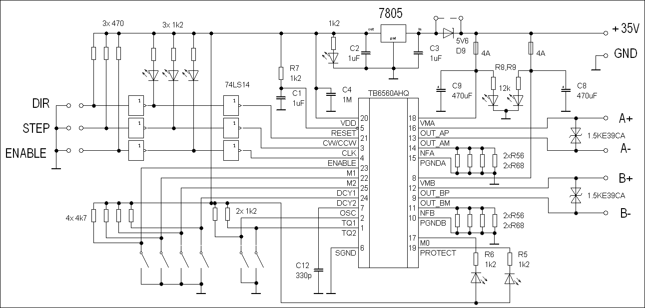
stavim si driver... po připojení ke zdroji a motorům se nezapne..motor je stale vyplý at dam enable na + nebo - + žadna reakce na další vztupni piny..
Stavim dle tohoto shematu viz. příloha. Děkuji za rady.
stavim si driver... po připojení ke zdroji a motorům se nezapne..motor je stale vyplý at dam enable na + nebo - + žadna reakce na další vztupni piny..
Stavim dle tohoto shematu viz. příloha. Děkuji za rady.
no jestli sem dobře pochopil datasheet tak o to by se měl postarat ten rc člen u resetu..ne? co by měl ,,uklidnit" přechodové děje během náběhu.... jinak našel sem plno jinych schemat ale ty sou takřka stejne...s vyjímkou odporu k přepínačum charakteristik..
Přijímám sázky na životnost té 7805 

SABLE-2015
A taková hodně blbá otázka, tu 74LS14 nějak napájíš?
Ve schematu to naznačený neni (ale je to kravina, jsou tam ty LEDky, to bys asi nepřehlíd
)..
Jinak, u VMA a VMB by měly být proti zemi ještě 100-1000nF fitrační kondíky.. a těch 470uF je moc, zvlášť za pojistkou.. při nepřipojenym vstupu je ENABLE rovnou nahoře.. je to divný schema..


Jinak, u VMA a VMB by měly být proti zemi ještě 100-1000nF fitrační kondíky.. a těch 470uF je moc, zvlášť za pojistkou.. při nepřipojenym vstupu je ENABLE rovnou nahoře.. je to divný schema..
Naposledy upravil(a) Thomeeque dne 2. 4. 2013, 2:05, celkem upraveno 1 x.
mimooborová naplavenina • kolowratský zázrak™ • NPS • GCU • HirthCalc • ncDP.ino
ano je to blba otazka
samozřejmě že vše je napajene jak ma... jinak odpory co sou ve schematu 470R mam nahrazene 1k...ledky....aktualně tam nemam ani jednu
životnost 7805 bude dlouha..jelikož můj zdroj víc jak 22V ze sebe nevytlačí jinak filtraci mam zajištenou elity + foliak+keramika...


jinak jen pro ujištění chladič je zem?.. dle proměření pinu to vychazelo že jo.. jen mě zaraží že když proměřuji tab a zem měřakem tak propípne... druhej tb take...ale tab jednoho i druheho tb proti sobě nepropípnou ikdyž maj společnou zem (bez chladiče) jen pro upřesnení toto schema mam dvojtě na jedne desce...
- Kilovolt
- Sponzor fora
- Příspěvky: 828
- Registrován: 21. 10. 2009, 9:59
- Bydliště: Podřipák jak vyšitej!
Já myslím, že by to mohlo chodit. Tu startup sekvenci mám stejnou (tj rc člen na reset) a toshiby zatím choděj, ale příště tam vrazím nějaký relé nebo jinej spínač, který připojí Vma/b po najetí 5V větve. S tím stabilizátorem- mám to taky tak (je to prasarna , já vím
) a taky drží. Takže je to funkční, ale poradil bych: 74ls14 nahradit optočleny 6n137 (nebo podobným s tvarovačem= ostrý hrany + oddělení) a před 7805 předřadit 7824 pro snížení rizika zničení přepětím. Toť můj skromný názor.
PS:mám doma stavěný drivery s tímle obvodem a už to 2 roky chodí a až umřou, bude upgrade na M542 nebo výš
Dodatek: s tím chlazením -já tomu rozuměl tak, že pokud je možnost výskytu napětí mezi GND a chladičem, tak izolovat. Já izoloval.

PS:mám doma stavěný drivery s tímle obvodem a už to 2 roky chodí a až umřou, bude upgrade na M542 nebo výš

Dodatek: s tím chlazením -já tomu rozuměl tak, že pokud je možnost výskytu napětí mezi GND a chladičem, tak izolovat. Já izoloval.
Elektrika je potvora-nejni vidět a kope jak divoká mula.
"Učíme se po celý život. Až na školní léta" - Gabriel Laub
"Učíme se po celý život. Až na školní léta" - Gabriel Laub
Ona ta prasárna s 7805 zase docela efektivně tak trochu řeší startup proceduru
Protože těch 5V je tam v pořádku už když je VM někde kolem 7V (tady ještě +5.6V), což je asi neškodná hodnota.. a při vypnutí to samé pozpátku..
Pokud nemůžeš chladič uzemnit (už je na něm jiná neizolovaná součástka se zády pod napětim), izolovat jinak uzemnit (jednodušší, efektivnější), IMHO
Btw. plánoval jsem spáchat jednoduchý testovadlo (protože jsem chtěl původně použít Toshiby sfouklý z modrý hrůzy), šlo by to celkem jednoduše (možná i metodou vrabčího hnízda kolem dvou pinových lišt), ale čip by musel bejt samozřejmě nezapájenej..

Pokud nemůžeš chladič uzemnit (už je na něm jiná neizolovaná součástka se zády pod napětim), izolovat jinak uzemnit (jednodušší, efektivnější), IMHO

Btw. plánoval jsem spáchat jednoduchý testovadlo (protože jsem chtěl původně použít Toshiby sfouklý z modrý hrůzy), šlo by to celkem jednoduše (možná i metodou vrabčího hnízda kolem dvou pinových lišt), ale čip by musel bejt samozřejmě nezapájenej..
mimooborová naplavenina • kolowratský zázrak™ • NPS • GCU • HirthCalc • ncDP.ino
- Kilovolt
- Sponzor fora
- Příspěvky: 828
- Registrován: 21. 10. 2009, 9:59
- Bydliště: Podřipák jak vyšitej!
Nj ale 7815 ti neřeší napěťovou odolnost. Max napětí 7805-7815 je 35V a 7824 má max vstupní 40V -proto sem to psal.
Ups:o těch 22V sem si všim až teď
- mi to připadne málo -záleží,co s tim budeš honit a jakou rychlost budeš požadovat.
Ups:o těch 22V sem si všim až teď

Naposledy upravil(a) Kilovolt dne 2. 4. 2013, 6:23, celkem upraveno 1 x.
Elektrika je potvora-nejni vidět a kope jak divoká mula.
"Učíme se po celý život. Až na školní léta" - Gabriel Laub
"Učíme se po celý život. Až na školní léta" - Gabriel Laub
vune odchazejici techniky byla?
(mi odesla na modre desce 1 kvuli power up sekvenci a jednou kdyz jsme popletl zapojeni motoru, ale vzdy to bylo cititelne)
edit od oka + uprava T:
na 20 je 5V?
na 5 je 5V?
na 4 se hodnota pri zmene enable meni?
na 7 to kmita (osciloskop)?
na 6, 10, 15 je zem (pipnout)?
18 a 8 ma tech 22V?
jake je napeti mezi A+ - A-
jake je napeti mezi B+ - B-
co ta led M0?
pokud jsi to jiz davno promeril tak se omlouvam.
mozna by fotka neskodila
(mi odesla na modre desce 1 kvuli power up sekvenci a jednou kdyz jsme popletl zapojeni motoru, ale vzdy to bylo cititelne)
edit od oka + uprava T:
na 20 je 5V?
na 5 je 5V?
na 4 se hodnota pri zmene enable meni?
na 7 to kmita (osciloskop)?
na 6, 10, 15 je zem (pipnout)?
18 a 8 ma tech 22V?
jake je napeti mezi A+ - A-
jake je napeti mezi B+ - B-
co ta led M0?
pokud jsi to jiz davno promeril tak se omlouvam.
mozna by fotka neskodila