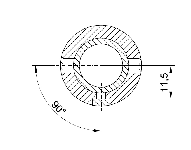
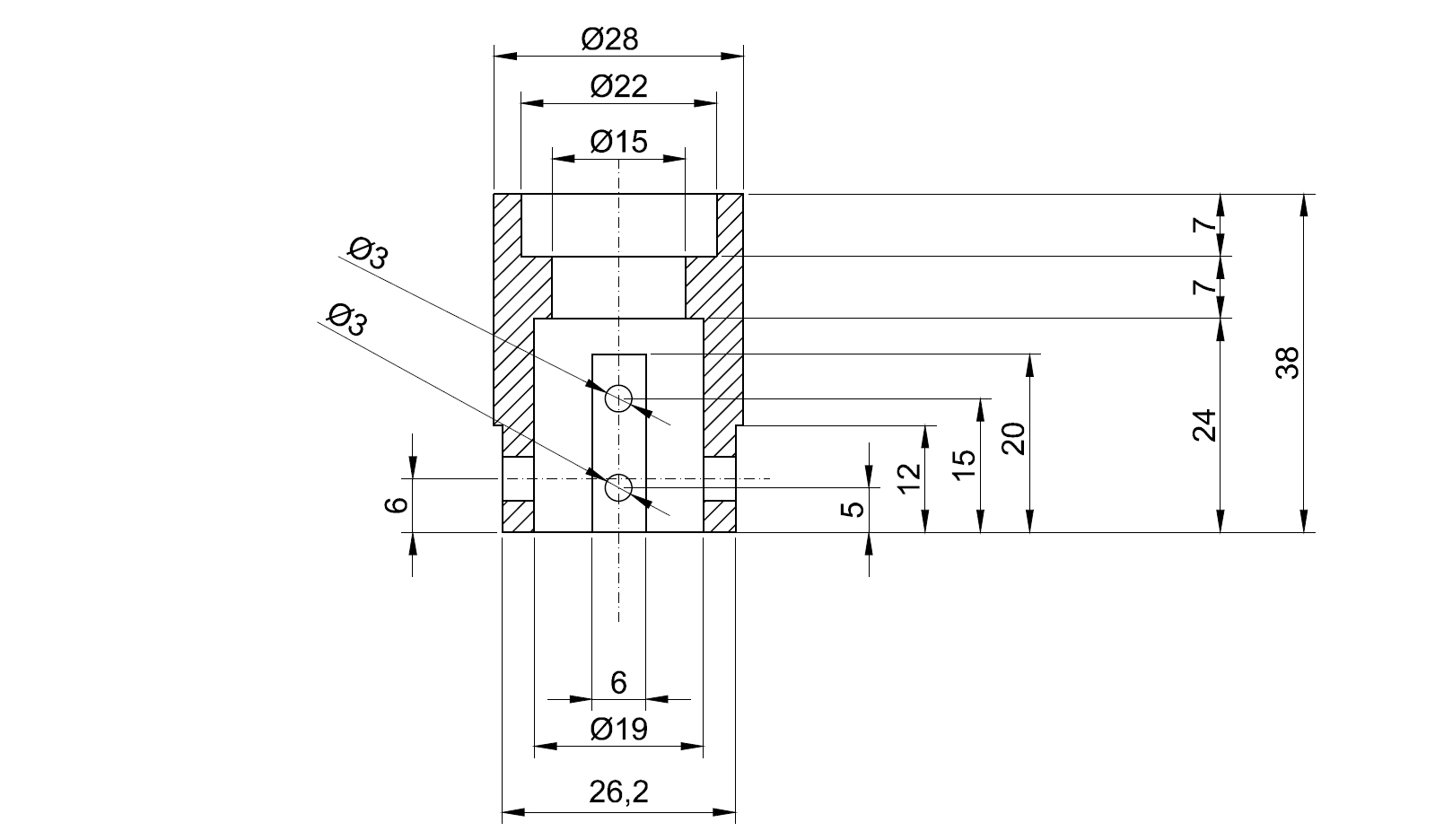
Potřebuji vyrobit těhlici na RC auto, jenže kolega to nezvládne, protože je to na něj moc malý. Zvládne to někdo odsud? Materiál hliník nebo dural. Do díry průměru 22 přijde ložisko 608 rozměr 8x22x7 a do díry průměru 19 ložisko 61800 rozměr 10x19x5. Ostatní díry jsou jen průchozí pro hřídel, takže přesnost tam nehraje moc roli. Jednalo by se o výrobu 2ks.
Výkres jsem si kreslil sám, jelikož se tím neživím, tak je možný že tam bude něco chybět, ale na požádání není problém doplnit.
Práce pro mini soustruh a frézku?
Pravidla fóra
Toto forum vyzaduje schvaleni prispevku moderatorem.
Toto forum vyzaduje schvaleni prispevku moderatorem.
O kolik kusů by se mělo jednat?
nazačátku píše 2 ks.. klasika velkej kšeft 
věčný rýpal,který musí mít poslední slovo, odpůrce low-cost zařízení končících v naprosté většině případů v hromadě šrotu
uživatelé hýbátek, kteří mají z mých příspěvků celoživotní trauma nechť si mé příspěvky VYPNOU
uživatelé hýbátek, kteří mají z mých příspěvků celoživotní trauma nechť si mé příspěvky VYPNOU