Drobnost z hliniku

Požadavky na výrobu dílů - poptávkové fórum
Pravidla fóra
Toto forum vyzaduje schvaleni prispevku moderatorem.
Odpovědět
kerbik
Příspěvky: 17
Registrován: 12. 11. 2014, 3:52

12. 11. 2014, 8:21

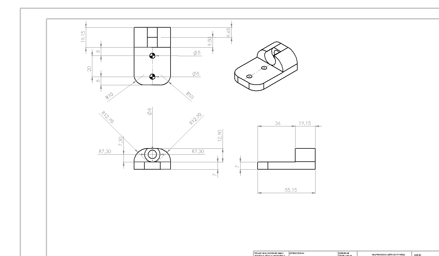
Ahoj,

potreboval bych vyrobit nasledujici kus, idealne z hliniku (6061 apod). Idealne Brno/Olomouc/Prerov a okoli.

Predem velice dekuji!

PS: Navrh mam v SolidWorks, takze na pozadani muzu poskytnout / vyexportovat v nejakem kompatibilnim formatu.
Přílohy
img.jpg
vykres.JPG
kerbik
Příspěvky: 17
Registrován: 12. 11. 2014, 3:52

13. 11. 2014, 10:20

Ahoj,

dekuji vsem za odeslane nabidky, na vyrobe uz jsem domluveny s jednim clenem tohoto fora, takze pro zatim je toto uzavrene.

Jeste jednou dik moc!
Odpovědět

Zpět na „Potřebuji vyrobit - vypomoc pri vyrobe“