Ahoj,
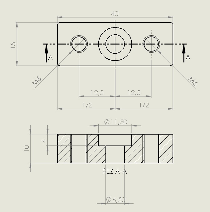
poptávám výrobu součástky, viz příloha. Nejdřív bych potřeboval dva kusy, na případné doladění detailů a pokud bude vše ok, pak minimálně 16ks, možná víc. Ale samozřejmě záleží, kolik by taková součástka stála. Materiál nějaké železo, které nebude oxidovat -> součástka bude občas ve slané vodě.
Za nabídky moc děkuji...
CNC frézování součástky - nerez???
Pravidla fóra
Toto forum vyzaduje schvaleni prispevku moderatorem.
Toto forum vyzaduje schvaleni prispevku moderatorem.
Dobrý den,
pokud nabídka stále platí můžeme se domluvit. Napište mi na email filipo20@seznam.cz
pokud nabídka stále platí můžeme se domluvit. Napište mi na email filipo20@seznam.cz