Hledám partnera - výrobce dílů soustružením a frézováním z hliníku, nerezi a plastů. Nyní poptávám tyto věci, potřeba nacenit spolu s informací o dodacím termínu a požadovaném způsobu platby. Tyto položky potřebuji nacenit během dneška či zítřka (15.-16.8.2016), další pošlu později. Elox u poslední položky 10 si zajistím případně sám. nemusí být naceněny všechny položky. (položky 6 a 7 patří spíše do oblasti výroby přesných pružin, drátů)
Požadavky na firemní dlouhodobější spolupráci s upřednostěním kvality, plátce dph.
položka 01 materiál EN AW-6082 (hliník) cena na 100,200,500 ks
položka 02 materiál EN AW-6082 (hliník) cena na 100,200,500 ks
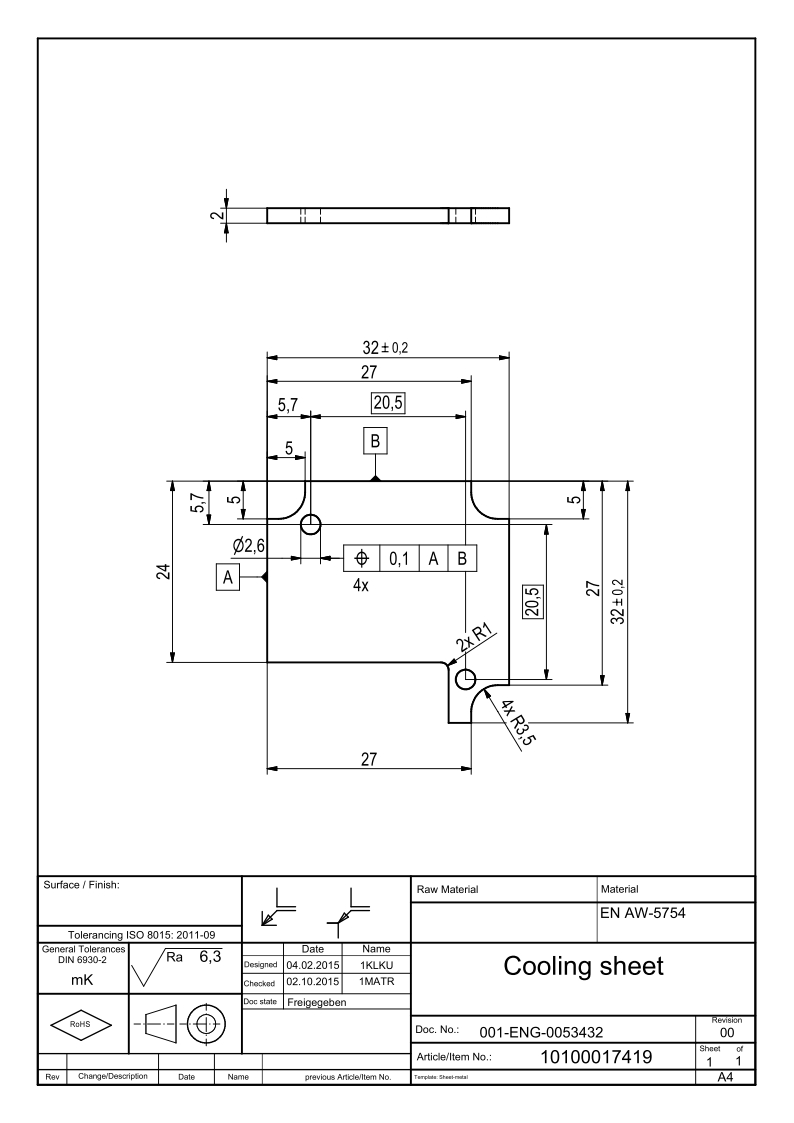
položka 03 materiál EN AW-5754 (hliník) cena na 50,100,250 ks
položka 04 materiál 1.4301 (nerez) cena na 50,100,250 ks
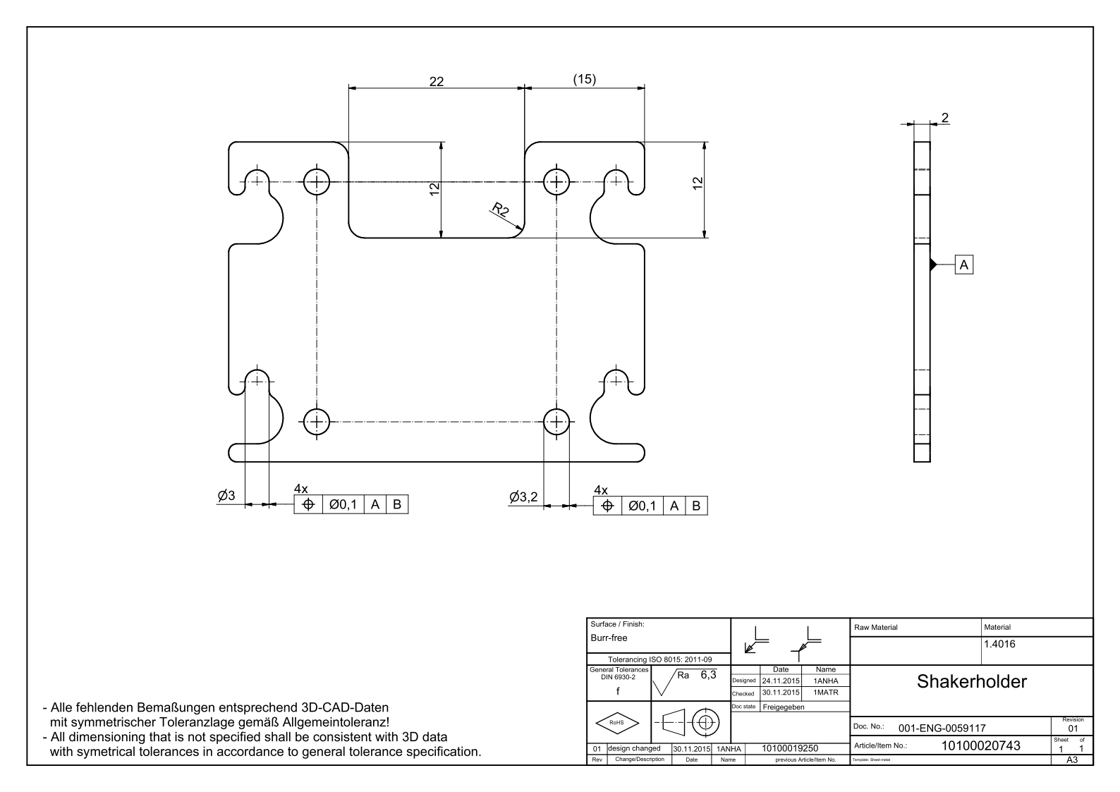
položka 05 materiál 1.4016 (nerez) cena na 50,100,250ks
položka 06 materiál 1.4301 (nerez) cena na 200,400,1000ks
položka 07 materiál 1.4310 (nerez) cena na 100,200,500ks
položka 10 materiál EN AW 2017 (hliník s černým eloxem) 1000,-ks
Chovanec