frézování na cnc

Požadavky na výrobu dílů - poptávkové fórum
Pravidla fóra
Toto forum vyzaduje schvaleni prispevku moderatorem.
Odpovědět
lollo
Příspěvky: 29
Registrován: 30. 5. 2013, 7:59

25. 1. 2014, 10:55

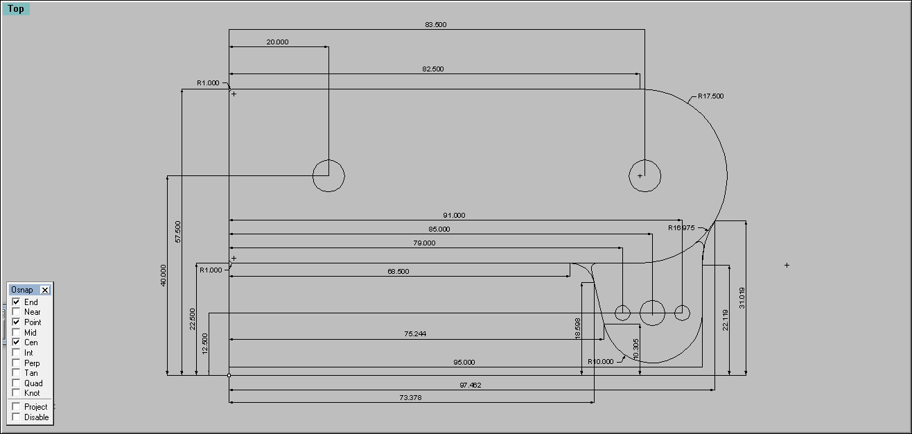
Potřeboval bych vyrobit pro začátek pár kousků hliníkových destiček. Nevím jak to popsat, a ani kreslit moc neumím. Ale snad to bude z přiložených obrázků a dodaných výkresů pochopitelné. Najde se někdo ochotný, se do toho pustit. Obrázky bohužel nejsou zatím úplné, ale přibližně takto by to mělo vypadat. Na všech hranách bude rádius R1- ze strany odlehčení. Z druhé budou stačit lehce odjehleny hrany. Vše strojově. Prosím o Vaše nabídky i s cenou. Po domluvě bych dodal lepší výkresy a popis. Děkuji.

grip1.jpg
grip2.jpg
grip01.jpg
grip02.jpg
grip v1.jpg
grip v2.jpg
grip v3.jpg
Nástrojárna WIA
Příspěvky: 4
Registrován: 31. 1. 2014, 10:37

31. 1. 2014, 11:05

Dobrý den,
máme zájem o výrobu Vámi požadovaných dílců CNC frézováním a pokud a je nabídka aktuální, neváhejte nás kontaktovat na :

Nástrojárna WIA s.r.o., p. Rusňák 603 306 300
Email: a.rusnak@nastrojarnawia.cz
S pozdravem
Rusňák
Uživatelský avatar
jOE6
Příspěvky: 146
Registrován: 5. 8. 2013, 2:24
Bydliště: Budějovicko...

31. 1. 2014, 6:09

nikde nevidím tolerance.... ptám se protože je spousta firem v Německu,Rakousku a některé i u nás které pokud mají na výkrese 3des.místa tak chtějí aby rozměry byly dodrženy. 2des.místa +-0,01 , 3des.m+-0,001 .....a to už je velký rozdíl pro výrobu a cenu.
lollo
Příspěvky: 29
Registrován: 30. 5. 2013, 7:59

4. 2. 2014, 11:06

Prozatím děkuji všem za nabídky.
lollo
Příspěvky: 29
Registrován: 30. 5. 2013, 7:59

12. 3. 2017, 8:13

Poptávka je zase aktuální. potřebuji destičku z prvních obrázků. Najde se někdo ochotný se do toho pustit? Děkuji. Martin
pateka
Příspěvky: 49
Registrován: 1. 3. 2017, 12:23

13. 3. 2017, 9:09

narazil jsem na netu na firmu http://www.freso.cz" onclick="window.open(this.href);return false; ... můžeš zkusit.
kERkyyy
Příspěvky: 21
Registrován: 29. 12. 2015, 11:07

13. 3. 2017, 12:52

Muzete se mi ozvat do pm.domluvime se.
lollo
Příspěvky: 29
Registrován: 30. 5. 2013, 7:59

13. 3. 2017, 4:00

Zatím všem děkuji za zájem mi pomoct. Zasypali jste mě zprávama s nabídkami. Všem jsem nedokázal odpovědět, omlouvám se. Je to v řešení, do dvou týdnů dám vědět co dál.
Ještě jednou děkuji.
Odpovědět

Zpět na „Potřebuji vyrobit - vypomoc pri vyrobe“