Co to je za motor? MA 4 vyvody. Dakujem.
Nikde som nezohnal ziadnu dokumentaciu
Pozna niekto tieto motory? SELEDATA?
- Jojanisberg
- Příspěvky: 209
- Registrován: 2. 9. 2008, 4:36
- Bydliště: Jihlava
Johanisberg
No, je to klasický bipolární krokový motor se čtyřmi vývody. Červený a bílo-červený bude pár jednoho vinutí a zelený a bílo-zelený pár druhého vinutí. Jako budič je možno použít třeba M542 nebo ME742, prostě driver který má cca 4-5A (lépe 5A) výstupní proud. Jediné, co ze štítku není patrné je napětí na navinutí - napájecí napětí driveru by mělo být tak 10x až 20x větší, aby to dobře šlapalo. U tohoto motoru bych určitě nešel pod 40-50V.
Je to dost zaujimave lebo v robote mame taketo motory a tam ich riadia GS-D200S integrace. NA druhej strane dokazu len 2.5 A. Staci to?
Dakujem. NEMA NIEKTO HOMEMADE DRIVER?
Dakujem. NEMA NIEKTO HOMEMADE DRIVER?
Na takový motor se samozřejmě dají použít drivery, které mají max. proud 2.5A, ale pak se nedosáhne max. udaného momentu, takže místo 1.95 Nm dají třeba jen 1.1 Nm, což pro danou aplikaci nemusí vadit. Z homemade driverů by vyhovělo něco s LMD18245, ten dá 3A, v sekci prodej zrovna někdo něco takového má. Pokud ale chcete využít ten motor na maximum, tak nezbude, než sehnat něco, co dá aspoň 5A.
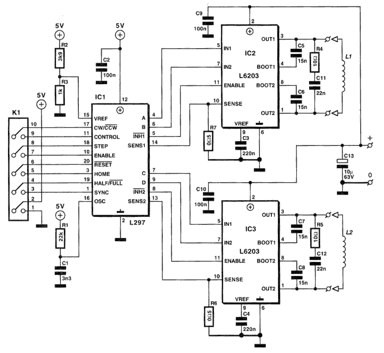
Nasiel som zapojenie na nete s L297 a L6203.
Je to do 42V a 4 A.
Aky mate na to nazor? Mohlo by to ist? dakujem.
Popripade ak by ste mali nejaky lepsi napad prijmem.
Diky
Je to do 42V a 4 A.
Aky mate na to nazor? Mohlo by to ist? dakujem.
Popripade ak by ste mali nejaky lepsi napad prijmem.
Diky
- Přílohy
-
- Suciastky.txt
- (466 bajtů) Staženo 492 x
Tohle je v podstatě katalogové zapojení, takže driver jako takový pracovat bude. Měl jsem tohle poskládané na univerzálce a fungovalo to hned na první zapojení. Ale na ty tvoje motory se mi to zdá poddimenzované. asi bych šáhnul po nějakém, zapojení s koncovým stupněm s diskrétními tranzistory. Ono to sice umí dát 4A, ale pak se to musí dobře chladit. Také bych se trochu bál těch udávaných 42 V. Typické napájení podle katalogu je 36 V a absolutní maximum mezi výstupy je 60 V (při odpínání vznikají na indukční zátěži špičky velikosti až dvojnásobku napájecího napětí). Další nevýhodou tohoto zapojení je, že neumí jemné krokování, jen půlkroky. Také bych asi moc nevěřil integrovaným ochranným diodám a doplnil externí.
Naposledy upravil(a) gnat dne 12. 3. 2009, 9:22, celkem upraveno 1 x.
Mozete mi poradit ze ako, kam napojit vyvody K1 k PC? dakujem
Třeba takhle: http://cncshop.cz/cncIOboard.htm. Jde to i napřímo do paralelního portu. Víc najdeš v dokumentaci řídícího software. Hledej MACH3 nebo EMC2.